RV-2_RV-2-3D_RV-2-3DH_RV-2-3DHL-Rev04.pdf - 第141页
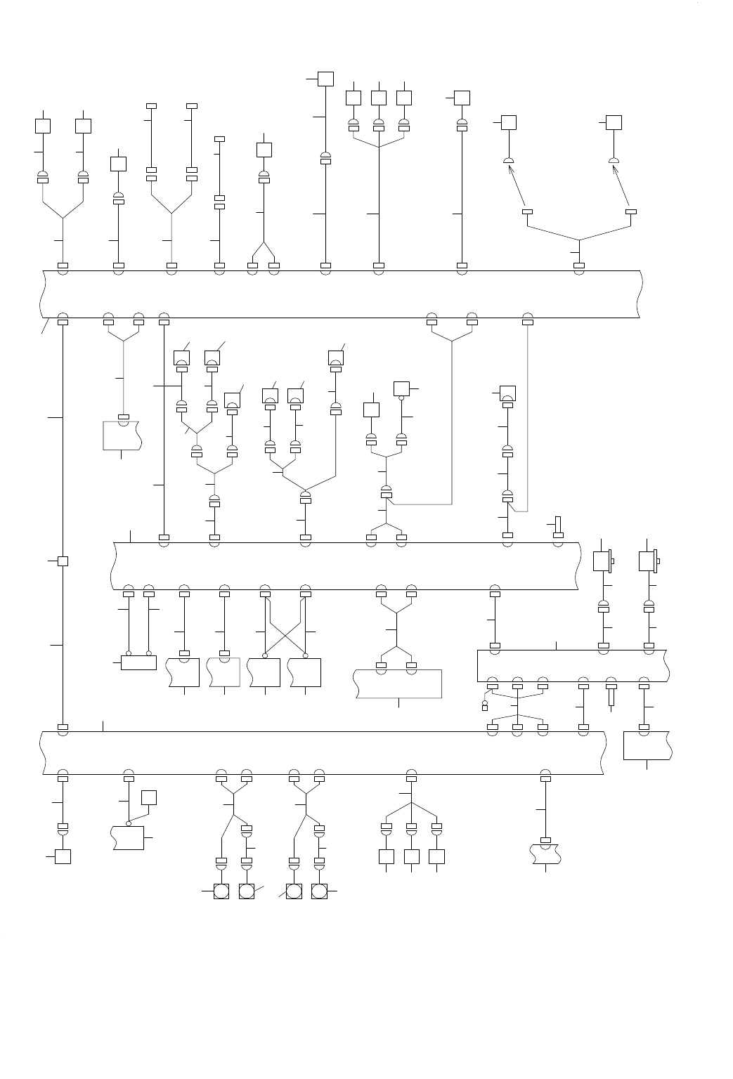
- 130 - REF.NO NOTE PART NO D E S C R I P T I O N 品 名 Qty 1 401-58508 DCS PCB ASM DCS基板組 1 2 401-58309 PON_SW-DCS C ABLE ASM PON_SW−DCS ケ ーブル組 1 3 EZ-1846554-11 CABLE SW SW ケ−ブル(ZY1C −SS3961−P−ON) 1 4 401-58373 MC1-DCS W…

- 129 -
65.SYSTEM DIAGRAM(2)
SYSTEM DIAGRAM(2)
㹀㹍㸿㹐㹂ࠉ㹑㹃㹌㹑㹍㹐ࠉ㹆㹃㸿㹂ࠉ㹐
㹀㹍㸿㹐㹂ࠉ㹑㹃㹌㹑㹍㹐ࠉ㹆㹃㸿㹂ࠉ㹊
㹑㹣㹪㹣㹡㹲㹧㹭㹬ࠉ㹤㹭㹰ࠉ㹊㸫㹐ࠉ㹤㹪㹭㹵
㹑㹣㹪㹣㹡㹲㹧㹭㹬ࠉ㹤㹭㹰ࠉ㹐㸫㹊ࠉ㹤㹪㹭㹵
㸳㸰
㸳㸮
㸲㸴
㸴㸷
㸴㸶
㸴㸲
㸴㸱
㸴㸳
㸴㸮
㸳㸷
㸳㸶
㸳㸲
㸳㸰
㸳㸰
㸳㸰
㸳㸰
㸳㸰
㸲㸷
㸳㸯
㸳㸱
㸲㸳
㸷㸱
㸷㸳 㸳㸳
㸷㸲
㸷㸰
㸷㸯㸷㸮㸶㸷
㸶㸵
㸶㸶㸶㸳
㸶㸴
㸶㸲
㸵㸵
㸵㸳㸵㸱
㸶㸰
㸶㸮㸵㸷
㸵㸲㸵㸰
㸶㸱
㸶㸯㸵㸶㸵㸴㸵㸯
㸷㸴
㸯㸷
㸳㸵
㸴㸰
㸴㸵
㸵㸮
㸴㸴
㸴㸯
㸳㸴
㸲㸶
㸲㸵
㸱㸱
㸲㸱
㸲㸲
㸲㸮
㸲㸯
㸲㸰㸲㸰
㸱㸶
㸱㸵
㸱㸴
㸱㸳
㸱㸲
㸱㸯
㸱㸰
㸱㸮㸱㸮㸰㸵㸰㸳
㸰㸷㸰㸶㸰㸴㸰㸲
㸰㸰㸰㸯
㸰㸱
㸰㸮
㸯㸶
㸯㸵
㸱㸷
㸯㸴
㸯㸳
㸯㸲㸯㸱㸯㸰
㸯㸯
㸶
㸶
㸶
㸶
㸷
㸵㸯㸮
㸴
㸳
㸲
㸱
㸰
㸯
㹎㹍㹕㹃㹐ࠉ㹍㹌ࠉ㹑㹕㹇㹒㹁㹆
㹂㹁㹑ࠉ㹎㹁㹀
㸯㸫㸰㹂
㹋㹁㸯
㸯㸫㸯㹀
㹁㹑㹉㸯
㹄㸿㹌
㹄㸿㹌
㹐㹣㹟㹰ࠉ㹓ࠉ㸯
㹂㹁ࠉ㹄㸿㹌ࠉ㸰
㹐㹣㹟㹰ࠉ㹓ࠉ㸰
㹂㹁ࠉ㹄㸿㹌ࠉ㸱
㸿㹂㹝㹍㹐㹅ࠉ㹑㹃㹌㹑㹍㹐
㸿㹂㹝㹁㹕ࠉ㹑㹃㹌㹑㹍㹐
㸿㹂㹝㹁㹁㹕ࠉ㹑㹃㹌㹑㹍㹐
㹎㹍㹑㹇㹒㹇㹍㹌ࠉ㹀㹍㸿㹐㹂
㸯㸫㸰㸿
㸱㸫㸰㹀
㹋㹍㹒㹆㹃㹐ࠉ㹀㹍㸿㹐㹂
㹄㹅
㹂㹐㹔㸱
㹈㸳
㹈㸴
㹈㸶
㹈㸲
㹈㸯
㹈㸵
㹈㸯㸮
㹈㸷
㸱㸫㸰㸿
㸿㹂ࠉ㹋㹍㹒㹍㹐
㹁㹋ࠉ㹋㹍㹒㹍㹐
㹋㹁㸱
㸿㹔㹐㸰
㸯㸫㸱㹀
㸯㸫㸱㹀
㸯㸫㸲㹀
㹂㹐㹔㸰
㹋㹁㸰
㸯㸫㸱㹀
㸯㸫㸱㸿
㹑㹄㹐㹗
㹂㹐㹔㸯
㹒㹀㸵
㹑㹐㹁ࠉ㹎㹁㹀
㸯㸫㸰㹂
㹇㹍㹁ࠉ㹎㹁㹀
㸯㸫㸰㹂
㹎㹁㹇ࠉ㹇㸭㹍ࠉ㹀㹍㸿㹐㹂
㸱㸫㸯㹀
㹖㹝㹍㹐㹅
㹑㹃㹌㹑㹍㹐
㹖㹝㹁㹁㹕
㹑㹃㹌㹑㹍㹐
㹖㹝㹁㹕ࠉ㹑㹃㹌㹑㹍㹐
㹗㹝㹍㹐㹅ࠉ㹑㹃㹌㹑㹍㹐
㹗㹝㹁㹁㹕ࠉ㹑㹃㹌㹑㹍㹐
㹗㹝㹁㹕
㹑㹃㹌㹑㹍㹐
㹃㹋㹅ࠉ㹑㹕㹇㹒㹁㹆
㹂㹍㹍㹐ࠉ㹑㹕㹇㹒㹁㹆
㹇㸭㹊ࠉ㹑㹕㹇㹒㹁㹆
㸿㹇㹐
㹆㹋
㹎㹍㹕㹃㹐ࠉ㹍㹄㹄ࠉ㹑㹕
㹇㸭㹄ࠉ㹓
㹇㸭㹄ࠉ㹊
㹍㹉㸭㹌㹅
㹑㹔
㹑㹇㹅㹌㸿㹊ࠉ㹒㹍㹕㹃㹐ࠉ㸤
㹀㹓㹘㹘㹃㹐
㹀㹍㸿㹐㹂ࠉ㹑㹃㹌㹑㹍㹐ࠉ㹐
㹀㹍㸿㹐㹂ࠉ㹑㹃㹌㹑㹍㹐ࠉ㹊
㹀㹍㸿㹐㹂ࠉ㹁㹊㸿㹋㹎ࠉ㹓
㸲㸫㸯㹁
㹀㹍㸿㹐㹂ࠉ㹁㹊㸿㹋㹎ࠉ㹓
㹁㹌㸯㸴
㹁㹌㸯㸳
㹄㸿㹌
㹄㸿㹌
㹐㹣㹟㹰ࠉ㹊ࠉ㸯
㹂㹁ࠉ㹄㸿㹌ࠉ㸲
㹐㹣㹟㹰ࠉ㹊ࠉ㸰
㹂㹁ࠉ㹄㸿㹌ࠉ㸳
㹁㹌㸴
㹁㹌㸵
㹁㹌㸶
㹁㹌㸷
㹁㹌㸯㸶
㹁㹌㸯㸵
㹁㹌㸯
㹁㹌㸯㸱
㹁㹌㸰
㹁㹌㸱
㹁㹌㸲
㹁㹌㸯㸮
㹁㹌㸯㸱
㹁㹌㸯
㹁㹌㸰
㹁㹌㸵
㹁㹌㸷
㹁㹌㸯㸴
㹁㹌㸯㸵
㹁㹌㸯㸶
㹁㹌㸶
㹁㹌㸲
㹁㹌㸴
㹁㹌㸯㸯
㹁㹌㸯㸰
㹁㹌㸯㸲
㹁㹌㸯㸳
㹁㹌㸰
㹁㹌㸰㸰
㹁㹌㸰㸱
㹁㹌㸵
㹁㹌㸱
㹁㹌㸲
㹁㹌㸱㸲
㹁㹌㸯㸵
㹁㹌㸳
㹁㹌㸰㸲
㹁㹌㸱㸯
㹁㹌㸶
㹁㹌㸱㸶
㹁㹌㸰㸮
㹁㹌㸴
㹁㹌㸯㸰
㹁㹌㸯㸮
㹈㸱
㸱㸫㸰㹁
㸳㸫㸱㸿
㸲㸫㸱㸿

- 130 -
REF.NO NOTE PART NO D E S C R I P T I O N
品 名
Qty
1 401-58508 DCS PCB ASM
DCS基板組
1
2 401-58309 PON_SW-DCS CABLE ASM
PON_SW−DCS ケーブル組
1
3 EZ-1846554-11 CABLE SW
SW ケ−ブル(ZY1C−SS3961−P−ON)
1
4 401-58373 MC1-DCS WIRE ASM
MC1−DCSワイヤー組
1
5 HA-0053000-00 MAGNETIC CONTACTOR
コンタクタ
1
6 401-58310 REAR_U FAN(1) WIRE ASM
リア_Uファン(1)ワイヤー組
1
7 401-58311 REAR_U FAN(2) WIRE ASM
リア_Uファン(2)ワイヤー組
1
8 401-33768 DC FAN
DCファン
1
9 401-58312 REAR_L FAN(1) WIRE ASM
リア_Lファン(1)ワイヤー組
1
10 401-58313 REAR_L FAN(2) WIRE ASM
リア_Lファン(2)ワイヤー組
1
11 401-58406 AD_SENSOR-DCS CABLE ASM
AD_SENSOR−DCSケーブル組
1
12 401-58462 AD ORG SENSOR CABLE ASM
AD 原点センサーケーブル組
1
13 401-58463 AD CW SENSOR CABLE ASM
AD CWセンサーケーブル組
1
14 401-58464 AD CCW SENSOR CABLE ASM
AD CCWセンサーケーブル組
1
15 401-58314 PB-DCS CABLE ASM
PB−DCSケーブル組
1
16 402-10493 MOTION CONTROLER
モーションコントローラー
1
17 401-58374 DCS-TB7 WIRE ASM
DCS−TB7ワイヤー組
1
18 HK-0883500-10 BLOCK TERMINAL
ブロックターミナル
1
19 401-58385 TB7-IOC WIRE ASM
TB7−IOCワイヤー組
1
20 401-58507 SRC PCB ASM
SRC基板組
1
21 401-58377 SFRY-SRC(1) WIRE ASM
SFRY−SRC(1)ワイヤー組
1
22 401-58378 SFRY-SRC(2) WIRE ASM
SFRY−SRC(2)ワイヤー組
1
23 HB-0015800-0A RELAY
セーフティリレーユニット
1
24 401-58379 DRV1-SRC CABLE ASM
DRV1−SRCケーブル組
1
25 401-58293 SERVO AMPLIFIER
サーボアンプ
1
26 401-58380 DRV2-SRC CABLE ASM
DRV2−SRCケーブル組
1
27 401-58294 SERVO AMPLIFIER
サーボアンプ
1
28 401-58381 MC-SRC(1) WIRE ASM
MC−SRC(1)ワイヤー組
1
29 401-58382 MC-SRC(2) WIRE ASM
MC−SRC(2)ワイヤー組
1
30 HA-0068700-00 MAGNETIC CONTACTOR
電磁開閉器
1
31 401-58383 AVR2-SRC WIRE ASM
AVR2−SRCワイヤー組
1
32 HX-0071400-00 POWER SUPPLY
パワーサプライ
1
33 401-58384 DRV3-SRC CABLE ASM
DRV3−SRCケーブル組
1
34 401-58290 MOTOR CONTROLER
モーターコントローラドライバ
1
35 401-58375 DCS-DRV3(POW) WIRE ASM
DCS−DRV3(POW)ワイヤー組
1
36 401-58376 DCS-DRV3(SIG) WIRE ASM
DCS−DRV3(SIG)ワイヤー組
1
37 401-58431 DRV3 JUMPER WIRE ASM
DRV3 JUMPERワイヤー組
1
38 401-67800 USB CABLE DRV3 MARKER
USBケーブルDRV3マーカー組
1
39 402-10500 MOTHER BOARD
マザーボード
1
40 401-58434 DRV3-AD MOTOR CABLE ASM
DRV3−ADモータケーブル組
1
41 401-58465 AD MOTOR WIRE ASM
ADモータワイヤー組
1
42 HM-0022500-00 STEPPING MOTOR
ステッピングモータ
1
43 401-58435 DRV3-CM MOTOR CABLE ASM
DRV3−CMモータケーブル組
1
44 401-58466 CM MOTOR WIRE ASM
CMモータワイヤー組
1
45 402-10492 IO BOARD
I/Oボード
1
46 401-58386 IOB-IOC CABLE ASM
IOB−IOC ケーブル組
1
47 401-58432 SRC-X_SENSOR(0) CABLE ASM
SRC−X_センサー(0)ケーブル組
1
48 401-58439 SRC-X_SENSOR(1) CABLE ASM
SRC−X_センサー(1)ケーブル組
1
49 401-58387 SRC-IOC WIRE ASM
SRC−IOC ワイヤー組
1
50 401-58336 SRC-X_SENSOR(2) CABLE ASM
SRC−X_センサー(2)ケーブル組
1
51 401-58437 X ORG SENSOR CABLE ASM
X ORG センサーケーブル組
1
52 HD-0032000-00 SENSOR
センサ
1
53 401-58337 X CCW SENSOR CABLE ASM
X CCWセンサーケーブル組
1
54 401-58338 X CW SENSOR ASM
X CW センサー組
1
55 401-58473 BOARD SENSOR HEAD L ASM
ボードセンサーヘッドLセンサー組
1
56 401-58433 SRC-Y_SENSOR(0) CABLE ASM
SRC−Y_センサー(0)ケーブル組
1
57 401-58440 SRC-Y_SENSOR(1) CABLE ASM
SRC−Y_センサー(1)ケーブル組
1
58 401-58438 Y ORG SENSOR CABLE ASM
Y ORG センサーケーブル組
1
59 401-58339 Y CCW SENSOR CABLE ASM
Y CCW センサーケーブル組
1
60 401-58340 Y CW SENSOR ASM
Y CW センサー組
1
61 401-58324 EMG_IL(1) CABLE ASM
EMG_IL(1)ケーブル組
1
62 401-58325 EMG_IL(2) CABLE ASM
EMG_IL(2)ケーブル組
1
63 401-58315 IL_SW WIRE ASM
IL_SW ワイヤー組
1
64 EZ-1846553-11 CABLE EMG
EMG ケ−ブル(ZY1C−SS3961−EMG)
1
65 HA-0067700-00 SWITCH
スイッチ
1
66 401-58316 DS1_SW(1) CABLE ASM
DS1_SW(1)ケーブル組
1
67 401-58326 DS1_SW(2) CABLE ASM
DS1_SW(2)ケーブル組
1
68 401-58317 DS1_SW(3) CABLE ASM
DS1_SW(3)ケーブル組
1
69 HA-0067800-00 SWITCH
スイッチ
1
70 401-58394 SRC-DS2 WIRE ASM
SRC−DS2ワイヤー組
1
71 401-58318 IOC-AIR_HM CABLE ASM
IOC−AIR_HMケーブル組
1
72 401-58457 AIR WIRE ASM
エアワイヤー組
1
73 401-58250 PRESSURE SENSOR
圧力センサー
1
74 401-58319 HM WIRE ASM
HMワイヤー組
1
75 HB-0007800-0B TIMER
タイマー
1
76 401-58320 IOC-POFF CABLE ASM
IOC−POFFケーブル組
1
77 EZ-1846555-11 CABLE SW
SW ケ−ブル(ZY1C−SS3961−P−OFF)
1
78 401-58448 IOC-IF CABLE ASM
IOC−IFケーブル組
1
79 401-58449 IF-U WIRE ASM
IF−Uワイヤー組
1
80 401-58450 IF-L WIRE ASM
IF−Lワイヤー組
1
81 401-58452 IOC-OKNG CABLE ASM
IOC−OKNGケーブル組
1
82 401-58451 IOC-OKNG WIRE ASM
IOC−OKNGワイヤー組
1
83 401-96187 IOC-SV CABLE ASM
IOC−SVケーブル組
1
84 402-06334 MANIFOLD
マニホールド
1
85 401-58321 IOC-ST_BZ CABLE ASM
IOC−ST_BZケーブル組
1
86 401-58467 ST AND BZ WIRE ASM
ST & BZワイヤー組
1
87 HE-0005800-00 INDICATOR LAMP
ランプ
1
88 401-58407 IOC-B_SNSR(1) CABLE ASM
IOC−B_SNSR(1)ケーブル組
1
89 401-58468 BOARD SENSOR R CABLE ASM
ボードセンサーRケーブル組
1
90 401-58469 BOARD SENSOR L CABLE ASM
ボードセンサーLケーブル組
1
91 401-58470 BOARD CLAMP FU ASM
ボードクランプFUセンサー組
1
92 401-58408 IOC-B_SNSR(2) CABLE ASM
IOC−B_SNSR(2)ケーブル組
1
93 401-58471 BOARD CLAMP RU ASM
ボードクランプRUセンサー組
1
94 401-58402 IOC-B_SNSR(3) CABLE ASM
IOC−B_SNSR(3)ケーブル組
1
95 401-58472 BOARD SENSOR HEAD R ASM
ボードセンサーヘッドRセンサー組
1
96 401-58506 IOC PCB ASM
IOC基板組
1

- 131 -
66.SYSTEM DIAGRAM(3)
SYSTEM DIAGRAM(3)
㸲㸫㸯㹀
㸲㸫㸯㸿
㸲㸫㸯㸿
㹔㹅㸿ࠉ㹀㹍㸿㹐㹂
㹁㹖㹎㸫㹇㹄ࠉ㹇㹎
㹀㹍㸿㹐㹂
㹑㹃㹐㹇㸿㹊ࠉ㹎㹍㹐㹒
㸯㸫㸰㹂
㹋㹣㹫㹫㹭㹰㹷
㹓㹑㹀ࠉ㹎㹍㹐㹒
㹊㸿㹌ࠉ㹎㹍㹐㹒
㹊㸿㹌
㹁㹌㸯㸲
㸰㸫㸯㹂
㸲㸮㸰㸮㸷㸷㸳㸱
㹁㹋㹍㹑ࠉ㹁㸿㹋㹃㹐㸿
㹁㹍㹌㹌㹃㹁㹒㹍㹐
ࠉࠉࠉࠉ㹎㸿㹌㹃㹊
㹎㹍㹕㹃㹐ࠉ㹊㹃㹂
㹆㹂㹂ࠉ㹊㹃㹂
㹄㸿㹌
㸰㸫㸱㸿
㸰㸫㸯㹂
㹑㹑㹂
㹋㹣㹫㹫㹭㹰㹷
㹎㹁㹇ࠉ㹇㸭㹍ࠉ㹀㹍㸿㹐㹂
㹎㹍㹑㹇㹒㹇㹍㹌ࠉ㹀㹍㸿㹐㹂
㹋㹣㹫㹫㹭㹰㹷
㹋㹣㹫㹫㹭㹰㹷
㹁㹎㹓
㸰㸫㸯㹂
㹋㹍㹒㹆㹃㹐ࠉ㹀㹍㸿㹐㹂
㹄㸿㹌
㹁㹎㹓ࠉ㹄㸿㹌
㹀㸿㹒
㸿㹔㹐㸱
㸯㸱
㸰㸴
㸲㸰
㸰㸯
㸱㸷
㸱㸵
㸱㸳
㸱㸶
㸱㸴
㸱㸰
㸱㸯
㸰㸷
㸰㸶
㸰㸵
㸰㸮
㸰㸰
㸯㸶
㸯㸷
㸯㸵
㸯㸴
㸯㸳
㸷
㸯㸮
㸯㸮
㸯㸮
㸯㸮
㸯㸯
㸯㸰
㸴
㸵
㸶
㸳
㸲
㸱
㸯
㸰
㸯㸲
㸰㸳
㸱㸱
㸱㸮
㸰㸲
㸰㸱
㹂㹁ࠉ㹄㸿㹌
㹂㹁㹑ࠉ㹎㹁㹀
㹋㹍㹌㹇㹒㹍㹐
㹓㹑㹀ࠉ㹃㹖㹒㹃㹌㹑㹇㹍㹌
㹄㹅 㹄㹅
㸦㹎㸬㹃㸬㸧 㸦㹃㸬㹀㸬㸧
㹄㹅
㸦㹃㸬㹀㸬㸧
㹄㹅
㸦㹖ࠉ㹀㸿㹑㹃㸧
㹄㹅
㸦㹃㸬㹀㸬㸧
㹄㹅
㸦㹁㹍㹌㹒㹐㹍㹊ࠉ㹀㹍㹖㸱㸧
㹄㹅
㸦㹖ࠉ㹀㸿㹑㹃㸧
㹄㹅
㸦㹁㸿㹋㹃㹐㸿ࠉ㹀㸿㹑㹃㸧
㹄㹅
㸦㹋㹍㹌㹇㹒㹍㹐ࠉ㹀㸿㹑㹃㸧
㹄㹅
㸦㹎㸬㹃㸬㸧
㹄㹅
㸦㹁㸿㹋㹃㹐㸿ࠉ㹀㸿㹑㹃㸧
㹄㹅
㸦㹁㸿㹋㹃㹐㸿㸧
㸲㸮
㸱㸲
㸲㸯