RV-2_RV-2-3D_RV-2-3DH_RV-2-3DHL-Rev04.pdf - 第50页
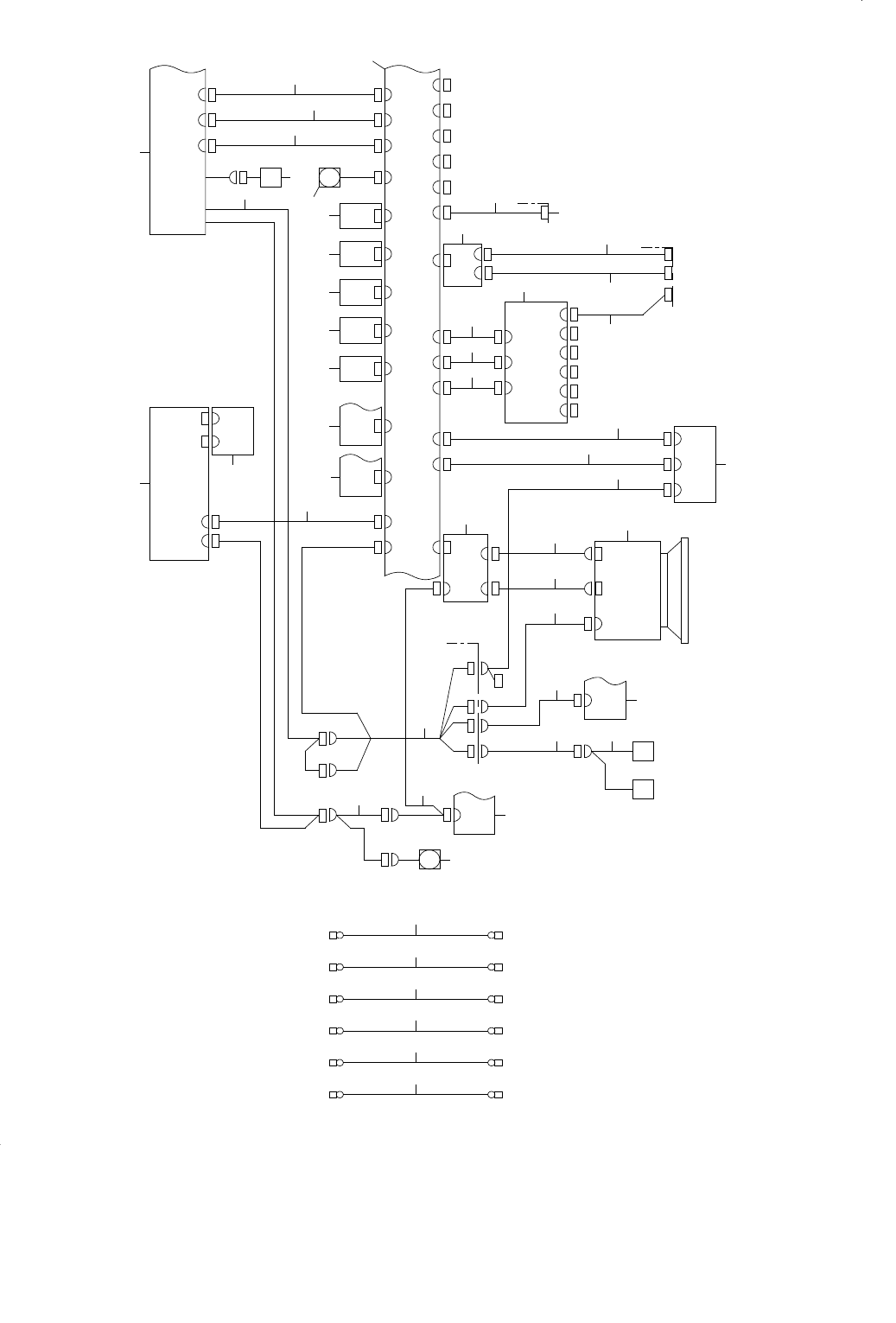
- 43 - 22. SYSTEM DIAGRAM(3) SYSTEM DIAGRA M(3) 4-1C 1-2D (CAMERA) FG (CAMERA BASE) FG Memm ory USB PORT LAN PORT LAN CN14 (P.E.) FG (MONITOR BASE) FG (CAMERA BAS E) FG (X BASE) FG (CONTROL BOX3) FG (E.B.) FG (X BASE) FG…

- 42 -
REF.NO NOTE PART NO D E S C R I P T I O N
品 名
Qty
1 401-58508 DCS PCB ASM
DCS基板組
1
2 401-58309 PON_SW-DCS CABLE ASM
PON_SW−DCS ケーブル組
1
3 EZ-1846554-11 CABLE SW
SW ケ−ブル(ZY1C−SS3961−P−ON)
1
4 401-58373 MC1-DCS WIRE ASM
MC1−DCSワイヤー組
1
5 HA-0053000-00 MAGNETIC CONTACTOR
コンタクタ
1
6 401-58310 REAR_U FAN(1) WIRE ASM
リア_Uファン(1)ワイヤー組
1
7 401-58311 REAR_U FAN(2) WIRE ASM
リア_Uファン(2)ワイヤー組
1
8 401-33768 DC FAN
DCファン
1
9 401-58312 REAR_L FAN(1) WIRE ASM
リア_Lファン(1)ワイヤー組
1
10 401-58313 REAR_L FAN(2) WIRE ASM
リア_Lファン(2)ワイヤー組
1
11 401-58406 AD_SENSOR-DCS CABLE ASM
AD_SENSOR−DCSケーブル組
1
12 401-58462 AD ORG SENSOR CABLE ASM
AD 原点センサーケーブル組
1
13 401-58463 AD CW SENSOR CABLE ASM
AD CWセンサーケーブル組
1
14 401-58464 AD CCW SENSOR CABLE ASM
AD CCWセンサーケーブル組
1
15 401-58314 PB-DCS CABLE ASM
PB−DCSケーブル組
1
16 401-58284 MOTION CONTROLER
モーションコントローラー
1
17 401-58374 DCS-TB7 WIRE ASM
DCS−TB7ワイヤー組
1
18 HK-0883500-10 BLOCK TERMINAL
ブロックターミナル
1
19 401-58385 TB7-IOC WIRE ASM
TB7−IOCワイヤー組
1
20 401-58507 SRC PCB ASM
SRC基板組
1
21 401-58377 SFRY-SRC(1) WIRE ASM
SFRY−SRC(1)ワイヤー組
1
22 401-58378 SFRY-SRC(2) WIRE ASM
SFRY−SRC(2)ワイヤー組
1
23 HB-0015800-0A RELAY
セーフティリレーユニット
1
24 401-58379 DRV1-SRC CABLE ASM
DRV1−SRCケーブル組
1
25 401-58293 SERVO AMPLIFIER
サーボアンプ
1
26 401-58380 DRV2-SRC CABLE ASM
DRV2−SRCケーブル組
1
27 401-58294 SERVO AMPLIFIER
サーボアンプ
1
28 401-58381 MC-SRC(1) WIRE ASM
MC−SRC(1)ワイヤー組
1
29 401-58382 MC-SRC(2) WIRE ASM
MC−SRC(2)ワイヤー組
1
30 HA-0067200-00 MAGNETIC CONTACTOR
電磁開閉器
1
31 401-58383 AVR2-SRC WIRE ASM
AVR2−SRCワイヤー組
1
32 HX-0071400-00 POWER SUPPLY
パワーサプライ
1
33 401-58384 DRV3-SRC CABLE ASM
DRV3−SRCケーブル組
1
34 401-58290 MOTOR CONTROLER
モーターコントローラドライバ
1
35 401-58375 DCS-DRV3(POW) WIRE ASM
DCS−DRV3(POW)ワイヤー組
1
36 401-58376 DCS-DRV3(SIG) WIRE ASM
DCS−DRV3(SIG)ワイヤー組
1
37 401-58431 DRV3 JUMPER WIRE ASM
DRV3 JUMPERワイヤー組
1
38 401-58494 USB CABLEDRV3 MARKER ASM
USB CABLEDRV3マーカー組
1
39 401-58285 MOTHER BOARD
マザーボード
1
40 401-58434 DRV3-AD MOTOR CABLE ASM
DRV3−ADモータケーブル組
1
41 401-58465 AD MOTOR WIRE ASM
ADモータワイヤー組
1
42 HM-0022500-00 STEPPING MOTOR
ステッピングモータ
1
43 401-58435 DRV3-CM MOTOR CABLE ASM
DRV3−CMモータケーブル組
1
44 401-58466 CM MOTOR WIRE ASM
CMモータワイヤー組
1
45 401-58261 IO BOARD
I/Oボード
1
46 401-58386 IOB-IOC CABLE ASM
IOB−IOC ケーブル組
1
47 401-58432 SRC-X_SENSOR(0) CABLE ASM
SRC−X_センサー(0)ケーブル組
1
48 401-58439 SRC-X_SENSOR(1) CABLE ASM
SRC−X_センサー(1)ケーブル組
1
49 401-58387 SRC-IOC WIRE ASM
SRC−IOC ワイヤー組
1
50 401-58336 SRC-X_SENSOR(2) CABLE ASM
SRC−X_センサー(2)ケーブル組
1
51 401-58437 X ORG SENSOR CABLE ASM
X ORG センサーケーブル組
1
52 HD-0032000-00 SENSOR
センサ
1
53 401-58337 X CCW SENSOR CABLE ASM
X CCWセンサーケーブル組
1
54 401-58338 X CW SENSOR ASM
X CW センサー組
1
55 401-58473 BOARD SENSOR HEAD L ASM
ボードセンサーヘッドLセンサー組
1
56 401-58433 SRC-Y_SENSOR(0) CABLE ASM
SRC−Y_センサー(0)ケーブル組
1
57 401-58440 SRC-Y_SENSOR(1) CABLE ASM
SRC−Y_センサー(1)ケーブル組
1
58 401-58438 Y ORG SENSOR CABLE ASM
Y ORG センサーケーブル組
1
59 401-58339 Y CCW SENSOR CABLE ASM
Y CCW センサーケーブル組
1
60 401-58340 Y CW SENSOR ASM
Y CW センサー組
1
61 401-58324 EMG_IL(1) CABLE ASM
EMG_IL(1)ケーブル組
1
62 401-58325 EMG_IL(2) CABLE ASM
EMG_IL(2)ケーブル組
1
63 401-58315 IL_SW WIRE ASM
IL_SW ワイヤー組
1
64 EZ-1846553-11 CABLE EMG
EMG ケ−ブル(ZY1C−SS3961−EMG)
1
65 HA-0067700-00 SWITCH
スイッチ
1
66 401-58316 DS1_SW(1) CABLE ASM
DS1_SW(1)ケーブル組
1
67 401-58326 DS1_SW(2) CABLE ASM
DS1_SW(2)ケーブル組
1
68 401-58317 DS1_SW(3) CABLE ASM
DS1_SW(3)ケーブル組
1
69 HA-0067800-00 SWITCH
スイッチ
1
70 401-58394 SRC-DS2 WIRE ASM
SRC−DS2ワイヤー組
1
71 401-58318 IOC-AIR_HM CABLE ASM
IOC−AIR_HMケーブル組
1
72 401-58457 AIR WIRE ASM
エアワイヤー組
1
73 401-58250 PRESSURE SENSOR
圧力センサー
1
74 401-58319 HM WIRE ASM
HMワイヤー組
1
75 HB-0007800-0B TIMER
タイマー
1
76 401-58320 IOC-POFF CABLE ASM
IOC−POFFケーブル組
1
77 EZ-1846555-11 CABLE SW
SW ケ−ブル(ZY1C−SS3961−P−OFF)
1
78 401-58448 IOC-IF CABLE ASM
IOC−IFケーブル組
1
79 401-58449 IF-U WIRE ASM
IF−Uワイヤー組
1
80 401-58450 IF-L WIRE ASM
IF−Lワイヤー組
1
81 401-58452 IOC-OKNG CABLE ASM
IOC−OKNGケーブル組
1
82 401-58451 IOC-OKNG WIRE ASM
IOC−OKNGワイヤー組
1
83 401-58409 IOC-SV CABLE ASM
IOC−SVケーブル組
1
84 401-58277 MANIFOLD
マニホールド
1
85 401-58321 IOC-ST_BZ CABLE ASM
IOC−ST_BZケーブル組
1
86 401-58467 ST AND BZ WIRE ASM
ST & BZワイヤー組
1
87 HE-0005800-00 INDICATOR LAMP
ランプ
1
88 401-58407 IOC-B_SNSR(1) CABLE ASM
IOC−B_SNSR(1)ケーブル組
1
89 401-58468 BOARD SENSOR R CABLE ASM
ボードセンサーRケーブル組
1
90 401-58469 BOARD SENSOR L CABLE ASM
ボードセンサーLケーブル組
1
91 401-58470 BOARD CLAMP FU ASM
ボードクランプFUセンサー組
1
92 401-58408 IOC-B_SNSR(2) CABLE ASM
IOC−B_SNSR(2)ケーブル組
1
93 401-58471 BOARD CLAMP RU ASM
ボードクランプRUセンサー組
1
94 401-58402 IOC-B_SNSR(3) CABLE ASM
IOC−B_SNSR(3)ケーブル組
1
95 401-58472 BOARD SENSOR HEAD R ASM
ボードセンサーヘッドRセンサー組
1
96 401-58506 IOC PCB ASM
IOC基板組
1

- 43 -
22.SYSTEM DIAGRAM(3)
SYSTEM DIAGRAM(3)
4-1C
1-2D
(CAMERA)
FG
(CAMERA BASE)
FG
Memmory
USB PORT
LAN PORT
LAN
CN14
(P.E.)
FG
(MONITOR BASE)
FG
(CAMERA BASE)
FG
(X BASE)
FG
(CONTROL BOX3)
FG
(E.B.)
FG
(X BASE)
FG
(E.B.)
FG
(E.B.)(P.E.)
FGFG
2-1D
USB EXTENSION
USB BOARD
MONITOR
FGB
CMOS CAMERA
CONNECTOR
PANEL
DCS PCB
POWER LED
HDD LED
1-3C
LCB PCB
DC FAN
FAN
2-3A
2-1D
SSD
HDD BOX
Memmory
PCI I/O BOARD
POSITION BOARD
Memmory
Memmory
CPU
2-1D
MOTHER BOARD
FAN
CPU FAN
BAT
AVR3
44
45
46
47
48
49
2
1
3
4
5
8
7
6
12
11
10
10
10
10
9
14
15
16
17
19
23
24
25
21
18
22
20
27
28
29
30
31
32
33
34
36
38
35
37
39
43
42
41
40
26
13

- 44 -
REF.NO NOTE PART NO D E S C R I P T I O N
品 名
Qty
1 401-58285 MOTHER BOARD
マザーボード
1
2 EZ-1474020-11 POWER ATX (ENSP3-450P-S20-H1V)
ATX電源(ENSP3−450P−S20−H1V)
1
3 401-58262 RS232C CABLE
RS232Cケーブル
1
4 EZ-1838009-11 CABLE ATX POWER (WH-M2424-500)
ATX電源ケ−ブル(WH−M2424−500)
1
5 EZ-1833193-11 CABLE ATX POWER (WH-V0408-500)
ATX電源ケ−ブル(WH−V0408−500)
1
6 401-58525 CPU COOLER
CPUクーラー
1
7 EZ-1756676-11 BATTERY (BS10A-H24/2.0L)
バッテリ (BS10A−H24/2.0L)
1
8 EZ-1838010-11 CABLE ATX POWER (WH-PS610-850)
ATX電源ケ−ブル(WH−PS610−850)
1
9 401-58524 CPU
CPU
1
10 401-58267 MEMMORY
メモリ
1
11 401-58284 MOTION CONTROLER
モーションコントローラー
1
12 401-58261 IO BOARD
I/Oボード
1
13 401-58259 SATA CABLE
SATAケーブル
1
14 401-58565 THETA_MOTOR ASM
θモーター組
1
15 401-58307 SSD
SSD
1
16 401-58498 LAN EXT CABLE MARKER ASM
LAN EXTケーブルマーカー組
1
17 HK-0896200-80 CONNECTOR
コネクタ
1
18 401-58264 USB3.0 EXTENSION BOARD
USB3.0拡張基板
1
19 401-58491 USB EXT CABLE1 MARKER ASM
USB EXTケーブル1 マーカー組
1
20 401-58492 USB EXT CABLE2 MARKER ASM
USB EXTケーブル2 マーカー組
1
21 401-58286 USB BOARD
USB基板
1
22 401-58493 USB EXT CABLE3 MARKER ASM
USB EXTケーブル3 マーカー組
1
23 401-58390 MB-USBB CABLE(1) ASM
MB−USBBケーブル組(1)
1
24 401-58391 MB-USBB CABLE(2) ASM
MB−USBBケーブル組(2)
1
25 401-58392 MB-USBB CABLE(3) ASM
MB−USBBケーブル組(3)
1
26 401-58300 MONITOR
タッチパネル(21.5インチ)
1
27 401-58454 DSUB CABLE ASM
DSUBケーブル組
1
28 401-58495 USB CABLE MONITOR MARKER ASM
USBケーブルモニタマーカー組
1
29 401-58322 MONITOR_POW CABLE ASM
モニタ_POWケーブル組
1
30 401-58291 IMAGE PROCESSING BOARD
画像処理ボード
1
31 401-58263 CMOS CAMERA
CMOSカメラ
1
32 401-58496 CAMERA CABLE1 MARKER ASM
カメラケーブル1マーカー組
1
33 401-58497 CAMERA CABLE2 MARKER ASM
カメラケーブル2マーカー組
1
34 401-58403 CAMERA POW CABLE ASM
カメラPOWケーブル組
1
35 401-58508 DCS PCB ASM
DCS基板組
1
36 401-58393 MB-DCS CABLE ASM
MB−DCSケーブル組
1
37 401-58479 PC LED ASM
PC LED組
1
38 401-58323 MB-LED CABLE ASM
MB−LEDケーブル組
1
39 401-58388 PC_IN(1) WIRE ASM
PC_IN(1)ワイヤー組
1
40 401-58278 ILLUMINATION CONTROL BOARD
照明コントロール基板
1
41 401-58389 FGB-LCB CABLE ASM
FGB−LCBケーブル組
1
42 401-58436 PC_IN(2) WIRE ASM
PC_IN(2)ワイヤー組
1
43 401-58478 PC FAN ASM
PC ファン組
1
44 401-58327 PE-EB WIRE ASM
PE−EBワイヤー組
1
45 401-58341 EB-X_BASE WIRE ASM
EB−X_ベースワイヤー組
1
46 401-58404 X-CAM BASE WIRE ASM
X−CAMベースワイヤー組
1
47 401-58328 EB-MONITOR BASE WIRE ASM
EB−MONITORベースワイヤー組
1
48 401-58455 CB3-PE WIRE ASM
CB3−PEワイヤー組
1
49 401-58405 C_BASE-CAMERA WIRE ASM
C_BASE−CAMERAワイヤー組
1