RV-2_RV-2-3D_RV-2-3DH_RV-2-3DHL-Rev04.pdf - 第192页
- 179 - 90. SYSTEM DIAGRAM (4) SYSTEM DIAGRA M(4) 㸱㸫㸰㹁 㸱㸫㸯㸿 㹁㹌㸴 㹁㹌㸯㸮 㹁㹌㸴 㹁㹌㸯㸮 㹁㹖㹎㸫㹇㹄ࠉ㹇㹎ࠉ㹀㹍㸿 㹐㹂 㹒㹀㸯㸯 㹋㹎㹑㸱㹂㸫㹎㹕㹐ࠉ㹎㹁㹀ࠉ㸿 㹑㹋 㹁㹌㸰 㹁㹌㸯 㹋㹎㹑㸱㹂㸫㹎㹕㹐ࠉ㹎㹁㹀ࠉ㸿 㹑㹋 㹁㹌㸰 㹁㹌㸯 㹋㹎㹑㸱㹂㸫㹎㹕㹐ࠉ㹎㹁㹀ࠉ㸿 㹑㹋 㹁㹌㸰 㹁㹌㸯 㹋㹎㹑㸱㹂㸫㹎㹕㹐ࠉ㹎㹁㹀ࠉ㸿 㹑㹋 㹁㹌㸰 㹁㹌㸯 㹁㹌㸷 㹁㹌㸳 㹎㹑㸱㹂…

- 178 -
REF.NO NOTE PART NO D E S C R I P T I O N
品 名
Qty
1 402-10500 MOTHER BOARD
マザーボード
1
2 402-10494 ATX POWER
ATX電源
1
3 401-58262 RS232C CABLE
RS232Cケーブル
1
4 402-12217 24PIN MAIN CONNECTOR CABLE
24ピン メインコネクタケーブル
1
5 402-12218 12V8PIN PCIE6PIN CABLE
12V8PIN PCIE6PIN ケーブル
1
6 402-10503 CPU FAN
CPU ファン
1
7 EZ-1756676-11 BATTERY (BS10A-H24/2.0L)
バッテリ(BS10A−H24/2.0L)
1
8 EZ-1838010-11 CABLE ATX POWER (WH-PS610-850)
ATX電源ケ−ブル(WH−PS610−850)
1
9 402-38777 CPU
CPU
1
10 402-38787 MEMORY
メモリ 16GB
4
11 402-10493 MOTION CONTROLER
モーションコントローラー
1
12 402-10492 IO BOARD
I/Oボード
1
13 401-58259 SATA CABLE
SATAケーブル
1
14 401-58405 C_BASE-CAMERA WIRE ASM
C_BASE−CAMERA ワイヤー組
1
15 402-24224 SSD
SSD
1
16 402-38764 LAN EXT CABLE MARKER ASM
LAN EXT ケーブルマーカー組
1
17 HK-0896200-80 CONNECTOR
コネクタ
1
18 401-95006 USB3.1 EXTENSION BOARD
USB 3.1拡張基板
1
19 401-58491 USB EXT CABLE1 MARKER ASM
USB EXTケーブル1 マーカー組
1
20 401-58492 USB EXT CABLE2 MARKER ASM
USB EXTケーブル2 マーカー組
1
21 401-58478 PC FAN ASM
PC ファン組
1
22 401-67799 USB EXT CABLE3 MARKER
USB EXTケーブル3 マーカー組
1
23 401-58327 PE-EB WIRE ASM
PE−EBワイヤー組
1
24 402-38734 EB-X_BASE WIRE ASM
EB−X_ベースワイヤー組
1
25 402-38757 CB3-PE WIRE ASM
CB3−PE ワイヤー組
1
26 402-00183 MONITOR
モニタ
1
27 402-38756 DSUB CABLE ASM
DSUB ケーブル組
1
28 401-67801 USB CABLE MONITOR
USBケーブルモニタマーカー組
1
29 402-38728 MONITOR_POW CABLE ASM
MONITOR_POW ケーブル組
1
30 401-58404 X-CAM BASE WIRE ASM
X−CAMベースワイヤー組
1
31 402-09953 COAX CAMERA
コアックス カメラ
1
32 402-38768 COAX CAMERA CABLE
同軸カメラケーブル
1
33 402-38730 EB-MONITOR BASE WIRE ASM
EB−MONITOR ベースワイヤー組
1
34 402-14874 VGA BOARD
グラフィックボード
1
35 401-58508 DCS PCB ASM
DCS基板組
1
36 401-58393 MB-DCS CABLE ASM
MB−DCSケーブル組
1
37 401-58479 PC LED ASM
PC LED組
1
38 401-58323 MB-LED CABLE ASM
MB−LEDケーブル組
1
39 402-12197 3DH PC IN(1) WIRE ASM
3DH PC IN(1)ワイヤー組
1
40 402-15310 CXP-IF IP BOARD
コアックスIF画像処理基板
1
41 402-10504 RS-232C PANEL BOARD
RS−232C 2ポート拡張インターフェイス基板
1
42 401-58436 PC_IN(2) WIRE ASM
PC_IN(2)ワイヤー組
1

- 179 -
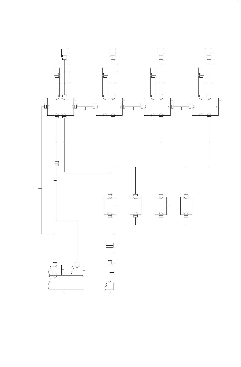
90.SYSTEM DIAGRAM (4)
SYSTEM DIAGRAM(4)
㸱㸫㸰㹁
㸱㸫㸯㸿
㹁㹌㸴
㹁㹌㸯㸮
㹁㹌㸴
㹁㹌㸯㸮
㹁㹖㹎㸫㹇㹄ࠉ㹇㹎ࠉ㹀㹍㸿㹐㹂
㹒㹀㸯㸯
㹋㹎㹑㸱㹂㸫㹎㹕㹐ࠉ㹎㹁㹀ࠉ㸿㹑㹋
㹁㹌㸰
㹁㹌㸯
㹋㹎㹑㸱㹂㸫㹎㹕㹐ࠉ㹎㹁㹀ࠉ㸿㹑㹋
㹁㹌㸰
㹁㹌㸯
㹋㹎㹑㸱㹂㸫㹎㹕㹐ࠉ㹎㹁㹀ࠉ㸿㹑㹋
㹁㹌㸰
㹁㹌㸯
㹋㹎㹑㸱㹂㸫㹎㹕㹐ࠉ㹎㹁㹀ࠉ㸿㹑㹋
㹁㹌㸰
㹁㹌㸯
㹁㹌㸷
㹁㹌㸳
㹎㹑㸱㹂㹆㸫㹂㹐㹔ࠉ㹎㹁㹀ࠉ㸿㹑㹋
㹁㹌㸰
㹁㹌㸶
㹁㹌㸷
㹁㹌㸳
㹁㹌㸯
㹎㹑㸱㹂㹆㸫㹂㹐㹔ࠉ㹎㹁㹀ࠉ㸿㹑㹋
㹁㹌㸰
㹁㹌㸶
㹁㹌㸷
㹁㹌㸳
㹁㹌㸴
㹁㹌㸯㸮
㹎㹑㸱㹂㹆㸫㹂㹐㹔ࠉ㹎㹁㹀ࠉ㸿㹑㹋
㹁㹌㸰
㹁㹌㸶
㹁㹌㸷
㹁㹌㸳
㹑㹃㹐㹇㸿㹊ࠉ㹎㹍㹐㹒
㹁㹌㸰
㹋㹇㹐㹐㹍㹐ࠉ㸿㹐㹐㸿㹗
㹎㹑㸱㹂㹆㸫㹂㹋㹂ࠉ㹎㹁㹀
㸿㹑㹋
㹁㹌㸯
㹎㹑㸱㹂㸫㹕㹊㹃㹂ࠉ㹎㹁㹀ࠉ㸿㹑㹋
㹁㹌㸯
㹁㹌㸴
㹁㹌㸯㸮
㹎㹑㸱㹂㹆㸫㹂㹐㹔ࠉ㹎㹁㹀ࠉ㸿㹑㹋
㹁㹌㸰
㹁㹌㸶
㸯㸫㸰㹀
㸿㹔㹐㸳
㸱㸫㸰㹁
㹋㹍㹒㹆㹃㹐ࠉ㹀㹍㸿㹐㹂
㸯
㸰
㸱
㸲
㸳
㸴
㸯㸱
㸶
㸯㸮
㸷
㸵
㸯㸯
㸯㸰 㸯㸰 㸯㸰 㸯㸰
㸯㸲 㸯㸴㸯㸳
㸯㸵
㸰㸯
㸰㸮
㸯㸶
㸯㸷
㹎㹑㸱㹂㸫㹕㹊㹃㹂ࠉ㹎㹁㹀ࠉ㸿㹑㹋
㹋㹇㹐㹐㹍㹐ࠉ㸿㹐㹐㸿㹗
㹎㹑㸱㹂㹆㸫㹂㹋㹂ࠉ㹎㹁㹀
㸿㹑㹋
㹁㹌㸰
㹁㹌㸯
㸯㸷
㸯㸶
㸰㸮
㹁㹌㸯
㸰㸯
㹎㹑㸱㹂㹆㸫㹂㹋㹂ࠉ㹎㹁㹀
㸿㹑㹋
㹋㹇㹐㹐㹍㹐ࠉ㸿㹐㹐㸿㹗
㹁㹌㸰
㹁㹌㸯
㸯㸷
㸯㸶
㸰㸮
㹁㹌㸯
㹎㹑㸱㹂㸫㹕㹊㹃㹂ࠉ㹎㹁㹀ࠉ㸿㹑㹋
㸰㸯
㸰㸰 㸰㸰 㸰㸰
㹎㹑㸱㹂㹆㸫㹂㹋㹂ࠉ㹎㹁㹀
㸿㹑㹋
㹋㹇㹐㹐㹍㹐ࠉ㸿㹐㹐㸿㹗
㹁㹌㸰
㹁㹌㸯
㸰㸮
㸯㸶
㸯㸷
㹁㹌㸯
㹎㹑㸱㹂㸫㹕㹊㹃㹂ࠉ㹎㹁㹀ࠉ㸿㹑㹋
㸰㸯
㸯㸵 㸯㸵 㸯㸵

- 180 -
REF.NO NOTE PART NO D E S C R I P T I O N
品 名
Qty
1 402-10500 MOTHER BOARD
マザーボード
1
2 402-10504 RS-232C PANEL BOARD
RS−232C 2ポート拡張インターフェイス基板
1
3 402-15310 CXP-IF IP BOARD
コアックスIF画像処理基板
1
4 402-38770 3DH DRV SERIAL CABLE ASM
3DH DRV SERIAL ケーブル組
1
5 402-38769 3DH GB GPIO CABLE ASM 1
3DH GB GPIO ケーブル組1
1
6 402-12199 3DH GB GPIO CABLE ASM 2
3DH GB GPIO ケーブル組2
1
7 402-12219 POWER SUPPLY
24V電源
1
8 402-14869 3DH AVR5-TB11 WIRE ASM
3DH AVR5−TB11 ワイヤー組
1
9 HK-0883500-10 BLOCK TERMINAL
ブロックターミナル
1
10 402-14870 3DH TB11-PN WIRE ASM
3DH TB11−PN ワイヤー組
1
11 402-38771 3DH 24V PWR CABLE ASM
3DH 24V PWR ケーブル組
1
12 402-07727 MPS3D-PWR PCB ASM
MPS3D−PWR基板 組図
4
13 402-12207 3DH 5V PWR CABLE ASM 1
3DH 5V PWR ケーブル組1
1
14 402-12208 3DH 5V PWR CABLE ASM 2
3DH 5V PWR ケーブル組2
1
15 402-12209 3DH 5V PWR CABLE ASM 3
3DH 5V PWR ケーブル組3
1
16 402-12210 3DH 5V PWR CABLE ASM 4
3DH 5V PWR ケーブル組4
1
17 402-14084 PS3DH-DRV PCB ASM
PS3DH−DRV基板 組図
4
18 402-14087 PS3DH-DMD PCB ASM
PS3DH−DMD基板 組図
4
19 401-95649 MPS3D-MICROMIRROR ARRAY
マイクロミラーアレイ
4
20 402-14100 3DH LED2 POWER WIRE ASM
3DH LED2電源ワイヤー組
4
21 401-76699 PS3D-WLED PCB ASM
PS3D−WLED基板 組図
4
22 402-12201 3DH DRV COMM CABLE ASM
3DH DRV COMM ケーブル組
3