RV-2_RV-2-3D_RV-2-3DH_RV-2-3DHL-Rev04.pdf - 第186页
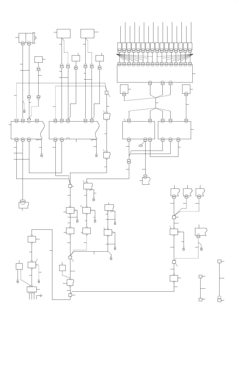
- 173 - 87. SYSTEM DIAGRAM (1) SYSTEM DIAGRA M(1) 㹄㹅 㹁㹌㸳 㹁㹌㸲 㹁㹌㸯 㹁㹌㸱 㹁㹌㸯 㸲㸮 㸯㸮 㸷㸶 㸶㸯 㸷㸷 㸶㸲 㸵㸱 㸲㸯 㸶㸰 㸶㸱 㸶㸴 㹗㸿ࠉ㹑㹃㹐 㹔㹍ࠉ㹋㹍㹒㹍 㹐 㹗㹀ࠉ㹑 㹃㹐㹔㹍ࠉ㹋 㹍㹒㹍㹐 㸶㸴 㸵㸶 㸶㸶 㸷㸮 㸶㸵 㸶㸳 㸶㸮 㸵㸷 㸵㸵 㸵㸴 㸵㸳 㸵㸲 㸴㸷 㸵㸮 㸵㸯 㸴㸳 㸴㸵 㸯㸮 㸷㸳 㸷㸴 㸶㸷 㸷㸵 㸴㸴 㸴㸱 㸴㸯 㸳㸵 㸳㸶…

- 172 -
REF.NO NOTE PART NO D E S C R I P T I O N
品 名
Qty
1 402-18362 CALIBRATION JIG ASSY 3DH_2D
キャリブレーションジグ組 3DH_2D
1
2 402-18363 CALIBRATION JIG ASSY_RV2-3DH
キャリブレーションジグ組_RV2−3DH
1
3 402-18729 UV ILLUMINAT UNIT ASY_RV-2-3DH
UV照明ユニット組_RV−2−3DH
1
4 401-51156 LED UV MASTER PCB ASM
LED UVマスター基板組
(1)
5 402-19417 LED TOP PCB ASM 3DH UV
LED TOP基板組 3DH UV
(1)
6 402-15247 3DH TAPE(TOP) HEAT0RESISITING
3DH 耐熱テープ(TOP)
(1)
7 402-19189 LONG CONVEYOR UNIT ASSY_RV23DH
長尺搬送ユニット組_RV23DH
1
8 SM-6030802-TT SCREW M3 L=8
六角穴ボルト M3 L=8
(4)
9 401-58547 SENSOR
センサー
(2)
10 401-58548 ULTRASONIC SENSOR ASM R
超音波センサー組R
(1)
11 401-58549 ULTRASONIC SENSOR ASM L
超音波センサー組L
(1)
12 402-19436 SONIC SENSOR BRACKET 3DH
超音波センサーブラケット 3DH
(1)
13 402-10787 SONIC SENSOR BRACKET
超音波センサーブラケット
(1)
14 SM-6030602-TT SCREW M3 L=6
六角穴ボルト M3 L=6
(2)
15 401-58599 TIE ANCHOR
タイアンカー
(2)
16 HX-0023300-00 CLIP
束線バンド
(6)

- 173 -
87.SYSTEM DIAGRAM (1)
SYSTEM DIAGRAM(1)
㹄㹅
㹁㹌㸳
㹁㹌㸲
㹁㹌㸯
㹁㹌㸱
㹁㹌㸯
㸲㸮
㸯㸮
㸷㸶
㸶㸯
㸷㸷
㸶㸲
㸵㸱
㸲㸯
㸶㸰
㸶㸱
㸶㸴
㹗㸿ࠉ㹑㹃㹐㹔㹍ࠉ㹋㹍㹒㹍㹐
㹗㹀ࠉ㹑㹃㹐㹔㹍ࠉ㹋㹍㹒㹍㹐
㸶㸴
㸵㸶
㸶㸶
㸷㸮㸶㸵
㸶㸳
㸶㸮
㸵㸷
㸵㸵
㸵㸴
㸵㸳
㸵㸲
㸴㸷
㸵㸮
㸵㸯
㸴㸳
㸴㸵
㸯㸮
㸷㸳
㸷㸴
㸶㸷
㸷㸵
㸴㸴
㸴㸱
㸴㸯
㸳㸵
㸳㸶
㸳㸷
㸴㸮 㸴㸰
㸴㸲
㸴㸳
㸲㸶
㸲㸴
㸲㸰
㹁㹖㹎㸫㹇㹄ࠉ㹇㹎ࠉ㹀㹍㸿㹐㹂
㸯
㸳㸳
㸳㸲
㸳㸴
㸳㸱
㸳㸰
㸳㸰
㸱㸶
㸱㸷
㸲㸳㸲㸲㸲㸱
㸳㸯㸳㸮㸲㸷
㸱㸴
㸱㸵
㸿㹔㹐㸱
㸱㸳
㸱㸱
㸱㸯
㸱㸰
㸯㸮
㸰
㸱
㸲
㸳
㸴
㸵
㸶
㸷
㸱㸲
㸯㸳
㸰㸰 㸴㸶
㸰㸰
㸰㸰
㸰㸰
㸰㸰
㸰㸰
㸰㸰
㸰㸰 㸴㸶
㸴㸶
㸴㸶
㸴㸶
㸴㸶
㸴㸶
㸴㸶
㹊㸯
㹊㸰
㹊㸱
㹎㹃
㹇㹌㹎㹓㹒
㹒㹀㸮
㹄㹅
㹑㹎㸯
㹌㹄㸮
㹃㹊㹀㸯
㹄㹅
㹋㹁㸰
㹎㹍㹑㹇㹒㹇㹍㹌
㹀㹍㸿㹐㹂
㸰㸫㸯㹂
㹂㹐㹔㸯
㹁㹌㹎㸰
㹁㹌㸯㸿
㹁㹌㸯㹀
㹁㹌㹎㸯
㹁㹌㹎㸱
㹁㹌㸰
㹁㹌㸶
㸰㸫㸰㹀
㹄㹅
㹄㹅
㹖ࠉ㹑㹃㹐㹔㹍ࠉ㹋㹍㹒㹃㹐
㹑㹁㸿㹊㹃ࠉ㹆㹃㸿㹂㸦㹖㸧
㹄㹅
㹂㹐㹔㸰
㹁㹌㹎㸰
㹁㹌㸯㸿
㹁㹌㸯㹀
㹁㹌㹎㸯
㹁㹌㹎㸱㸿
㹁㹌㹎㸰㸿
㹁㹌㹎㸱㹀
㹁㹌㹎㸰㹀
㸰㸫㸰㹀
㹑㹁㸿㹊㹃ࠉ㹆㹃㸿㹂㸦㹗㸿㸧
㹑㹁㸿㹊㹃ࠉ㹆㹃㸿㹂㸦㹗㹀㸧
㹋㹇㹂ࠉ㹎㹁㹀ࠉ㸯
㹋㹇㹂ࠉ㹎㹁㹀ࠉ㸰
㹋㹇㹂ࠉ㹎㹁㹀ࠉ㸱
㹋㹇㹂ࠉ㹎㹁㹀ࠉ㸲
㹋㹇㹂ࠉ㹎㹁㹀ࠉ㸶
㹋㹇㹂ࠉ㹎㹁㹀ࠉ㸵
㹋㹇㹂ࠉ㹎㹁㹀ࠉ㸴
㹋㹇㹂ࠉ㹎㹁㹀ࠉ㸳
㹊㹍㹕ࠉ㹎㹁㹀ࠉ㸯
㹊㹍㹕ࠉ㹎㹁㹀ࠉ㸰
㹊㹍㹕ࠉ㹎㹁㹀ࠉ㸱
㹊㹍㹕ࠉ㹎㹁㹀ࠉ㸲
㹊㹍㹕ࠉ㹎㹁㹀ࠉ㸳
㹊㹍㹕ࠉ㹎㹁㹀ࠉ㸴
㹊㹍㹕ࠉ㹎㹁㹀ࠉ㸵
㹊㹍㹕ࠉ㹎㹁㹀ࠉ㸶
㹁㹌㸱
㹁㹌㸷
㹁㹌㸶
㹁㹌㸵
㹁㹌㸴
㹁㹌㸳
㹁㹌㸯㸮
㹁㹌㸲
㹁㹌㸰
㹁㹌㸯
㹁㹌㸯㸯
㹁㹌㸯㸰
㹁㹌㸯㸱
㹁㹌㸯㸲
㹁㹌㸯㸳
㹁㹌㸯㸴
㹁㹌㸯㸵
㹁㹌㸯㸶
㹁㹌㸯㸷
㸿㹅㹅ࠉ㹎㹁㹀
㹒㹍㹎ࠉ㹎㹁㹀
㹁㹌㸯
㹒㹀㸳
㹋㹁㸱
㹂㹁㹑ࠉ㹎㹁㹀
㹑㹐㹁ࠉ㹎㹁㹀
㹇㹍㹁ࠉ㹎㹁㹀
㹒㹀㸴
㸿㹔㹐㸯
㹒㹀㸰
㹁㹎㸯
㹄㹅
㹄㹅
㸱㸫㸯㸿
㸰㸫㸯㸿
㸰㸫㸰㸿
㸰㸫㸲㸿
㸰㸫㸰㹀
㸰㸫㸰㹀
㸲㸮㸯㸳㸶㸰㸷㸰
㹃㹎㹇ࠉ㹎㹁㹀
㹁㹌㸱
㹁㹌㸯㸰
㹁㹌㸯
㹒㹀㸶
㹄㹅㸦㹃㸬㹀㸬㸧
㹒㹀㸴
㹒㹀㸷
㹄㹅
㹌㹄㸱
㸿㹔㹐㸳
㹄㹅
㸲㸫㸯㹁
㹑㹉㸯
㸯㸷
㸯㸰
㸱㸮
㸰㸷
㸰㸶
㸯㸮
㹒㹀㸲
㸿㹔㹐㸰
㸰㸫㸰㹁
㸰㸯
㸰㸵
㸯㸮
㸯㸯
㸯㸱
㸯㸮
㸯㸲
㸯㸴 㸰㸱
㸯㸵 㸰㸲
㸰㸴
㸯㸶
㸰㸳
㸰㸮
㹒㹀㸯
㹋㹁㸯
㹒㹀㸱
㹁㹎㸰
㹁㹎㸱
㹄㹅
㹄㹅
㹌㹄㸯
㹌㹄㸰
㹄㹅
㸰㸫㸯㸿
㸵㸰
㹁㹌㸳㸮㸳
㹁㹌㸳㸮㸲
㹁㹌㸳㸮㸱
㹁㹌㸳㸮㸰
㹁㹌㸳㸮㸯
㹊㹂㹀㹑ࠉ㹎㹁㹀
㸷㸲
㹊㹂㹀㹋ࠉ㹎㹁㹀
㸷㸰
㸷㸱
㸷㸯
㸲㸵

- 174 -
REF.NO NOTE PART NO D E S C R I P T I O N
品 名
Qty
1 402-10493 MOTION CONTROLER
モーションコントローラー
1
2 401-58461 SURGE ABSORBER WIRE ASM
SURGE ABSORBERワイヤー組
1
3 HK-0895500-30 BLOCK TERMINAL
端子台
1
4 401-58342 TB0-NF0 WIRE ASM
TB0−NF0 ワイヤー組
1
5 401-58344 NF0-E WIRE ASM
NF0−E ワイヤー組
1
6 401-58253 NOISE FILTER
ノイズフィルタ
1
7 402-38735 NF0-ELB1 CABLE ASM
NF0−ELB1 ケーブル組
1
8 HA-0068000-00 CIRCUIT PROTECTOR
サーキットプロテクタ
1
9 401-58345 ELB1-TB1 CABLE ASM
ELB1−TB1 ケーブル組
1
10 HK-0883500-1A BLOCK TERMINAL
端子台
1
11 401-58346 TB1-MC1 WIRE ASM
TB1−MC1 ワイヤー組
1
12 HA-0053000-00 MAGNETIC CONTACTOR
コンタクタ
1
13 HA-0053000-40 MAGNETIC CONTACTOR
サージ吸収ユニット
1
14 401-58347 MC1-TB3 WIRE ASM
MC1−TB3 ワイヤー組
1
15 HW-0024501-00 FLAT CABLE
フラットケーブル
8
16 401-58348 TB3-CP2 WIRE ASM
TB3−CP2 ワイヤー組
1
17 401-69176 CIRCUIT PROTECTOR
サーキットプロテクタ
1
18 401-58349 CP2-NF1 WIRE ASM
CP2−NF1 ワイヤー組
1
19 HN-0038100-0A NOISE FILTER
ノイズフィルタ
1
20 401-58360 NF1-E WIRE ASM
NF1−E ワイヤー組
1
21 401-58350 NF1-TB4 WIRE ASM
NF1−TB4 ワイヤー組
1
22 402-19419 LED MID PCB ASM 3DH
LED MID 基板組 3DH
8
23 401-58361 TB3-CP3 WIRE ASM
TB3−CP3 ワイヤー組
1
24 HA-0068800-00 CIRCUIT PROTECTOR
サーキットプロテクタ
1
25 401-58362 CP3-NF2 WIRE ASM
CP3−NF2 ワイヤー組
1
26 HN-0039800-00 NOISE FILTER
ノイズフィルタ
1
27 401-58363 NF2-E WIRE ASM
NF2−E ワイヤー組
1
28 401-58364 NF2-AVR2 WIRE ASM
NF2−AVR2 ワイヤー組
1
29 HX-0071400-00 POWER SUPPLY
パワーサプライ
1
30 401-58365 AVR2-E WIRE ASM
AVR2−E ワイヤー組
1
31 401-58366 TB-1 CP1 WIRE ASM
TB−1 CP1ワイヤー組
1
32 HA-0068900-0A CIRCUIT PROTECTOR
サーキットプロテクタ
1
33 401-58367 CP1-TB2 WIRE ASM
CP1−TB2 ワイヤー組
1
34 HW-0024500-80 FLAT CABLE
フラットケーブル
8
35 401-58368 TB2-AVR1 WIRE ASM
TB2−AVR1 ワイヤー組
1
36 401-58528 POWER SUPPLY
スイッチング電源
1
37 401-58369 AVR1-E WIRE ASM
AVR1−E ワイヤー組
1
38 401-58453 TB2-AVR3 CABLE ASM
TB2−AVR3 ケーブル組
1
39 402-10494 ATX POWER
ATX電源
1
40 401-58445 AVR1-TB6(1) WIRE ASM
AVR1−TB6(1)ワイヤー組
1
41 401-51131 LED AGG PCB ASM
LED AGG基板組
1
42 402-15310 CXP-IF IP BOARD
コアックスIF画像処理基板
1
43 401-58370 TB6-DCS WIRE ASM
TB6−DCS ワイヤー組
1
44 401-58371 TB6-SRC WIRE ASM
TB6−SRC ワイヤー組
1
45 402-38736 TB6-IOC WIRE ASM
TB6−IOC ワイヤー組
1
46 401-58353 TB4-MC2 WIRE ASM
TB4−MC2 ワイヤー組
1
47 401-58397 AVR2-LDB(1) CABLE ASM
AVR2−LDB(1)ケーブル組
1
48 402-38769 3DH GB GPIO CABLE ASM 1
3DH GB GPIO ケーブル組1
1
49 401-58508 DCS PCB ASM
DCS基板組
1
50 401-58507 SRC PCB ASM
SRC基板組
1
51 401-58506 IOC PCB ASM
IOC基板組
1
52 HK-0883500-10 BLOCK TERMINAL
ブロックターミナル
1
53 402-38743 F-R TB CABLE ASM
F−R TB ケーブル組
1
54 401-57196 GROUND_BAR (FR)
アース バー(FR)
1
55 401-58395 EB-TB8 WIRE ASM
EB−TB8 ワイヤー組
1
56 HK-0883500-1B BLOCK TERMINAL
端子台
1
57 401-58351 TB4-DRV1 WIRE ASM
TB4−DRV1 ワイヤー組
1
58 401-29627 OPTICAL FIBER CABLE 1M
光ファイバケーブル 1M
1
59 401-29628 OPTICAL FIBER CABLE 0.15M
光ファイバケーブル 0.15M
1
60 401-58358 DRV1-E WIRE ASM
DRV1−E ワイヤー組
1
61 401-58293 SERVO AMPLIFIER
サーボアンプ
1
62 401-58352 TB4-DRV2 WIRE ASM
TB4−DRV2 ワイヤー組
1
63 401-58294 SERVO AMPLIFIER
サーボアンプ
1
64 401-58359 DRV2-E WIRE ASM
DRV2−E ワイヤー組
1
65 HA-0068700-00 MAGNETIC CONTACTOR
電磁開閉器
2
66 401-58354 MC2-MC3 WIRE ASM
MC2−MC3 ワイヤー組
1
67 401-58355 MC3-TB5 WIRE ASM
MC3−TB5 ワイヤー組
1
68 401-51136 LED LOW PCB ASM
LED LOW基板組
8
69 401-58356 TB5-DRV1 WIRE ASM
TB5−DRV1 ワイヤー組
1
70 401-58487 X MOTOR FORK CABLE MARKER ASM
XモータFORKケーブルマーカー組
1
71 401-58357 TB5-DRV2 WIRE ASM
TB5−DRV2 ワイヤー組
1
72 402-39505 3DH TB3-NF3 CABLE ASM
3DH TB3−NF3 ケーブル組
1
73 402-14098 3DH AVR5-EB WIRE ASM
3DH AVR5−EB ワイヤー組
1
74 402-38759 X MOTOR CABLE ASM
X MOTOR ケーブル組
1
75 402-38763 X MOTOR ENC CABLE MARKER ASM
X MOTOR ENC ケーブルマーカー組
1
76 402-38731 X SCALE CABLE ASM
X SCALE ケーブル組
1
77 401-58297 LINER SCALE HEAD
センサーHD
1
78 401-58292 SERVO MOTOR
サーボモーター
1
79 402-38732 DRV2-CNP3A CABLE ASM
DRV2−CNP3A ケーブル組
1
80 402-38765 YA ENC THM CABLE ASM
YA ENC THM ケーブル組
1
81 402-12220 NOISE FILTER
ノイズフィルタ
1
82 402-38733 DRV2-CNP3B CABLE ASM
DRV2−CNP3B ケーブル組
1
83 402-38766 YB ENC THM CABLE ASM
YB ENC THM ケーブル組
1
84 402-14099 3DH NF3-AVR5 WIRE ASM
3DH NF3−AVR5ワイヤー組
1
85 401-58458 YA LINEAR MTR WIRE ASM
YAリニアMTR ワイヤー組
1
86 401-58295 LINEAR MOTOR
リニア可動子
2
87 401-58297 LINER SCALE HEAD
センサーHD
1
88 401-58459 YB LINEAR MTR WIRE ASM
YBリニアMTR ワイヤー組
1
89 401-58401 LDBS-EPI WIRE ASM
LDBS−EPI ワイヤー組
1
90 401-58297 LINER SCALE HEAD
センサーHD
1
91 402-38758 AVR2-LDB(2) CABLE ASM
AVR2−LDB(2)ケーブル組
1
92 401-51137 LED MASTER PCB ASM
LED マスタ基板組
1
93 401-51155 LED SLAVE PCB ASM
LED SLAVE基板組
1
94 401-58399 LDB M-S WIRE ASM
LDB M−Sワイヤー組
1
95 402-19413 LED TOP PCB ASM 3DH
LED TOP 基板組 3DH
1
96 401-58400 LDB-AGG WIRE ASM
LDB−AGG ワイヤー組
1
97 402-19423 LED EPI PCB ASM 3DH
LED EPI 基板組 3DH
1
98 402-12219 POWER SUPPLY
24V電源
1
99 402-14097 3DH NF3-EB WIRE ASM
3DH NF3−EB ワイヤー組
1