RV-2_RV-2-3D_RV-2-3DH_RV-2-3DHL-Rev04.pdf - 第45页
- 38 - REF.NO NOTE PART NO D E S C R I P T I O N 品 名 Qty 1 401-59175 CALIBRATION JIG ASSY キャリブレーション治具組 1

- 37 -
19.CALIBRATION JIG COMPONENTS
キャリブレーション治具関係
1

- 38 -
REF.NO NOTE PART NO D E S C R I P T I O N
品 名
Qty
1 401-59175 CALIBRATION JIG ASSY
キャリブレーション治具組
1

- 39 -
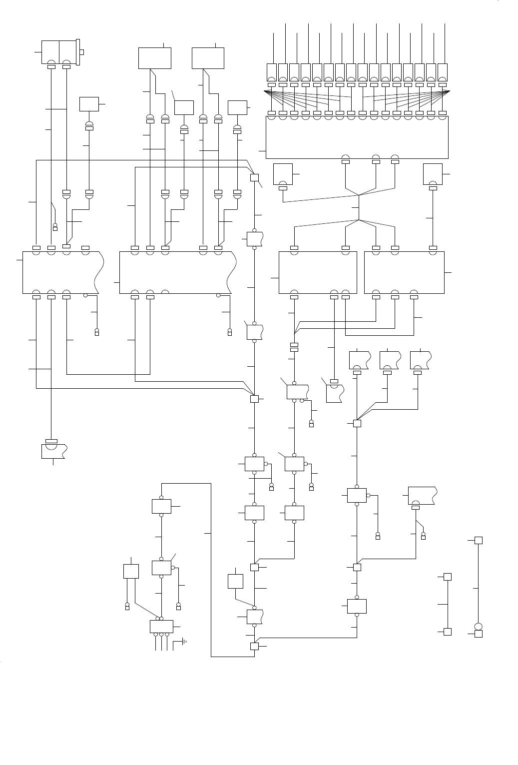
20.SYSTEM DIAGRAM(1)
SYSTEM DIAGRAM(1)
2-1A
TB9
TB6
FG(E.B.)
TB8
CN1
CN12
CN3
EPI PCB
CN505
CN504
CN503
CN502
CN501
CN5
CN4
CN1
CN3
2-2B
2-2B
2-2C
3-2D
2-4A
2-2A
2-1A
3-1A
AVR3
FG
FG
CP1
TB2
AVR1
TB6
IOC PCB
SRC PCB
DCS PCB
LCB PCB
LDBS PCB
LDBM PCB
MC3
TB5
CN1
CN2
TOP PCB
AGG PCB
CN19
CN18
CN17
CN16
CN15
CN14
CN13
CN12
CN11
CN1
CN2
CN4
CN10
CN5
CN6
CN7
CN8
CN9
CN3
LOW PCB 8
LOW PCB 7
LOW PCB 6
LOW PCB 5
LOW PCB 4
LOW PCB 3
LOW PCB 2
LOW PCB 1
MID PCB 5
MID PCB 6
MID PCB 7
MID PCB 8
MID PCB 4
MID PCB 3
MID PCB 2
MID PCB 1
SCALE HEAD(YB)
SCALE HEAD(YA)
YB SERVO MOTOR
YA SERVO MOTOR
2-2B
CNP2B
CNP3B
CNP2A
CNP3A
CNP1
CN1B
CN1A
CNP2
DRV2
FG
SCALE HEAD(X)
X SERVO MOTER
FG
FG
2-2B
CN8
CN2
CNP3
CNP1
CN1B
CN1A
CNP2
DRV1
2-1D
BOARD
POSITION
MC2
FG
AVR2
TB4
NF2
NF1
FG
FG
CP3
CP2
TB3
SK1
MC1
TB1
FG
ELB1NF0
SP1
FG
TB0
INPUT
PE
L3
L2
L1
1
2
3
4
5
6
7
8
10
11
12
13
10
14
16 23
17 24
19
26
18
25
27
21 28
10
30
52
52
56
54
53
55
39
38
37
31
32
33
10
35
36
40
10
43
44
45
47
48
91
94
49 50 51
46
9
65
64
57
58
59
60
62
63
61
69
70
71
72
73
67
10
95 97
89
96
93
92
74
75
76
77
78
79
85
81
80
82
83
41
90
88
87
86 86
84
34
15
22 68
22
22
22
22
22
22
22 68
68
68
68
68
68
68
20
29 42
65
66