00193437-03_AI_PowerSupplyConversion_DE+EN.pdf - 第207页
Assembly Instructions, Converting the Power Supp ly 5 Converti ng the power supply on S-27 HM ma chines/ and on component trolleys 12/2013 Edition 5.8 Converting the S-27 HM from 3 x 400 VAC to 3 x 208 VAC 205 5.8.2 Conv…

5 Converting the power supply on S-27 HM machines/ and on component trolleys Assembly Instructions, Converting the Power Supply
5.8 Converting the S-27 HM from 3 x 400 VAC to 3 x 208 VAC 12/2013 Edition
204
Fig. 5 - 9 Cable connection terminals for the transformers T1 and T2 and the inrush current limiter (3 x 400 VAC)
(T1)Single-phase transformer T1 2 - 6 230 VAC
2 - 4 120 VAC
(T2)Three-phase transformer T2 1U1, 1V1, 1W1 3 x 400 VAC
1U3, 1V3, 1W3 3 x 208 VAC
(A1)Inrush current limiter 5

Assembly Instructions, Converting the Power Supply 5 Converting the power supply on S-27 HM machines/ and on component trolleys
12/2013 Edition 5.8 Converting the S-27 HM from 3 x 400 VAC to 3 x 208 VAC
205
5.8.2 Converting the single-phase transformer T1 from 120 VAC to 230 VAC
Detach the black connecting wire from terminal (4) (120 VAC) and connect to terminal (6)
(230 VAC) (see Fig. 5 - 9
).
5.8.3 Converting the three-phase transformer T2 from 3 x 208 VAC to 3 x 400 VAC
Detach the black connecting wire from terminal 1U3 (208 VAC) and connect to terminal 1U13
(400 VAC) (see Fig. 5 - 9
).
Detach the black connecting wire from terminal 1 V3 (208 VAC) and connect to terminal 1V1
(400 VAC) (see Fig. 5 - 9
).
Detach the black connecting wire from terminal 1 W3 (208 VAC) and connect to terminal 1W1
(400 VAC) (see Fig. 5 - 9
).
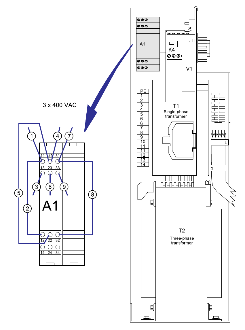
5.8.4 Converting the inrush current limiter A1 from 3 x 208 VAC to 3 x 400 VAC
Detach wire (3) from terminal 14 and connect to terminal 13 (see Fig. 5 - 10).
Detach wire (6) from terminal 24 and connect to terminal 23 (see Fig. 5 - 10).
Detach wire (9) from terminal 34 and connect to terminal 33 (see Fig. 5 - 10).
Detach wire (2) from terminal 13 and connect to terminal 12 (see Fig. 5 - 10).
Detach wire (5) from terminal 23 and connect to terminal 22 (see Fig. 5 - 10).
Detach wire (8) from terminal 33 and connect to terminal 32 (see Fig. 5 - 10).
5.8.5 Installing the power supply unit
Carefully push the power supply unit into the housing until it reaches the stop.
Use the hexagon socket-head screw to secure the unit at the bottom.
Check that the yellow-green PE wire is connected to the cover.
Replace the cover.
PLEASE NOTE: 5
Make sure that the actuating shaft of the main switch slides easily into the opening in the ro-
tary button. 5
Fix the cover in place using the two hexagon socket head screws.

5 Converting the power supply on S-27 HM machines/ and on component trolleys Assembly Instructions, Converting the Power Supply
5.8 Converting the S-27 HM from 3 x 400 VAC to 3 x 208 VAC 12/2013 Edition
206
Fig. 5 - 10 Power supply unit front - connecting the inrush current limiter (003429988-01)
for 3 x 400 VAC
1 - 9 Numbers of the connecting wires
A1 Inrush current limiter 5