00193437-03_AI_PowerSupplyConversion_DE+EN.pdf - 第279页
Assembly Instructions, Converting the Power Supp ly 8 Converting the power supply on the HS- XX / Di machine using PKE32/XTU-32 12/2013 Edition 8.7 HS-60 / D1 / D2 / D4 circuit diagrams 277 8 Fig. 8 - 15 3 x 400 V AC Con…

8 Converting the power supply on the HS-XX / Di machine using PKE32/XTU-32 Assembly Instructions, Converting the Power Supply
8.7 HS-60 / D1 / D2 / D4 circuit diagrams 12/2013 Edition
276
8
Fig. 8 - 14 3 x 208 VAC Conversion Kit for HSxx/D, 00119801-010102LD4, sheet 2 of 2
E
D
C
B
A
123
4
Earth clamp
Trafo Primär
P100P6V_R
P100P6V
P30V_R
P30V
N30V
6
6
W_XY
BE - Tisch
LP - Handling
1P34V
N34V
P34V
P8V
R1 C1
22K
BE - Tisch
DC/DC-Konv.
P48V
N48V
Psz1
Nsz1
0,75
4
(Blatt 1)
1
2
2
2
Nach Auslösen der Sicherungsautomaten F5, F6, F7, F8, F9, F10, oder F11
sind immer auch die Sicherungen F4N, F6.x, F7.x, F9.x, F10.x, und F11.x zu prüfen.
Hinweis !
PC
Monitor
4 1,5
1,5
4
4
4
4
PE-Klemme
(wirdbei Bedarf
nachgerüstet)
PE-clamp
Inthecaseoftrippingcircuitbraker F5,F6,F7,F8,F9,F10,orF11
you must inspect circuit braker F4N, F6.x, F7.x, F9.x, F10.x, and F11.x soever.
Note!
Dischargeres.
Z/Dp - Servo
Component - Table
PCB-Conveyor
DC/DC-Conv.
Discharge res.
Component - Table
1
3
5
2
4
6
F3 4A
3 X 400 VAC 3 X 208 VAC
1U3
1V3
1W3
1U6
1V6
1W6
Umverdrahten
Reconnect

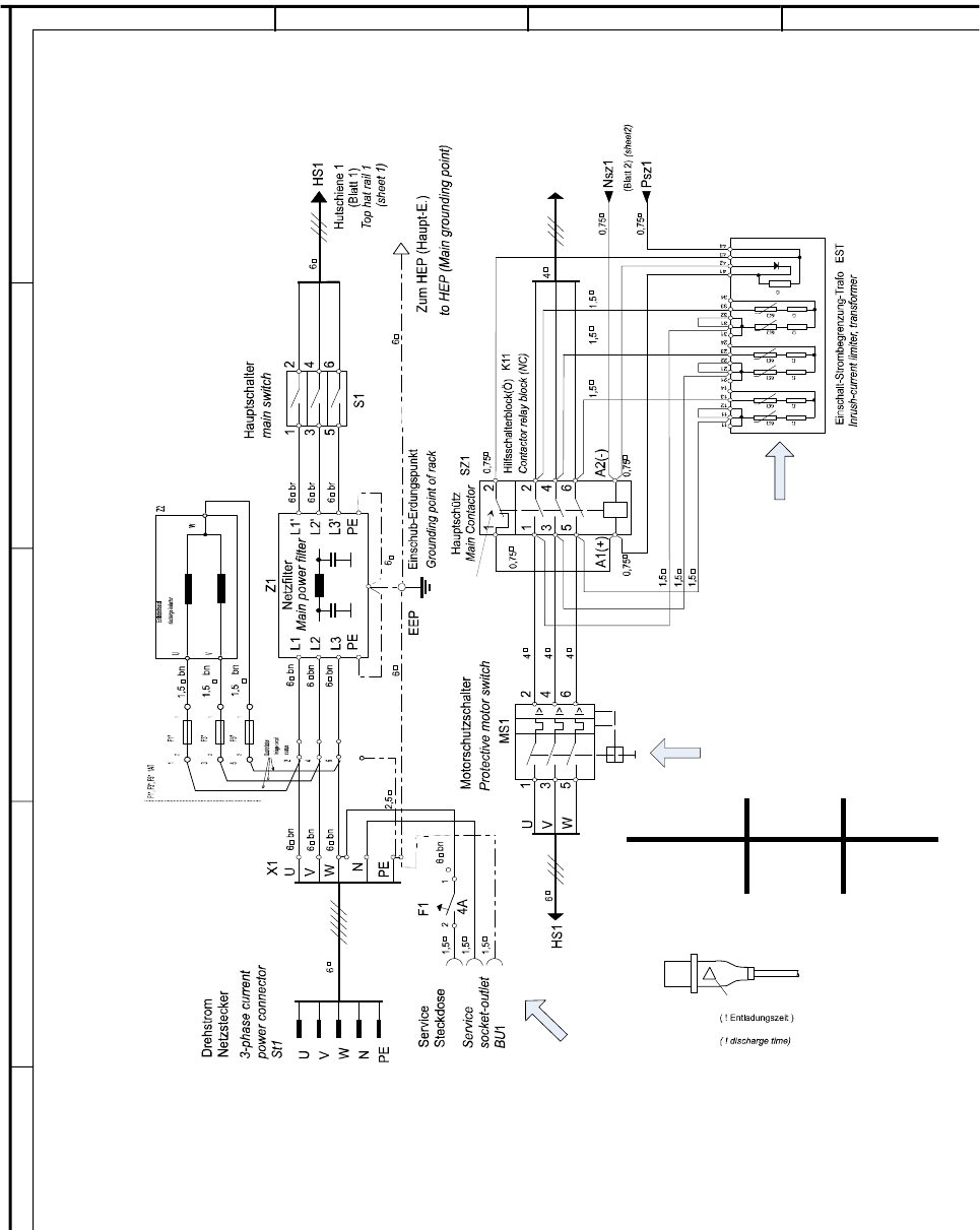
Assembly Instructions, Converting the Power Supply 8 Converting the power supply on the HS-XX / Di machine using PKE32/XTU-32
12/2013 Edition 8.7 HS-60 / D1 / D2 / D4 circuit diagrams
277
8
Fig. 8 - 15 3 x 400 VAC Conversion Kit for HSxx/D, 00119802-010101LD4, sheet 1 of 2
E
D
C
B
A
123
4
Warnschild Nr. 211
CEE-Connector
CEE-Stecker
danger sign
(NC)
K11
Umverdrahtet,
international
Reconnected for
International
3 X 415 VAC
3 X 400 VAC
3 X 380 VAC
03098183-XX
PKE32/XTU-32
Motorschutzschalter
Motor Protector Switch
Stromversorgung
Power Supply
Überstrom
Over current
HS-60 / D4
D1 / D2
9.7A
9.7A
Kurzschluss
Short Circuit
Class 10
Class 10
00357871-XX
Steckdosenschutz
Aus Servicesteckdose entfernen
Socket guard
Remove from service socket

8 Converting the power supply on the HS-XX / Di machine using PKE32/XTU-32 Assembly Instructions, Converting the Power Supply
8.7 HS-60 / D1 / D2 / D4 circuit diagrams 12/2013 Edition
278
8
Fig. 8 - 16 3 x 400 VAC Conversion Kit for HSxx/D, 00119802-010101LD4, sheet 2 of 2
E
D
C
B
A
123
4
Earth clamp
Trafo Primär
P100P6V_R
P100P6V
P30V_R
P30V
N30V
6
6
W_XY
BE - Tisch
LP - Handling
1P34V
N34V
P34V
P8V
R1 C1
22K
BE - Tisch
DC/DC-Konv.
P48V
N48V
Psz1
Nsz1
0,75
4
(Blatt 1)
1
2
2
2
Nach Auslösen der Sicherungsautomaten F5, F6, F7, F8, F9, F10, oder F11
sind immer auch die Sicherungen F4N, F6.x, F7.x, F9.x, F10.x, und F11.x zu prüfen.
Hinweis !
PC
Monitor
4 1,5
1,5
4
4
4
4
PE-Klemme
(wirdbei Bedarf
nachgerüstet)
PE-clamp
Inthecaseoftrippingcircuitbraker F5,F6,F7,F8,F9,F10,orF11
you must inspect circuit braker F4N, F6.x, F7.x, F9.x, F10.x, and F11.x soever.
Note!
Dischargeres.
Z/Dp - Servo
Component - Table
PCB-Conveyor
DC/DC-Conv.
Discharge res.
Component - Table
1
3
5
2
4
6
F3 4A
3 X 400 VAC 3 X 208 VAC
1U3
1V3
1W3
1U6
1V6
1W6
Umverdrahten
Reconnect