劲拓JTR系列回流焊说明书1.pdf - 第90页
附图 JTR 系列无铅回流焊机用户手册 - 89 - 1 15 8.3

附图 JTR 系列无铅回流焊机用户手册
- 88 - 115
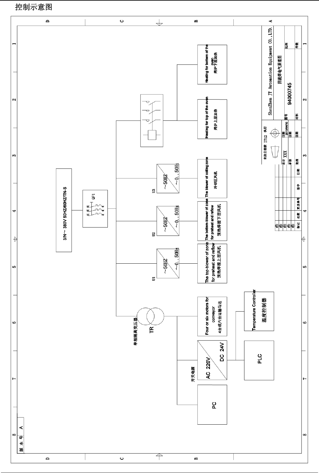
8.2

附图 JTR 系列无铅回流焊机用户手册
- 89 - 115
8.3

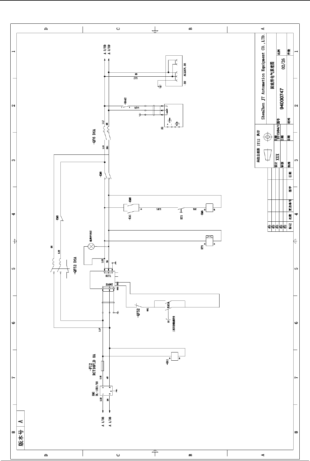
附图 JTR 系列无铅回流焊机用户手册
- 90 - 115