SM421_TRM(Ver9.6_CS14.24)_66DC7.pdf - 第18页
Page 151 S M4 2 1 Re ar Feeder Board Interface (1/2) NO. P ART NO . P ART NAME Q'TY Old No. Stock Apply Reference 1 J90 8337 00A FD R_SO L _OU TPU T_C ABLE _ASS Y SM42 1FC _FD0 01 1 2 J90 831 326 B RF DR_ CVIF_C AN_…

Page
150
SM421
Rear Feeder Board Interface (1/2)
SM41_CA003
SM_FD003
SM_FD004
SM41_FD005
SM_FD007
SM_FD006
SM421_CA101
SM421_SC201
SM421_CA101-1
SM41_CV101

Page
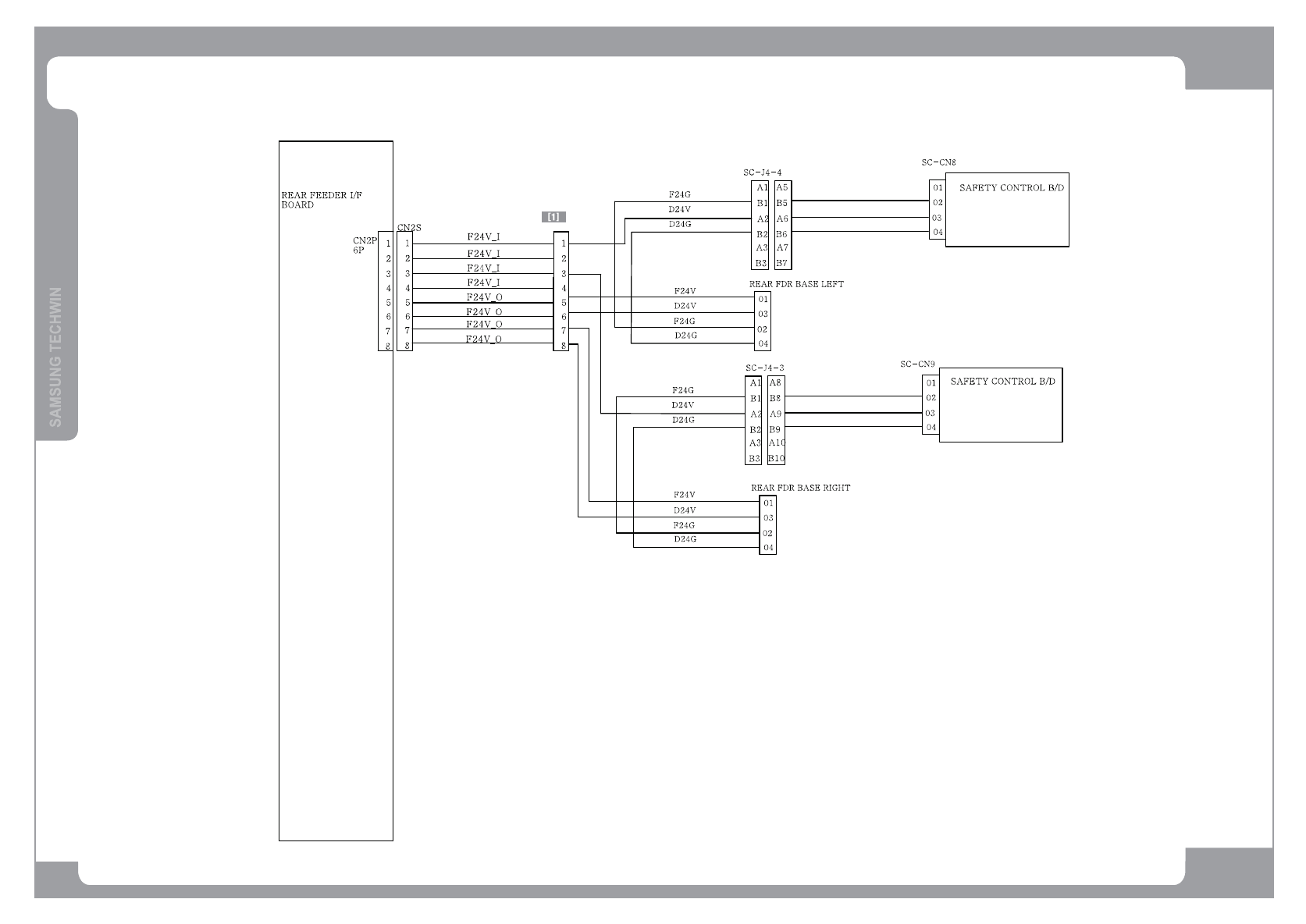
151
SM421
Rear Feeder Board Interface (1/2)
NO. PART NO. PART NAME Q'TY Old No. Stock Apply Reference
1 J90833700A FDR_SOL_OUTPUT_CABLE_ASSY SM421FC_FD001 1
2 J90831326B RFDR_CVIF_CAN_CABLE_ASSY 1
3 AM03-003554A CABLE ASSY-MASTER_FFDR_CAN 1
4 AM03-003555A CABLE ASSY-MASTER_FFDR_CAN_EXT 1
5 AM03-003489A CABLE ASSY-CV_IF_R_FD_IO_BD_PW_J1 1
6 AM03-003614A CABLE ASSY-BD_PW_SC_J1 1
7 J90800838D LEFT FDR SOL OUTPUT CABLE ASSY 1
8 J90800839D RIGHT FDR SOL OUTPUT CABLE ASSY 1
9 J90800841C LEFT FDR SENSOR INPUT CABLE ASS 1
10 J90800842C RIGHT FDR SENSOR INPUT CABLE AS 1

Page
152
SM421
Rear Feeder Board Interface (2/2)
SM421_FD109