SM421_TRM(Ver9.6_CS14.24)_66DC7.pdf - 第34页
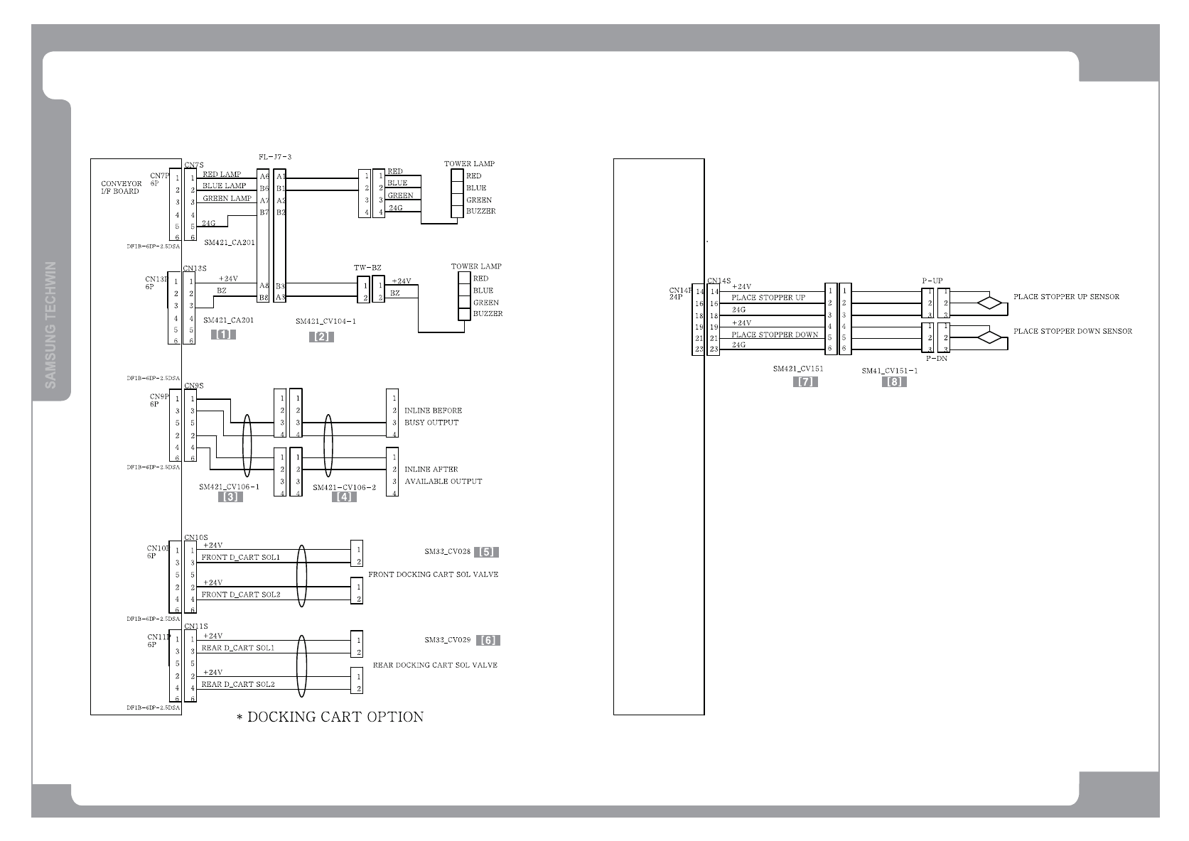
Page 167 S M4 2 1 Conveyor Board Interface - SM421S (2/5) NO. P ART NO . P ART NAME Q'TY Old No. Stock Apply Reference 1 AM 03-00 3620A CA BLE AS SY -F L_CA N_ HD_ SOL _ PW _J7 1 2 AM 03-00 3540A CA BLE AS SY -T OW …

Page
166
SM421
Conveyor Board Interface - SM421S (2/5)

Page
167
SM421
Conveyor Board Interface - SM421S (2/5)
NO. PART NO. PART NAME Q'TY Old No. Stock Apply Reference
1 AM03-003620A CABLE ASSY-FL_CAN_HD_SOL_PW_J7 1
2 AM03-003540A CABLE ASSY-TOWER_LAMP_EXT 1
3 AM03-003541A CABLE ASSY-INLINE_IN-OUT_CVIF 1
4 AM03-003542A CABLE ASSY-INLINE_IN-OUT 1
5 J90831149B F_DOCKING_CART_SOL_CABLE_ASSY 1
6 J90831150B REAR_DOCKING_CART_SOL_CABLE_ASSY 1
7 AM03-003871A CABLE ASSY-PLACE STOPPER SENSOR 1
8 AM03-003872A CABLE ASSY-PLACE STOPPER SENSOR EXT 1

Page
168
SM421
Conveyor Board Interface - SM421S (3/5)