SM421_TRM(Ver9.6_CS14.24)_66DC7.pdf - 第48页
Page 181 S M4 2 1 Ax is Sensor Board Interface (1/2) NO. P ART NO . P ART NAME Q'TY Old No. Stock Apply Reference 1 AM 03-00 3506A CA BLE AS SY -A XIS_S ENSO R_ BD_ PW_J 1 1 2 AM 03-00 3614A CA BLE AS SY - BD_P W_ S…

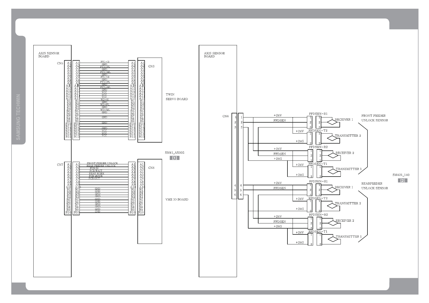
Page
180
SM421
Axis Sensor Board Interface (1/2)

Page
181
SM421
Axis Sensor Board Interface (1/2)
NO. PART NO. PART NAME Q'TY Old No. Stock Apply Reference
1 AM03-003506A CABLE ASSY-AXIS_SENSOR_BD_PW_J1 1
2 AM03-003614A CABLE ASSY-BD_PW_SC_J1 1
3 AM03-003994A CABLE ASSY-Y_AXIS_SENSOR 1
4 AM03-003576A CABLE ASSY-WD_AXIS_SENSOR 1
5 AM03-003577A CABLE ASSY-WD_AXIS_SENSOR_EXT 1
6 J90831428C CONVEYOR_SENSOR_IF_CABLE_ASSY 1

Page
182
SM421
Axis Sensor Board Interface (2/2)