SM421_TRM(Ver9.6_CS14.24)_66DC7.pdf - 第23页
Page 156 S M4 2 1 Conveyor Board Interface (2/5)

Page
155
SM421
Conveyor Board Interface (1/5)
NO. PART NO. PART NAME Q'TY Old No. Stock Apply Reference
1 AM03-003620A CABLE ASSY-FL_CAN_HD_SOL_PW_J7 1
2 AM03-003601A CABLE ASSY-CVIF_FL_CAN_J7 1
3 J90831326B RFDR_CVIF_CAN_CABLE_ASSY 1
4 AM03-003489A CABLE ASSY-CV_IF_R_FD_IO_BD_PW_J1 1
5 AM03-003614A CABLE ASSY-BD_PW_SC_J1 1
6 J90831316B CONV_SW_OUTPUT_CABLE_ASSY 1

Page
156
SM421
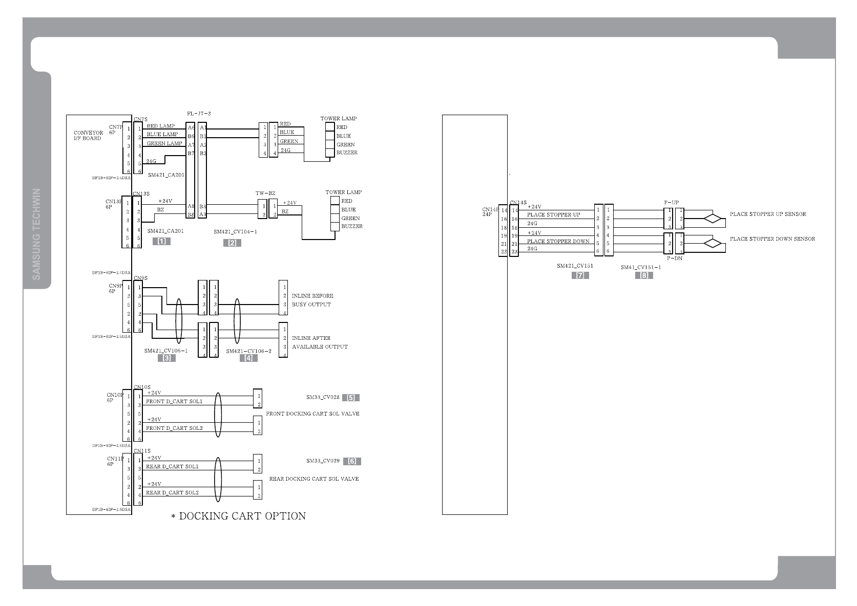
Conveyor Board Interface (2/5)

Page
157
SM421
Conveyor Board Interface (2/5)
NO. PART NO. PART NAME Q'TY Old No. Stock Apply Reference
1 AM03-003620A CABLE ASSY-FL_CAN_HD_SOL_PW_J7 1
2 AM03-003540A CABLE ASSY-TOWER_LAMP_EXT 1
3 AM03-003541A CABLE ASSY-INLINE_IN-OUT_CVIF 1
4 AM03-003542A CABLE ASSY-INLINE_IN-OUT 1
5 J90831149B F_DOCKING_CART_SOL_CABLE_ASSY 1
6 J90831150B REAR_DOCKING_CART_SOL_CABLE_ASSY 1
7 AM03-003871A CABLE ASSY-PLACE STOPPER SENSOR 1
8 AM03-003872A CABLE ASSY-PLACE STOPPER SENSOR EXT 1