SM421_TRM(Ver9.6_CS14.24)_66DC7.pdf - 第2页
Page SAMSU NG TE CHWIN 135 S M4 2 1 Electric Control Part

Advanced Flexible Component Placer
SM-Series
SM421/421F/421S/SM421N
Technical Reference
/ Warning /
안전을 위해서 장비를 사용하기 전에 본 매뉴얼을 읽고 지시에 따르십시오.
본 장비에 대한 교육을 받지 않은 사용자는 장비를 사용해서는 안됩니다.
For safety, be sure to read the manual before using this machine and follow
instructions in this manual carefully. Users who have not received training on this
machine should not use it.
为了安全,请在使用设备之前阅读本手册并遵守其指示。没有受过本设备培训者不得
使用本设备。

Page
SAMSUNG TECHWIN
135
SM421
Electric Control Part

Page
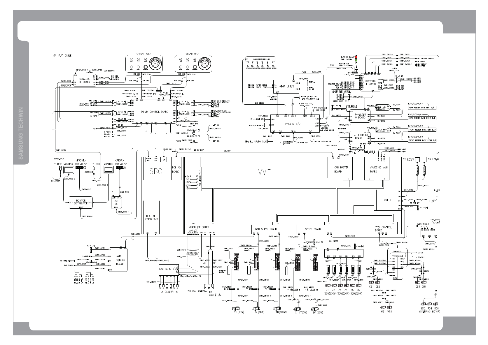
136
SM421
SM421 Wiring Diagram
SEDES SLAVE B/D
Panasonic AC servo
SET
MODE
Panasonic AC servo
SET
MODE
R-STEPPING
DRIVER
Panasonic AC servo
SET
MODE
Panasonic AC servo
SET
MODE
Panasonic AC servo
SET
MODE