SM421_TRM(Ver9.6_CS14.24)_66DC7.pdf - 第98页
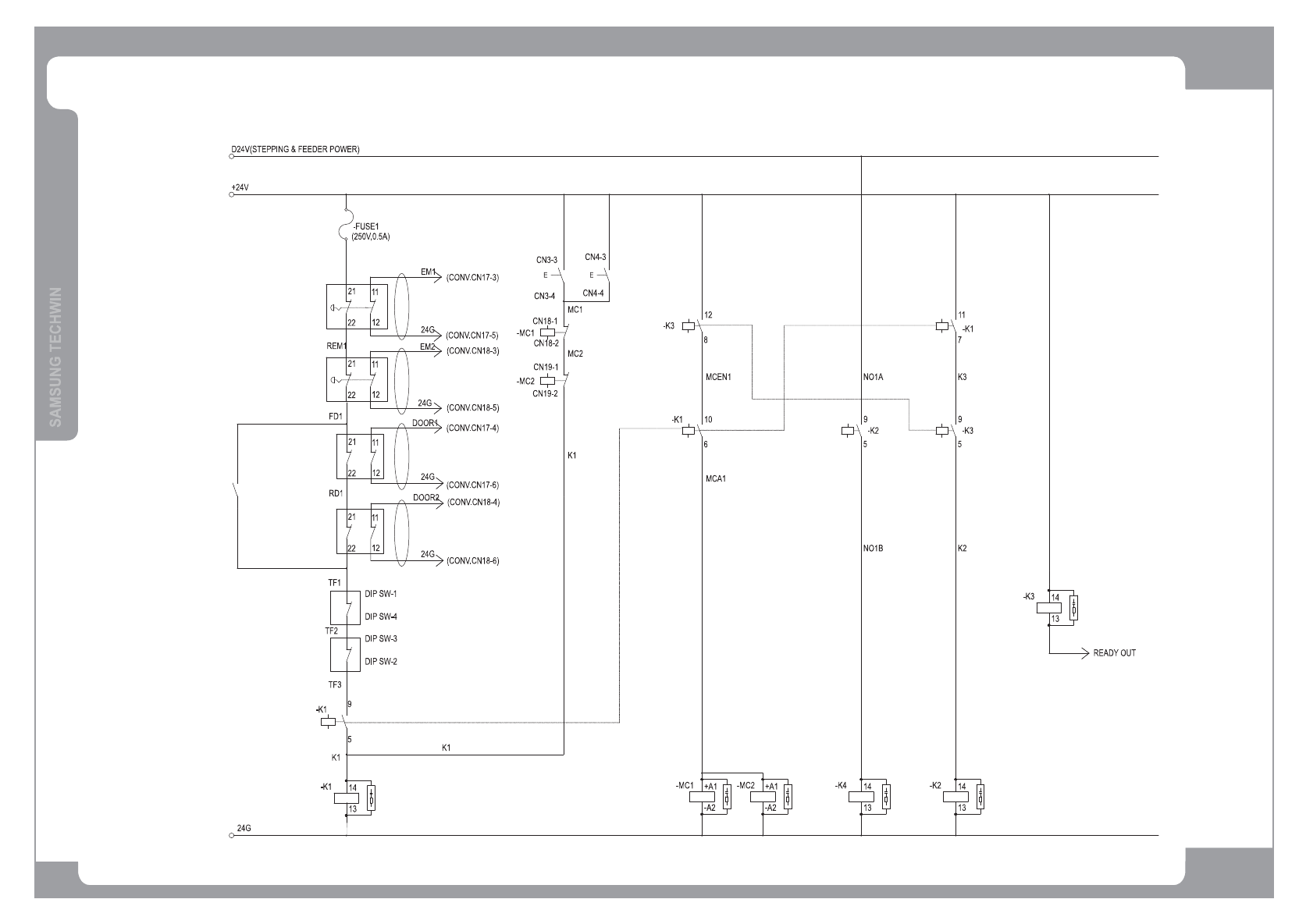
Page 231 S M4 2 1 Electric Circuit Diagram - SM421N/ SM421N-DC (1/6) NO. P ART N O. P ART NAME Q'TY Old No . Stock Apply Reference

Page
230
SM421
Electric Circuit Diagram - SM421N/ SM421N-DC (1/6)
-EM S/W1
-EM S/W2
(FRONT)
(REAR)
-DOOR S/W1
(FRONT)
-DOOR S/W2
(REAR)
-READY S/W
(FRONT)
(REAR)
-EM SPARE1
-EM SPARE2
-SAFEGUARD
OVERRIDE KEY

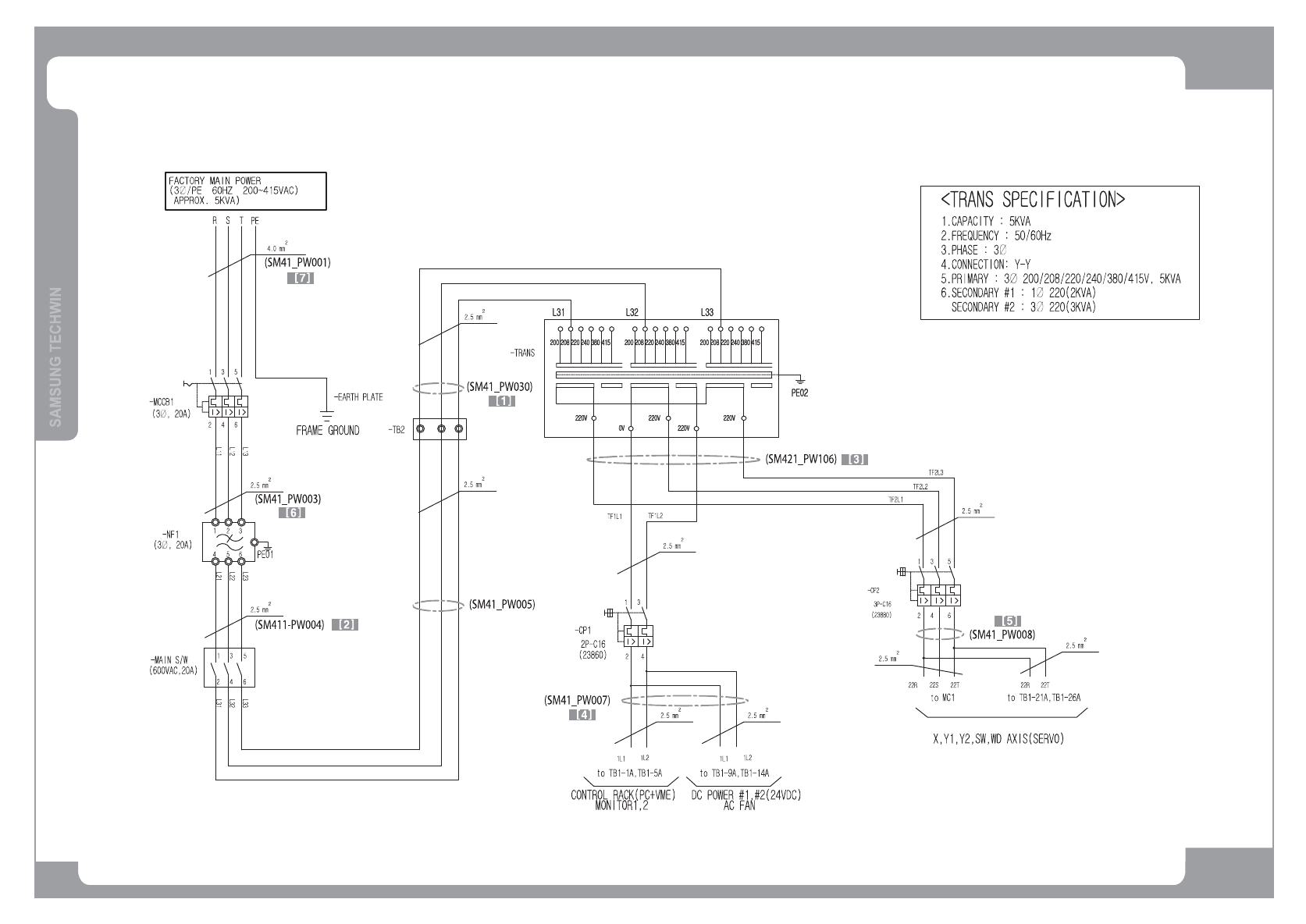
Page
231
SM421
Electric Circuit Diagram - SM421N/ SM421N-DC (1/6)
NO. PART NO. PART NAME Q'TY Old No. Stock Apply Reference

Page
232
SM421
Electric Circuit Diagram - SM421N/ SM421N-DC (2/6)