SM421_TRM(Ver9.6_CS14.24)_66DC7.pdf - 第50页
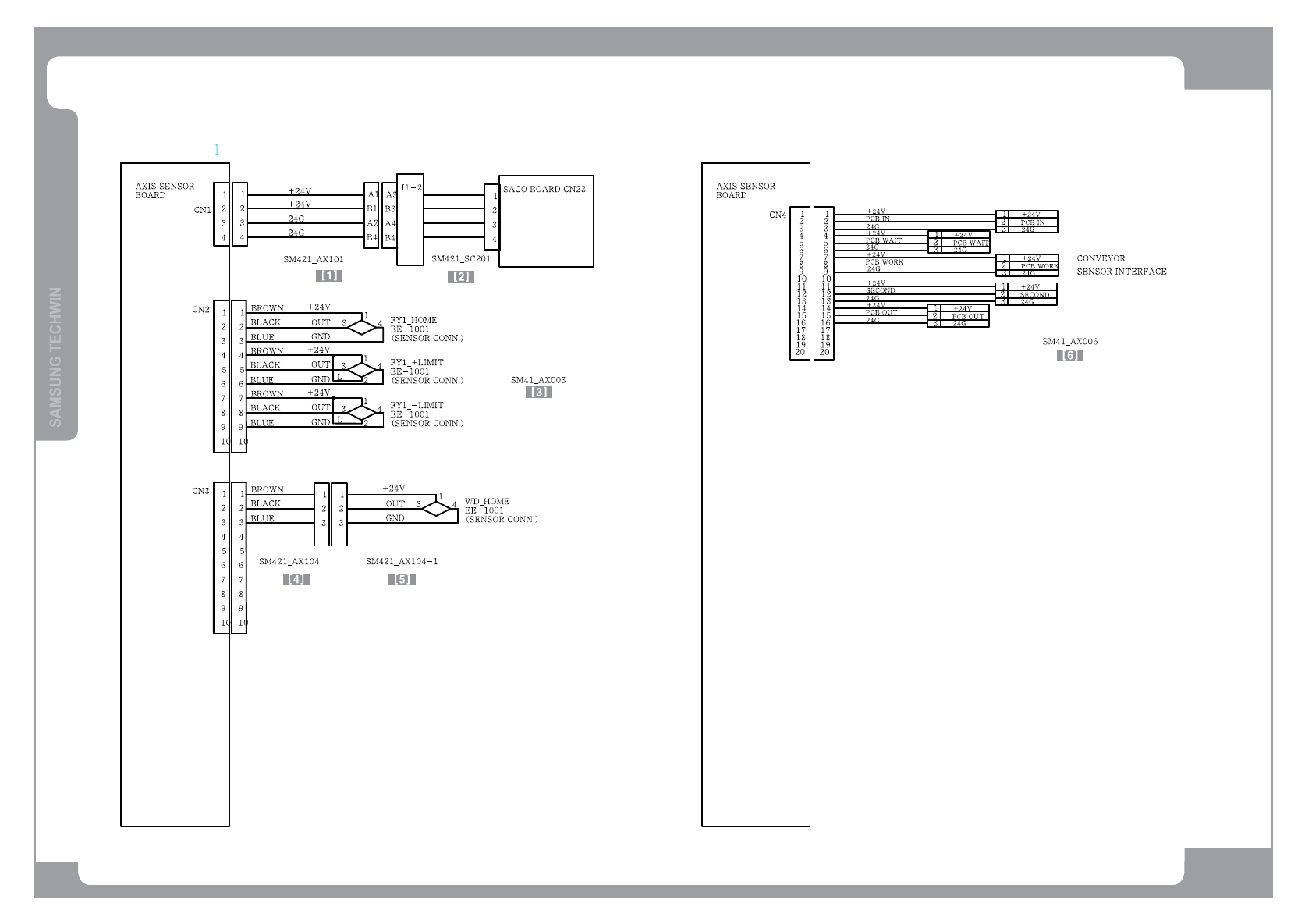
Page 183 S M4 2 1 Ax is Sensor Board Interface (2/2) NO. P ART NO . P ART NAME Q'TY Old No. Stock Apply Reference 1 J90 8314 27C AX IS_ VME _IF _CABL E_AS SY 1 2 AM 03- 003 594A CA BLE AS SY -FEE DE R_U NLOCK _SE NS…

Page
182
SM421
Axis Sensor Board Interface (2/2)

Page
183
SM421
Axis Sensor Board Interface (2/2)
NO. PART NO. PART NAME Q'TY Old No. Stock Apply Reference
1 J90831427C AXIS_VME_IF_CABLE_ASSY 1
2 AM03-003594A CABLE ASSY-FEEDER_UNLOCK_SENSOR 1

Page
184
SM421
Axis Sensor Board Interface - SM421S (1/2)