SM421_TRM(Ver9.6_CS14.24)_66DC7.pdf - 第90页
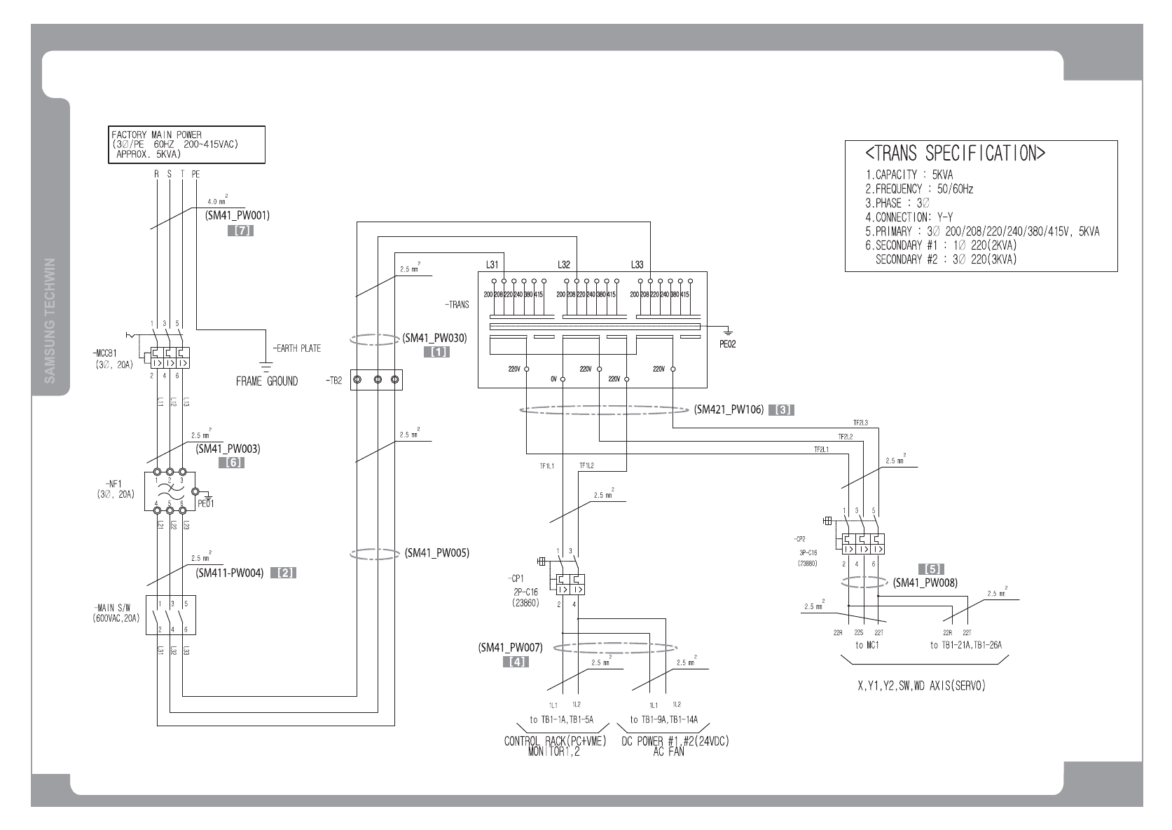
Page 223 S M4 2 1 El e ct ric Circuit Diagr am (3/6) NO. P ART N O. P ART NAME Q'TY Old No . Stock Apply Reference 1 J90 831343 A MA IN-POW ER -CAB LE-A SSY SM 41- PW 001 1 2 J90 831344 B MC CB _NF 1- CABLE -ASSY 1 …

Page
222
SM421
Electric Circuit Diagram (3/6)

Page
223
SM421
Electric Circuit Diagram (3/6)
NO. PART NO. PART NAME Q'TY Old No. Stock Apply Reference
1 J90831343A MAIN-POWER-CABLE-ASSY SM41-PW001 1
2 J90831344B MCCB_NF1-CABLE-ASSY 1
3 J90831066D NF1_MAIN_SWITCH_CABLE_ASSY 1
4 AM03-900132 MAIN_SWITCH_TB2_CABLE_ASSY 1
5 J90831347A TRANS_CP1-2_CABLE_ASSY SM41-PW006 1
6 J90831348A CP1_TB1_CABLE_ASSY SM41-PW007 1
7 J90831349A CP2_TB1-MC1_CABLE_ASSY SM41-PW008 1

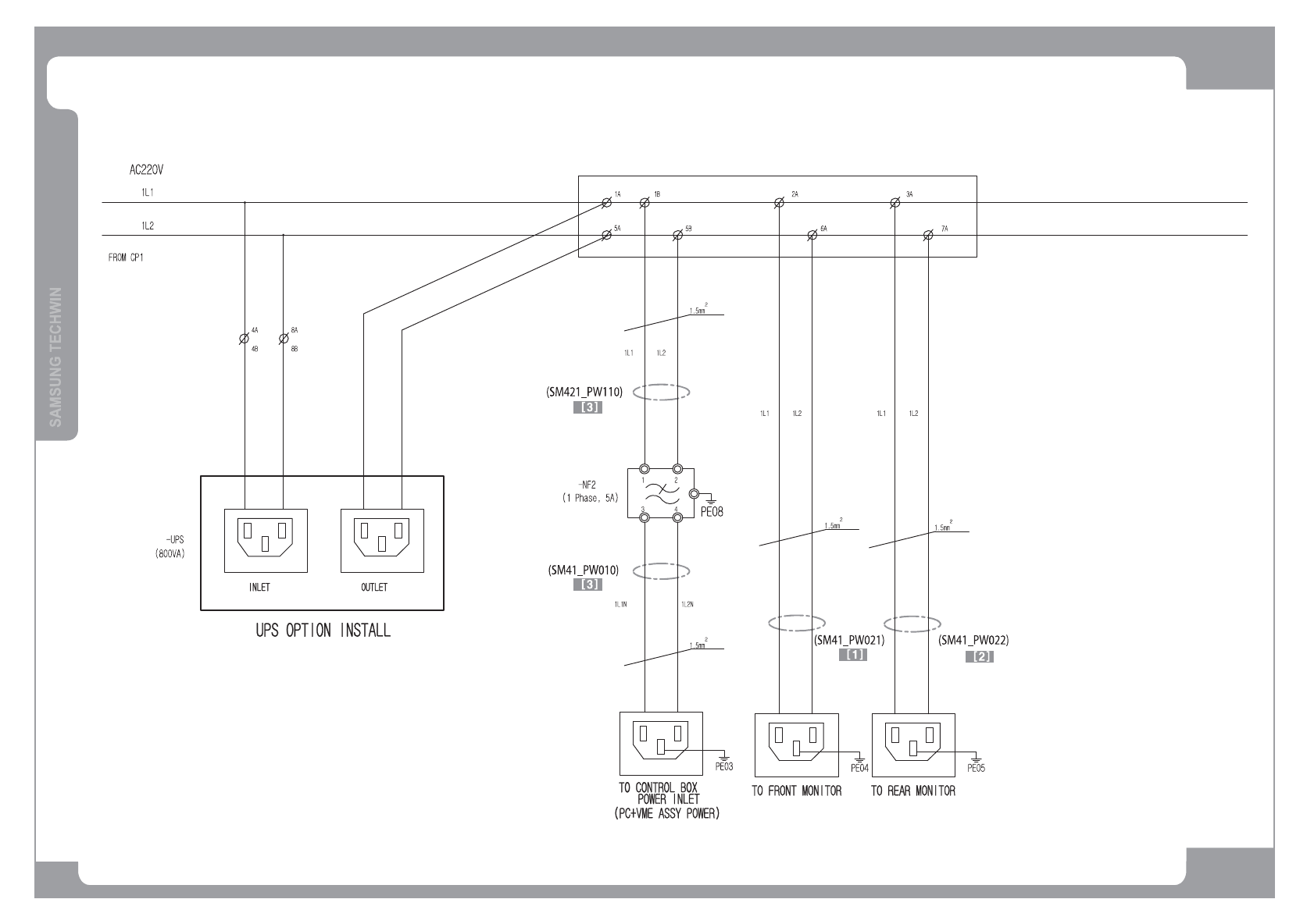
Page
224
SM421
Electric Circuit Diagram (4/6)