SM421_TRM(Ver9.6_CS14.24)_66DC7.pdf - 第84页
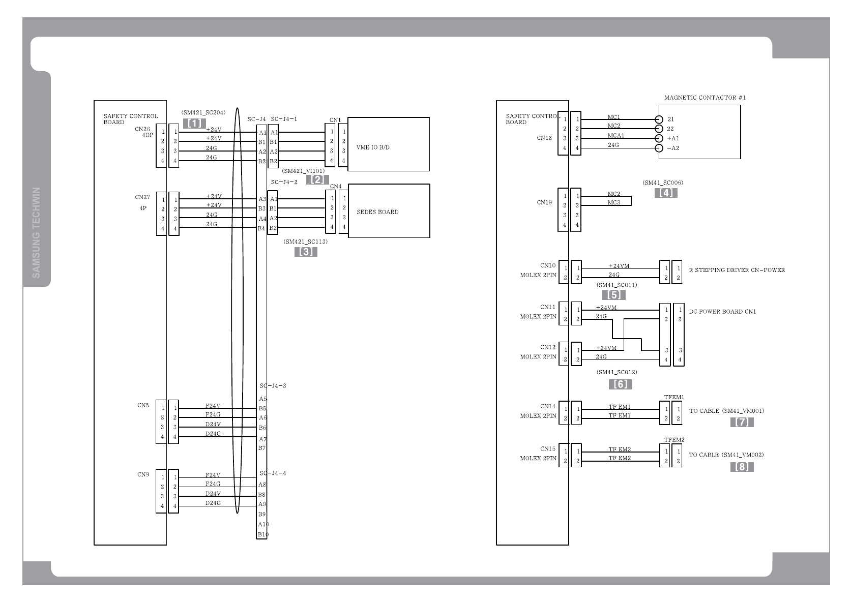
Page 217 S M4 2 1 Safety Control Board Interfac e - SM421S (3/4) NO. P ART NO . P ART NAME Q'TY Old No. Stock Apply Reference 1 AM 03-00 3617A CA BLE AS SY - BD_P W_ SC_J 4 1 2 AM 03- 003 704A CA BLE AS SY -VM E_I O…

Page
216
SM421
Safety Control Board Interface - SM421S (3/4)

Page
217
SM421
Safety Control Board Interface - SM421S (3/4)
NO. PART NO. PART NAME Q'TY Old No. Stock Apply Reference
1 AM03-003617A CABLE ASSY-BD_PW_SC_J4 1
2 AM03-003704A CABLE ASSY-VME_IO_BD_PW_J4 1
3 AM03-003605A CABLE ASSY-SE_VME_IO_BD_PW_J4 1
4 J90831335C MC1-ENABLE-CABLE-ASSY 1
5 J90831340B R-STEP-DRIVER_POWER_CABLE-ASSY 1
6 AM16-000011A ASSY,CABLE-FRONT OP I/F CABLE ASSY 1
7 J90831380C 1_TRAY_FEEDER_CABLE_ASSY 1
8 J90831381C 2_TRAY_FEEDER_CABLE_ASSY 1

Page
218
SM421
Safety Control Board Interface - SM421S (4/4)