RS-1_RS-1-XL_RS-1R-Rev13.pdf - 第15页
- 8 - NOTE( 注記 ) #01....OPTIONAL PARTS オプション部品 #02....FOR EN EN 用 REF.NO NOTE PART NO D E S C R I P T I O N 品 名 Qty 1 402-1833 7 BASE_PLATE_ASSY ベースプレート_組 1 2 402-1738 7 BASE_PLATE_L ベーズプレート_L (1) 3 402-1738 8 BASE_PLATE…

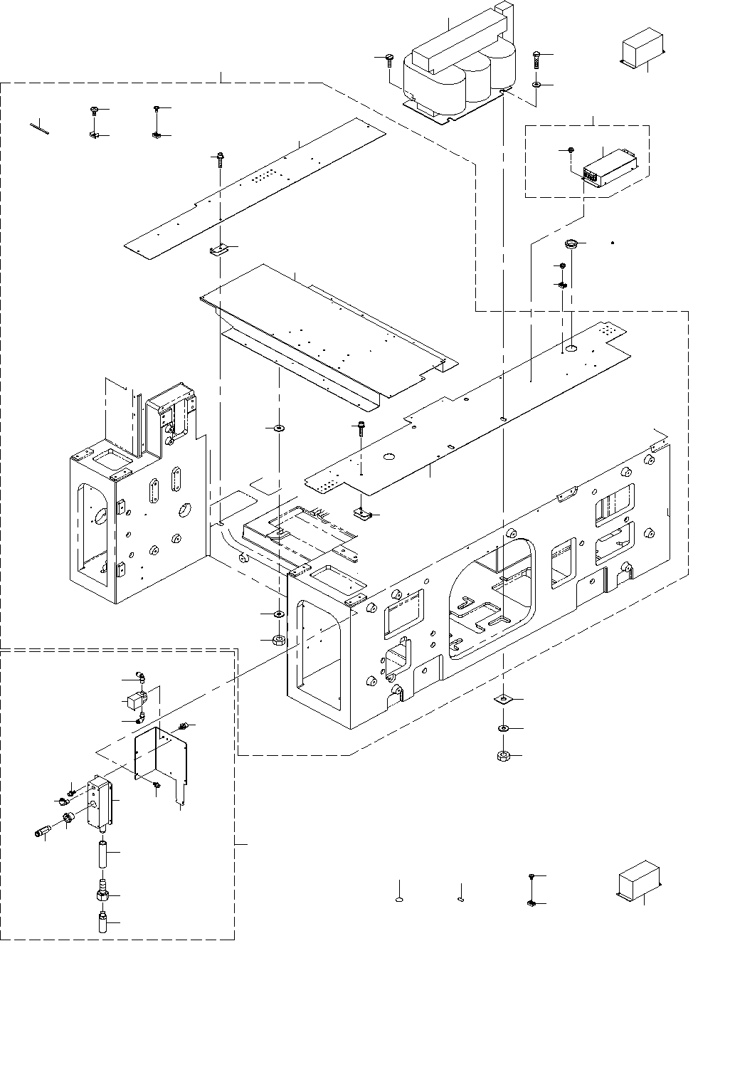
- 7 -
4. BASE FRAME COMPONENTS(4) (RS-1R)
ベースフレーム関係(4)(RS −1 R)
14
6
3
1
4
9
11
7
2
8
13
12
15
16
17
12
20
18
19
21
18
23
22
24
25
26 27
41
42
43
44
5
5
10
10
45
32
31
34
33
30
29
40
30
30
35
36
37
38
39
28

- 8 -
NOTE( 注記 ) #01....OPTIONAL PARTS オプション部品
#02....FOR EN EN 用
REF.NO NOTE PART NO D E S C R I P T I O N
品 名
Qty
1 402-18337 BASE_PLATE_ASSY
ベースプレート_組
1
2 402-17387 BASE_PLATE_L
ベーズプレート_L
(1)
3 402-17388 BASE_PLATE_C
ベーズプレート_C
(1)
4 HX-0009600-0A EDGING
エッジングブッシュ
(1.3)
5 L110E-121-000 BASE PLATE NUT
ベース プレート ナット
(8)
6 402-17389 BASE_PLATE_R
ベーズプレート_R
(1)
7 HX-0055700-00 TIE MOUNT
タイマウント
(6)
8 HX-0029400-00 FIXED BASE
固定ベース
(8)
9 SM-4040801-SC SCREW M4X0.7 L=8
なべ小ねじ M4X0.7 L=8
(8)
10 SL-6052592-TN BOLT
座金付き六角穴ボルト
(8)
11 SM-4061201-SC SCREW M6 L=12
なべ小ねじ M6 L=12
(1)
12 400-94475 BP WASHER
BPワッシャー
(8)
13 NM-6100001-SC NUT M10X1.5 TYPE1
六角ナット M10X1.5 1種
(4)
14 401-83540 AC INPUT UNIT
ACインプット組
1
15 401-91282 NOISE FILTER
ノイズフィルタ
(1)
16 SL-6040692-TN SCREW M4 L=6
座金付き六角穴ボルト M4 L=6
(4)
17 HN-0040100-00 NOISE FILTER
ノイズフィルタ
1
18 400-94475 BP WASHER
BP_ワッシャー
6
19 400-44814 WASHER PLATE
小型角座金
4
20
#02
SM-9124503-SB SCREW M12 L=45
六角ボルト M12 L=45
2
21 NM-6120001-SC NUT M12X1.75 TYPE1
六角ナット M12X1.75 1種
4
22 100-04109 GROUND MARK
グランドマーク
3
23 CM-2001000-01 PE MARK LABEL
PE マーク シール
1
24 HX-0051900-00 FIXING BASE
固定ベース
1
25 SL-4040691-SC SCREW M4 L=6
座金付きなべ小ねじ M4 L=6
19
26 HX-0018800-0F GROMMET
ブッシュ
1
27
#02
HX-0057900-00 PERFECT ROCK
パーフェクトロック
1
28 402-18343 EJECTOR_ASSY
エジェクタ_組
1
29 SL-6051092-TN SCREW M5 L=10
座金付き六角穴ボルト M5 L=10
(2)
30 PJ-3040852-01 ELBOW UNION 8XPT1/4
エルボ ユニオン 8XPT1/4
(3)
31 402-01542 EJECTOR
エジェクタ
(1)
32 SL-6041092-TN SCREW M4 L=10
座金付き六角穴ボルト M4 L=10
(4)
33 402-06568 BUSHING
ねじ込み式管継手
(1)
34 PV-0253010-00 CHECK VALVE
チェック バルブ
(1)
35 402-01547 EXHAUST_HOSE
エグゾーストホース
(0.11)
36 402-01546 HOSE_JOINT
ホースジョイント
(1)
37 PX-0553030-00 SILENCER
サイレンサ
(1)
38 402-17383 EJECTOR_BASE
エジェクタベース
(1)
39 SL-6040892-TN SCREW M4 L=8
座金付き六角穴ボルト M4 L=8
(2)
40 402-05717 EJSV CABLE ASM
EJSVケーブル組
(1)
41 SM-4040601-SC SCREW M4X0.7 L=6
なべ小ねじ M4X0.7 L=6
31
42
#01
401-91280 TRANSFORMER
トランス
1
43
#01
HN-0040100-00 NOISE FILTER
ノイズフィルタ
1
44 HX-0029400-00 FIXED BASE
固定ベース
31
45
#02
402-15431 TRANS_SCREW_XL
トランススクリュー_XL
2

- 9 -
5. BASE FRAME COMPONENTS(5)(TYPE XL)
ベースフレーム関係(5)(XL 仕様)
12
13
9
7
10
8
54
11
5
12
6
16
4
3
21
57
15
56
59
58
14
20
17
43
44
49
51
21 22
25
34
17
18
17
20
20
38
39
32
37
28
29
17
20
18
55
60
26
24
23
30
31
33
35
39
36
45
46
47
48
52
50
19
18
19
19
19
18
69
70
71
72
74
73
76
75
62
63
64
65
66
67
68
61
79
80
78
40
41
27
42
53
88
81
82
83 84
87
86
85
77