RS-1_RS-1-XL_RS-1R-Rev13.pdf - 第245页
- 238 - NOTE( 注記 ) #01....FOR EN(OPTIONAL PARTS) EN 用 (オプション部品) REF.NO NOTE PART NO D E S C R I P T I O N 品 名 Qty 1 401-9092 1 IP-X1 1 SET GEN ASM(R S-1) IP−X11 汎用機 セット組図(RS−1) 1 2 E9623-721-000 PORTRAIT MONITOR CABLE 画像…

- 237 -
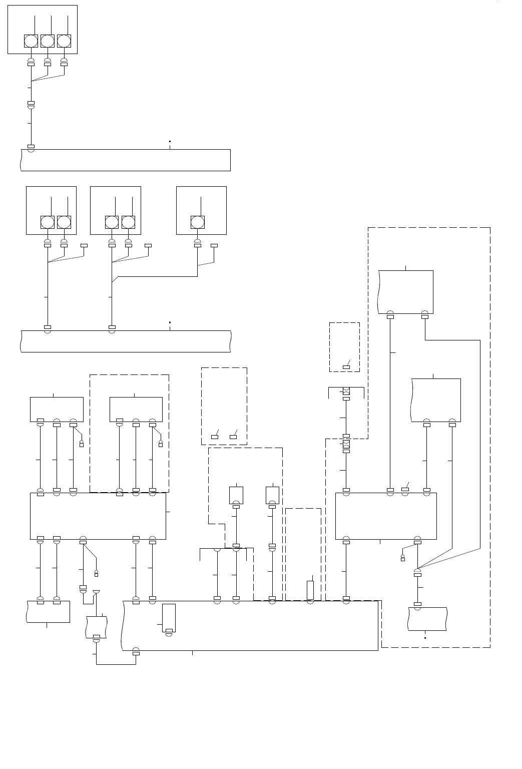
119.SYSTEM DIAGRAM (5)
SYSTEM DIAGRAM(5)
㸿㹒㹖㸫㹎㸲
㹄㹅
㹄㹅
㹇㹌㸫㹂㹁㸯㸰㹔
㸳㸫㸱㹀
㸳㸫㸲㸿
㸲㸫㸯㹂
㸲㸫㸲㹀
㸯㸫㸰㹀
㹃
㹄㸿㹌
㹁㹍㹌㹒㹐㹍㹊ࠉ㹓㹌㹇㹒ࠉ㹒㹍㹎
㹁㹍㹔㹃㹐
㹁㹒㹐㹊ࠉ㹄㸿㹌㸰
㹁㹒㹐㹊ࠉ㹄㸿㹌㸯
㹄㸿㹌
㹄㸿㹌㸱
㹄㸿㹌
㹄㸿㹌
㹒㹍㹎
㹁㹍㹔㹃㹐
㹄㸿㹌㸰
㹄㸿㹌㸯
㹁㹌㸮㸮㸴㸰
㹁㹌㸮㸮㸱㸴
㹁㹌㸱㸴
㹄㸿㹌㸱
㹄㸿㹌
㹄㸿㹌
㹐ࠉ㹑㹇㹂㹃ࠉ㹀㹍㹒㹒㹍㹋
㹁㹍㹔㹃㹐
㹄㸿㹌㸰
㹄㸿㹌㸯
㹁㹌㸮㸮㸰㸰
㹁㹌㸰㸰
㹄㸿㹌㸱
㹄㸿㹌
㹄㸿㹌
㹊ࠉ㹑㹇㹂㹃ࠉ㹀㹍㹒㹒㹍㹋
㹁㹍㹔㹃㹐
㹂㹁ࠉ㹄㸿㹌
㹄㸿㹌㸰
㹄㸿㹌㸯
㹂㹁ࠉ㹄㸿㹌
㹁㹌㸮㸮㸰㸯
㹁㹌㸰㸯
㹎㹍㹕㹃㹐ࠉ㹑㹓㹎㹎㹊㹗ࠉ㹓㹌㹇㹒ࠉ㹀
㸦㹍㹎㸧㹐㹃㸿㹐ࠉ㹋㹍㹌㹇㹒㹍㹐
㸿㹔㸰㸿㹔㸰
㸿㹔㸯㸿㹔㸯
㹄㹐㹍㹌㹒ࠉ㹀㹍㹒㹒㹍㹋
㹐㹇㹅㹆㹒ࠉ㹁㹍㹔㹃㹐
㹓㹑㹀
㹓㹑㹀ࠉ㹁㹆㸰
㹓㹑㹀ࠉ㹁㹆㸯
㹑㹓㹎㹃㹐ࠉ㹇㹋㹎㹍㹑㹃ࠉ㹀㹍㸿㹐㹂
㹁㹍㹋㸰
㸿㹔㸰
㸿㹒㹖㸫㹎㸳
㸿㹒㹖ࠉ㹓㹌㹇㹒
㸯㸰㹔ࠉ㹇㹌
㸿㹔㸯
㹁㹌㸶
㹌㹒㹑㹁㸯
㹌㹒㹑㹁㸮
㹇㹎㸫㹖㸯㸯ࠉ㹎㹁㹀
㹃
㸯㸰㹔ࠉ㹍㹓㹒
㹍㹓㹒㸫㹂㹁㸯㸰㹔 㹐㹊㹁㹂㸫㹎㹕㹐
㹎㹍㹕㹃㹐
㹐㹊㹁㹂㸰㸱㸰㹁
㹐㹑㸰㸱㸰㹁㹐㹑㸰㸱㸰ࠉ㸰
㹐㹑㹍㹓㹒㸰
㹐㹃㸿㹐ࠉ㹊㹁㹂ࠉ㹋㹍㹌㹇㹒㹍㹐
㹂㹔㹇ࠉ㹍㹓㹒㸰
㹂㹔㹇ࠉ㹍㹓㹒㸰 㹊㹁㹂ࠉ㹐
㹂㹔㹇㸫㹂
㹃
㸯㸰㹔ࠉ㹍㹓㹒
㹍㹓㹒㸫㹂㹁㸯㸰㹔 㹄㹊㹁㹂㸫㹎㹕㹐
㹎㹍㹕㹃㹐
㹄㹊㹁㹂㸰㸱㸰㹁
㹐㹑㸰㸱㸰㹁㹐㹑㸰㸱㸰ࠉ㸯
㹐㹑㹍㹓㹒㸯
㹄㹐㹍㹌㹒ࠉ㹊㹁㹂ࠉ㹋㹍㹌㹇㹒㹍㹐
㹐㹑㸫㹎㹁㸯
㹐㹑㸰㸱㸰㹎㹁
㹁㹌㸮㸯㸮㸰
㹁㹍㹋㸯
㹑㹑㹂
㹂㹔㹇ࠉ㹍㹓㹒㸯
㹂㹔㹇ࠉ㹍㹓㹒ࠉ㸯 㹊㹁㹂ࠉ㹄
㹂㹔㹇㸫㹂
㹂㹔㹇ࠉ㹇㹌
㹂㹔㹇㸫㹂
㸯
㸰 㸰
㸯㸮
㸯㸫㸰㹂
㸶
㸷
㹁㹎㹓ࠉ㹀㹍㸿㹐㹂
㸯㸯
㸯㸰
㸯㸱 㸯㸲
㸯㸳 㸯㸳
㸱
㸲
㸳 㸴 㸯㸶 㸯㸷 㸰㸮
㸵㸵
㸰㸯 㸰㸰
㸱㸷
㸰㸲
㸰㸱 㸰㸱 㸰㸱 㸰㸱 㸰㸱
㹂㹁ࠉ㹄㸿㹌
㹂㹁ࠉ㹄㸿㹌
㹂㹁ࠉ㹄㸿㹌
㹎㹍㹕㹃㹐ࠉ㹑㹓㹎㹎㹊㹗ࠉ㹓㹌㹇㹒ࠉ㹀
㸰㸯 㸰㸰
㸰㸳
㸰㸴
㹂㹁ࠉ㹄㸿㹌
㸰㸱
㹂㹁ࠉ㹄㸿㹌
㸰㸱
㹂㹁ࠉ㹄㸿㹌
㸰㸱
㹃㹒㹆㹃㹐
㹂㹁ࠉ㹇㹌ࠉ㹄
㹄㹐㹍㹌㹒ࠉ㹀㹍㹒㹒㹍㹋
㹐㹇㹅㹆㹒ࠉ㹁㹍㹔㹃㹐
㹇㹑
㸦㹍㹎㸧㹇㹑㹋㸭㹋㹃㹑ࠉ㹁㹍㹍㹎㹃㹐㸿㹒㹇㹍㹌
㸦㹍㹎㸧㹇㹄㹑㸫㹌㹖㸦㸰㹂ࠉ㹀㸿㹐㹁㹍㹂㹃ࠉ㹐㹃㸿㹂㹃㹐㸧
㸰㹂ࠉ㹎㹐㹍㹒㹃㹁㹒ࠉ㹋㹍㹂㹓㹊㹃
㹓㹑㹀ࠉ㹁㹆㸲
㹓㹑㹀ࠉ㹁㹆㸱
㹖㸯
㸦㹍㹎㸧㹇㹄㹑㸫㹌㹖
㸱㸫㸯㹂
㹄㹅
㹂㹁ࠉ㹇㹌ࠉ㹐
㸰㸲㹔ࠉ㹂㹁
㹐㹄㹇㹂ࠉ㹎㹕㹐
㸳㸫㸱㸿
㸲㸫㸯㹂
㹁㹌㸮㸮㸮㸶
㹁㹌㸶
㹎㹍㹕㹃㹐ࠉ㹑㹓㹎㹎㹊㹗ࠉ㹓㹌㹇㹒ࠉ㹀
㹃㹒㹆㹃㹐㹌㹃㹒
㹖㸰㹊㸿㹌
㹑㹕㹇㹒㹇㹌㹅ࠉ㹆㹓㹀
㹖㸰㹊㸿㹌㸯
㹋㹎㹁㸫㹁㸿㹌㸦㹐㸧
㹖㸲
㹃㹑㸫㹆㹓㹀 㹃㹒㹆㹃㹐
㹖㸱
㹃㹑㸫㹆㹓㹀
㹂㹁ࠉ㹇㹌㹎㹓㹒
㸰㸫㸱㸿
㸰㸲㹔ࠉ㹂㹁
㹃㹒㹆㹃㹐㹌㹃㹒
㸳㸫㸱㹁
㹁㹎㹓 㹂㹔㹇ࠉ㹇㹌
㸰㸶 㸰㸶
㹀㸿㹐㹁㹍㹂㹃ࠉ㹐㹃㸿㹂㹃㹐
㹀㸿㹐㹁㹍㹂㹃ࠉ㹐㹃㸿㹂㹃㹐
㸰㸷 㸰㸷
㸰㸵
㸱㸮
㸱㸯
㸱㸰
㸰㸯 㸰㸰
㸱㸲
㸱㸳㸱㸴
㸱㸱
㸯㸴
㸯㸵
㸯㸵
㸱㸵
㸱㸵
㹋㹎㹁㸫㹁㸿㹌㸦㹄㸧
㸱㸶
㸦㹍㹎㸧㹃㹌
㸦㹍㹎㸧㹃㹌
㹁㹍㹌㹌㹃㹁㹒㹍㹐ࠉ㹁㸿㹎
㹖㸳
㹁㹍㹌㹌㹃㹁㹒㹍㹐ࠉ㹁㸿㹎
㹁㹍㹌㹌㹃㹁㹒㹍㹐ࠉ㹁㸿㹎
㹁㹍㹌㹌㹃㹁㹒㹍㹐ࠉ㹁㸿㹎
㸲㸮 㸲㸮
㸲㸰
㸲㸯

- 238 -
NOTE( 注記 ) #01....FOR EN(OPTIONAL PARTS) EN 用(オプション部品)
REF.NO NOTE PART NO D E S C R I P T I O N
品 名
Qty
1 401-90921 IP-X11 SET GEN ASM(RS-1)
IP−X11 汎用機 セット組図(RS−1)
1
2 E9623-721-000 PORTRAIT MONITOR CABLE
画像モニタケーブル
1
3 401-97864 SUPER IMPOSE BOARD
スーパーインポーズボード
1
4 401-29642 DVI CABLE L2.5M
DVIケーブル2.5M
1
5 401-29084 SPIMP-F LCD SERIAL CABLE ASM
SPIMP−F LCD シリアルケーブル組
1
6 401-29085 SPIMP-F LCD PWR CABLE ASM
SPIMP−F LCD 電源ケーブル組
1
7 401-58158 15INCH LCD MONITOR
15インチ LCDモニタ
1
8 401-82290 ATX 232C CABLE ASM 2
ATX 232Cケーブル組2
1
9 EZ-1468979-11 POWER (ENSP-300P-S20-11S)
電源(ENSP−300P−S20−11S)
1
10 401-82271 ATX-SPIMP PWR CABLE ASM 2
ATX−SPIMP 電源ケーブル組2
1
11 401-23242 CPU BOARD
CPUボード
1
12 401-83618 ENVIRONMENT SYSTEM DISK ASM (RS1 MES)
環境ディスク組(RS1 SSD MES)
1
13 401-29644 DVI CABLE 1M
DVIケーブル1M
1
14 401-82263 CPU-SP IMP SERIAL CABLE ASM
CPU−SP IMP シリアルケーブル組
1
15 400-44522 USB RELAY CABLE
USB延長ケーブル
1
16 HW-0018100-80 LAN CABLE
LANケーブル
1
17 HK-0651200-80 MODULAR KAPLA
モジュラーカプラ
1
18 401-29643 DVI CABLE L4.0M
DVIケーブル4.0M
1
19 401-29087 SPIMP-R LCD SERIAL CABLE ASM
SPIMP−R LCD シリアルケーブル組
1
20 401-29088 SPIMP-R LCD PWR CABLE ASM
SPIMP−R LCD 電源ケーブル組
1
21 401-83536 POWER SUPPLY UNIT B ASM
電源ユニットB組
1
22
#01
401-87824 POWER SUPPLY UNIT B ASM_EN
電源ユニットB組_EN
1
23 401-89090 DC FAN ASM
DCファン組
1
24 401-89242 BASE R FAN RELAY CABLE ASM
ベースRファン中継ケーブル組
1
25 401-89243 TOP COVER FAN RELAY CABLE ASM
トップカバーファン中継ケーブル組
1
26 401-89244 TOP COVER FAN CABLE ASM
トップカバーファンケーブル組
1
27 401-73481 USB REPEATER CABLE
USBリピーターケーブル
1
28 401-73482 USB BARCORD READER CABLE(4M)
USBバーコードリーダーケーブル(4M)
1
29 EZ-1458644-11 READER BAR CODE
バ−コ−ド リ−ダ (GD4430−BK)
1
30 401-29932 2D PROTECT MODULE(USB)
2Dプロテクトモジュール(USB)
1
31 400-79652 RFID LAN CABLE ASM
RFID LANケーブル組
1
32 400-73033 SWITCHING HUB
スイッチングハブ
1
33 400-73780 FX1R RFID LAN CABLE (1.65M) ASM
FX1R RFID LANケーブル(1.65M)組
1
34 401-87772 EU-HUB/MPC PWR RELAY CABLE ASM
EU−HUB/MPC 電源中継ケーブル組
1
35 401-87773 HUB/MPC POWER CABLE ASM
HUB/MPC 電源ケーブル組
1
36 401-68954 MPC LAN CABLE 2 ASM
MPC LAN ケーブル 2 組
1
37 401-69048 MPC-CAN
MPC−CAN
1
38 400-73738 RFID LAN CABLE (4.5M) ASM
RFID LANケーブル(4.5M)組
1
39 401-89241 BASE L FAN RELAY CABLE ASM
ベースLファン中継ケーブル組
1
40
#01
HX-0066700-00 DUST COVER
ダストカバー
1
41
#01
HX-0066000-00 DUST COVER
ダストカバー
1
42 HX-0066000-00 DUST COVER
ダストカバー
1

䢢
Notes