RS-1_RS-1-XL_RS-1R-Rev13.pdf - 第235页
- 228 - REF.NO NOTE PART NO D E S C R I P T I O N 品 名 Qty 1 402-11593 LONG_BOARD_BU_SPONGE_ASM 長尺基板BUスポンジ組 1 2 402-11619 SPONGE_BASE スポンジベース (1) 3 402-11621 BU_SPONGE_BASE BUスポンジベース (1) 4 402-14192 BU_SLIDE_SHAFT BUスライドシ…

- 227 -
114.LONG BOARD BU SPONGE COMPONENTS
長尺基板 BU スポンジ関係
3
2
4
4
5
6
7
7
7
7
8
8
8
8
9
9
10
10
11
11
12
12
14
13
1

- 228 -
REF.NO NOTE PART NO D E S C R I P T I O N
品 名
Qty
1 402-11593 LONG_BOARD_BU_SPONGE_ASM
長尺基板BUスポンジ組
1
2 402-11619 SPONGE_BASE
スポンジベース
(1)
3 402-11621 BU_SPONGE_BASE
BUスポンジベース
(1)
4 402-14192 BU_SLIDE_SHAFT
BUスライドシャフト
(2)
5 401-96546 EMI GASKET
EMIガスケット
(1)
6 401-28507 SLIDE_SHEET
スライドシート
(1)
7 401-34189 MAGNET
マグネット
(4)
8 SM-4040601-SC SCREW M4X0.7 L=6
なべ小ねじ M4X0.7 L=6
(4)
9 SB-8080001-00 BEARING
ころがり軸受
(2)
10 SM-6030802-TN SCREW
六角穴ボルト
(4)
11 RC-0740811-KP C-RING 8 (7.4)
C形止め輪 8 (7.4)
(2)
12 SM-1041001-SC SCREW M4X0.7 L=10
皿小ねじ M4X0.7 L=10
(2)
13 400-99436 S_CARTON_L_SIZE
SカートンLサイズ
(1)
14 E6953-861-B00 CONTENT LABEL
コンテントラベル
(1)

- 229 -
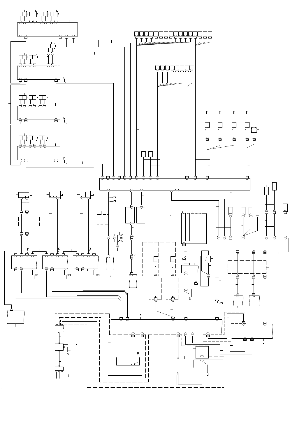
115.SYSTEM DIAGRAM (1)
SYSTEM DIAGRAM(1)
㹍㹁㹁
㹁㹌㸮㸴㸮㸵
㹁㹌㸮㸵㸰㸲
㹁㹌㸰㸲
㹄㸿㹌
㹄㸿㹌
㹂㹁ࠉ㹄㸿㹌
㹄㹇㹀㹃㹐
㹒㸲ࠉ㹍㹐㹇㹅㹇㹌ࠉ㹑㹃㹌㹑㹍㹐
㹒㸲
㹄㹇㹀㹃㹐
㹄㹇㹀㹃㹐
㹄㹇㹀㹃㹐
㹒㸱ࠉ㹍㹐㹇㹅㹇㹌ࠉ㹑㹃㹌㹑㹍㹐
㹒㸱
㹒㸰ࠉ㹍㹐㹇㹅㹇㹌ࠉ㹑㹃㹌㹑㹍㹐
㹒㸰
㹒㸯ࠉ㹍㹐㹇㹅㹇㹌ࠉ㹑㹃㹌㹑㹍㹐
㹒㸯
㹁㹌㸮㸵㸮㸵
㹁㹌㸵
㹔㸿㹁㹓㹓㹋ࠉ㹓㹌㹇㹒
㹍㹁㹁
㹁㹌㸮㸴㸱㸰
㹍㹁㹁㸫㹍㸯
㹍㹁㹁㸫㸿㸯
㹍㹁㹁㸫㹁㸯
㹁㹌㸮㸴㸯㸳
㹁㹌㸮㸴㸮㸱
㹁㹌㸮㸴㸮㸴
㹁㹌㸮㸴㸮㸵㸫㸯
㹒㹆㹃㹐㹋㸿㹊
㹑㹃㹌㹑㹍㹐ࠉ㹎㹁㹀
㹌㹘㹊ࠉ㹓㹎ࠉ㹑㸬㹔㸬
㹆㹇㹅㹆㹒
㹋㹃㸿㹑㹓㹐㹃㹋㹃㹌㹒
㹑㹃㹌㹑㹍㹐
㹁㹌㸮㸴㸱㸮㹁㹌㸮㸴㸮㸶
㹁㹌㸮㸴㸯㸰
㹍㹁㹁ࠉ㸿ࠉ㹎㹁㹀
㹍㹁㹁
㹊㹃㹌㹑
㹍㹁㹁ࠉ㹁ࠉ㹎㹁㹀
㹁㹌㸮㸴㸯㸯㸿
㹁㹌㸴
㹁㹌㸵
㹁㹌㸶
㹁㹌㸯㸰
㹒㸿ࠉ㹁㹌㸳
㹁㹌㸳
㹒㸿ࠉ㹁㹌㸴
㹁㹌㸴
㹒㸿ࠉ㹁㹌㹎㸯
㹁㹌㸰㹂
㹁㹌㹎㸰㹂
㹁㹌㸰㹁
㹁㹌㹎㸰㹁
㹁㹌㸰㹀
㹁㹌㹎㸰㹀
㹁㹌㸯㹀
㹁㹌㸰㸿
㹁㹌㹎㸰㸿
㹁㹌㹎㸯
㹁㹌㸯㸿
㹒㸲ࠉ㹋㹍㹒㹍㹐
㹒㸱ࠉ㹋㹍㹒㹍㹐
㹒㸰ࠉ㹋㹍㹒㹍㹐
㹒㸯ࠉ㹋㹍㹒㹍㹐
㹒㸿ࠉ㹂㹐㹇㹔㹃㹐
㹁㹎㹁㹇㸫㹁㹌㸯
㹘㹁㹁㹌㹎㸯㹘㹀㹁㹌㹎㸯㹘㸿㹁㹌㹎㸯
㹁㹌㸯㸿
㹁㹍㹌㹒㹐㹍㹊ࠉ㹓㹌㹇㹒
㹄㹅㸦㹆㹃㸿㹂ࠉ㹓㹌㹇㹒㸧㹄㹅㸦㹆㹃㸿㹂ࠉ㹓㹌㹇㹒㸧
㹄㹅㸦㹆㹃㸿㹂ࠉ㹓㹌㹇㹒㸧
㹁㹌㸰㹁
㹁㹌㹎㸰㹁
㹁㹌㸰㹀
㹁㹌㹎㸰㹀
㹁㹌㸯㹀
㹁㹌㸰㸿
㹁㹌㹎㸰㸿
㹁㹌㹎㸯
㹁㹌㸯㸿
㹁㹌㸰㹁
㹁㹌㹎㸰㹁
㹁㹌㸰㹀
㹁㹌㹎㸰㹀
㹁㹌㸯㹀
㹁㹌㸰㸿
㹁㹌㹎㸰㸿
㹁㹌㹎㸯
㹁㹌㸯㸿
㹘㸵㸪㹘㸶㸪㹘㸿ࠉ㹂㹐㹇㹔㹃㹐㹘㸲㸪㹘㸳㸪㹘㸴ࠉ㹂㹐㹇㹔㹃㹐
㹘㸱ࠉ㹋㹍㹒㹍㹐
㹘㸰ࠉ㹋㹍㹒㹍㹐
㹘㸯ࠉ㹋㹍㹒㹍㹐
㹁㹌㸰㹁
㹁㹌㹎㸰㹁
㹁㹌㸰㹀
㹁㹌㹎㸰㹀
㹁㹌㸯㹀
㹁㹌㸰㸿
㹁㹌㹎㸰㸿
㹘㸯㸪㹘㸰㸪㹘㸱ࠉ㹂㹐㹇㹔㹃㹐
㹁㹌㹎㸯
㹁㹌㸯㸿
㸴㹑㹊㹍㹒ࠉ㹁㹎㹁㹇ࠉ㹀㸿㹁㹉ࠉ㹀㹍㸿㹐㹂
㸯㸫㸰㹁
㸯㸫㸰㹂
㸯㸫㸯㸿
㸯㸫㸰㹀
㹀㹊㸿㹌㹉
㹇㹍ࠉ㹁㹍㹌㹒㹐㹍㹊
㹇㹎㸫㹖㸯㸯
㹀㹊㸿㹌㹉
㹎㹍㹑㹇㹒㹇㹍㹌ࠉ㹀㹍㸿㹐㹂
㹁㹎㹓ࠉ㹀㹍㸿㹐㹂
㸯
㸰
㸱
㸳
㸴
㸵
㸶
㸷
㸯㸮
㸯㸯
㸯㸴
㸯㸯
㸰㸮
㸯㸰 㸯㸰
㸯㸱
㸯㸲
㸯㸳 㸯㸳
㸯㸵
㸯㸶
㸯㸷
㸰㸯 㸰㸰
㸰㸴
㸰㸱
㸰㸲
㸰㸳
㸰㸵
㸱㸲
㸰㸷
㸱㸮
㸱㸯
㸱㸱
㸱㸳
㸱㸴
㸱㸵
㸲㸯
㸲㸰
㸲㸱
㸲㸲
㸳㸮
㸲㸶 㸲㸷
㸵㸯 㸵㸰
㸰㸱
㸲㸵
㸴㸶
㸴㸷
㸱㸱
㸲㸴
㸳㸷
㸳㸯
㸳㸱
㸳㸳
㸳㸴
㸳㸵
㸳㸶
㸴㸰
㸴㸵
㸳㸯
㸲㸷
㸯㸲㸶
㸵㸳
㸵㸲
㸵㸴
㸵㸵
㸵㸶 㸵㸷 㸶㸮 㸶㸯
㸶㸰
㸶㸲
㸶㸴
㸶㸱
㸶㸳
㸶㸶
㸶㸵
㸵㸱
㸯㸰
㸯㸰
㸯㸰
㸷㸯
㸷㸮 㸷㸮 㸷㸮
㹘㸴ࠉ㹋㹍㹒㹍㹐
㹘㸳ࠉ㹋㹍㹒㹍㹐
㹘㸲ࠉ㹋㹍㹒㹍㹐
㸷㸮㸷㸮㸷㸮
㸷㸯
㸷㸯
㹘㸶ࠉ㹋㹍㹒㹍㹐
㹘㸵ࠉ㹋㹍㹒㹍㹐
㸷㸮 㸷㸮
㹘㸿ࠉ㹋㹍㹒㹍㹐
㸷㸲
㸷㸰
㸷㸱
㸷㸴㸷㸴㸷㸴㸷㸴
㸷㸳
㸷㸵
㸷㸶
㸷㸷
㸯㸮㸮
㸯㸮㸯 㸯㸮㸰
㸯㸮㸱
㸯㸮㸲
㸯㸮㸳
㸯㸮㸴
㸴㸱
㸴㸲
㸳㸲
㸵㸮
㸴㸳 㸴㸳 㸴㸳 㸴㸳
㸴㸴 㸴㸴 㸴㸴 㸴㸴
㸶㸷
㹘㸯ࠉ㹑㹃㹌㹑㹍㹐
㹘㸰ࠉ㹑㹃㹌㹑㹍㹐
㹘㸱ࠉ㹑㹃㹌㹑㹍㹐
㹘㸲ࠉ㹑㹃㹌㹑㹍㹐
㹘㸳ࠉ㹑㹃㹌㹑㹍㹐
㹘㸴ࠉ㹑㹃㹌㹑㹍㹐
㹘㸵ࠉ㹑㹃㹌㹑㹍㹐
㹘㸶ࠉ㹑㹃㹌㹑㹍㹐
㸯㸮㸵
㸯㸮㸵
㸴㸯
㸴㸮
㸦㹍㹎㸧ࠉ㹃㹌
㹁㹍㹌㹌㹃㹁㹒㹍㹐ࠉ
㹁㸿㹎
㹀㹓㹎
㸦㹍㹎㸧ࠉ㹃㹌ࠉ㹍㹎㹒㹇㹍㹌ࠉ㹒㹍㹐㹍㹊㹊㹃㹗
㹀㹓㹎
㹄㹐㹍㹌㹒ࠉ㹊㹃㹄㹒
㹀㸿㹌㹉ࠉ㹑㹕
㸦㹍㹎㸧ࠉ㹃㹌ࠉ㹑㹒㸿㹌㹂㸿㹐㹂
㹄㹇㹖ࠉ㹀㸿㹌㹉
㹁㹌ࠉ㸿㸯㸮㸦㹃㹌㸧
㹄㹀㹓㹎
㸦㹍㹎㸧ࠉ㹃㹌ࠉ㹍㹎㹒㹇㹍㹌ࠉ㹒㹍㹐㹍㹊㹊㹃㹗
㹀㹓㹎
㹐㹃㸿㹐ࠉ㹐㹇㹅㹆㹒
㹀㸿㹌㹉ࠉ㹑㹕
㹐㹀㹓㹎
㹁㹌ࠉ㸿㸯㸮㸦㹃㹌㸧
㸰㸫㸯㹁
㹃㹌ࠉ㹍㹎㹒㹇㹍㹌
㹁㹌ࠉ㸿㸲㸦㹃㹌㸧
㹁㹌ࠉ㸿㸲
㹁㹌ࠉ㸮㸮㸮㸯
㹁㹌ࠉ㸯
㹁㹌ࠉ㸿㸯
㸦㹑㹒㸧ࠉ㸰㸮㸮㹔
㸦㹍㹎㸧ࠉ㹒㹐㸿㹌㹁㹃ࠉ㹄㹍㹐㹋㸿㹐
ࠉࠉࠉࠉࠉ㸰㸯㸳㹔㸪㸰㸲㸮㹔㸪㸱㸶㸮㹔㸪㸲㸮㸮㹔㸪㸲㸯㸳㹔
㹖㸫㹋㹒㹐㸯
㹖㸫㹃㹌㹁㸲
㹄㹖
㸿㹁ࠉ㸰㸮㸮㸭㸰㸯㸳㸭㸰㸲㸮㹔ࠉ㹇㹌㹎㹓㹒ࠉ㸸ࠉ㸲㸮㸯㸶㸰㸱㸶㸮ࠉ㸦㸱㸮㸿㸧
㸿㹁ࠉ㸱㸶㸮㸭㸲㸮㸮㸭㸲㸯㸳㹔ࠉ㹇㹌㹎㹓㹒ࠉ㸸ࠉ㸲㸮㸯㸶㸱㸱㸶㸱ࠉ㸦㸰㸮㸿㸧
㸦㹍㹎㸧ࠉ㹑㹆㹍㹐㹒ࠉ㹁㹇㹐㹁㹓㹇㹒ࠉ㹀㹐㹃㸿㹉㹃㹐ࠉ㸿㹁ࠉ㸰㸮㸮㸭㸰㸯㸳㸭㸰㸲㸮㹔ࠉ㹇㹌㹎㹓㹒ࠉ㸸ࠉ㹆㸿㸮㸮㸵㸮㸱㸮㸮㸮㸮ࠉ㸦㸱㸮㸿㸧
㸦㹍㹎㸧ࠉ㹑㹆㹍㹐㹒ࠉ㹁㹇㹐㹁㹓㹇㹒ࠉ㹀㹐㹃㸿㹉㹃㹐ࠉ㸿㹁ࠉ㸱㸶㸮㸭㸲㸮㸮㸭㸲㸯㸳㹔ࠉ㹇㹌㹎㹓㹒ࠉ㸸ࠉ㹆㸿㸮㸮㸴㸳㸲㸮㸮㸮㸿ࠉ㸦㸰㸮㸿㸧
㹌㹍㹒㹃㸯
ࠉ㹒㹦㹧㹱ࠉ㹋㹁㹁㹀̓㹑ࠉ㹎㸭㹌ࠉ㹡㹦㹟㹬㹥㹣㹱ࠉ㹵㹧㹲㹦ࠉ㹱㹮㹣㹡㹧㹤㹧㹡㹟㹲㹧㹭㹬
㸯㸫㸱㹁
㸰㸫㸯㹁
㸯㸫㸱㹁
㹄㹅
㹁㹌㸮㸵㸯㸳
㹁㹌㸯㸳
㹁㹌㸮㸵㸯㸴
㹁㹌㸯㸴
㹘㸶ࠉ㹔㸿㹁㹓㹓㹋ࠉ㹑㹃㹌㹑㹍㹐
㹘㸵ࠉ㹔㸿㹁㹓㹓㹋ࠉ㹑㹃㹌㹑㹍㹐
㹘㸴ࠉ㹔㸿㹁㹓㹓㹋ࠉ㹑㹃㹌㹑㹍㹐
㹘㸳ࠉ㹔㸿㹁㹓㹓㹋ࠉ㹑㹃㹌㹑㹍㹐
㹘㸲ࠉ㹔㸿㹁㹓㹓㹋ࠉ㹑㹃㹌㹑㹍㹐
㹘㸱ࠉ㹔㸿㹁㹓㹓㹋ࠉ㹑㹃㹌㹑㹍㹐
㹘㸰ࠉ㹔㸿㹁㹓㹓㹋ࠉ㹑㹃㹌㹑㹍㹐
㹘㸯ࠉ㹔㸿㹁㹓㹓㹋ࠉ㹑㹃㹌㹑㹍㹐
㹁㹌㸮㸵㸯㸯
㹁㹌㸯㸯
㹘㸶㹔
㹘㸵㹔
㹘㸵㹀
㹘㸶㹀
㹘㸶ࠉ㹔㸿㹁㹓㹓㹋ࠉ㹑㸬㹔㸬
㹘㸵ࠉ㹔㸿㹁㹓㹓㹋ࠉ㹑㸬㹔㸬
㹘㸶ࠉ㹀㹊㹍㹕ࠉ㹑㸬㹔㸬
㹘㸵ࠉ㹀㹊㹍㹕ࠉ㹑㸬㹔㸬
㹌㹍㹘㹘㹊㹃ࠉ㹓㹎
㹑㹃㹌㹑㹍㹐
㹁㹌㸮㸵㸮㸷
㹌㹍㹘㹘㹊㹃ࠉ㹓㹎
㹑㹃㹌㹑㹍㹐
㹁㹌㸷
㹁㹌㸮㸵㸮㸶
㹁㹌㸶
㹔㸿㹁㹓㹓㹋ࠉ㹓㹌㹇㹒
㹘㸴㹔
㹘㸳㹔
㹘㸲㹔
㹘㸱㹔
㹘㸰㹔
㹘㸯㹔
㹘㸴㹀
㹘㸳㹀
㹘㸲㹀
㹘㸱㹀
㹘㸯㹀
㹘㸰㹀
㹘㸴ࠉ㹔㸿㹁㹓㹓㹋ࠉ㹑㸬㹔㸬
㹘㸳ࠉ㹔㸿㹁㹓㹓㹋ࠉ㹑㸬㹔㸬
㹘㸲ࠉ㹔㸿㹁㹓㹓㹋ࠉ㹑㸬㹔㸬
㹘㸱ࠉ㹔㸿㹁㹓㹓㹋ࠉ㹑㸬㹔㸬
㹘㸰ࠉ㹔㸿㹁㹓㹓㹋ࠉ㹑㸬㹔㸬
㹘㸯ࠉ㹔㸿㹁㹓㹓㹋ࠉ㹑㸬㹔㸬
㹘㸴ࠉ㹀㹊㹍㹕ࠉ㹑㸬㹔㸬
㹘㸳ࠉ㹀㹊㹍㹕ࠉ㹑㸬㹔㸬
㹘㸲ࠉ㹀㹊㹍㹕ࠉ㹑㸬㹔㸬
㹘㸱ࠉ㹀㹊㹍㹕ࠉ㹑㸬㹔㸬
㹘㸰ࠉ㹀㹊㹍㹕ࠉ㹑㸬㹔㸬
㹁㹌㸮㸵㸯㸮
㹘㸯ࠉ㹀㹊㹍㹕ࠉ㹑㸬㹔㸬
㹁㹌㸯㸮
㹖㹗ࠉ㹀㹃㸿㹐
㹁㸿㹀㹊㹃㹑
㸿㹑㹋
㹁㹌㸳
㸰㸫㸯㹂
㸰㸫㸯㸿
㸯㸫㸱㹁
㹁㹌㸮㸱㸮㸰
㹁㹌㸮㸲㸮㸳
㹁㹌㸮㸲㸯㸮
㹁㹌㸮㸱㸮㸷
㹁㹌㸮㸮㸴㸮
㹁㹌㸮㸮㸮㸳
㹁㹌㸰
㹇㹍ࠉ㹁㹍㹌㹒㹐㹍㹊ࠉ㹎㹁㹀
㹁㹌㸮㸵㸯㸵
㹁㹌㸮㸵㸮㸯
㹁㹌㸯
㹁㹌㸲
㹁㹌㸳
㹇㹎㸫㹖㸯㸯ࠉ㹎㹁㹀
㹁㹌㸱
㹁㹌㸳
㹁㹌㸯㸮
㹁㹌㸯㸯
㹁㹌㸯㸵
㹆㹃㸿㹂ࠉ㹋㸿㹇㹌ࠉ㹎㹁㹀
㹁㹌㸯
㹁㹌㸮㸵㸮㸲
㹊㹌㹁㸫㸱
㹁㹌㸲
㹊㹌㹁ࠉ㹊㸿㹌
㹁㹌㸮㸵㸯㸲
㹊㹌㹁㸫㸰
㹁㹌㸯㸲
㹇㹊㹊㹓㹋㹇㹌㸿㹒㹇㹍㹌
㹓㹌㹇㹒
㹊㹌㹁㸯㸰㸮㸫㸶
㹐㹈㸲㸳ࠉ㹐㹃㹊㸿㹗
㹁㹍㹌㹌㹃㹁㹒㹍㹐
㹊㹌㹁㸫㸯
㸳㸫㸯㸿
㸯㸫㸱㹁
㹊㸿㹌㸱
㹁㹎㹓ࠉ㹀㹍㸿㹐㹂
㹊㸿㹌㸱
㹊㹌㹁
㹁㹌㸮㸵㸯㸱
㹁㹌㸯㸱
㹁㹌㸯㸷
㹖㹗ࠉ㹀㹃㸿㹐
㹁㸿㹀㹊㹃㹑
㸿㹑㹋
㹁㹌㸮㸵㸮㸱
㹁㹌㸱
㹁㹌㸮㸵㸰㸱
㹁㹌㸰㸱
㹗㹐㸫㹁㹌㸰
㹗㹊㸫㹁㹌㸰
㹗ࠉ㹑㹃㹐㹔㹍ࠉ㹋㹍㹒㹍㹐㸦㹗㹐㸧
㹗㹐ࠉ㹋㹒㹐
㹗㹐ࠉ㹁㹌㹃㹌㹁
㹗ࠉ㹑㹃㹐㹔㹍ࠉ㹋㹍㹒㹍㹐ࠉ㸦㹗㹊㸧
㹁㹌ࠉ㸿㸴
㹁㹌ࠉ㸿㸴
㹁㹌ࠉ㹀㸰
㹁㹌ࠉ㹀㸰
㹁㹌ࠉ㸿㸰
㹁㹌ࠉ㸿㸰
㹁㹌ࠉ㸿㸶
㹁㹌ࠉ㸿㸶
㹎㹑㸫㹍㹌
㹁㹌ࠉ㸿㸱
㹁㹌ࠉ㸿㸱
㹁㹌ࠉ㸿㸷
㹁㹌ࠉ㸿㸷
㹃
㹄㹅
㹁㹍㹔㹃㹐
㹋㹒㹑ࠉ㹎㹕㹐
㹁㹌ࠉ㸿㸯
㹀㸿㹒㹒㹃㹐㹗ࠉ㹓㹌㹇㹒
㹄㹅
㹄㹅
㸦㹆㹃㸿㹂ࠉ㹓㹌㹇㹒㸧
㹄㹖㸯㸫㹁㹌㸰
㹗㹊㸫㹁㹌㹎㸱
㹗㹐㸫㹁㹌㹎㸱
㹁㹌㸮㸵㸰㸮
㹁㹌㸮㸵㸰㸰
㹁㹌㸮㸵㸰㸯
㹁㹌㸮㸵㸯㸷
㹄㹗㹐㸫㹄㹅
㹄㹗㹊㸫㹄㹅
㹄㹖㸫㹄㹅
㹃
㸰㸫㸯㸿
㸯㸫㸯㹂
㸰㸫㸯㹁
㸰㸫㸯㹀
㸰㸫㸯㹀
㹁㹌㸮㸮㸲㸱
㹄㹅
㹁㹌㸮㸮㸵㸲
㹁㹌㸮㸮㸵㸯
㹄㹅
㹎㹍㹕㹃㹐ࠉ㹑㹓㹎㹎㹊㹗ࠉ
㹓㹌㹇㹒ࠉ㹀
㹁㹌㸲㸱
㹄㹅
㹁㹍㹔㹃㹐
㹋㹒㹑ࠉ㹎㹕㹐
㹁㹆㸯
㹎㹍㹑㹇㹒㹇㹍㹌ࠉ㹀㹍㸿㹐㹂
㹄㹅㹄㹅
㹄㹅
㹁㹌㸮㸮㸵㸮
㹁㹌㸰㸰
㹁㹌㸰㸯
㹁㹌㸰㸮
㹆㹃㸿㹂ࠉ㹐㹃㹊㸿㹗ࠉ㹎㹁㹀
㹗㹊ࠉ㹋㹒㹐
㹗㹊ࠉ㹁㹌㹃㹌㹁
㹖㸫㹋㹒㹐㸰
㹖㸯㸫㹋㹒㹐㸯
㹖ࠉ㹑㹃㹐㹔㹍ࠉ㹋㹍㹒㹍㹐
㹖㸫㹃㹌㹁㸳
㹗ࠉ㹀㹃㸿㹐
㹁㸿㹀㹊㹃㹑
㸿㹑㹋
㹖㸯㸫㹃㹌㹁㸲
㹁㹌㹎㸱
㹁㹌㸰
㹁㹌㸯㹀
㹁㹌㸯㸿
㹃
㹁㹌㹎㸰
㹁㹌㹎㸯
㹄㹅
㹁㹌㹎㸱
㹁㹌㸰
㹁㹌㸯㹀
㹁㹌㸯㸿
㹃
㹁㹌㹎㸰
㹁㹌㹎㸯
㹄㹅
㹁㹌㹎㸱
㹁㹌㸰
㹁㹌㸯㹀
㹁㹌㸯㸿
㹃
㹁㹌㹎㸰
㹁㹌㹎㸯
㹄㹅
㹗㹐ࠉ㹑㹃㹐㹔㹍ࠉ㹂㹐㹇㹔㹃㹐
㹗㹊ࠉ㹑㹃㹐㹔㹍ࠉ㹂㹐㹇㹔㹃㹐
㹖ࠉ㹑㹃㹐㹔㹍ࠉ㹂㹐㹇㹔㹃㹐
㹁㹌ࠉ㹀㸱
㹁㹌ࠉ㹀㸱
㹁㹌ࠉ㸿㸳
㹇㹌㹎㹓㹒
㹁㹌㸰㸮㸮㸱
㹄㹅
㹔㸿㹁㹓㹓㹋ࠉ㹎㹓㹋㹎
㹎㹍㹕㹃㹐ࠉ
㹑㹓㹎㹎㹊㹗
㹓㹌㹇㹒ࠉ㹀
㸯㸫㸰㹀
㹁㹌ࠉ㸿㸯
㹁㹌ࠉ㸿㸳
㸰㸮㸮㹔
㹁㹌ࠉ㸿㸯
㹎㹍㹕㹃㹐ࠉ
㹑㹓㹎㹎㹊㹗
㹓㹌㹇㹒ࠉ㸿
㹒㹐㸿㹌㹑㹄㹍㹐㹋㹃㹐
㹁㹌㸰㸮㸮㸰
㸯㸫㸯㹀
㹋㸿㹇㹌ࠉ㹑㹕㹇㹒㹁㹆
㹄㹅
㹁㹌㸰㸮㸮㸯
㹁㹌ࠉ㸿㸵
㹁㹌ࠉ㸿㸵
㸳㸫㸯㸿
㸯㸫㸰㹁
㸿㹒㹖㸫㹎㸯
㸿㹁ࠉ㹇㹌
㸿㹒㹖ࠉ㹓㹌㹇㹒
㹄㹅
㹇㹌㹎㹓㹒
㹎㹃
㹌㹍㹇㹑㹃ࠉ㹄㹇㹊㹒㹃㹐
㹋㸿㹇㹌ࠉ㹑㹕㹇㹒㹁㹆
㹋㹁㹁㹀
㹌㹍㹒㹃㸯
㹊㸱
㹊㸰
㹊㸯
㹁㹌㸮㸴㸯㸮
㹁㹌㸮㸴㸮㸯
㹁㹌㸮㸴㸯㸲
㸰㸶
㸳㸱
㹐㹈㸲㸳ࠉ㹐㹃㹊㸿㹗
㹁㹍㹌㹌㹃㹁㹒㹍㹐
㹖㹗ࠉ㹀㹃㸿㹐
㹁㸿㹀㹊㹃㹑
㸿㹑㹋
㸳㸰
㸰㸱
㸯㸯㸯
㸲㸮
㸱㸶
㸱㸷
㸰㸯 㸰㸰
㸲
㸱㸰
㸯㸮㸶
㸯㸯㸮
㸯㸯㸮
㸯㸮㸷
㹀㹓㹎
㸦㹍㹎㸧ࠉ㹃㹌ࠉ㹑㹒㸿㹌㹂㸿㹐㹂
㹄㹇㹖ࠉ㹀㸿㹌㹉
㸯㸮㸷
㸲㸳
㹀㸿㹒㹒