Schmtic_GPX_07_.pdf - 第46页
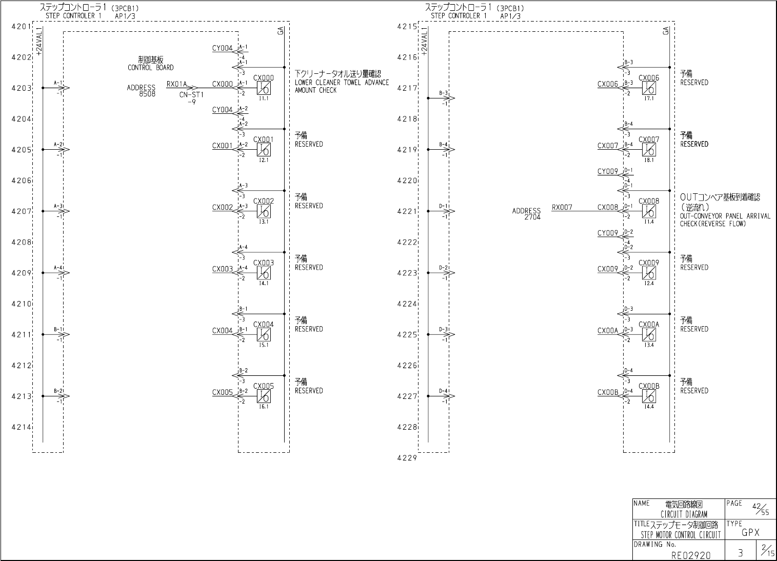
Downloaded at 2010/04/07 18:31 JST by 3PYM4216 DL#jdS6Xojc 4 3 0 1 4 3 0 2 4 3 0 3 o 七 s : cxooc c x o o c 15.4 4 - 3 0 4 : C X O O D E - 车 c x o o 4 3 0 5 16.4 4 3 0 6 3 : , C X O O E E - 寻卜 C X O O E 4 3 0 7 17.4 4 - 3…

Downloaded at 2010/04/07 18:31 JST by 3PYM4216 DL#jdS6Xojc
卜
口一
51
(
3
PCB
1
)
AP
1
/
3
.
丁夕
卜
口一
〕
1
(
3
PCB
1
)
STEP
CONTROLER
1
AP
1
/
3
STEP
CONTROLER
1
42
15
「
二
—
s
s
jA
-
1
CY
004
4216
3
予備
别十夕才腿麵認
LOWER
CLEANER
TOWEL
ADVANCE
AMOUNT
CHECK
CX
006
cxooo
RESERVED
RXOI
/
L
^
CN
-
ST
1
CXOOO
CX
006
ADDRESS
4217
8508
II
.
l
17.1
-
9
,
A
-
2
CY
004
42
1
8
予備
予備
CX
001
4
細
:
CX
007
RESERVED RESERVED
A
车
CX
0
Q
1
CX
007
4219
12. 1
18.1
CY
009
4220
3
予備
◦
UT
]
:
W
基板到着確認
(
織
)
OUT
-
CONVEYOR
PANEL
ARRIVAL
CHECKCREVERSE
FLOW
)
:
,
C X
0 0 2
CX
008
RESERVED
A
-
D
-
+
卜
'
11.4
CX
002
RX
007
CX
008
ADDRESS
4221
2704
[
3.1
4222
予備 予備
:
CX
003
CX
009
RESERVED RESERVED
A
-
车
CX
003
CX
009
4223
[
4.1
12.4
4224
3
予備
予備
n
,
CX
004
CX
00
A
RESERVED RESERVED
B
-
+
卜
D
-
+
卜
CX
004
CX
00
A
4225
[
5.1
13.4
4226
予備
予備
CX
005
:
CX
00
B
RESERVED RESERVED
CX
005
4227
16.1
14.4
4228
4229
電気回路綱
CIRCUIT
DIAGRAM
NAME
PAGE
42
55
TITLE
又
R
方
-
夕制御回路
STEP
MOTOR
CONTROL
CIRCUIT
TYPE
GPX
DRAWING
No
.
Ks
3
RE
02920
420
1
4202
4203
4
-
204
4205
4206
4207
4
-
208
4
-
209
4
-
2
1
0
4 2 1 1
4 2 1 2
4 2 1 3
4 2
U
i
(
N
+

Downloaded at 2010/04/07 18:31 JST by 3PYM4216 DL#jdS6Xojc
430
1
4302
4303
o
七
s
:
cxooc
cxooc
15.4
4
-
304
:
CXOOD
E
-
车
cxoo
4305
16.4
4306
3
:
,
CXOOE
E
-
寻卜
CXOOE
4307
17.4
4
-
308
:
CXOOF
E
-
令卜
CXOOF
4
-
309
18.4
4310
又
T
'
夕 卜
□
一
51
(
3
PCB
1
)
API
/
3
STEP
CONTROLER
1
43
1
5
43
16
予 備
RESERVED
4317
43
1
8
予 備
RESERVED
43
1
9
4320
予 備
RESERVED
4321
4322
RESERVED
4323
4324
431
1
4325
4312
4326
43
1
3
4327
4314
4328
4329
電気回路綱
CIRCUIT
DIAGRAM
NAME
PAGE
%
TITLE
又
R
方
-
夕制御回路
STEP
MOTOR
CONTROL
CIRCUIT
TYPE
GPX
DRAWING
No
.
XB
3
RE
02920
iCN
+

Downloaded at 2010/04/07 18:31 JST by 3PYM4216 DL#jdS6Xojc
卜
口一
51
(
3
PCB
1
)
STEP
CONTROLER
1
.
丁夕
卜
口一
〕
1
(
3
PCB
1
)
STEP
CONTROLER
1
API
/
3
API
/
3
4415
;
_
CQ
O
CQ
O
4416
予備 予備
CY
006
CY
000
RESERVED RESERVED
CN
3
-
3
,
CY
006
丫
000
44
-
17
01.1
02.4
4418
予備 予備
CY
001
CY
007
RESERVED
CN
3
-
3
03
-
3
^
7
-
丫
001
丫
007
RESERVED
44
-
19
02.1
03.4
4420
予備
予備
CY
002
CY
008
jgj
CN
3
-
j
^
cY
002
CN
3
-
3
-
Jgj
CN
3
-
j
^
CY
008
CN
3
-
3
RESERVED RESERVED
4421
6
0
04.4
03.1
4422
予備 予備
CY
003
CY
009
CN
3
-
j
^
CY
0
Q
3
ICN
3
-
3
iR
(
CY
009
圆
RESERVED RESERVED
4423
04.1
4424
予備
予備
CY
004
CY
00
A
CN
3
-
3
CY
004
CY
00
A
RESERVED RESERVED
4425
-
20
06.1
4426
予備
予備
CY
005
CYOOB
RESERVED
CN
3
-
3
ICN
3
-
3
CY
005
YOOB
RESERVED
4427
01.4 06.4
4428
4429
電気回路綱
CIRCUIT
DIAGRAM
NAME
PAGE
U
55
TITLE
又
R
方
-
夕制御回路
STEP
MOTOR
CONTROL
CIRCUIT
TYPE
GPX
DRAWING
No
.
XB
3
RE
02920
440
1
4402
4403
4404
4405
4406
4407
4408
4409
44
10
44
1 1
4 4 1 2
4 4 1 3
4
-
414
i
(
N
+