Schmtic_GPX_07_.pdf - 第87页
Downloaded at 2010/04/07 18:31 JST by 3PYM4216 DL#jdS6Xojc ( 1 PCB 5 ) U t - h I / O 1 AP 5 / 1 REMOTE I / O 1 8 4 1 5 8 4 1 6 洗浄剤歹邐検知 CLEANSING AGENT REMAINING CHECK 8 4 - 1 7 8 4 - 1 8 洗浄纖給下降端 CLEANSING AGENT SUPPLY LO…

Downloaded at 2010/04/07 18:31 JST by 3PYM4216 DL#jdS6Xojc
830
1
8315
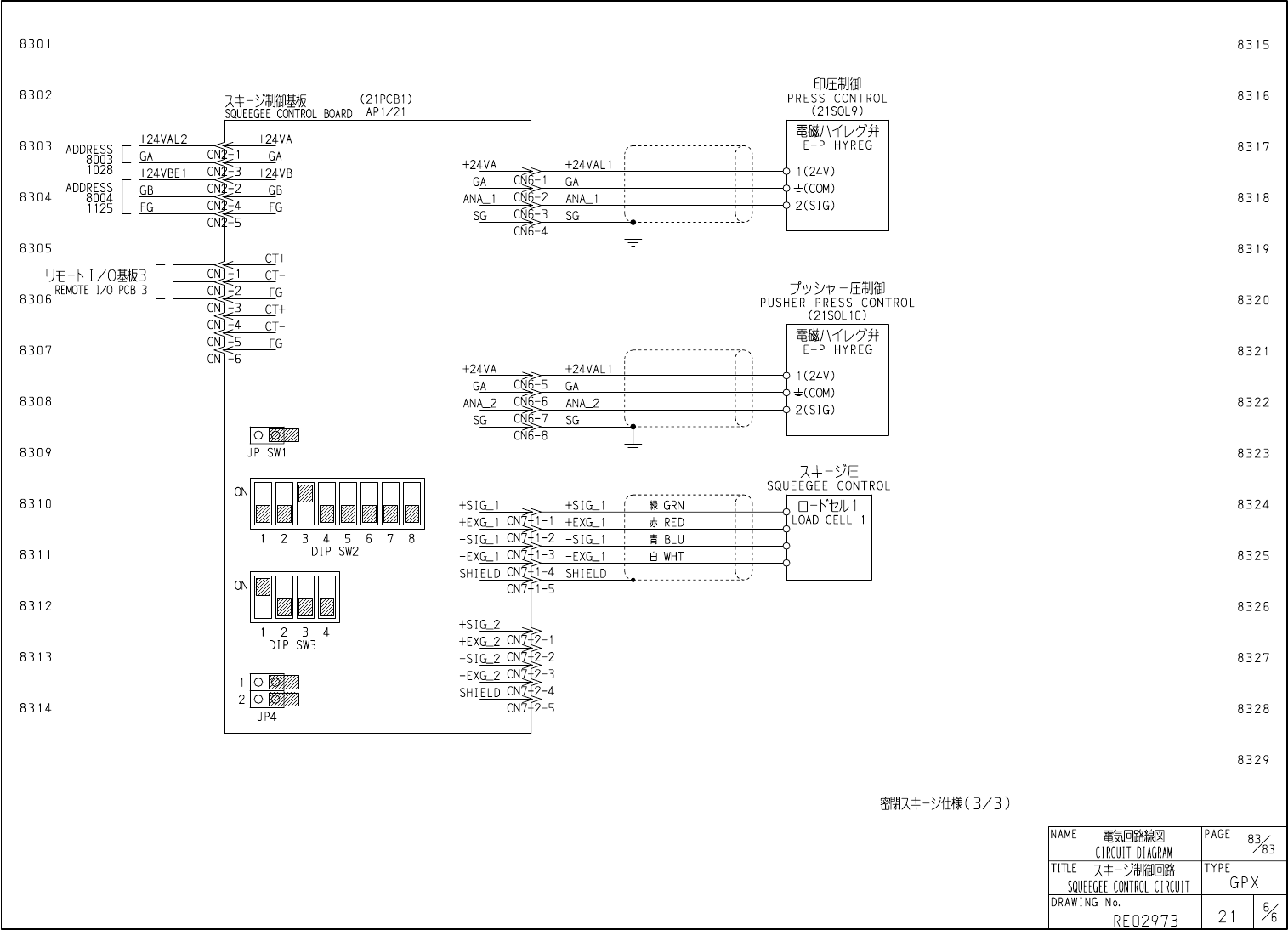
印圧制御
PRESS
CONTROL
(
21
SOL
9
)
8302
8316
^
l
'
SoLBQARD
AP
1
/
21
(
21
PCB
1
)
電磁八
<
1
/
夕
'
弁
E
-
P
HYREG
+
24
VA
+
24
-
VAL
2
8303
8317
ADDRESS
:
GA GA
8003
+
24
VA
+
24
VAL
1
Nfc
3
+
24
VB
1028
1
(
24
V
)
忐
(
COM
)
2
(
SIG
)
+
24
VBE
1
GA
ADDRESS
C
GB GB
8304
ANAJ
_
_
SG
CgC
~
3
SG
CNf
-
4
8004
-
8318
ANA
—
1
0
^
4
FG
FG
1125
CN
:
!
-
5
8305
8319
CT
+
ij
石
-
卜
I
/
O
基板
3
REMOTE
I
/
O
PCB
3
CNJ
^
I
CT
-
^
2
FG
^
3
CT
+
Ci
^
-
4
CT
-
CNl
-
5
FG
圧制御
PUSHER
PRESS
CONTROL
(
21
SOL
10
)
8306
8320
電磁八
<
L
/
夕
'
弁
E
-
P
HYREG
8307
8321
CN
-
6
+
24
VA
+
24
VAL
1
1
(
24
V
)
去
(
COM
)
2
(
SIG
)
CNl
GA GA
8308
ANA
_
2
CN
8322
ANA
2
C
^
7
SG SG
1
8309
JP
SW
1
8323
又牛一
9
圧
SQUEEGEE
CONTROL
ON
8310
□
-
KtJU
LOAD
CELL
1
8324
緑
GRN
+
SIG
_
1
+
EXG
_
1
-
SIG
_
1
-
EXG
_
1
SHIELD
+
SIG
1
CNW
-
1
+
EXG
1
赤
RED
-
2
-
SIG
1
12
3
4
5
6
7
8
DIP
SW
2
青
BLU
CN
7
-
M
omi
831
1
-
3
-
EXG
1
8325
白
WHT
1
-
4
-
SHIELD
i
ON
-
5
8312
8326
+
SIG
_
2
A
+
EXGL
2
CN
7
-
^
-
1
-
SIG
_
2
CN
沒
-
EXC
^
2
CNT
£
2
-
3
SHIELD
CN
7
g
-
4
cfm
2
-
5
12
3
4
-
DIP
SW
3
83
13
2
-
2
8327
8314
8328
8329
mM
-
v
\
±
m
3
/
3
)
電気回路線図
CIRCUIT
DIAGRAM
NAME
PAGE
83
.
,
83
TITLE
又牛
-
y
制御回路
SQUEEGEE
CONTROL
CIRCUIT
TYPE
GPX
DRAWING
No
.
%
21
REQ
2973

Downloaded at 2010/04/07 18:31 JST by 3PYM4216 DL#jdS6Xojc
(
1
PCB
5
)
Ut
-
h
I
/
O
1
AP
5
/
1
REMOTE
I
/
O
1
8415
8416
洗浄剤歹邐検知
CLEANSING
AGENT
REMAINING
CHECK
84
-
17
84
-
18
洗浄纖給下降端
CLEANSING
AGENT
SUPPLY
LOWER
LIMIT
8419
8420
洗浄纖給上昇端
CLEANSING
AGENT
SUPPLY
UPPER
LIMIT
8 4 2
1
8422
洗浄纖給旋回
ite
端
CLEANSING
AGENT
SUPPLY
ROTATION
DISENGAGED
23
8424
洗浄纖給旋回入
y
端
CLEANSING
AGENT
SUPPLY
ROTATION
ENGAGED
84
-
25
840
1
8402
8403
8404
8405
8406
8407
8408
8409
8410
8411
8412
8426
8413
8427
8414
8428
8429
電気回路綱
CIRCUIT
DIAGRAM
NAME
PAGE
84
87
TITLE
7
J
-
丈
-
制御回路
CLEANER
CONTROL
CIRCUIT
TYPE
GPX
DRAWING
No
.
X
31
RE
02981
S
(
31
LS
1
)
青
BLU
RX
009
JSN
3
Rm
7
|
9
l
^
B
20
HPQ
-
T
2
-
005
BRW
茶
SQ
1
/
31
黒
BLK
B
25
RXOOAjgJ
3
Rr
^
|
A
i
^
A
19
IZQ
.
(
31
LS
2
)
"
VC
D
-
F
9
B
SQ
2
/
31
B
25
RXOOBjgJ
3
Rf
^
B
i
^
B
19
1
^
0
(
31
LS
3
)
CN
3
"
V
:
D
-
F
9
B
B
25
SQ
3
/
31
!
RXOOC
RXOOC
^
^
lJl
^
I
-
AI
8
V
-
^
-
(
31
LS
4
)
ZC
130
A
SQ
4
/
31
B
25
!
rM
,
RXOOD
(
31
LS
5
)
CN
3
ZC
130
A
B
25
SQ
5
/
31
l
_
lVA
17
CVJ
+

Downloaded at 2010/04/07 18:31 JST by 3PYM4216 DL#jdS6Xojc
下 上 昇
SttlS
LOWER
CLEANER
UPPER
LIMIT
CHECK
CN
-
CL
:
RX
018
I
-
A
20
l
^
L
(
31
LS
6
)
-
B
8517
■
v
:
D
-
F
9
B
CN
-
CL
CN
3
C
茶
SQ
6
/
31
青
-
5
-
A
20
BRW
BLU
85
1
8
下夕
1
J
_
丈下降繼認
LOWER
CLEANER
LOWER
LIMIT
CHECK
:
RX
019
m
^
Lri
7
\
I
-
B
20
l
/
U
(
31
LS
7
)
85
19
<
3
^
V
•
:
D
-
F
9
B
CN
-
CL
CN
3
茶
5
Q
7
/
31
青
-
6
-
B
20
BRW
BLU
8520
C
31
LS
8
)
青
BLU
下
VJ
-
t
-
夕才
)
l
/
送星確認
LOWER
CLEANER
TOWEL
ADVANCE
AMOUNT
CHECK
CN
-
CL
:
rM
,
RX
01
A
I
-
AI
9
\
/
KJ
-
4
PM
-
U
4
-
P
黒
BLK
8521
<
5
^
茶
SQ
8
/
31
白
WHT
CN
-
CL
CN
3
BRW
-
2
-
A
19
未使用線纖処理
又亍夕力
j
卜口
-
5
ADDRESS
;
8522
4
-
203
RX
01
B
3
RX
01
M
8523
-
B
19
CN
-
CL
CN
3
-
8
-
B
19
8524
(
31
LS
10
)
g
BLU
CNOCV
下
7
J
_
丈待避位置確認
(
原位置確認
)
LOWER
CLEANER
RETRACT
POSITION
CHECK
(
ORIGIN
POSITION
CHECK
)
L
RX
01
C
I
-
A
18
K
U
-
3
PM
-
XU
-
P
黒
BLK
8525
茶
SQ
10
/
31
a
WHT
M
-
OCV
1
CN
-
OCV
1
CN
3
BRW
D
ON
-
2
-
A
18
未刪線
3
S
縁処理
夕
-
□
必回路
8526
ADDRESS
1617
CN
(
洗 浄 剤 正 常
)
RX
01
D
RX
01
DjgJ
3
园
8527
-
B
18
CN
3
PC
1
Q
R
10
-
B
18
"
S
PL
29
J
4
8528
FAN
5
AL
0
ADDRESS
PS
2805
-
1
8613
SML
-
310
MT
8529
Ut
-
hl
/
C
REMOTE
I
/
O
制 御 麵
(
M
0
PCB
1
)
BOARD
AP
1
/
M
0
s
5
850
1
8502
8503
8504
8505
8506
8507
8508
8509
85
10
851
1
8512
85
1
3
8514
Ut
-
h
1
/
02
(
1
PCB
6
)
REMOTE
I
/
O
2
AP
6
/
1
制御基板
(
M
0
PCB
1
)
BOARD
API
/
MO
s
o
(
31
LS
11
)
青
BLU
CN
-
OCV
|
1
黒
BLK
洗浄纏給待避位
1
確認
CLEANSING
AGENT
SUPPLY
RETRACT
POSITION
CHECK
RX
01
E
-
6
PM
-
M
4
-
PI
RXOlEj
^
3
M
茶
SGU
1
/
31
白
WHT
-
A
17
M
-
OCV
1
CN
-
OCV
1
CN
3
BRW
-
4
-
5
-
A
17
未使用織才
Ife
麵理
心夕一
□
妙回路
ADDRESS
1618
電気回路綱
CIRCUIT
DIAGRAM
NAME
PAGE
8
B
.
87
TITLE
7
J
-
丈
-
制御回路
CLEANER
CONTROL
CIRCUIT
TYPE
GPX
DRAWING
No
.
31
RE
02981
CVJIVAm
6
1
B
/
c
6
p
p
CN
—
IVA
17
CN
+