Schmtic_GPX_07_.pdf - 第84页
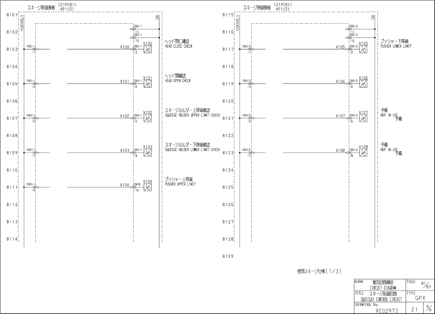
Downloaded at 2010/04/07 18:31 JST by 3PYM4216 DL#jdS6Xojc ( 21 PCB 1 ) API / 21 ( 21 PCB 1 ) API / 21 乂牛 - 獨卸麵 又牛 - y 制醒板 8 115 ' S S 誓 ; - 12 , CN 3 - 2 8 116 v 夕 mats HEAD CLOSE CHECK 力 、 > - 下降端 PUSHER LOWER …

Downloaded at 2010/04/07 18:31 JST by 3PYM4216 DL#jdS6Xojc
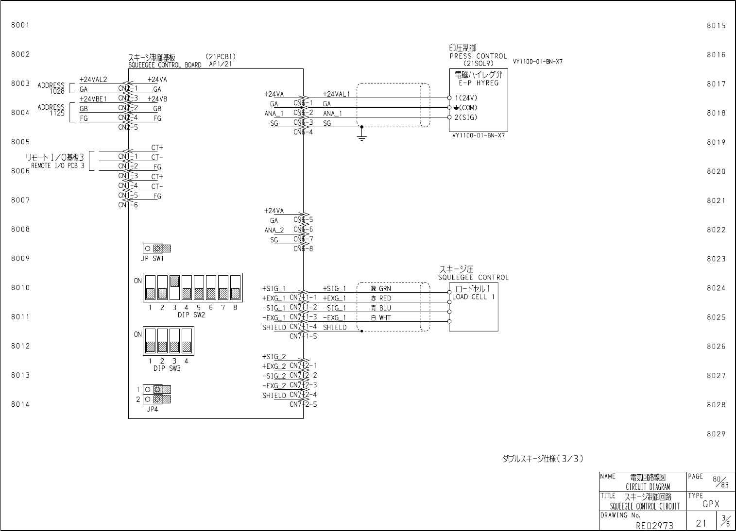
800
1
80
1
5
印圧制御
PRESS
CONTROL
(
21
SOL
9
)
8002
80
1
6
^
l
'
SoLBQARD
AP
1
/
21
(
21
PCB
1
)
VY
1100
-
01
-
BN
-
X
7
電磁八
<
1
/
夕
'
弁
E
-
P
HYREG
+
24
VA
+
24
-
VAL
2
8003
80
1
7
ADDRESS
:
GA GA
1028
+
24
VA
+
24
VAL
1
Nfc
3
+
24
VB
1
(
24
V
)
忐
(
COM
)
2
(
SIG
)
+
24
VBE
1
GA
ADDRESS
C
GB GB
8004
ANAJ
_
_
SG
CgC
~
3
SG
CNf
-
4
80
1
8
1125
ANA
—
1
0
^
4
FG
FG
CN
:
!
-
5
VY
1100
-
01
-
BN
-
X
7
8005
80
1
9
CT
+
ij
石
-
卜
I
/
O
基板
3
REMOTE
I
/
O
PCB
3
CNJ
^
I
CT
-
^
2
FG
^
3
CT
+
Ci
^
-
4
CT
-
CNl
-
5
FG
8006
8020
8007
802
1
CN
-
6
+
24
VA
GA
CN
^
5
ANA
_
2
C
^
6
SG
C
嗓
7
CN
$
-
8
8008
8022
8009
JP
SW
1
8023
又牛圧
SQUEEGEE
CONTROL
ON
8010
□
-
KtJU
LOAD
CELL
1
8024
緑
GRN
+
SIG
_
1
+
EXG
_
1
-
SIG
_
1
-
EXG
_
1
SHIELD
+
SIG
1
CNW
-
1
+
EXG
1
赤
RED
-
2
-
SIG
1
12
3
4
5
6
7
8
DIP
SW
2
青
BLU
CN
7
-
M
801
1
-
3
-
EXG
1
8025
白
WHT
-
4
-
SHIELD
i
ON
8012
8026
+
SIG
_
2
+
EXGL
2
CN
7
-
^
-
1
-
SIG
_
2
-
EXC
^
2
CN
7
j
2
-
3
SHIELD
CN
遣
-
4
om
2
-
s
12
3
4
-
DIP
SW
3
CN
^
80
1
3
2
-
2
8027
80
14
8028
8029
夕
7
儿乂牛
-
y
仕様
G
/
3
)
電気回路線図
CIRCUIT
DIAGRAM
NAME
PAGE
80
,
,
83
TITLE
又牛
-
y
制御回路
SQUEEGEE
CONTROL
CIRCUIT
TYPE
GPX
DRAWING
No
.
21
REQ
2973

Downloaded at 2010/04/07 18:31 JST by 3PYM4216 DL#jdS6Xojc
(
21
PCB
1
)
API
/
21
(
21
PCB
1
)
API
/
21
乂牛
-
獨卸麵
又牛
-
y
制醒板
8
115
'
S
S
誓
;
-
12
,
CN
3
-
2
8
116
v
夕
mats
HEAD
CLOSE
CHECK
力
、
>
-
下降端
PUSHER
LOWER
LIMIT
X
100
X
105
CN
3
-
CN
X
1
Q
5
8 1 1 7
8
1 1 8
V
夕
K
開確認
HEAD
OPEN
CHECK
X
101
X
106
-
3
i
xioi
X
106
8
119
-
3
8 1 2 0
又牛
-
滿砂
-
上昇
S
®
SQUEEGE
HOLDER
UPPER
LIMIT
CHECK
予備
X
102
X
107
NOT
IN
USE
CN
3
-
51
xio
^
LL
^
CN
-
51
CN
3
-
2
X
107
M
予備
8 1 2 1
-
6
8 1 2 2
又牛
-
m
夕
-
下降繼認
SQUEEGE
HOLDER
LOWER
LIMIT
CHECK
予備
X
103
X
108
NOT
IN
USE
CN
3
-
71
予備
8
123
8
1
24
力外
-
上昇端
PUSHER
UPPER
LIMIT
X
104
-
XI
04
jgJ
'
8
M
8 1 2 5
-
1 0
8 1 2 6
8
1
2 7
8
1
2 8
8
1 2 9
翻 乂 牛 仕 様
(
1
/
3
)
電気回路綱
CIRCUIT
DIAGRAM
NAME
PAGE
,
83
TITLE
又牛
-
夕制御回路
SQUEEGEE
CONTROL
CIRCUIT
TYPE
GPX
DRAWING
No
.
21
REQ
2973
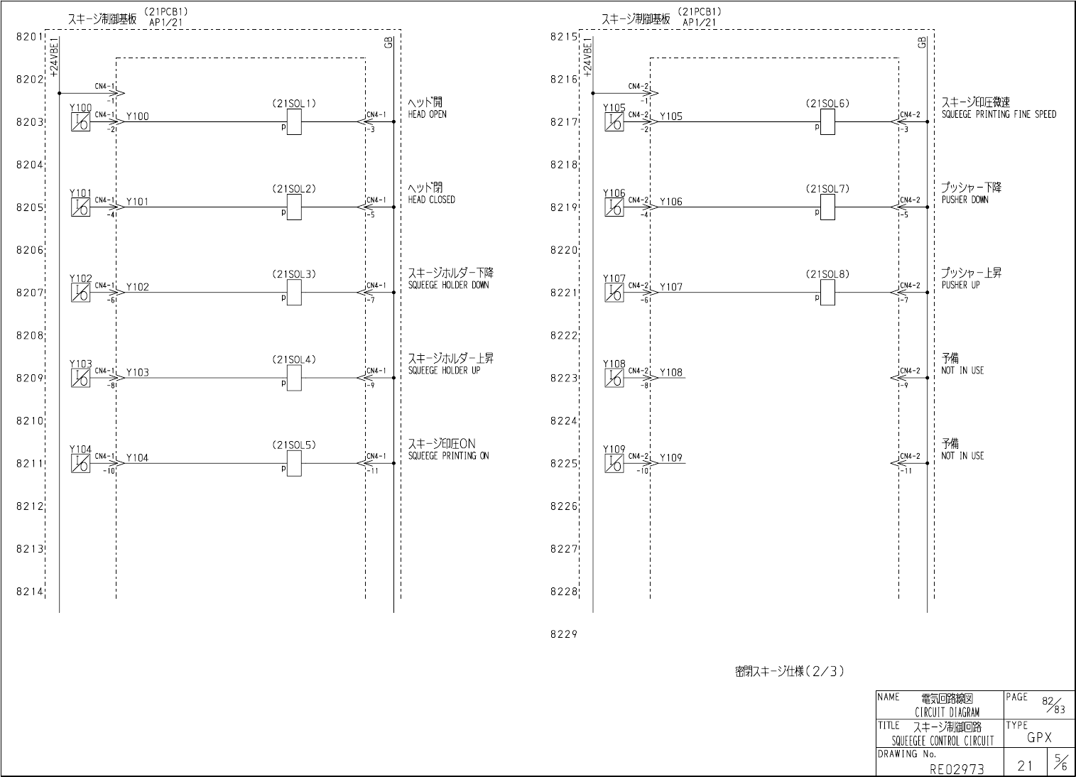
iCN
+

Downloaded at 2010/04/07 18:31 JST by 3PYM4216 DL#jdS6Xojc
8215
8216
W
K
'
開
HEAD
OPEN
8217
(
21
PCB
1
)
API
/
21
(
21
PCB
1
)
API
/
21
乂牛
-
獨卸麵
X
牛
-
獅麵
820
1
8202
8203
又牛
-
夕印圧微速
SQUEEGE
PRINTING
FINE
SPEED
8229
翻乂牛體
(
2
/
3
)
電気回路綱
CIRCUIT
DIAGRAM
NAME
PAGE
82
83
TITLE
又牛
-
y
'
制御回路
SQUEEGEE
CONTROL
CIRCUIT
TYPE
GPX
DRAWING
No
.
21
RE
02973
82
U
8228
8213
8227
8212
8226
8210
8224
又 牛 印 圧
ON
SQUEEGE
PRINTING
ON
予 備
NOT
IN
USE
8211
8225
8208
8222
又牛
_
娜
)
1
/
夕
-
上昇
SQUEEGE
HOLDER
UP
予備
NOT
IN
USE
8209
8223
8206
8220
又牛
-
y
亦儿夕
-
下降
SQUEEGE
HOLDER
DOWN
力外
-
上昇
PUSHER
UP
8207
8221
8204
8218
力外
-
下降
PUSHER
DOWN
WK
'
閉
HEAD
CLOSED
8205
8219
CD
o
CN
4
争
(
21
SOL
6
)
丫
105
^
jgJ
4
-
2
P
-
3
(
21
SCO
)
丫
106
^
jg
!
4
-
2
丫
106
P
-
B
(
21
SOL
8
)
丫
107
^
jgJ
4
-
2
丫
107
p
丫
108
-
2
-
9
丫
109
CN
4
-
•
ju
.
丫
109
CN
4
-
2
圆
-
10
-
II
CQ
O
CN
4
-
^
(
21
S
0
L
1
)
丫
1 0 0
,
,
4
-
1
i
-
3
Y
1
Q
0
P
(
21
S
0
L
2
)
丫
101
丫
101
p
-
5
(
21
S
0
L
3
)
丫
102
jQI
4
-
1
丫
102
p
(
21
S
0
L
4
)
丫
103
i
-
9
I
丫
103
P
(
21
S
0
L
5
)
丫
104
丫
104
^
)
014
-
1
M
P
-
10
13
CQA
17
CN
+
lLLJCQA
寸
CVJ
+