Schmtic_GPX_07_.pdf - 第64页
Downloaded at 2010/04/07 18:31 JST by 3PYM4216 DL#jdS6Xojc ( 1 1 E 1 ) E l / 1 1 ( 1 1 E 1 ) E l / 1 1 DMD 7 > ^ D M D A M P ( 1 3 S A 1 ) N 1 / 1 3 DMDTO ? D M D A M P ( 1 3 S A 1 ) N 1 / 1 3 6 1 0 1 6 1 1 5 M X A X …

Downloaded at 2010/04/07 18:31 JST by 3PYM4216 DL#jdS6Xojc
(
11
E
1
)
El
/
1 1
DMD
7
>
^
DMD
AMP
600
1
60
1
5
(
13
SA
1
)
N
1
/
13
肇
PG
0
^
3
6002
PG
2
60
1
6
t
PG
5
V
0
MX
軸 一 夕
GND
8
P
^
5
*
—
L
-
«
PQg
-
6
PGO
^
SSELL
6003
PG
5
V
1
3
1
60
1
7
GND
10
t
PS
0
2
6004
9
/
PS
0
60
1
8
PS
」
A
1
PG
1
-
1
-
PG
1
-
2
/
PS
1
A
6005
PS
2
6
60
1
9
PGI
^
—
-
«
PGJ
-
^
PGI
^
SSELL
MYLWt
-
d
^
-
夕
/
PS
一
2
13
PG
5
V
2
5
«
6006
GND
12
«
6020
«
14
«
6007
6021
PG
2
-
1
P
^
2
li
MY
R
耐
-
疵一夕
6008
6022
議
5
PG
2
-
$
HELL
6009
6023
6010
6024
601
1
6025
BACKUP
BAT
.
6012
6026
BACKUP
BAT
.
60
1
3
6027
60
14
BACKUP
BAT
.
6028
6029
電気回路線図
CIRCUIT
DIAGRAM
NAME
PAGE
60
,
,
61
TITLE
DMD
廿
-
ZK
制御回路
m
SERVO
CONTROL
CIRCUIT
TYPE
GPX
DRAWING
No
.
13
REQ
295
Q

Downloaded at 2010/04/07 18:31 JST by 3PYM4216 DL#jdS6Xojc
(
11
E
1
)
El
/
11
(
11
E
1
)
El
/
1 1
DMD
7
>
^
DMD
AMP
(
13
SA
1
)
N
1
/
13
DMDTO
?
DMD
AMP
(
13
SA
1
)
N
1
/
13
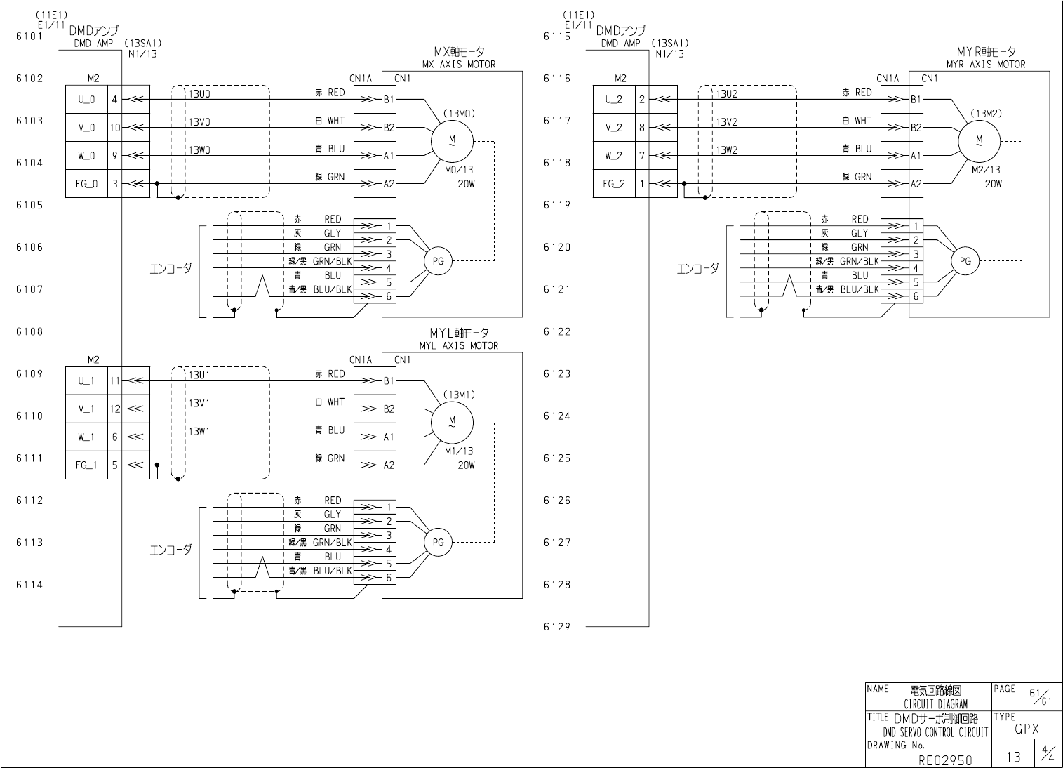
6101
6
115
MX
AXIS
MOTOR
MY
Rite
MYR
AXIS
MOTOR
6
102
M
2
6
116
M
2
赤
RED
赤
RED
13
U
0
13
U
2
4
U
_
0
U
_
2
2
白
WHT
白
WHT
6103
6
117
13
V
0
13
V
2
V
_
0
10
V
_
2
8
青
BLU
青
BLU
13
W
0
13
W
2
9
W
_
0
W
-
2
7
6104
6
118
縁
GRN
縁
GRN
FG
_
0
3
FG
_
2
6105
6
119
赤
RED
赤
RED
灰
GLY
灰
GLY
緑
GRN
縁
GRN
6106
6120
緑
/
黒
GRN
/
BLK
i
/
I
GRN
/
BLK
工
>
]
-
夕
,
工
>
]
_
夕
、
BLU
BLU
S
/
1
BLU
/
BLK
BLU
/
BLK
6
107
6121
6
1
08
MYUfe
-
夕
MYL
AXIS
MOTOR
6122
M
2
CN
1
A
赤
RED
6109
6
1
23
13
U
1
B
1
U
_
1
白
WHT
13
V
1
V
_
1
12
B
2
6110
6
1
24
青
BLU
13
W
1
6
A
1
W
_
1
緑
GRN
6111
6125
FGLI
5
A
2
赤
RED
6112
6126
灰
GLY
2
緑
GRN
3
6113
i
/
I
GRN
/
BLK
6
1
27
工
:
V
]
-
夕
、
4
BLU
5
n
/
M
BLU
/
BLK
6
6 1 1 4
6
1
2 8
6
1
2 9
電気回路綱
CIRCUIT
DIAGRAM
NAME
PAGE
%
TITLE
DMD
廿
-
■
御回路
SERVO
CONTROL
CIRCUIT
TYPE
GPX
DRAWING
No
.
X
13
REQ
295
Q

Downloaded at 2010/04/07 18:31 JST by 3PYM4216 DL#jdS6Xojc
(
1
PCB
6
)
AP
6
/
1
6215
6216
廿
-
水運転準備完了
SERVO
READY
OK
6217
62
1
8
廿
-
仍
-
厶
SERVO
ALARM
6219
6220
位麵完了
1
POSITIONING
COMPLETE
1
6221
6222
位麵完了
2
POSITIONING
COMPLETE
2
6223
6224
位完
73
POSITIONING
COMPLETE
3
6225
6226
位獅完了
4
POSITIONING
COMPLETE
4
6227
6228
ADDRESS
7721
PC
57
RX
011
A
ADDRESS
7722
PS
2732
-
1
ADDRESS
6924
:
RX
010
I
-
A
24
CN
3
-
A
24
RX
011
RX
01
CN
3
-
B
24
心夕一
□
夕夕回路
ADDRESS
1620
:
rM
,
RX
012
I
-
A
23
CN
3
-
A
23
:
RX
013
I
-
B
23
ADDRESS
7124
CN
3
-
B
23
:
RX
014
I
-
A
22
IZSI
ADDRESS
7324
CN
3
-
A
22
RX
015
RX
015
^
N
3
ADDRESS
7524
CN
3
-
B
22
Ut
-
hl
/
C
REMOTE
I
/
O
制御麵
(
M
0
PCB
1
)
BOARD
AP
1
/
M
0
s
620
1
6202
6203
6204
6205
6206
6207
6208
6209
62
10
6211
6212
6213
62
U
Ut
-
h
1
/
02
(
1
PCB
6
)
REMOTE
1
/
0
2
AP
6
/
1
制御基板
(
M
0
PCB
1
)
BOARD
AP
1
/
M
0
s
位麵完了
5
POSITIONING
COMPLETE
5
RX
016
3
RX
01
M
ADDRESS
7724
-
A
2
I
CN
3
-
A
21
PC
58
擎告
MNING
J
4
:
RX
017
mn
^
Lrr
7
\
:
-
B
2
I
3
e
~
»
CN
3
PS
2805
-
1
-
B
21
SML
-
310
MT
RX
017
A
ADDRESS
6928
ADDRESS
7128
ADDRESS
7328
ADDRESS
7528
ADDRESS
7728
電気回路綱
CIRCUIT
DIAGRAM
NAME
PAGE
6
^
77
TITLE
外付时制御回路
STO
WITH
OUTSIDE
CONTROL
CIRC
TYPE
GPX
JIT
DRAWING
No
.
U
RE
02961
CNJ
1
VA
对
CSI
+
1
csl
lVAtcsl
+
CN
1
VA
17
CN
+