Schmtic_GPX_07_.pdf - 第75页
Downloaded at 2010/04/07 18:31 JST by 3PYM4216 DL#jdS6Xojc z \ m - i r : 7 y y Z 1 A X I S M O T O R ( 1 4 - S A 3 ) Z 1 A X I S S E R V O A M P N 3 / U 7 2 0 1 7 2 1 5 R H 1 7 4 3 0 M 3 R 2 1 4 - U 3 V L I U 6 - 7 2 0 2…

Downloaded at 2010/04/07 18:31 JST by 3PYM4216 DL#jdS6Xojc
制御麵
(
M
0
PCB
1
)
CONTROL
BOARD
AP
1
/
M
0
制御基板
(
M
0
PCB
1
)
CONTROL
BOARD
API
/
MO
1
(
14
SA
2
~
)
:
N
2
/
14
-
!
15
CQ
O
CNIBi
-
13
'
昏
GB
COM
CN
-
SV
1
-
26
CN
GA
SG
-
10
,
CN
-
SV
1
-
27
「
(
14
SA
2
~
)
■
N
2
/
14
71
PC
19
KH
03
ADDRESS
<
c
门
G
6921
PL
9
R
19
二
CN
'
K
1405
ADDRESS
RD
7320
PS
2805
-
1
-
21
SML
-
310
MT
PC
2
Q
KU
04
ADDRESS
6922
PL
10
cm
'
jk
ALM
2
G
,
K
1406
ADDRESS
ALM
7322
-
18
CN
-
SVP
2.7
kQ
-
22
SML
-
310
MT
PS
2805
-
1
PC
21
J
4
PL
11
3
RXQ
13
ADDRESS
MEND
e
6209
PS
2805
-
1
-
23
SML
-
310
MT
Mnn
iCNiB
EMG
)
ADDRESS
:
ADDRESS
7103
6904
7303
CN
1
B
ADDRESS
ADDRESS
7104
<
SON
6905
-
15
CD
o
7304
7105
CN
-
CAM
3
-
4
16
CN
-
CAM
3
CN
-
CAM
3
CN
-
SV
1
7106
-
2
-
6
-
24
-
^
N
,
B
LSN
7107
<
5
^
17
CN
-
CAM
3
CN
-
SV
1
-
25
IB
RY
015
ADDRESS
7 1 08
ST
1
6313
|
-
8
CN
-
SV
1
-
28
jCNIB
RY
026
ADDRESS
7 1 0 9
6503
CN
-
SV
1
;
_
9
-
32
IB
RYQ
16
ADDRESS
7 1 1 0
DIO
6317
CN
-
SV
1
;
-
5
-
29
iCNIB
RY
017
ADDRESS
7 1 1 1
6319
1
-
14
CN
-
SV
1
-
30
7 1 1 2
C N
1
B U D
CN
1
B
COMMON
CN
1
B
SG
CN
1
B
SG
運転準備完了
READY
75
~
h
ALARM
位麵完了
FIN
三菱電搬
D
又亍厶
(
5
/
11
)
電気回路綱
CIRCUIT
DIAGRAM
NAME
PAGE
TITLE
外付时制御回路
STO
WITH
OUTSIDE
CONTROL
CIRC
TYPE
GPX
JIT
DRAWING
No
.
%
u
RE
02961
iCNIA
RY
018
ADDRESS
予備
(
軸
②
)
NOT
IN
USE
(
AXIS
2
)
7
113
RY
021
ADDRESS
6321
CN
-
SV
1
;
_
8
6419
CN
-
SV
1
-
33
-
20
1
A
RYQ
19
ADDRESS
敬生
Ma
WARNING
7 1 1 4
DI
3
CN
WNG
2
RX
017
A
ADDRESS
WNG
6323
19
CN
-
SV
1
6222
CN
-
SV
1
-
34
-
31
7
129
L
7
116
非常停止
EMERGYENCY
STOP
廿
-
獅
SERVO
ON
7
118
7
119
c
丫軸卜
sw
+
LIMIT
SW
7
120
C
丫軸一奶卜
SW
7 1 2 1
運転開始
START
7 1 2 2
-
時停止
STP
7
1
23
?
'
-
夕
0
DATA
0
7
1
24
?
-
夕
1
DATA
1
7 1 2 5
7 1 2 6
夕
2
DATA
2
7
1
27
夕
3
DATA
3
7
1 2 8
ncaA
对
CVJ
+
CSI
1
VA
对
CNI
+
s

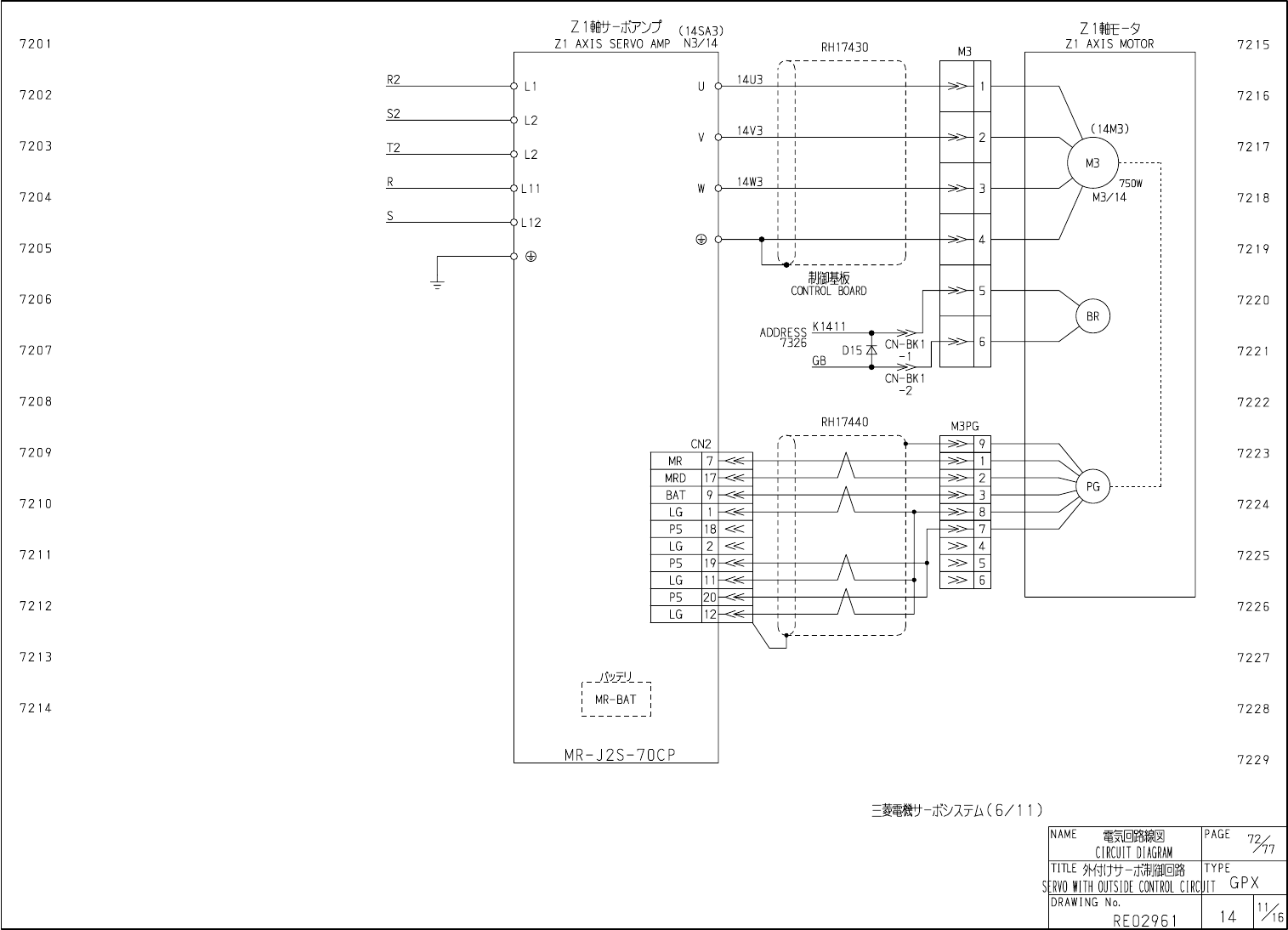
Downloaded at 2010/04/07 18:31 JST by 3PYM4216 DL#jdS6Xojc
z
\
m
-
ir
:
7
yy
Z
1
AXIS
MOTOR
(
14
-
SA
3
)
Z
1
AXIS
SERVO
AMP
N
3
/
U
720
1
7215
RH
17430
M
3
R
2
14
-
U
3
V
LI
U
6
-
7202
7216
S
2
■
O
L
2
(
14
-
M
3
)
14
-
V
3
2
V
<
>
7203
7217
T
2
O
L
2
M
3
R
HW
3
750
W
々
L
11
W
C
>
3
7204
M
3
/
14
-
72
18
S
OL
12
®
y
-
4
7205
7219
C
0
«
L
5
7206
7220
K
14
J
1
ADDRESS
6
7326
CN
-
BK
1
7207
D
152
I
7221
GB
CN
-
BK
1
-
2
7208
7222
RH
17440
M
3
PG
9
CN
2
»
7209
7223
MR
7
MRD
17
2
PG
BAT
9
3
72
10
7224
8
LG
P
5
18
7
«
LG
2
A
«
»
7211
7225
P
5
19
5
»
6
LG
»
P
5
20
7212
7226
LG
12
72
13
7227
ll
&
_
MR
-
BAT
72
14
7228
MR
-
J
2
S
-
70
CP
7229
三菱電嫩
-
於乂
1
亍厶
(
6
/
11
)
電気回路線図
CIRCUIT
DIAGRAM
NAME
PAGE
72
77
TITLE
mn
-
mmm
S
10111
OUTSIDE
CONTROL
CIRC
TYPE
GPX
JIT
DRAWING
No
.
^
6
U
REQ
2961

Downloaded at 2010/04/07 18:31 JST by 3PYM4216 DL#jdS6Xojc
!
PLU
R
?
,
MEND
-
4
-
0
SML
-
310
MT
<
c
门
G
!
PL
12
poo
Cr
-
CN
RD
-
38
SML
-
310
MT
PL
13
cm
ALM
3
G
,
ALM
-
18
CN
-
SVP
2.7
kQ
-
39
SML
-
310
MT
PC
22
KH
05
ADDRE
7121
K
1407
ADDRE
7520
PS
2805
-
1
PC
23
K
1406
ADDRE
7122
K
1408
ADDRE
7522
PS
2805
-
1
PC
24
J
4
3
RXQ
14
ADDRE
e
6211
PS
2805
-
1
CN
WNG
3
RX
017
A
ADDRESS
WNG
6223
CN
-
SV
1
-
48
7329
L
PMR
6
—
]
+
24
VBL
1
K
1411
PL
118
R
1
18
ADDRE
MBR
7221
I
-
50
SML
-
31
OMT
G
3
VM
-
61
E
1
RY
022
ADDRESS
6421
CN
-
SV
1
-
37
制御基板
(
M
0
PCB
1
)
CONTROL
BOARD
API
/
MO
1
(
14
SA
3
~
)
:
N
3
/
14
-
!
73
15
CD
O
5
CNIBi
-
13
'
昏
GB
COM
CN
-
SV
1
-
43
CN
GA
SG
-
10
,
CN
-
SV
1
-
44
制御麵
(
M
0
PCB
1
)
BOARD
AP
1
/
M
0
「
(
14
SA
3
~
)
■
N
3
/
14
Mnn
ICNIB
_
ADDRESS
:
ADDRESS
7104
7503
CN
1
B
ADDRESS
ADDRESS
<
SON
7105
-
15
CD
o
7504
CN
-
TB
1
-
4
16
CN
-
TB
1
CN
-
TB
1
CN
-
SV
1
-
2
-
6
-
41
^
N
,
B
LSN
<
5
^
17
CN
-
TB
1
CN
-
SV
1
-
42
IB
RY
01
A
ADDRESS
ST
1
6325
|
-
8
CN
-
SV
1
-
45
jCNIB
RY
027
ADDRESS
6505
CN
-
SV
1
;
_
9
-
49
IB
RYQ
1
B
ADDRESS
DIO
6327
CN
-
SV
1
;
-
5
-
46
iCNIB
RY
01
C
ADDRESS
6403
1
-
14
CN
-
SV
1
-
47
<
^
N
IA
DI
2
|
-
8
<
^
N
IA
DI
3
19
730
1
7302
7303
7304
7305
7306
7307
7308
7309
7310
731
1
7312
73
1
3
73
14
CN
1
BUD
CN
1
B
COMMON
CN
1
B
SG
CN
1
B
SG
運転準備完了
READY
75
~
h
ALARM
位麵完了
FIN
ZDV
-
牛
Z
1
BRAKE
予備
(
軸
③
)
NOT
IN
USE
(
AXIS
3
)
敬生
言口
WARNING
三菱電搬
-
於亍厶
(
7
/
11
)
電気回路綱
CIRCUIT
DIAGRAM
NAME
PAGE
%
TITLE
外付时制御回路
STO
WITH
OUTSIDE
CONTROL
CIRClJIT
TYPE
GPX
DRAWING
No
.
%
u
RE
02961
73
16
非常停止
EMERGYENCY
STOP
7317
廿
-
獅
SERVO
ON
73
1
8
73
1
9
zm
+
^
^
sw
+
LIMIT
SW
7320
Zli
-
U
^
'
^
hSW
7321
運転開始
START
7322
-
時停止
STP
7323
?
'
-
夕
0
DATA
0
7324
?
-
夕
1
DATA
1
7325
7326
夕
2
DATA
2
7327
夕
3
DATA
3
7328
§
6
rn
s
nCQA
17
CN
+
CSI
—
IVA
对
CNI
+