Schmtic_GPX_07_.pdf - 第96页
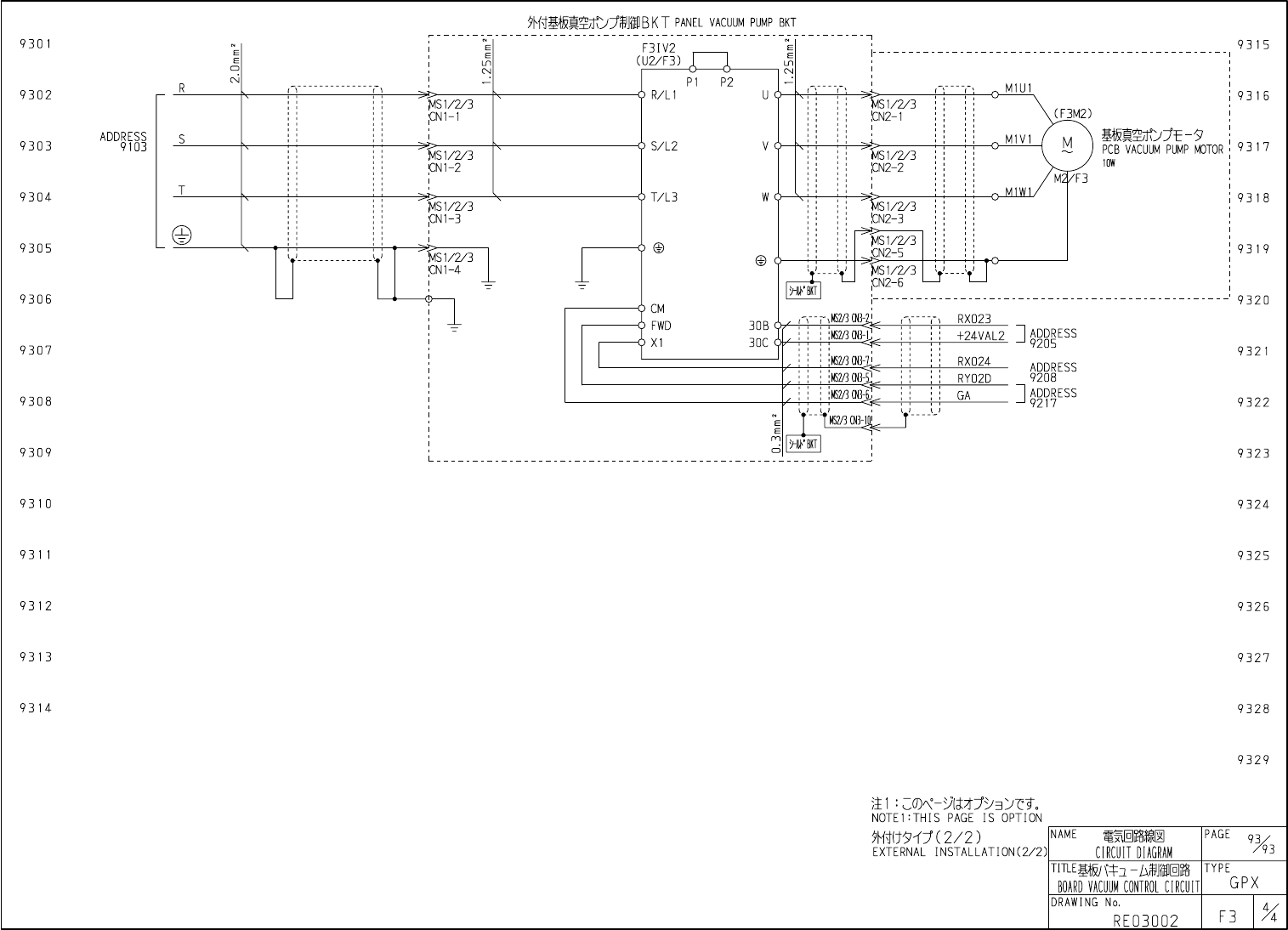
Downloaded at 2010/04/07 18:31 JST by 3PYM4216 DL#jdS6Xojc 外付基板真空 y l t 力 1 御 B K T P A N E L V A C U U M P U M P B K T F 3 I V 2 ( U 2 / F 3 ) 0 > PI P 2 ■ 6 R / L 1 U M S I / 2 / 3 C N 1 - 1 1 / 2 / 3 ICN 2 - 1 ■ 6 …

Downloaded at 2010/04/07 18:31 JST by 3PYM4216 DL#jdS6Xojc
Ut
-
hI
/
03
REMOTE
I
/
O
3
制御麵
(
MOPCBO
CONTROL
BOARD
AP
1
/
M
0
920
1
CN
s
PANEL
VACUUM
PUMP
BKT
外腦及真就乂
?
制御
BKT
!
(
F
~
3
P
~
so
"
i
"
iu
"
1
9202
F
3
P
5
CN
-
pP
2
>
|
>
RX
022
jc
:
N
3
微
2
F
3
PSI
:
CN
-
pP
2
CN
4
二
23
四
BLI
-
I
3
荼 隱
SP
1
/
F
3
CN
-
pP
2
i
F
3
PSI
々
3
-
1
-
2
9204
PANEL
VACUUM
PUMP
BKT
外付基板真岛切制御
BKT
^
RX
023
JCN
3
Rr
^
i
3
CN
-
]
0
P
2
CN
4
I
:
B
23
l
/
UJ
ADDRESS
9205
11
CN
-
|
0
P
2
-
4
9321
B
|
23
-
6
9206
F
3
F
2
/
3
i
!
rM
。
RX
024
—
<
3
^
^
>
RX
024
<
j
^
—
rry
CN
-
I
0
P
2
cm
'
-
A
22
H
6
-
A
22
9207
ADDRESS
9208
9321
9209
-
A
I
CHJ
4
RY
02
F
RY
02
言卜
⑶
4
-
A
2
CW
4
RY
02
E
1
9218
基板
O
八
-
夕正常
PANEL
INVERTER
OK
9219
9220
基板温度匕
H
-
;
(
正常
PANEL
THERMO
FUSE
OK
9221
9222
9223
1
开
—
卜
1
/
03
(
1
PCB
7
)
REMOTE
1
/
0
3
AP
7
/
1
制御基板
(
1
PCB
7
)
AP
7
/
1
(
MOPCBO
CONTROL
BOARD
API
/
M
0
9215
'
Cvj
S
PANEL
VACUUM
PUMP
BKT
外付基板真空如制御
BKT
9216
<
3
^
基板八牛
]
一厶圧力
SIS
PANEL
VACUUM
PRESSURE
CHECK
-
A
3
;
CN
4
RY
02
D
RY
02
ADDRESS
9217
^
t
>
9322
-
B
3
CN
4
CN
-
^
P
2
CN
-
DP
2
-
;
8
9229
注
i
:
cox
-
ytt
才
NOTE
1
:
THIS
PAGE
IS
OPTION
外付
(
例艾
(
1
/
2
)
EXTERNAL
INSTALLATIONC
1
/
2
)
電気回路綱
CIRCUIT
DIAGRAM
NAME
PAGE
92
93
TITLE
基浦
]
-
厶制御回路
BOARD
VACUUM
CONTROL
CIRCUIT
TYPE
GPX
DRAWING
No
.
F
3
RE
03002
CONIPI
9225
5
(
F
3
PS
2
)
9212
9226
;
MIt
CN
^
N
3
CN
-
FAN
3
-
2
FAN
3
AL
ADDRESS
9213
9227
CN
名
N
3
1809
DP
9
-
'
3
set
:
OFF
9214
L
9228
921
0
'
L
9224
PANEL
VACUUM
PUMP
ON
OPTION
]
>
S
:
7
基板吸着八牛
]
-
厶
ON
PANEL
VADUUM
PUMP
ON
OPTION
□
^
7
S
«
i
/
»
2
-
/
\
OFF
PANEL
VAEUUM
PUMP
ON
OPTION
CD
C
5
(
F
3
SOL
1
)
Ml
P
HSOLIi
CN
-
DP
2
!
CN
_
p
0
P
2
-
i
9
<
3
^
CN
-
p
^
F
CN
-
DP
2
P
2
nCQAm
cl

Downloaded at 2010/04/07 18:31 JST by 3PYM4216 DL#jdS6Xojc
外付基板真空
ylt
力
1
御
BKT
PANEL
VACUUM
PUMP
BKT
F
3
IV
2
(
U
2
/
F
3
)
0
>
PI
P
2
■
6
R
/
L
1
U
MSI
/
2
/
3
CN
1
-
1
1
/
2
/
3
ICN
2
-
1
■
6
S
/
L
2
V
6
-
1
/
2
/
3
'
CN
1
-
2
S
1
/
2
/
3
;
CN
2
-
2
fcl
/
Z
!
CN
2
-
3
々
T
/
L
3
W
(
>
MSI
/
2
/
3
CN
1
-
3
;
MS
1
/
2
/
3
〉
gN
2
-
5
;
MS
1
/
2
/
3
:
CN
2
-
6
■
Q
®
MSI
/
2
/
3
CN
1
-
4
V
@
6
-
|
HTB
?
T
|
n
CM
,
-
r
-
nH
$
_
3
-
私
FWD
30
B
MS
2
/
3
CN
3
-
30
C
X
1
m
CN
3
-
j
|
CN
3
-
9315
M
1
U
1
O
9316
(
F
3
M
2
)
基板真制
:
y
方
-
夕
PCB
VACUUM
PUMP
MOTOR
M
1
V
1
M
■
o
9317
10
W
M
2
/
F
3
M
1
W
1
■
O
9318
9319
■
O
9320
RX
023
+
24
VAL
2
"
1
ADDRESS
J
9205
ADDRESS
9208
"
1
ADDRESS
-
1
9217
9321
RX
024
RY
02
D
GA
9322
9323
930
1
R
9302
ADDRESS
S
9303
9103
9304
©
9305
9306
9307
9308
9309
9310
9324
931
1
9325
9312
9326
93
13
9327
93
14
9328
9329
注
i
:
cox
-
ytt
才
N
0
TE
1
:
THIS
PAGE
IS
OPTION
外付
(
例艾
(
2
/
2
)
EXTERNAL
INSTALLATION
(
2
/
2
)
電気回路線図
CIRCUIT
DIAGRAM
NAME
PAGE
,
93
TITLE
_
ff
]
-
厶制御回路
BOARD
VACUUM
CONTROL
CIRCUIT
TYPE
GPX
DRAWING
No
.
X
F
3
RE
03002
■
ZEES
ZEEQ
.
CN

Downloaded at 2010/04/07 18:31 JST by 3PYM4216 DL#jdS6Xojc
92 0
1
92 02
92 03
(
21
PCB
1
)
API
/
21
乂牛
-
獨卸麵
921 5
92 16
八
:
V
夕
'
隨検出
SOLDER
REMAINING
DETECTION
92 1 7
922 9
注
i
:
cox
-
ytt
才
NOTE
1
:
THIS
PAGE
IS
OPTION
電気回路綱
CIRCUIT
DIAGRAM
NAME
PAGE
92
93
TITLE
八
;
y
夕
'
自動供給制御回路
S
)
LD
[
R
AUTO
SUPPLY
CONTROL
CIRClJIT
TYPE
GPX
DRAWING
No
.
22
RE
03010
9214
9228
9213
9227
9212
9226
92
9225
92
0
9224
9208
9222
八
>
夕
、
供給装蜃前進繼認
SOLDER
SUPPLY
UNIT
ADVANCE
CHECK
9209
9223
9206
9220
下降端確認
SYRINGE
LOWER
LIMIT
CHECK
9207
9221
9204
9218
、
:
/
切上昇繼認
SYRINGE
UPPER
LIMIT
CHECK
9205
9219
s
OPTION
X
109
!
X
10
A
X
10
A
-
2
iCN
5
0
X
10
B
XI
0
B
JiN
5
M
L
-
^
>
<
^
r
-
6
X
10
C
-
3
11
ICVJ
+