JM-10_维修调整要领书.pdf - 第144页
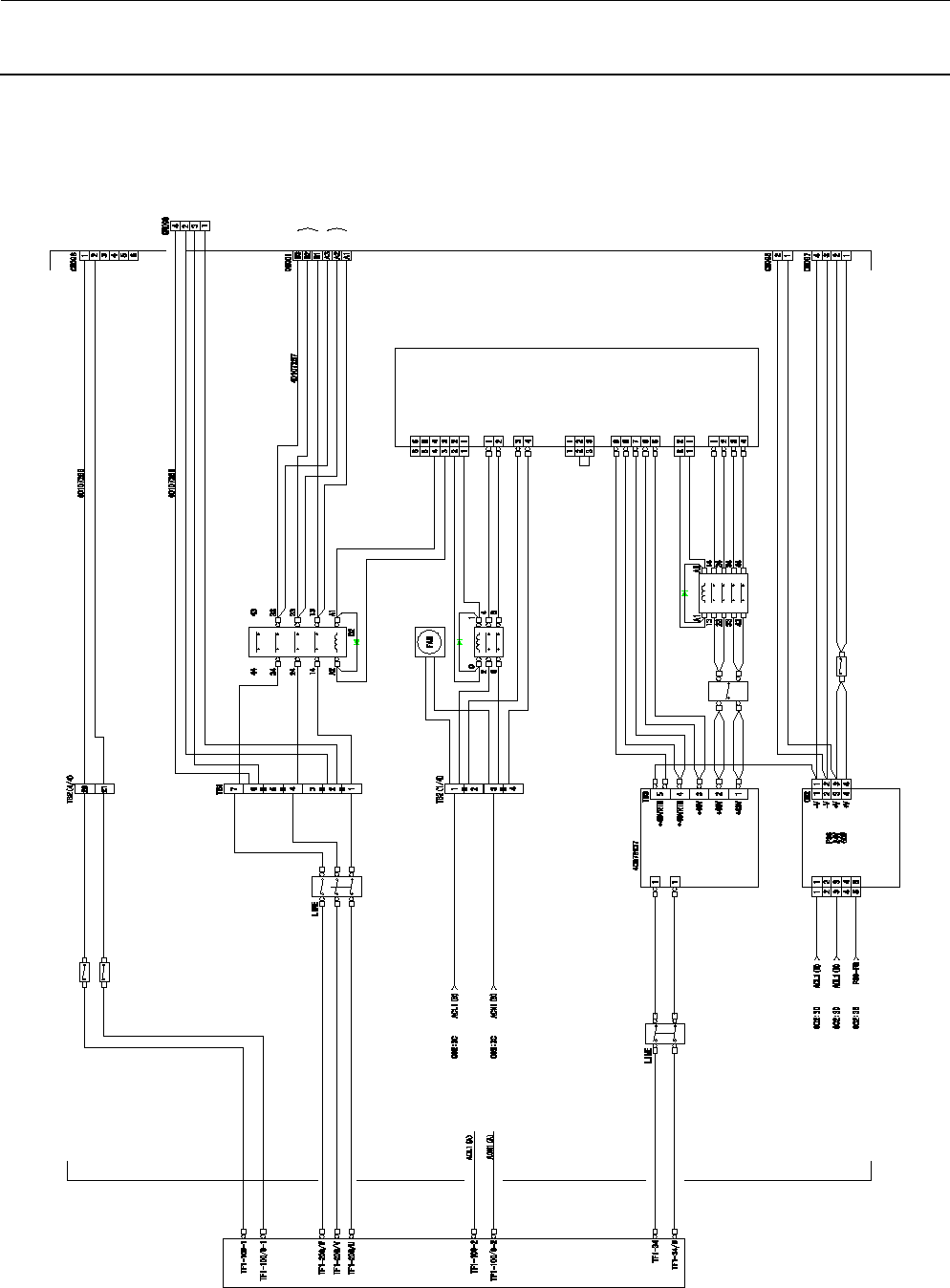
维修调整要领 书 13-8 AC (L ) AC (N ) N. C. N. C. FG CN 1 AC (L ) AC (N ) N. C. N. C. FG CN 1 CO SE L LC A1 00S- 12 Y AC (L ) AC (N ) N. C. N. C. FG CN 1 AC (L ) FG AC (N ) TB 1 CO SE L LD A3 00W- 24 TB 4 TB 3 TB 3 TB 4 TB 3 TB …

维修调整要领书
13-7
ACL1(B)
ACN1(B)
TB5
RL1
G7L-2A-BUBJ(24V)
+24VRTN
CARRY_SV_ON
CN036
D1
ACL1(C)
ACN1(C)
TB5
POWER-UNIT FAN
+24VRTN
SV_ON11
+24VRTN
SV_ON11
RL4
D4
G7J-4A-T(24V)
+48UN(B)
+48UN(B)
+24VRTN
SV_ON11
CN035
+48UN(A)
+48UN(A)
TB7
FAN_STOP
+24VRTN
+24V
CN037
+48UN
+48UN
+48UNRTN(C)
+48UNRTN(A)
TB7
+48UNRTN(B)
CP5 20A
FUJI CP51BS/020
AC34V_L
TB1
AC34V_N
TB2
Z/T POWER PCB
002:2C
POWER-UNIT INSID E
POWER-PCB(1/2)
TF1
RL2
L12
L11
ACR2
ACS2
ACT2
ACR2
ACS2
ACT2
(XY-DRV POWER)
LOAD
LOAD
CP8 3A
IDEC NRW10-3A
+24VZ
+24VZ
+24VZRTN
+24VZRTN
+24VZ
+24VZRTN
(ZT-DRIVER POWER )
(VOLTAGE CHECK)
AWG20
L12
L11
Y SERVO AMP MAIN POWER
X SERVO AMP MAIN POWER
AC(L)
AC(N)
N.C.
N.C.
FG
CN1
COSEL LCA50S-24Y
AWG20
AWG20
AWG20
AWG22
AWG22
AWG22
G7J-4A-B(DC24V)
40107259
40045322
40045323
40045324
40045326
40045325
40045327
002:2C
40045339
40045357 (2/2)
40045364
40045365
40107271 (1/3)
40107263
40107256
40107258
40045316
40045317
40045318
40045319
AC100L
N.C.
N.C.
(VACUUM PUMP)
AC100N
N.C.
N.C.
40107273
40107274
40107275(1/2)
40107278(2/2)
CP13 6A
P&B W28XQ1A-6
CP14 6A
P&B W28XQ1A-6
CP1 7.5A
FUJI CP53BS/020
CP2 7.5A
FUJI CP52BS/015
图 13-3-1-2-3 电源装置的连接图(1/2)

维修调整要领书
13-8
AC(L)
AC(N)
N.C.
N.C.
FG
CN1
AC(L)
AC(N)
N.C.
N.C.
FG
CN1
COSEL LCA100S- 12 Y
AC(L)
AC(N)
N.C.
N.C.
FG
CN1
AC(L)
FG
AC(N)
TB1
COSEL LDA300W- 24
TB4
TB3
TB3
TB4
TB3
TB4
TB4
TB3
TB4
TB3
+3.3V
GND
CP7 3A
IDEC NRW10-3 A
CP6 20A
FUJI CP51BS/ 02 0
COSEL LCA50S-3
+5V
+5V
+5V
+5V
GND
GND
GND
+12V
+12VRTN
CP9 8A
IDEC NRW10-8 A
CP10 3A
IDEC NRW10-3 A
-12V
-12VRTN
COSEL LCA50S-1 2Y
CP11 15A
IDEC NRW10-1 5A
+24V
+24VRTN
CN034
N.C.
+12VRTN
+24VON12
RL5
G7L-2A-BUBJ( 12 V)
002:2C
001:2B
001:2D
001:2D
001:2D
POWER-UNIT INSIDE
POWER-PCB(2/ 2)
001:2B
AC(L)
AC(N)
N.C.
N.C.
FG
CN1
COSEL LCA100S- 5Y
TB1
+3.3V
+5V
+5V
+5VR
+5VR
+12V
-12V
+24V
40025579
40025578
TB2
GND(B)
GND(A)
GND(A)
GND(A)
+12VRTN
-12VRTN
+24VRTN
40076777
TB6
+24VS
+24VSRTN
(SAFETY UNIT P OW ER )
40107260
40045333
40045334
40045335
40045336
40045354
40107261
40045368
40045342
40045344
40045346
40045348
40045350
40045352
40045337
40045357 (2/ 2)
40107271 (3/ 3)
40107271 (2/ 3)
40107265
40107264
40107275(2/2 )
40107276
40107278(2/2 )
40107277(1/2 )
40107277(2/2 )
001:2D
002:2D
40116315 (1/ 3)
002:2D
002:2D
40116315 (2/ 3)
COSEL ADA600F- 24
40116315 (3/ 3)
CN094
CN095
+24VM
+24VMRTN
40116316
40116317
CP3 12A
P&B W28XQ1A-12
CP4 12A
P&B W28XQ1A-12
+24VMRTN
+24VMRTN
+24VMRTN
+24VMRTN
CP15 25A
FUJI CP51BS/ 02 5
+24VM
+24VM
+24VM
+24VM
40116318
40116320
40116319
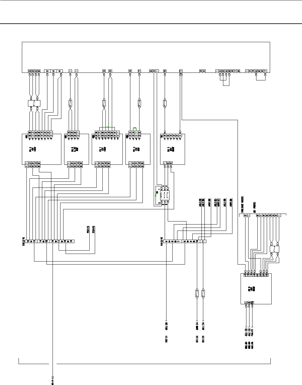
图 13-3-1-2-4 电源装置的连接图(2/2)

维修调整要领书
13-9
ACL1(B)
ACN1(B)
TB5
+24VRTN
CARRY_SV_ON
CN036
ACL1(C)
ACN1(C)
TB5
POWER-UNIT FAN
+24VRTN
SV_ON11
+24VRTN
SV_ON11
+48UN(B)
+48UN(B)
+24VRTN
SV_ON11
CN035
+48UN(A)
+48UN(A)
TB7
FAN_STOP
+24VRTN
+24V
CN037
+48UN
+48UN
+48UNRTN(C)
+48UNRTN(A)
TB7
+48UNRTN(B)
CP5 20A
FUJI CP51BS/020
AC34V_L
TB1
AC34V_N
TB2
Z/T POWER PCB
002:2C
POWER-UNIT INSID E
POWER-PCB(1/2)
CP2 7.5A
FUJI CP52BS/015
LOAD
CP8 3A
IDEC NRW10-3A
+24VZ
+24VZ
+24VZRTN
+24VZRTN
+24VZ
+24VZRTN
(ZT-DRIVER POWER )
(VOLTAGE CHECK)
AC(L)
AC(N)
N.C.
N.C.
FG
CN1
COSEL LCA50S-24Y
AWG22
40107267
40045322
40045323
40045324
002:2C
40045339
40045357 (2/2)
40107271 (1/3)
40107263
CP1 7.5A
FUJI CP53BS/020
LOAD
40045316
40045319
SAFETY-UNIT
(XY-DRV POWER)
TF1
ACR2
ACS2
ACT2
ACR2
ACS2
ACT2
Y SERVO AMP MAIN POWER
X SERVO AMP MAIN POWER
L12
L11
L12
L11
Y SERVO AMP CTRL POWER
Y SERVO AMP CTRL POWER
SAFETY-UNIT
40107272
40045358
40107268
40107269
40045355
40107256
40045374
AC100L
N.C.
N.C.
(VACUUM PUMP)
AC100N
N.C.
N.C.
CP13 6A
P&B W28XQ1A-6
TF1
40107275(1/2)
CP14 6A
P&B W28XQ1A-6
40107273
40107274
40107278(2/2)
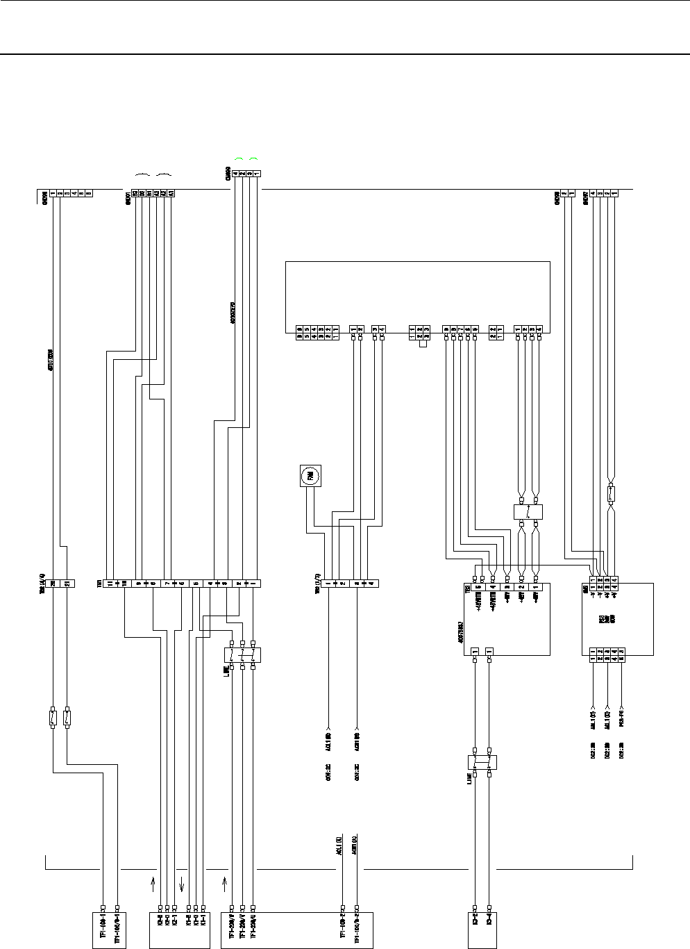
图 13-3-1-2-5 电源装置的连接图 (EN) (1/2)