FUJI NXTIIIC 配件清单.pdf - 第154页
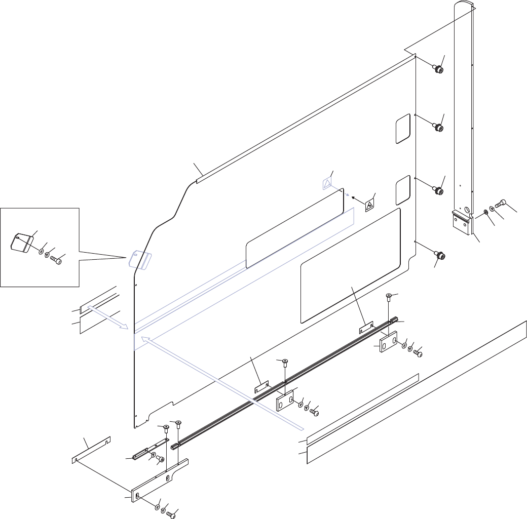
31 32 33 34 1 2 6 7 8 5 13 13 13 13 10 11 12 4 2 2 24 25 26 19 20 21 19 20 21 3 23 18 18 22 22 14 14 16 15 16 15 27 17 17 ࢩ࣮࣒ࣞࢫ࢝ࣂ࣮࣮࣋ࢫ㛫 6($0/(66&29(5%(7:((1%$6( 2UGZKM000200 154 PTS-NXT3c-01JE
ࡇࡢ࣮࣌ࢪࡣࣈࣛࣥࢡ࣮࣌ࢪ࡛ࡍ
↔亥ᱟオⲭ亥
This page is intentionally blank.
153
PTS-NXT3c-01JE

31
32
33
34
1
2
6
7
8
5
13
13
13
13
10
11
12
4
2
2
24
25
26
19
20
21
19
20
21
3
23
18
18
22
22
14
14
16
15
16
15
27
17
17
ࢩ࣮࣒ࣞࢫ࢝ࣂ࣮࣮࣋ࢫ㛫
6($0/(66&29(5%(7:((1%$6(
2UGZKM000200
154
PTS-NXT3c-01JE

SEAMLESS COVER (BETWEEN BASE)
シームレスカバー (ベース間)
2UGZKM000200
No. Dr
g
.No. & Code No. QTY Descri
p
tion Ratin
g
Materials Remarks
番号 図番 & コード番号 個数 品名
規
格材質 備考
1 PT02313 1 RAIL, LOWER レール 下 AL
2 H67952 3 BOLT, HEX SOCKET ボルト 六角穴 M04X010 ゴクテイトウ(3カ シロ) FE
3 2MGZKM000200 1 BKT, COVER BKT カバー FE
4 H67952 2 BOLT, HEX SOCKET ボルト 六角穴 M04X010 ゴクテイトウ(3カ シロ) FE
5 2MGTBB015003 1 STAND スタンド FE
6 H5428N 2 BOLT, HEX SOCKET ボルト 六角穴 M08X025(3カシロ) FE
7 W1106G 2 WASHER, LOCK ワッシャ ス
プ
リン
グ
8M
/
M(3カシロ) FE
8 W1108G 2 WASHER, FLAT ワッシャ 平 4W-8(3カ シロ) FE
10 2MGZKM000101 1 COVER カバー FE
11 H5426K 2 BOLT, HEX SOCKET ボルト 六角穴 M04X008(3カ シロ) FE
12 W1106D 2 WASHER, LOCK ワッシャ ス
プ
リン
グ
4M
/
M(3カ シロ) FE
13 H67817 4 BOLT,HEX SOCKET WASHER ASSY ボルト 六角穴座金付 M04X010 CAPセムス P=3(3カ シロ) FE
14 PZ25391 2 SEAL シール PL
15 PZ45970 2 TAPE テー
プ
OT
16 2MGLKM001600 2 TAPE テー
プ
OT
17 2MGLKM001500 2 TAPE テー
プ
OT
18 PM49083 2 BKT BKT OT
19 K5258Z 4 SCREW, HEX SOCKET BUTTON 小ネジ 六角穴ボタン M05X015(3カ シロ) FE
20 W1106E 4 WASHER, LOCK ワッシャ ス
プ
リン
グ
5M
/
M(3カ シロ) FE
21 W1108C 4 WASHER, FLAT ワッシャ 平 5M
/
MX1.0X10(3カシロ) FE
22 PB077G0 2 SHIM シム FE Note.1 t=0.5
23 PM0F2Y1 1 BKT BKT FE
24 K5258Z 2 SCREW, HEX SOCKET BUTTON 小ネジ 六角穴ボタン M05X015(3カ シロ) FE
25 W1106E 2 WASHER, LOCK ワッシャ ス
プ
リン
グ
5M
/
M(3カ シロ) FE
26 W1108C 2 WASHER, FLAT ワッシャ 平 5M
/
MX1.0X10(3カシロ) FE
27 2MGLKM000100 1 SHIM シム FE Note.2 t=0.5
31 PB33361 1 RETAINER, COVER 押え カバー FE T
p
arts
32 H5426M 1 BOLT, HEX SOCKET ボルト 六角穴 M04X012(3カ シロ) FE
33 W1106D 1 WASHER, LOCK ワッシャ ス
プ
リン
グ
4M
/
M(3カ シロ) FE
34 W1043C 1 WASHER, FLAT ワッシャ 平 4W- 4(3カシロ) FE
Note.1:[Interchangeable parts/選択部品] PB077G0(t=0.5),PB077H0(t=1.0)
Note.2:[Interchangeable parts/選択部品] 2MGLKM000100(t=0.5),2MGLKM000200(t=1.0)
155
PTS-NXT3c-01JE