FUJI NXTIIIC 配件清单.pdf - 第274页
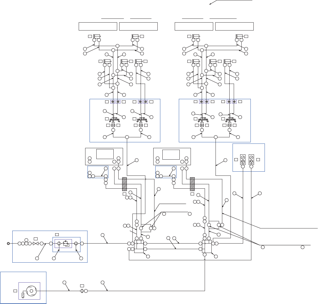
正圧 POS PRESS NEG PRESS 負圧 ベー ス手前か ら 見て左か ら のM3モジ ュ ールの番号 M3 MODULE NUMBER FROM THE LEFT SIDE OF THE FRONT SIDE B:ア ン ク ラ ン プ Aでク ラン プ B: UNCLAMP A : CLAMP B:ア ン ク ラ ン プ Aでク ラン プ B: UNCLAMP A : CLAMP B:ア ン ク ラ ン プ Aでク ラン …
ࡇࡢ࣮࣌ࢪࡣࣈࣛࣥࢡ࣮࣌ࢪ࡛ࡍ
↔亥ᱟオⲭ亥
This page is intentionally blank.
273
PTS-NXT3c-01JE

正圧
POS PRESS NEG PRESS
負圧
ベース手前から見て左からのM3モジュールの番号
M3 MODULE NUMBER FROM THE LEFT SIDE OF THE FRONT SIDE
B:アンクランプ
Aでクランプ
B: UNCLAMP
A
: CLAMP
B:アンクランプ
Aでクランプ
B: UNCLAMP
A
: CLAMP
B:アンクランプ
Aでクランプ
B: UNCLAMP
A
: CLAMP
B:アンクランプ
Aでクランプ
B: UNCLAMP
A
: CLAMP
前側
FRONT SLIDE
前側
FRONT SLIDE
後側
REAR SLIDE
後側
REAR SLIDE
MODULE Z CLAMP MODULE Y CLAMP
モジュールYクランプモジュールZクランプ
MODULE Z CLAMP MODULE Y CLAMP
モジュールYクランプモジュールZクランプ
メータ アウト
METER OUT
メータ アウト
METER OUT
メータ アウト
METER OUT
メータ アウト
METER OUT
メータ アウト
METER OUT
METER OUT
メータ アウト
METER OUT
メータ アウト
METER OUT
メータ アウト
モジュール側
MODULE SIDE
モジュール側
MODULE SIDE
吸着ノズル用真空ポンプ
VACUUM PUMP FOR NOZZLES
バキュームバックアップ仕様時取付け
SET WHEN VACUUM BACK-UP PIN IS USED
バキュームバックアップ仕様時取付け
SET WHEN VACUUM BACK-UP PIN IS USED
WHEN VACUUM BACK-UP PIN IS USED
SHOULD BE CHANGED TO
[2] [1]
(φ32×25 4ヶ) (φ32×25 4ヶ)
M1LS25A M1LS25B
M1LS24A M1LS24B
M1LS15B M1LS15A
M1LS14B M1LS14A
φ6 φ6 φ6 φ6
φ6φ6
φ6 φ6 φ6 φ6 φ6 φ6
φ6 φ6
φ6
φ6
φ6
φ6 φ6 φ6
φ8 φ8
φ6 φ6 φ6 φ6
φ6 φ6
φ6 φ6 φ6 φ6 φ6 φ6
φ6 φ6
φ6 φ6
φ6 φ6 φ6 φ6
φ8 φ8
M5 M5
φ12×2列
φ10
φ8 φ8
φ12φ12
φ10
φ12×2列
φ4
−59kPa
0.4MPa
2ヶ2ヶ
BA BA BA BA
IIII
φ4
φ16
3/8
φ10 φ10
3/8
φ16
φ16
φ16
2ヶ
2ヶ
2ヶ
0.5MPa
φ12×2列
φ10
2ヶ
φ12×2列
φ10
2ヶ
JJ
J
(φ63×81)(φ63×81)
φ6
φ6
201
WHEN VACUUM BACK-UP PIN IS USED
SHOULD BE CHANGED TO
φ16 φ16
JJ
129 129
131
130
133
132
33333333
32
32
3333
JJK
138
137
125 125
134 134
36 36
37
37
135
136
32
32
3333
126
126
IIII
G
HH
G
HH
121
121
120 120
35 35
34
121
121
118
25
28
27
22
31
30 29
112
111
113
139
202
203
701
702
503
25
28
27
22
31
30 29
112
111
113
139
202
203
201 701
702
503
601
22
12
26
501 502115114
501
12
21 17
13 1411
20
18
19
28
122
104
22
10 17
69
24 23 18
6
117116
19
12
26
501
502
105
109
123
A
B
103102101
8124
5
67
C
D
107 108
16
EF
LL
15 15
106
601
119
G
HH
G
HH
121
121
121
120 120
121
110
35 35
34
12
K
128
127
125
124124
36 36
37
37
133
132
132
3333
3333
135
126
126
125
J
129 129
131
130
3333
32
32
32
32
3333
3
501
12
0,,,F࣮࣋ࢫ
0,,,F%$6(
2UGZBA000112
274
PTS-NXT3c-01JE

2M IIIc-BASE 10/
2M IIIc-ベース 10/
2UGZBA000112
No. Dr
g
.No. & Code No. QTY Descri
p
tion Ratin
g
Materials Remarks
番号 図番 & コード番号 個数 品名
規
格材質 備考
1 S61265 1 SOCKET ソケット KK130S-11B OT
2 K61738 1 COUPLER カ
プ
ラ KK130P-03MS OT
3 H1282A 1 PIPE, DOUBLE ENDED パイ
プ
両口 3
/
8X 25 FE
4 PM0F3F3 1 MANIFOLD, AIR マニホールド エアー OT
5 A3036A 1 PLUG 埋栓 PT3
/
8FE
6 Y60248 3 UNION, ELBOW ユニオン エルボ KQ2L16-03AS OT
7 Y60241 1 UNION, ELBOW ユニオン エルボ KQ2H16-03AS OT
8 Y60261 1 UNION, ELBOW ユニオン エルボ KQ2V16-03AS OT
9 Y60263 1 UNION, ELBOW ユニオン エルボ KQ2VF08-03AS OT
10 Y60265 1 UNION, ELBOW ユニオン エルボ KQ2Z12-04AS OT
11 Y60253 1 UNION, HALF ユニオン ハーフ KQ2S16-03AS OT
12 A61137 2 ELBOW エルボ KQ2L10-00A OT
13 Y60258 1 UNION ユニオン KQ2U08-03AS OT
14 A61135 1 ELBOW エルボ KQ2L04-08A OT
15 Y60181 2 UNION, ELBOW ユニオン エルボ KQ2L04-M5A OT
16 A61139 1 ELBOW エルボ KQ2L16-99A OT
17 Y60245 2 UNION, ELBOW ユニオン エルボ KQ2L10-03AS OT
18 Y60249 2 UNION, ELBOW ユニオン エルボ KQ2L16-04AS OT
19 PM0GMM2 2 MANIFOLD マニホールド OT
20 Y60254 1 UNION, HALF ユニオン ハーフ KQ2S16-04AS OT
21 Y60260 1 UNION ユニオン KQ2U12-04AS OT
22 S3081M 8 SLEEVE スリー
ブ
TJ-1208 OT
23 H3327B 1 BUSHING
ブ
シュ SUTPB14 OT
24 Y60195 1 UNION, ELBOW ユニオン エルボ KQ2L04-01AS OT
25 S5026T 2 SOCKET ソケット KK4S-10L-X42 OT
26 A61138 4 ELBOW エルボ KQ2L12-00A OT
27 Y60259 2 UNION ユニオン KQ2U12-00A OT
28 A61009 4 ELBOW エルボ KQ2L12-99A OT
29 Y60246 2 UNION, ELBOW ユニオン エルボ KQ2L12-04AS OT
30 PM09MY1 2 ADAPTER アダ
プ
タFE
31 S5026B 2 SOCKET ソケット K4-04SH OT
32 Y60222 8 UNION ユニオン KQ2U06-00A OT
33 Y60243 16 UNION, ELBOW ユニオン エルボ KQ2L06-01NS OT
34 Y60275 2 UNION ユニオン KQ2U08-00A OT
35 Y60252 4 UNION, HALF ユニオン ハーフ KQ2S08-01AS OT
36 Y60244 4 UNION, ELBOW ユニオン エルボ KQ2L06-02AS OT
37 Y60255 4 UNION ユニオン KQ2T06-00A OT
101 PZ39870 1 TUBE チュー
ブ
OT
102 PZ58890 1 TUBE チュー
ブ
OT
103 PZ58900 1 TUBE チュー
ブ
OT
104 PZ39990 1 TUBE チュー
ブ
OT
105 PZ61370 1 TUBE チュー
ブ
OT
106 2MGTBA006500 1 TUBE チュー
ブ
OT
107 PZ60290 1 TUBE チュー
ブ
OT
108 2MGTBB008700 1 TUBE チュー
ブ
OT
109 PZ61380 1 TUBE チュー
ブ
OT
110 PZ22300 1 TUBE チュー
ブ
OT
111 PZ60130 2 TUBE チュー
ブ
OT
112 PZ60140 2 TUBE チュー
ブ
OT
113 PZ60230 2 TUBE チュー
ブ
OT
114 PZ60150 1 TUBE チュー
ブ
OT
275
PTS-NXT3c-01JE