FUJI NXTIIIC 配件清单.pdf - 第308页
MODULE Z CLAMP MODULE Z CLAMP MODULE Z CLAMP MODULE Z CLAMP MODULE Z CLAMP MODULE Z CLAMP MODULE Z CLAMP MODULE Z CLA MP B:ア ン ク ラ ン プ Aでク ラ ンプ B: UNCLAMP A : CLAMP B:ア ン ク ラ ン プ Aでク ラ ンプ B: UNCLAMP A : CLAMP B:ア ン ク ラ ン…
ࡇࡢ࣮࣌ࢪࡣࣈࣛࣥࢡ࣮࣌ࢪ࡛ࡍ
↔亥ᱟオⲭ亥
This page is intentionally blank.
307
PTS-NXT3c-01JE

MODULE Z CLAMP MODULE Z CLAMP MODULE Z CLAMP MODULE Z CLAMP MODULE Z CLAMP MODULE Z CLAMP MODULE Z CLAMP MODULE Z CLAMP
B:アンクランプ
Aでクランプ
B: UNCLAMP
A
: CLAMP
B:アンクランプ
Aでクランプ
B: UNCLAMP
A
: CLAMP
B:アンクランプ
Aでクランプ
B: UNCLAMP
A
: CLAMP
B:アンクランプ
Aでクランプ
B: UNCLAMP
A
: CLAMP
B:アンクランプ
Aでクランプ
B: UNCLAMP
A
: CLAMP
B:アンクランプ
Aでクランプ
B: UNCLAMP
A
: CLAMP
B:アンクランプ
Aでクランプ
B: UNCLAMP
A
: CLAMP
B:アンクランプ
Aでクランプ
B: UNCLAMP
A
: CLAMP
M3 MODULE NUMBER FROM THE LEFT SIDE OF THE FRONT
FRONT SLIDE
REAR SLIDE
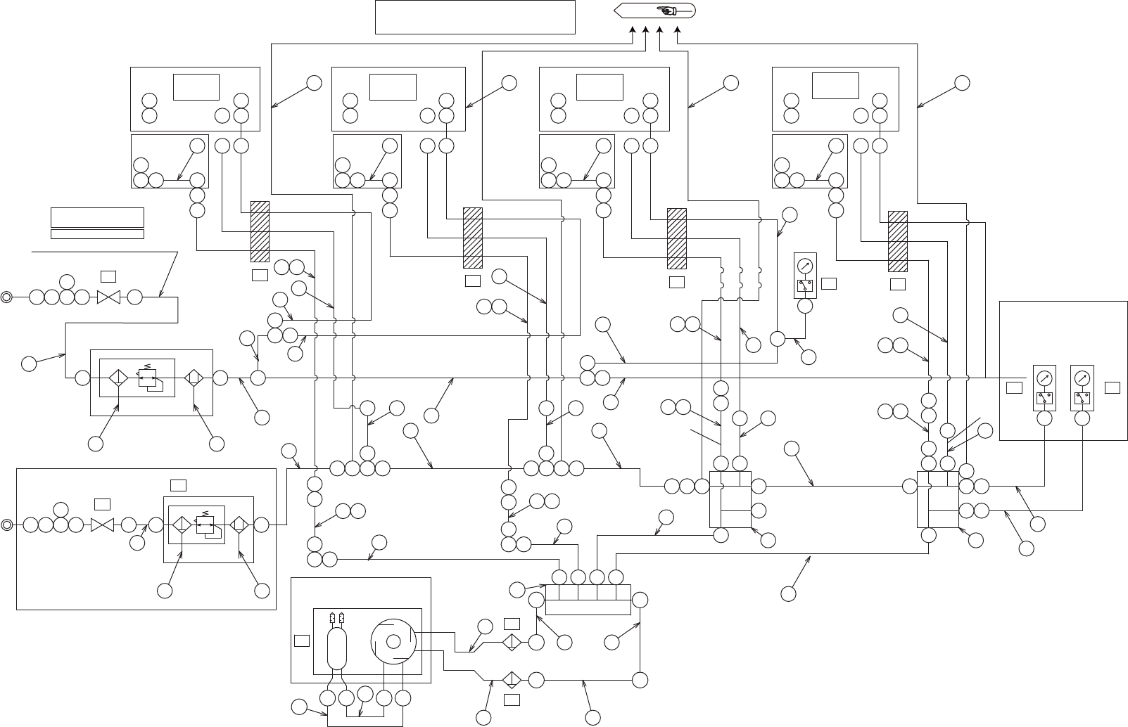
࢚࣮㓄⟶ᅗ
31(80$7,&&,5&8,7',$*5$0
ձ
ベース手前から見て左からのM3モジュールの番号
後側
前側
FRONT SLIDE
REAR SLIDE
後側
前側
FRONT SLIDE
REAR SLIDE
FRONT SLIDE
REAR SLIDE
後側 後側
前側 前側
METER OUT
METER OUT METER OUT METER OUT METER OUT METER OUT METER OUT
メータ アウト
メータ アウト メータ アウト メータ アウト メータ アウト
METER OUT
メータ アウト メータ アウト メータ アウト
METER OUT
メータ アウト
METER OUT
メータ アウト
METER OUT
メータ アウト
METER OUT
メータ アウト
METER OUT
メータ アウト
METER OUT
メータ アウト
METER OUT
メータ アウト
METER OUT
メータ アウト
φ6φ6φ6φ6φ6φ6φ6φ6φ6φ6
φ8φ8φ8φ8φ8
φ6φ6
φ8
φ6 φ6
φ8 φ8
φ6 φ6
φ6 φ6 φ6 φ6 φ6φ6 φ6 φ6
φ6φ6 φ6φ6 φ6φ6 φ6 φ6
φ6 φ6 φ6 φ6 φ6 φ6 φ6φ6 φ6 φ6 φ6 φ6 φ6 φ6 φ6 φ6 φ6 φ6 φ6 φ6 φ6 φ6 φ6 φ6
M1LS24A M1LS24BM1LS34B M1LS34AM1LS44A M1LS44B M1LS14B M1LS14A
φ6 φ6 φ6
φ6φ6
φ6
M1LS45A M1LS45B
φ6 φ6 φ6 φ6
φ6 φ6
φ6 φ6 φ6 φ6
φ6φ6
K
[3][4]
モジュールZクランプ モジュールYクランプモジュールYクランプモジュールZクランプ
(φ32×25 4ヶ) (φ32×25 4ヶ)
M1LS35B M1LS35A
(φ63×81)(φ63×81)
[2]
モジュールZクランプ モジュールYクランプ
(φ32×25 4ヶ)
M1LS25BM1LS25A
[1]
モジュールYクランプモジュールZクランプ
(φ32×25 4ヶ)
M1LS15B M1LS15A
(φ63×81)(φ63×81)
φ6φ6
φ6 φ6 φ6 φ6
Ref.ղ
A
A
ABABABAB BA BA
G
HH
G
HH
G
HH
G
HH
G
HH
G
HH
K
KKL
KK
KKL
KK
KKL
KK
KKL
BA BA
G
HH
G
HH
133
144
143
140 140
136 136
145
145
135135
144
143
142
141
140140
139
139
136 136
134
135135
144
143
140 140
136 136
135135
133
133
133
133
132 132
133
133
132
133
132
133
133
132
133
133
132
43 43 43 43 43 43 43 43 43 43 43 43
42
42
42
42
42
42
42
42 42
42
42
42
43 43 43 43 43 43 43 43 43 43 43 43
41
41
41
41
41
41
40 40 40 40 40 40
39 39 39 39 39 39
38 38 38
137
138
150
137
151
145
145
147149
144
143
140 140
141
142
136
139
139
136
134
135135
43 43 43 43
42
42
42
42
43 43 43 43
41
41
40 40
138
137
133
133
133
133
132132
39 39
38
141
148 148
139 146
142
141
142
141
IIII IIIIIIII IIII
2UGZBB000112
0,,,F࣮࣋ࢫ
0,,,F%$6(
308
PTS-NXT3c-01JE

φ12×2列
φ10 φ10
φ16
3/8
0.5MPA
0.5MPA
3/8
φ16
3/8
φ12
φ12
2ヶ
φ12×2列
φ12×2列
2ヶ
φ10
3/8
φ6
φ6
φ16
φ16
φ10
φ10
φ8
φ12
φ10
φ8
φ12
φ10
φ8
φ12
φ10
φ8
φ12
φ10
φ12×2列
φ12×2列
φ12×2列
φ16
2ヶ2ヶ
φ6
φ4
φ4
2ヶ
2ヶ
φ12×2列
φ10
2ヶ
正圧
0.4MPA
φ4
φ4
φ16
φ16
φ16
φ16
φ16
2ヶ
φ12×2列
φ10
2ヶ
2ヶ
2ヶ
φ10
φ16
φ16 φ16
φ16
φ16
φ16
φ6
φ16
φ16
2ヶ
M5M5
φ10
M5
モジュール側
MODULE SIDE
モジュール側
MODULE SIDE
モジュール側
MODULE SIDE
モジュール側
MODULE SIDE
工場出荷オプション
バキュームバックアップ仕様時取付け
FACTORY-OPTION
BEFORE SHIPMENT
SET WHEN VACUUM BACK-UP PIN IS USED
A
A
Ref.
ձ
POS PRESS NEG PRESS
−59kPa
0.4MPa
正圧
負圧
VACUUM PUMP FOR NOZZLES
吸着ノズル用真空ポンプ
࢚࣮㓄⟶ᅗ
31(80$7,&&,5&8,7',$*5$0
ղ
φ16
φ16
2ヶ
A
B
EF
E
J
J
J
J
A
C
D
D
127 127
129
127
130
127
131
118
117
116
603
605
111
105104
103
113
114
109
115
35
34 33 32
31
25
29 505
35
34 33 32
31
25
29 505
35
34 33 32
31
25
29 505
35
34 33 32
31
25
29 505
504
1243
5
67 8
13
691011
25
24
23 22
11
13
10 9 6
25
24
23 22
504
504
45
26 6 9 6
21
24
12
14 15
27 28
11
21
16 16
118
117116
118
117116
118
117116
125 126
123 124
122121
25
25
120119
155
153
154
8
605
605
504503
604
605
44 44
21 21 21 21
21 21
20
21 21
26
26
17
17
1717
18 18
19
8
12 3
5
6
102
101
106
30
37
37
37
37
607
606
701
702
201202
203
701
702
201202
203
701
702
201202
203
701
702
201202
203
602602
601
501
508
507
506
109
608
103
108
110
115
152
36
32
36
129
156
157
107
158
502
2UGZBB000112
0,,,F࣮࣋ࢫ
0,,,F%$6(
309
PTS-NXT3c-01JE