P-206-001.pdf - 第177页
MODEL TCM-X200 0203-002 Key No. P AR T No. P AR T NAME Q’ ty REMARKS NOTE 175 KC-1 1 630 090 9715 C A M 1 696KC-1 10-001 2 630 000 8166 BO L T ,HEX-SCT 3 696KC-1 10-002 3 41 1 141 3209 WA SHE R SP R 10 3 696KC-1 10-003 4…

MODEL TCM-X200
0203-002
174
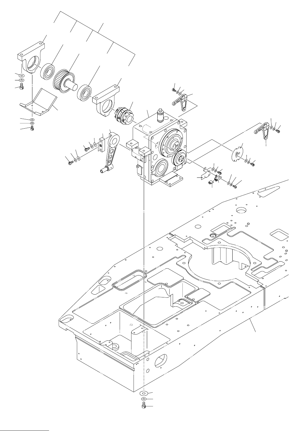
ࠞࡓ㧟ゲㇱ CAM SHAFT 3 AXIS SECTION
Fig. KC-1 ࠞࡓ࡙࠾࠶࠻ Cam Unit
Fig.KC-1
See Fig.L-1
Key No.12
10
11
12
9
12
9
11
10
16
15
14
21
20
19
31
8
7
6
34
33
32
39
36
38
37
5
18
17
13
25
24
23
22
28
29
30
26
1
27
3
4
2
26-02
26-03
26-04
26-03
26-01
4797L
TCM-X200-002
TCM-X300
4797A-002

MODEL TCM-X200
0203-002
Key No. PART No. PART NAME Q’ty REMARKS
NOTE
175
KC-1
1 630 090 9715 CAM 1 696KC-110-001
2 630 000 8166 BOLT,HEX-SCT 3 696KC-110-002
3 411 141 3209 WASHER SPR 10 3 696KC-110-003
4 630 001 0251 WASHER 3 696KC-110-004
5 630 086 0658 LEVER 1 696KC-110-005
6 630 109 2850 BOLT,HEX-SCT 2 696KC-110-006
7 411 141 3100 WASHER SPR 8 2 696KC-110-007
8 411 141 4503 WASHER V 8X17X1.6 2 696KC-110-008
9 630 088 0403 LEVER 2 696KC-110-009
10 630 000 7770 BOLT,HEX-SCT 8 696KC-110-010
11 411 141 6705 WASHER SPR 5 8 696KC-110-011
12 411 141 4107 WASHER V 5X10X1 8 696KC-110-012
13 630 093 4304 BRACKET 1 696KC-110-013
14 630 000 7626 BOLT,HEX-SCT 2 696KC-110-014
15 411 141 2905 WASHER SPR 4 2 696KC-110-015
16 411 141 4008 WASHER V 4X9X0.8 2 696KC-110-016
17 630 032 5287 SENSOR,PHOTO 1 BPH55 696KC-110-017
18 630 000 0269 SENSOR,PHOTO(CONNECTOR) 1 696KC-110-018
19 411 040 7803 SCR PAN 3X12 2 696KC-110-019
20 411 086 4408 WASHER SPR 3 2 696KC-110-020
21 411 119 1909 WASHER V 3X7X0.5 2 696KC-110-021
22 630 086 9422 DISK 1 696KC-110-022
23 630 000 7619 BOLT,HEX-SCT 1 696KC-110-023
24 411 141 2905 WASHER SPR 4 1 696KC-110-024
25 411 141 5906 WASHER F 4X8X0.8 1 696KC-110-025
26 630 093 1853 ASSY,PULLEY,TIMING 1 696KC-110-026
26 -01 630 093 1815 HOLDER 1
26 -02 630 093 1822 HOLDER 1
26 -03 630 049 0121 BEARING,RADIAL 2
26 -04 630 097 9749 PULLEY,TIMING 1
27 630 000 8166 BOLT,HEX-SCT 4 696KC-110-027
28 411 141 3209 WASHER SPR 10 4 696KC-110-028
29 411 141 6309 WASHER F 10X18X2 4 696KC-110-029
30 630 086 0580 COUPLING 1 696KC-110-030
31 630 108 4503 BLOCK 1 696KC-110-031
32 630 109 2867 BOLT,HEX-SCT 1 696KC-110-032
33 411 141 3001 WASHER SPR 6 1 696KC-110-033
34 411 141 4305 WASHER V 6X12.5X1.6 1 696KC-110-034
36 630 093 1877 COVER 1 696KC-110-036
37 630 000 7732 BOLT,HEX-SCT 2 696KC-110-037
38 411 141 6705 WASHER SPR 5 2 696KC-110-038
39 411 142 3406 WASHER F 5X10X1 2 696KC-110-039

MODEL TCM-X200
0103-001
176
ࠞࡓ㧟ゲㇱ CAM SHAFT 3 AXIS SECTION
Fig. KC-2 ࡁ࠭࡞ಾᦧ߃ㇱ Nozzle Changer
Fig.KC-2
104
105
106
103
102
107
121
120
119
117
109
108
118
122
118
119
122
113
120
121
108
109
117
103
123
107
106
105
104
102
116
115
113
123
116
115
112
111
110
112
111
110
See Fig.KC-4
Key No.301
See Fig.KC-4
Key No.325
See Fig.KC-4
Key No.325
101-02
101-03
101-05
101-01
101-04
101-05
101-02
101
101
101-02
101-03
101-05
101-04
101-01
101-05
101-02
TCM-X200
TCM-X300
4797L
4797A