DEUKYX-193-5100_G5S2_VOL5.pdf - 第143页
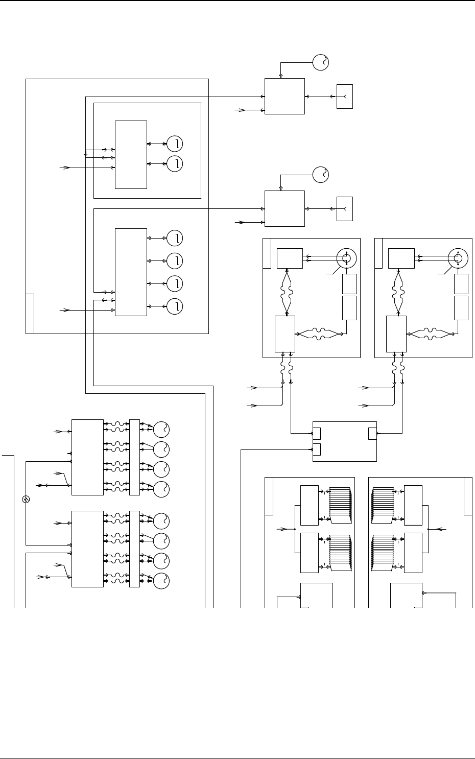
DEUKYX 4-17 193-5100 2.2 Integriertes Blockdigramm [T yp D] 2.2.4 Detailplan von Bereich D [T yp D] L1 Z2 Z1 Servo Motor AMP A31B CNP1 CN1A L2 CN3 NL NS DD A31F L3 24A2 24A6 24A2 48D3A 48D3B Servo Motor AMP 24A6 CN1B SSC…

DEUKYX
4-16193-5100
2.2 Integriertes Blockdigramm [Typ D]
2.2.3 Detailplan von Bereich C [Typ D]
3
2
CN2
CN3
U95
CN6
CN8
CN5
CN7
E192
E39
E39
E193
E191
(1)
E192
E193
Servo Motor
M21B
Linear Scale
I/F
U21B
M22B
U22B
M23B
U23B
AMP
Linear Scale Linear Scale
I/F I/F
A21B
M21F
Linear Scale
I/F
U21F
M22F
U22F
M23F
U23F
Linear Scale Linear Scale
I/F I/F
3
M
3
M
3
M
3
M
3
M
3
M
B61(1)
B61(2)
(B) (F)
Linear Motor
AMP
A22B
AMP
A23B
Servo Motor
AMP
A21F
AMP
A22F
AMP
A23F
X-Axis Y1-Axis Y2-Axis X-Axis Y1-Axis Y2-Axis
(1)
(1)
(2)
(2)
(1)
(2)
PCB Recognition
Recognition
Camera
Component
PCB Recognition
Lighting
Lighting
Control
LED
Linear Motor Linear Motor Linear Motor
COM1 COM2
PCB
COM3 COM4
E191
(2)
Ring Lighting
(Rear)
Coax. Lighting
Reference Mark
(Front)
48D
CN1
Ring Lighting
(Rear)
(Rear)
(Front)
Coax. Lighting
Lighting
Reference Mark
(Front)
Lighting
HLZ3
A32B
24A2
48D
Servo Motor AMP
CNP1 CN1A CN3CN1B
24A6
P2A 2A P2B 2B P2C 2C P2D 2D
3
M
3
M
U07D
(H2)(H1)
KYX-000-CC-001-1C

DEUKYX
4-17193-5100
2.2 Integriertes Blockdigramm [Typ D]
2.2.4 Detailplan von Bereich D [Typ D]
L1Z2Z1
Servo Motor AMP
A31B
CNP1 CN1A
L2
CN3
NLNSDD
A31F
L3
24A224A6 24A2
48D3A 48D3B
Servo Motor AMP
24A6
CN1B
SSCNET3
CNP1 CN1A CN3CN1B
24A6
U07
CN2
Camera
Slip
Rings
U37
U06
IO PCB
U69
IO PCB
U69
U67 U68
FEEDER
FEEDER
1-15Lane
U67 U68
FEEDER
FEEDER
Feeder Cart1
HEAD1
J1
P2A 2A P2B 2B P2C 2C
P2D
2D P2A 2A P2B 2B P2C 2C P2D 2D
HSIO
UP
UP
3
M
3
M
3
M
3
M
3
M
3
M
3
M
3
M
AE LINK(CH1)
A11
PWR
N2N1
48D3
A10
PWR
48D3
AE LINK(CH2)
Stepping Motor Driver
M MM
M46 M47M42
N2N1
X30F
X30B
CN2
CN12
A63B
M
M41
M
M45
M
M44
Feeder Cart2
16-30Lane
Connector Connector
24G1A,B
24G2A,B
Side View
U03 U04
CN8
CN1
24A6
IO PCB
U02
UP T
T
HSIO
HSIO
CN5F
CN5BCN1
CN10
U07
CN2
Camera
Slip
Rings
U37
U06
HEAD2
J1
Side View
Light
Emitting
Light
Emitting
U03 U04
CN8
CN1
CN10
1-15Lane 16-30Lane
U07D U07D
M63
3
M
(B1)
Servo Motor
AMP
CN2
A63F
M63
3
M
(B2)
Servo Motor
AMP
CN12
Stepping Motor Driver
Option
Back UP Base
48D3C 48D3D
CONVEYOR
DC6V
DC6V
(H1)(H1)(H1) (H1) (H2)(H2)(H2) (H1)
KYX-000-CC-001-1D

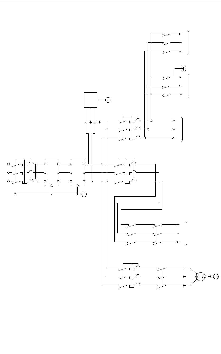
DEUKYX
4-18193-5100
2.3 AC-200V-Schaltkreis
2.3 AC-200V-Schaltkreis
L3L2L1
Z2
K29
3
M
M66
3 5
4 6
1
2
L131
L231
L331
3 5
4 6
1
2
3 5
4 6
1
2
L330
L230
L130
Q205
Z1
PE
3 5
4 6
1
2
3 5
4 6
1
2
L31
L21
L11
L110
L210
L310
L111
L211
L311
L232L132 L332
L220L120 L320
L221L121 L240L140 L340
[B-/03/2B]
to G2
[R-/01/3A]
to G21 Inlet
to X30B,X30F
[C-/01/1A]
to A21B,A22B,A23B
A21F,A22F,A23F Main Power
[C-/01/1D]
[C-/01/5B] [C-/02/1A]
[C-/02/1D] [C-/02/5B]
[B-/06/1B]
to G1,G3 main
[B-/02/1A]
:1 :2 :3
X:M66
[C-/01/1A]
to A21B,A22B,A23B
A21F,A22F,A23F Contol Power
[C-/01/1D]
[C-/01/5C] [C-/02/1A]
[C-/02/1D] [C-/02/5C]
L300
L200
L100
F200
[B-/07/1B]
E
[R-/01/8A]
to AC-DC Adaoper Inlet
Noise Filter
3 2 1
6 5 4
L30
L20
L10
:4
U
V
W
E
1
2
3
XF200:1
:2
:3
:4
Noise Filter
Main Breaker
Lightning Surge Protecter
Vacuum Pump
Circuit
Protecter
Relay
4A
Q221
Circuit
Protecter
30A
Q206
30A
Q200
50A
K33B
Relay
K33A
Relay
K28
Relay
K10
Relay
3 2 1
6 5 4
Circuit
Protecter
KYX-000-CC-002