DEUKYX-193-5100_G5S2_VOL5.pdf - 第181页
DEUKYX 4-55 193-5100 2.40 Einzel-T ransfer Blockdiagramm 2.40 Einzel-T ransfer Blockdiagramm A 11 Stepping Motor Driver M45 M46 NA_BL NA_BR M M Connection when installing Backup base OP XAE2CH XAE_CT CN1 CN5 U85-2CH N1 N…

DEUKYX
4-54193-5100
2.39 (B2) Messer-Schaltverbindung
2.39 (B2) Messer-Schaltverbindung
1
2
A63F
1
2
24V
SIGNAL_A
SIGNAL_B
GND
CN12
24V(24B4)
SIGNAL_A
SIGNAL_B
GND(10)
+V
OUT1
GND
:1
B6302
:A4
:A3
:B3
:A2
[N-/04/7B]
From A10-N2
from U27-CN19
[B-/03/8C]
[B-/07/5C]
to X30D3F
Servo Motor AMP
X6312F
4
3
2
1
CN1
X6301F
48V(48D3)
GND
CN11
X6311F
24V(24A6)
GND
:1
:2
:3
:4
1
CN7
X6307F
GND
2
AIN
3
Reserve_PLS+
4
5
Forward_PLS+
6
7
GND
8
AUX
9
C_RST
10
RST
11
Reserve_LMT
12
Forward_LMT
13
SVON
14
INP
15
ALM
16
24V
GND
AIN
Reserve_PLS-
Forward_PLS-
:2
:3
4
3
2
1
CN14
GND
CAN_L
GND
CAN_H 4
3
2
1
CN2
24V 5
U
V
W
FG 4
3
2
1
CN3
BK 5
BK 6
S2
S4
S1
S3 B2
A2
B1
A1
CN5
R1 A3
R2 B3
A6
B5
GND B6
A4
B4
A5
3
M
SSG
:A1
:B1
:A2
:B2
:A3
:B3
:B5
:A6
:B6
:A4
:B4
:A5
:1
:2
:3
:4
:1
:3
:2
M63 (B2)
Cutter-Axis.
XM63
XM63P
X6302F
X6303F
X6305F
Cutter-Axis.
origin sensor
B6302
SW2
SW3
SW1
LED2
LED1
1
ON
2 3 4
A63F External view
1
ON
2 3 4
5 6 7 8
OFF
6 For testing
7
MAC-ID assignment
8
Communication
(Lighting up)
Servo OFF
Green
(Flashing)
Servo ON
Warning
Alarm
Drive power shutdown
LED1
Control side
Checking driver connection
LED2
During control side
1~5 unused
OFF
OFF
ON
NO. Setting contents Configuration Remarks
Fixed ID
307.2Kbps
SW3
Remarks
ON
3 unused
4
SV-NET Termination
1,2
AE-LINK Termination
OFF
NO. Setting contents Configuration RemarksSW2
ON
MAC-ID:1
8
7
6
5
4
3
2
1
0
F
E
D
C
B
A
9
A63F
SW1
Speed setting
Orange
(Lighting up)
Red/Green
(Flashing)
Red
(Lighting up)
Orange
(Lighting up)
Green
(Lighting up)
Communication stop
Communication
KYX-000-CC-036

DEUKYX
4-55193-5100
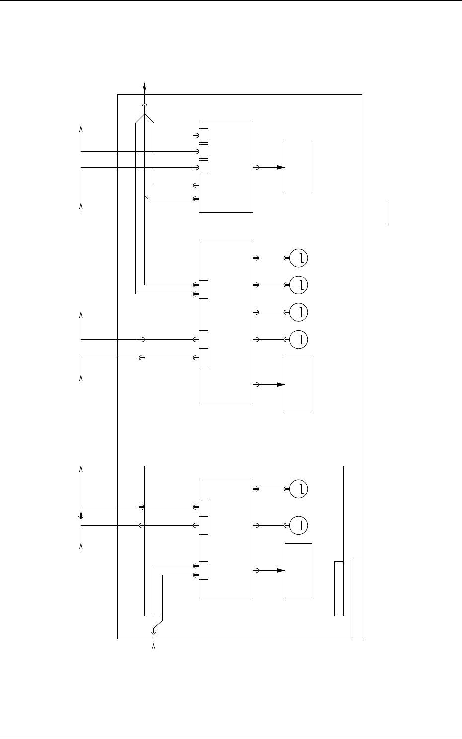
2.40 Einzel-Transfer Blockdiagramm
2.40 Einzel-Transfer Blockdiagramm
A11
Stepping Motor Driver
M45 M46
NA_BL NA_BR
MM
Connection when installing Backup base OP
XAE2CH XAE_CT
CN1 CN5
U85-2CH
N1 N2
AE-LINK
24A6
48D
Conveyor Unit
Load / sensor
Servo Motor AMP
A63F
XAE2CH XAE_CT
Backup base OP
Note 1:
Single Conveyor Unit
POWER
CN10
XCV-R
DC24,48V
A10
Stepping Motor Driver
M41 M42 M43 M44
NL_L NA_L NR_L NA_W
MMMM
X1X2
Conveyor Unit
Load / sensor
U08
IO PCB
Bundle Connector
XAE1CH XAE_CT
CN7 CN8 CN9 CN10
CN1
UP
CN2
DN
CN3
T
U85-T(X85T) X30C1-BU85-1CH
Servo Motor AMP
A63B
N1 N2
AE-LINK
Conveyor Unit
Load / sensor
24A6
48D
24A3
XCV-L
DC24,48V
POWER
CN6
HSIO
KYX-000-CC-037

DEUKYX
4-56193-5100
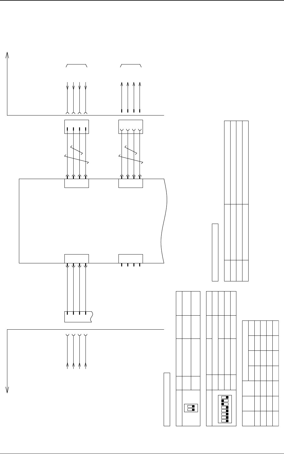
2.41 A10 Motortreiber Schaltverbindung 1
2.41 A10 Motortreiber Schaltverbindung 1
1
2
3
CN6
4
2
4
3
N1
2
4
3
N2
ALM-
STP-
ALM+
STP+
1
2
3
4
CN1
:B1
X1006
GND(SG)
COM B
+V
COM A
COM B
+V
COM A
XN1
CV+
:A1
GND(B)
MV+
GND(D)
:B5
:A5
1
1
GND(SG)
XN2
Stepping Motor Driver
A10
XCV-L
24A6
10
48D
10
from U85-1CH
[F-/03/7B]
COM A
COM B
10
24A6
to A63B-CN12
[DC/01/2B]
COM A
COM B
10
24A6
G5S PlatformG5S Platform
XCV-L
:2
:3
:1
:4
XAE1CH
XAE-CT
XAE
:2
:3
:1
:4
XAE-CT
Axis.1
0
4
8
12
Address
1
5
9
13
2
6
10
14
3
7
11
15
OFF
Axis.2 Axis.3 Axis.4
OFF
SW2-1
OFF
SW2-2 SW2-3
OFFOFFON
OFFOFF
OFF
ON
ON ON
1
ON
2
1
ON
2 3 4
5 6 7 8
6
7
STP(Emergency stop)
1~3
Please refer to the table below
OFF
ON
NO.
Setting contents Configuration Remarks
Invalid
SW2
OFF
AE-LINK Termination
NO.
Setting contents Configuration Remarks
SW1
1
OFF
AE-LINK Termination
2
4,5,8
unused
Communication speed setting
ON
307.2Kbps Servo OFF
MV+
Motor power indication
Control power indication
Alarm indication
Remarks
CV+
ALM
LED Name
Lit on 48D supply
Lit on 26A6 supply
Normal lighting / abnormal lights off
A10 LED Description
A10 Configuration
KYX-000-CC-038