DEUKYX-193-5100_G5S2_VOL5.pdf - 第64页
DEUKYX 1-8 193-5100 1.7 Kopfgerät 1.7 Kopfgerät A V P R A P A V P A V P V alve Filter Rotary Joint φ 8 Fitting φ 8 φ 4 φ 8 Fitting φ 6 Fitting φ 4 Fitting φ 4 Fitting V alve 3 2 1 4 5 6 From Main Body Robot Cable Nozzle1…

DEUKYX
1-7193-5100
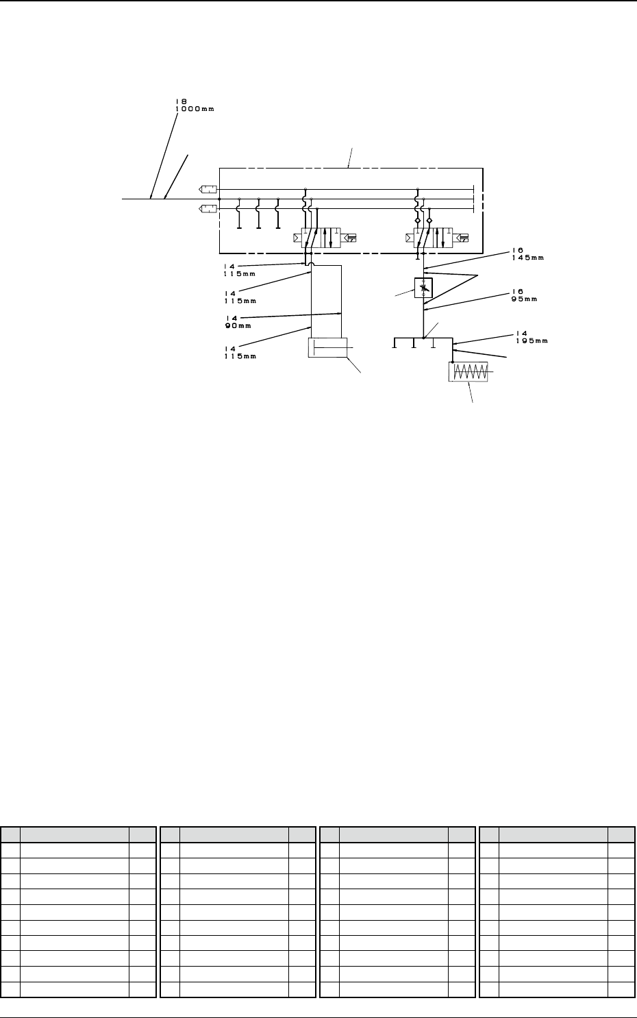
1.6 Aufnehmer-Stocker
1.6 Aufnehmer-Stocker
8
4
5
6
2
3
9
1
Stocker 1 U/D
From Main Body
Shutter 1 Open / Close
Fig_1-13S
Nr. Name Anzahl Nr. Name Anzahl Nr. Name Anzahl Nr. Name Anzahl
1 Rohr
φ
8 1
2 Rohr
φ
6 1
3 Rohr
φ
4 1
4 Magnetventil 1
5 Zylinder 1
6 Zylinder 1
8 Nadel 1
9 Union Y 1

DEUKYX
1-8193-5100
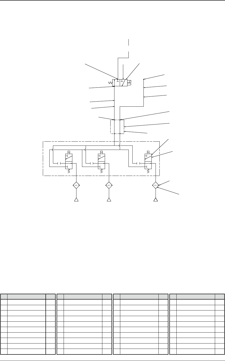
1.7 Kopfgerät
1.7 Kopfgerät
A
V
P
R
A
P
A
V
P
A
V
P
Valve
Filter
Rotary Joint
φ8 Fitting
φ8
φ4
φ8 Fitting
φ6 Fitting
φ4 Fitting
φ4 Fitting
Valve
3
2
1
4
5
6
From Main Body
Robot Cable
Nozzle1 Nozzle2 Nozzle15
Fig_1-15S
Nr. Name Anzahl Nr. Name Anzahl Nr. Name Anzahl Nr. Name Anzahl
1 Rohr
φ
4 1
2 Rohr
φ
8 1
3 Magnetventil 1
4 Kugeldrehverbindung 1
5 Magnetventil 15
6 Filter 15

DEUKYX
1-9193-5100
1.8 Feeder-Basis
1.8 Feeder-Basis
5
1
2
3
4
6
From Main Body
Fig_1-17S
Nr. Name Anzahl Nr. Name Anzahl Nr. Name Anzahl Nr. Name Anzahl
1 Rohr
φ
6 1
2 Magnetventil 2
3 Geschwindigkeitsregler 4
4 Zylinder 2
5 Modulareinheit 2
6 Druckluftanschlussstift 2