N7202A029B.pdf - 第85页
Ref No. Remarks R 1 Q'ty 12-A XYθテーブル:SPG XY Theta Table:SPG イラスト No. Part No. 品 名 品 番 数量 R 2 パーツリスト Kit No. キット品番 Kit Name キット名称 N610140069AA Part Nam e 備 考 セク ショ ンNo . PARTS LIST Section No. R 3 PLATE 1 1 N2101714…

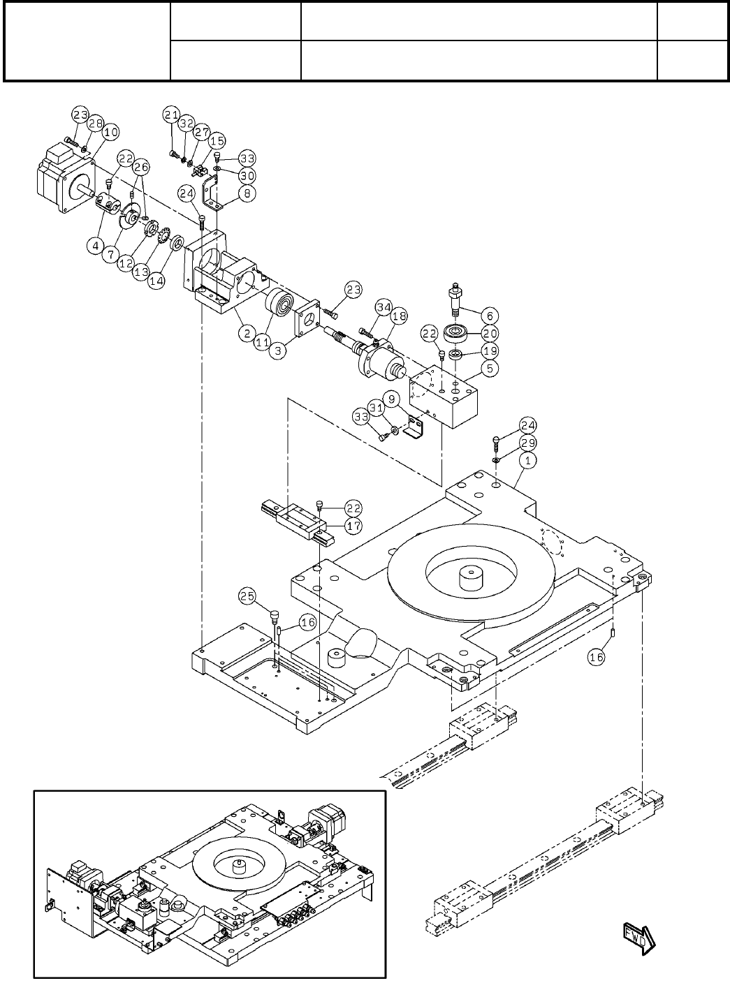
12-A
XYθテーブル:SPG
XYTheta Table:SPG
パーツレイアウト
Kit No.
キット品番
Kit Name
キット名称
N610140069AA
セクションNo.
PARTS LAYOUT
Section No.
--
S55
( KN610140069AA-06-1 )

Ref
No.
Remarks R
1
Q'ty
12-A
XYθテーブル:SPG
XYTheta Table:SPG
イラスト
No.
Part No.
品 名品 番 数量
R
2
パーツリスト
Kit No.
キット品番
Kit Name
キット名称
N610140069AA
Part Name
備 考
セクションNo.
PARTS LIST
Section No.
R
3
PLATE
1
1 N210171453AC
PLATE
1
2 N210025238AA
COUPLING
1
3 N210039713AA
DOG
1
4 N210143135AB
BRACKET
1
5 N610154090AA
BRACKET
1
6 N210180973AA
BRACKET
1
7 N210180974AA
MOTOR
1
8 N510049340AA
S
PK564PMB-A1
LINEAR-WAY
2
9 N510056869AA SSR20XW2UUC1E+420L-II(02523538G000)
BALL-SCREW
1
10 N510065690AA BTK1605-2.6ZZG0+148LCp5R(B)(32889844K000)
BEARING
1
11 KXF0A1QAA00 7201T2DF/GNP5
BEARING-NUT
1
12 KXF0E3M2A00 AN01
WASHER
1
13 KXF0E3LDA00 AW01
WASHER
1
14 N510020756AA KK20
JOINT
5
15 N510066663AA KQ2L04-M6A
PIN
4
16 N986MMS410 MMS4-10
PIN
1
17 KXF052NAA00 SPP4-10
SENSOR
1
18 N510053250AA EE-SX913-C2J-R 0.2M
TUBE
1
19 KXF0E0D4A00 TU0425C-20
BOLT
1
20 N510017341AA
Hexagon socket head cap screw M3X8-10.9 A2J (Trivalent)
BOLT
4
21 N510017308AA
Hexagon socket head cap screw M3X12-10.9 A2J (Trivalent)
BOLT
2
22 N510017376AA
Hexagon socket head cap screw M4X6-10.9 A2J (Trivalent)
BOLT
12
23 N510017351AA
Hexagon socket head cap screw M4X16-10.9 A2J (Trivalent)
BOLT
18
24 N510017395AA
Hexagon socket head cap screw M5X16-10.9 A2J (Trivalent)
BOLT
16
25 N510017398AA
Hexagon socket head cap screw M5X20-10.9 A2J (Trivalent)
SCREW
2
26 N510018375AA
Hexagon socket set screw Cup point M4X8-45H A2J (Trivalent)
WASHER
1
27 N510018478AA
Small round-plain washer 3 10H A2J (Trivalent)
WASHER
4
28 N510018479AA
Small round-plain washer 4 10H A2J (Trivalent)
WASHER
16
29 N510018480AA
Small round-plain washer 5 10H A2J (Trivalent)
WASHER
4
30 N510018497AA
Round finish plain washer 4 10H A2J (Trivalent)
WASHER
1
31 N510018327AA Spring lock washer No.2 3 S A2J (Trivalent)
BOLT
2
32 N510017381AA
Hexagon socket head cap screw M4X8-10.9 A2J (Trivalent)
S56
--
( KN610140069AA-06-1 )

12-B
XYθテーブル:SPG
XYTheta Table:SPG
パーツレイアウト
Kit No.
キット品番
Kit Name
キット名称
N610140069AA
セクションNo.
PARTS LAYOUT
Section No.
--
S57
( KN610140069AA-06-2 )