00195652-03 SM FSE DE.pdf - 第42页
Service-Arbeiten Portal D3 42 SIPLACE D-Serie Serviceanleitung (internal version) 4.1.3 D3 4.1.3.1 X-Maßst ab tausc hen [03003745-xx] Spezielle Hilfsmittel Reißnadel zum Lockern des Maßstabes Äthylalkohol Arbeitsha…

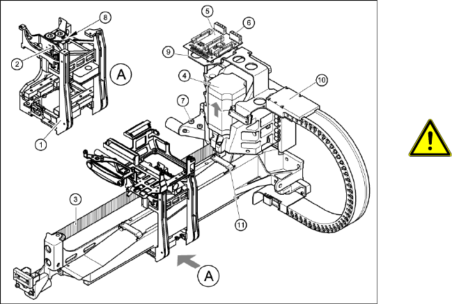
Service-Arbeiten
D1/D2 Portal
SIPLACE D-Serie Serviceanleitung (internal version)
41
4-16: X-Motoreinheit tauschen (am Beispiel D4)
X Schieben Sie die Kopfhalterung (1) in
Richtung X-Motoreinheit bis zum Anschlag an
die Elastomerfeder.
X Stellen Sie die Riemenspannkraft mit der
Innensechskantschraube (2) auf 44 Hz +/-
1Hz ein.
VORSICHT:
Überdehnen Sie beim Spannen den
Zahnriemen nicht.
X Sichern Sie die Innensechskantschraube (2)
mit der Kontermutter (8).

Service-Arbeiten
Portal D3
42 SIPLACE D-Serie Serviceanleitung (internal version)
4.1.3 D3
4.1.3.1 X-Maßstab tauschen [03003745-xx]
Spezielle Hilfsmittel
Reißnadel zum Lockern des Maßstabes
Äthylalkohol
Arbeitshandschuhe
Doppelseitiges Klebeband Scotch Y-9460 [00343774-xx]
Schutzfolie 12mm breit [00378511-xx]
Übersicht
Ausbau Lesekopf
Legende
1. Kopfplatte
2. X-Maßstab (angeklebt)
3. Permanentmagnete
4. Lesekopf der X-Achse
X Fahren Sie die Kopfplatte (2) in die geeignete
Position, damit Sie den X-Maßstab (1) von
allen Seiten gut erreichen können.
WARNUNG: STARKE
PERMANENTMAGNETFELDER!
Beachten Sie die Gefahrenhinweise zu
starken Magnetfeldern, die von den
Permanentmagneten (3) verursacht
werden.
ACHTUNG: Kopfplatte keinesfalls
demontieren!
Um die Genauigkeit zu gewährleisten,
dürfen Sie dürfen auf keinen Fall die
Kopfplatte (2) demontieren.
X Demontieren Sie den Lesekopf (4).
4
1
3
2
Legende
1. Kopfplatte – Vorderansicht
2. Lesekopf
3. 3 x Befestigungsschrauben
X Lösen Sie die drei Befestigungsschrauben (3)
am Lesekopf (2) der X-Achse und heben Sie
den Lesekopf vorsichtig ab.
X Befestigen Sie den Lesekopf provisorisch an
geeigneter Stelle.
3
1
2

Service-Arbeiten
D3 Portal
SIPLACE D-Serie Serviceanleitung (internal version)
43
Ausbau Maßstab
X Legen Sie den neuen Maßstab auf einer sauberen Arbeitsfläche ab.
X Kleben Sie das doppelseitige Klebeband auf die Rückseite des neuen Maßstabes auf. Die
Klebefläche muss sauber und fettfrei sein.
Einbau Maßstab
X Stecken Sie den neuen Maßstab hinter der Kopfplatte durch.
X Kleben Sie nun den neuen Maßstab exakt an der Klebekante am Portal auf.
X Ziehen Sie dabei das Schutzband ein Stück vom Klebeband ab und setzen Sie den Anfang des
Maßstabes an die markierte Position. Der Maßstab muss an der Klebekante anliegen.
X Ziehen Sie nun das Schutzband „Stück für Stück“ ab und kleben Sie den Maßstab fest an (etwa bis
zur Hälfte des Portals).
X Verschieben Sie nun die Kopfplatte so, dass Sie den Rest des Maßstabes ankleben können.
X Drücken Sie den Maßstab mit einem sauberen und weichen Tuch an.
X Ziehen Sie vorsichtig die Schutzfolie ab.
X Wischen Sie mit ein wenig mit Äthylalkohol über den Maßstab, um evt. Klebereste oder
Verschmutzung zu entfernen.
X Montieren Sie den Lesekopf. Diese Arbeiten sind im Kapitel „Lesekopf X-Achse tauschen“
beschrieben.
Sehen Sie dazu auch...
J
4.1.3.7 Inkrementalgeber X-Achse tauschen [03020588S-xx] [
J
70]
X Markieren Sie die ursprüngliche Position (1)
des Maßstabes (2) mit einer Reißnadel. Damit
wird gewährleistet, dass der neue Maßstab an
der exakten Position zur rechten und linken
Anschlagseite aufgeklebt werden kann.
ACHTUNG: Portal nicht beschädigen
Achten Sie darauf, dass Sie die
Beschichtung des Portals nicht
beschädigen.
X Hebeln Sie den Maßstab auf einer Seite mit
der Reißnadel vorsichtig hoch und ziehen Sie
diesen dann vorsichtig ab.
X Entfernen Sie die Kleberückstände mit
Äthylalkohol. Die Klebefläche muss sauber
und fettfrei sein.
2
1
HINWEIS: Schutzfolie am Maßstab
X Auf der Vorderseite des Maßstabes ist eine Schutzfolie aufgebracht. Diese Schutzfolie darf
erst nach der Montage entfernt werden.
ACHTUNG: Vorsicht beim Hantieren mit Inkremental-Maßstab
Berühren Sie die Inkrementalspuren nicht mit bloßen Fingern.
ACHTUNG: Es dürfen sich keine Blasen oder Unebenheiten bilden.
Ist dies der Fall, muss der Maßstab wieder entfernt werden und ein neuer Maßstab aufgeklebt
werden.