XP142E 机械手册MEC-XP142-2.1S.pdf - 第117页
7. 安装 MEC-XP142-2.1S 108 XP-142E 机械手册 7.6 电路板搬运 I/F·传送信号连接器的连接 7.6.1 要点 为了传输机器间电路板的交接信 号,在机器之间要用电路板搬运 I/F 信号连接器和传送信 号连接器连接。 7.6.2 方法 1. 打开机器后面右侧的盖子,右上 方有电路板搬运 I/F 信号连接器。取下盖子,连接上信 号电线。 2. 搬运轨道的入口和出口处各有传 输信号用的连接器,请连接在前工程 和…

MEC-XP142-2.1S 7. 安装
XP-142E 机械手册 107
7.5 数据传送电缆的接线 ( 以太网 )
7.5.1 要点
为了传输程序和收集生产记录,在主机和主电脑之间,用以太网以双股通信电缆 ( 分类 5)
来进行连接。
7.5.2 方法
1. 将主机在主电脑上进行线路描述符的注册。
备注 ) 有关对线路描述符的注册方法,请参考主电脑的使用说明书。
2. 把传送电缆一端的连接器接到主电脑上的指定以太网端口上,并把另一端的连接器 接
到以太网连接器上。

7. 安装 MEC-XP142-2.1S
108 XP-142E 机械手册
7.6 电路板搬运 I/F·传送信号连接器的连接
7.6.1 要点
为了传输机器间电路板的交接信号,在机器之间要用电路板搬运 I/F 信号连接器和传送信
号连接器连接。
7.6.2 方法
1. 打开机器后面右侧的盖子,右上方有电路板搬运 I/F 信号连接器。取下盖子,连接上信
号电线。
2. 搬运轨道的入口和出口处各有传输信号用的连接器,请连接在前工程和后工程的机器
间。

MEC-XP142-2.1S 8. 补充说明
XP-142E 机械手册 109
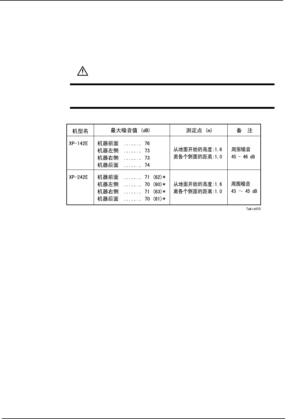
8. 补充说明
8.1 噪音
各个机型在运转时的噪音显示如下。
备注 ) 噪音值是以 A 特性测定的数值。*( ) 内的数值为瞬间音 ( 空料盘排出动作时 )。
警告
在会引起听力障碍程度的高噪音 (80dB 以上)的运转条件下,操作者请
使用防护耳朵的用具。