XP142E 机械手册MEC-XP142-2.1S.pdf - 第62页
MEC-XP142-2.1S 4. 维修保养 XP-142E 机械手册 53 4.3 消耗品的更换 4.3.1 频闪灯的更换 要点 在频闪灯劣化时进行更换。使用 频闪灯时,不要用力抓玻璃部位。 方法 1. 拧松下面的固定螺丝 (4 处 ),卸掉灯罩。 2. 松动螺帽 (3 处 ),更换频闪灯。 危险 操作前切断主电源,必须 等待 5 分钟后拔掉频闪灯电源装置处的插头 (2 处) 。 注意 · 当装新的频闪灯时,请不 要用手直接触摸玻璃部…

4. 维修保养 MEC-XP142-2.1S
52 XP-142E 机械手册
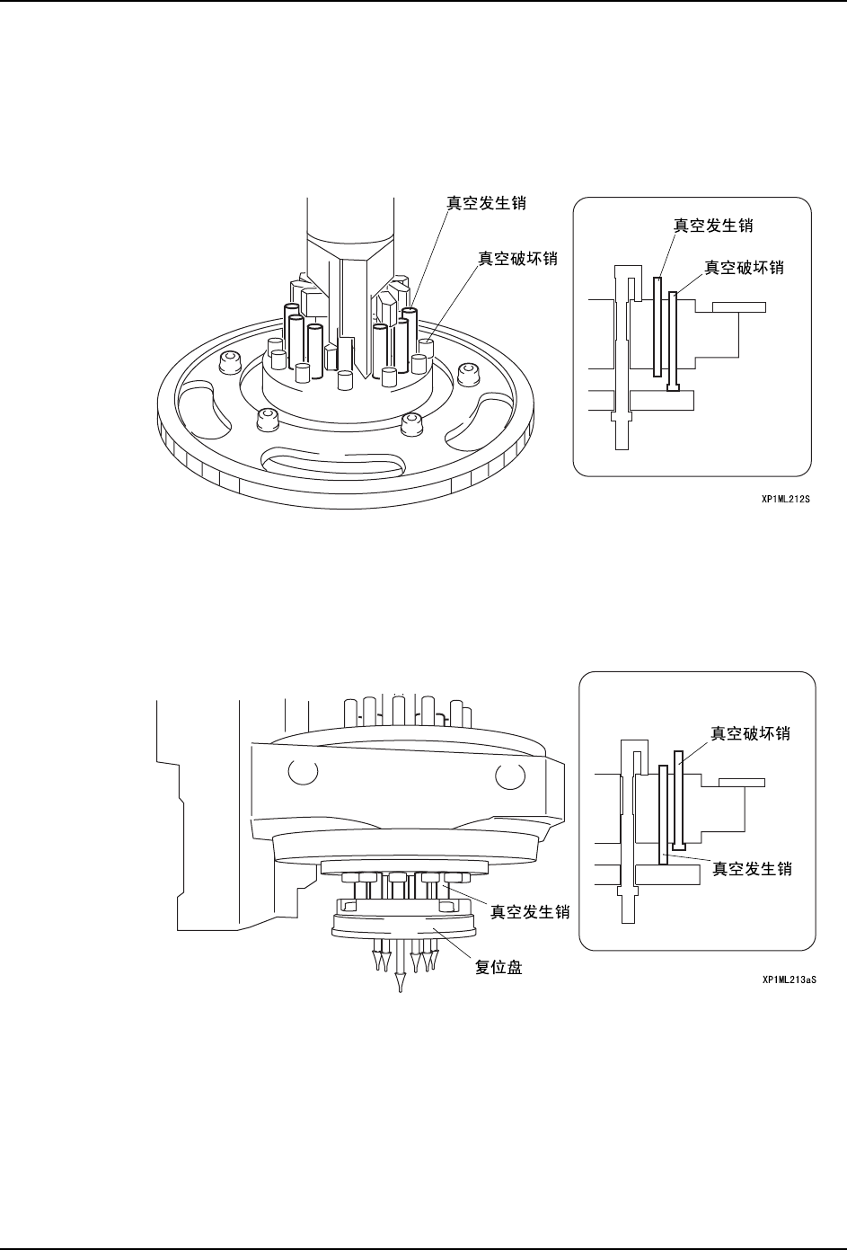
8. 对真空发生销 ( 旋转盘内侧 ) 加油
a. 用手指按下所有的真空破坏销 ( 旋转盘外侧 )。
b. 使用细笔,对真空发生销的上部薄薄地涂抹指定的润滑油。
备注 ) 对真空发生销的后侧涂抹润滑油比较困难。请使用笔尖,尽可能涂抹到旋转盘的深处。
c. 压下所有的真空发生销 ( 旋转盘内侧 ),压上所有的所有的真空破坏销 ( 旋转盘外侧
)。
d. 使用细笔,对所有的真空发生销下部薄薄地涂抹指定的润滑油。
备注 ) 对真空发生销的后侧涂抹润滑油比较困难。请使用笔尖,尽可能涂抹到旋转盘的深处。
9. 擦去多余的润滑油。
a. 用手压上复位盘,使所有的真空破坏销和真空发生销上升。
备注 ) 在用手将复位盘上升时困难时,请用 I/O 操作 (Y01F ResetCylinder) 进行。
b. 使用平笔和回丝,除去粘附在旋转盘下部的多余的润滑油。特别是请确凿地擦去粘
附在销下面和复位盘上面的润滑油 ( 使销下面不要残留粘性 )。
10.进行几分钟的模拟运转,使润滑油溶合。

MEC-XP142-2.1S 4. 维修保养
XP-142E 机械手册 53
4.3 消耗品的更换
4.3.1 频闪灯的更换
要点
在频闪灯劣化时进行更换。使用频闪灯时,不要用力抓玻璃部位。
方法
1. 拧松下面的固定螺丝 (4 处 ),卸掉灯罩。
2. 松动螺帽 (3 处 ),更换频闪灯。
危险
操作前切断主电源,必须等待 5 分钟后拔掉频闪灯电源装置处的插头 (2
处)。
注意
·当装新的频闪灯时,请不要用手直接触摸玻璃部位。如手上的油脂粘附
在玻璃部位上时,会成为缩短频闪灯寿命的原因。
·为了不增加玻璃的负担,请将接线头在上侧,频闪灯接线头在下侧拧紧
螺母。
·请注意频闪灯接线头的极性 ( 参考注意标签 )。

4. 维修保养 MEC-XP142-2.1S
54 XP-142E 机械手册
4.3.2 搬运轨道传送带的更换
方法
1. 拧松固定螺丝,使杆轴进行滑动。
2. 拧松固定张紧轮的螺栓,来松驰传送带的张紧度。
3. 一面注意防止弹簧跳出,一面卸掉搬运轨道外侧的轴环,并卸下侧板 A、B。
4. 拧下固定搬运轨道气缸的螺丝 (2 处 ),卸下侧板 C、D。
5. 请将搬运轨道传送带换成新的。
6. 使用张紧度测量计,调整固定张紧轮的固定位置使搬运轨道传送带的张力达到规定的
警告
操作前请务必切断主电源。