KE-3010A_KE-3010AC_KE-3020VA_KE-3020VRA-Rev07.pdf - 第181页
- - REF.NO NO TE PARTNO DES CRIPTION Qty 1 400-02125 CALVACUUMSVASM 1 2 401-48271 CALBLOCKPCBASM 1 3 401-09996 CALBLOCKCABLEASM 1 4 400-47483 F EEDE RCAL(F)CABLEASM 1 5 400-47560 F EEDE RP…

- -
87.SYSTEMDIAGRAM(3)
1
3
4 9
8
2
6
7
7
1 0
1 0
5
1 0
1 0
1 1
1 2
1 2
1 2
2 4 2 5
1 3
1 3
1 4
1 7
1 3
1 3
1 5
1 6 1 1 0
1 6
1 6
1 8
1 9
2 0
2 1
2 2
2 3
2 6 2 6 2 7
2 8 2 9 3 0
3 1
3 2
3 3
3 4
3 5
3 6
3 7
4 1
3 6
3 9
3 8
4 0
4 8 5 0
4 2 4 9
5 1
4 3
4 4 4 7
5 2
5 3
5 4
5 5
5 6
5 2
5 7
5 8 5 8 5 9
6 0 6 1
6 2
6 9 7 0 7 1 7 2
1 0 6 1 0 6 1 0 6 1 0 6
6 3
7 3
7 4
7 5
6 4
6 5
6 6
6 7
6 8
7 8 7 9 8 0 8 1 8 3 8 5 8 6 8 7 8 9
8 4
8 2
8 8
9 0
9 1
9 2 9 3
1 0 0
9 6 9 7 1 0 1 8 5 8 6
1 0 3
1 0 48 4
7 6 7 7
9 4 9 5
1 0 5
9 98 0
9 8
1 0 2
1 0 7
1 0 8 1 0 9

- -
REF.NO NOTE PARTNO DESCRIPTION Qty
1 400-02125 CALVACUUMSVASM 1
2 401-48271 CALBLOCKPCBASM 1
3 401-09996 CALBLOCKCABLEASM 1
4 400-47483 FEEDERCAL(F)CABLEASM 1
5 400-47560 FEEDERPCBASM 1
6 401-22811 CALVACUUMSENSOR 1
7 401-29062 PHOTOMICROSENSORASM 1
8 401-46402 FEEDERSENSORCABLEFASM 1
9 400-48176 FEEDERSENSORRELAY(F)CABLEASM 1
10 401-29058 SEPARATESENSOREMISSIONASM 1
11 400-92510 ATCSVCABLEASM 1
12 401-29057 SEPARATESENSORRECEIVERASM 1
13
#07
401-29058 SEPARATESENSOREMISSIONASM 1
14
#07
401-46400 FEEDERSENSCABLERASM 1
15
#07
401-46399 REARFEEDERDETECTSENSORRELAYCABLEASM 1
16
#07
401-29057 SEPARATESENSORRECEIVERASM 1
17 400-48177 FEEDERSENSRELAY(R)CABLEASM 1
18 401-23126 AUTOTAPECUTTERFCABLEASM 1
19 401-23124 FEEDERCUTTER(F)WIREASM 1
20 401-23127 AUTOTAPECUTTERRCABLEASM 1
21 401-23125 FEEDERCUTTER(R)WIREASM 1
22 401-46358 AIRPRESSURESENSORRELAYCABLEASM 1
23 401-46357 FEEDERAIRSENSORRELAYCABLEASM 1
24 401-29080 AIR(N)SENSORCABLEASM 1
25 401-29071 AIR(P)SENSORCABLEASM 1
26 400-00574 DRIVECYLINDERASSY 1
27 400-92511 SWITCHD3DC-3 1
28 401-35350 BANKFIXEDFRCABLEASM 1
29 401-35351 BANKFIXEDFLCABLEASM 1
30 401-09990 MBANKSWITCHFCABLEASM 1
31 400-66568 BANKPCBASM 1
32 401-09986 MECHBANKCONNECTORFCABLEASM 1
33 401-09985 MECHBANKCABLEASM 1
34 401-09988 MBANKDCPWRCABLEFASM 1
35 401-09987 BANKPWRCABLEFASM 1
36 400-47481 FEEDERIFRELAY(F)CABLEASM 1
37 401-46390 FEEDERIFRELAY(F)CABLEASM 1
38 401-07941 FEEDERIFRELAY-03CABLEASM 1
39 401-46392 E-FDRIFFCABLEASM 1
40 401-11734 ELECBANKRELAYWIREASM 1
41 401-13687 ELECBANKFGWIREASM 1
42 401-09983 ETF(F)PWRCABLEASM 1
43 401-14533 ETF_POWER_ASM 1
44
#02
401-49489 POWERSUPPLYUNIT10ASM 1
45
#04
401-49490 POWERSUPPLYUNIT10(EN)ASM 1
46
#03
401-49556 POWERSUPPLYUNIT20ASM 1
47
#05
401-49559 POWERSUPPLYUNIT20(EN)ASM 1
48 401-46428 FEEDERCAL(R)CABLEASM 1
49 401-09999 FEEDERXYEMGCABLEASM 1
50 401-09980 FEEDERPWRCABLEASM 1
51
#07
401-09984 ETF(R)PWRCABLEASM 1
52
#07
400-47482 FEEDERIFRELAY(R)CABLEASM 1
53
#07
401-07942 FEEDERIFRELAY-04CABLEASM 1
54
#07
401-13687 ELECBANKFGWIREASM 1
55
#07
401-46393 E-FDRIFRCABLEASM 1
56
#07
401-11734 ELECBANKRELAYWIREASM 1
57
#07
401-46391 FEEDERIFRLY(R)CABLEASM 1
58
#07
400-00574 DRIVECYLINDERASSY 1
59
#07
400-92511 SWITCHD3DC-3 1
60
#07
401-35352 BANKFIXEDRLCABLEASM 1
61
#07
401-35353 BANKFIXEDRRCABLEASM 1
62
#07
401-09995 MBANKSWITCHRCABLEASM 1
63
#07
400-66568 BANKPCBASM 1
64
#07
401-09994 MBANKACPWRCABLERASM 1
65
#07
401-09985 MECHBANKCABLEASM 1
66
#07
401-09992 BANKPWRCABLERASM 1
67
#07
401-09993 MBANKDCPWRCABLERASM 1
68
#07
401-09991 MECHBANKCONNECTORRCABLEASM 1
69 401-13653 FPILEDCABLE(FL)ASM 1
70 401-13654 FPILEDCABLE(FR)ASM 1
71 401-13655 FPILEDCABLE(RR)ASM 1
72 401-13656 FPILEDCABLE(RL)ASM 1
73 401-09989 MBANKACPWRCABLEFASM 1
74 401-10070 OPERATIONPWRCABLE(F)ASM 1
75 401-10071 OPERATIONPWRCABLE(R)ASM 1
76 401-48273 OPERATIONPCBFRONT10ASM 1
77
#01
401-48277 OPERATIONPCBFRONT10ASM(EN) 1
78 401-20505 EMGSWFASM 1
79
#01
401-31989 EMGSWFCABLEASM(EN) 1
80 400-02254 COVEROPENSWCABLEASM 1
81 401-46406 COVERLOCKSVCABLEASM 1
82 401-46405 COVERLOCKSVASM 1
83 401-13676 MINISIGNALRLYCABLEFASM 1
84 400-48055 MINIPATLITEASM 1
85 400-48035 L_FEEDERSWASM 1
86 400-48036 CONSOLESWASM 1
87 401-46446 USBSELECTCABLEASM 1
88 401-41515 USBSELECTPCBASM 1
89 401-46412 HOD-OPERATIONI/FCABLEASM 1
90
#08
401-10072 CONSOLESELECTCABLEASM 1
91
#08
400-03281 MOUSE/KEYBOARDSELECTOR 1
92 E9649-729-000 HODASM. 1
93
#01
E9662-729-000 HOD(EN) 1
94 401-48275 OPERATIONPCBREAR10ASM 1
95
#01
401-48279 OPERATIONPCBREAR10ASM(EN) 1
96 401-20506 EMGSWRASM 1
97
#01
401-31990 EMGSWRCABLEASM(EN) 1
98
#06
401-58866 COVEROPENSWCABLEASM 1
99
#07
401-46406 COVERLOCKSVCABLEASM 1
100
#07
401-46405 COVERLOCKSVASM 1
101 401-13677 MINISIGNALRLYCABLERASM 1
102 401-46359 SIGNALTOWERCABLEASM 1
103 401-46451 IONIZERSVCABLEASM 1
104 401-29009 SIGNALTOWERCABLEASM 1
105 401-13674 IONIZERSVASM 1
106 E8626-729-0A0 FPILEDBOARDASM. 1
107
#09
400-92513 DRIVECYLSENSORFASM 1
108
#09
401-09981 FEEDERIFFCABLEASM 1
109
#09
401-09982 FEEDERIFRCABLEASM 1
110
#09
401-29057 SEPARATESENSORRECEIVERASM 1

- -
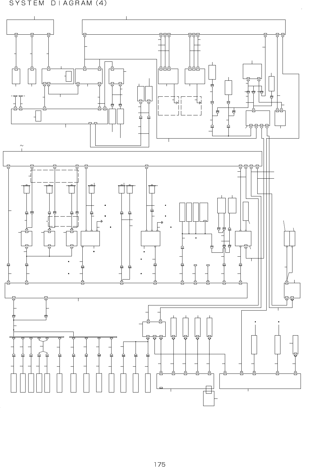
88.SYSTEMDIAGRAM(4)
1 3 5 7 3
1
2 4 6
9 1 1
1 3
1 5
1 0
1 2
1 4
1 6
8
1 5 3
1 5 4 4 2
2 0 2 1
1 9
4 3
2 3 2 4 2 5 2 5 2 5 3 3 3 4 3 5
2 2
2 6
3 2
3 6 3 7
3 0
1 7
1 8
3 1 3 1 3 1
2 8 2 9
2 7
3 8 4 0
3 9
3 8 4 1
1 0 1
1 0 3
4 4 4 6
4 7
4 5
5 1 5 2
5 3 5 4
5 5 5 1 5 2
5 6 5 7
5 9
5 8 6 1 6 2
4 8
7 6
7 7
4 8 4 8
4 9 5 0
6 0 8 2
4 9 5 0
1 0 6 1 0 9
7 4
7 57 57 5
8 3 8 8
8 9 9 6
6 3 6 9
6 4 7 0
7 1
7 2
6 5
6 6
6 7 6 8
8 7
8 6
1 0 5
1 0 4
1 0 2
9 4 9 5
9 2 9 3
9 0 9 1
8 4 8 5
8 0 8 1
7 8 7 9
9 7
9 8
9 9
1 0 0
1 1 0
1 1 2
1 1 1 1 1 1
1 1 3
1 1 4
1 1 5
1 1 6
1 1 9
1 1 8
1 2 2 1 2 3 1 2 6
1 2 0 1 2 1
1 2 5
1 2 7
1 3 0
1 2 8
1 2 4 1 2 9
1 1 7
1 3 1
1 3 3
1 3 2
1 3 3
1 3 2
1 4 0
1 4 11 4 1
1 4 4 1 1 0
1 4 6
1 4 5
1 4 7
1 4 9
1 4 3
1 4 3
1 4 2
1 5 0
1 5 2
1 5 1
1 4 8
1 3 4
1 3 5
1 3 6
1 3 9
1 3 8
1 3 7
7 3
L E F T S E N S O R
W A I T S E N S O R
B U O R G S E N S O R
S T O P S E N S O R
C O U T S E N S O R
R I G H T S E N S O R
B U P I N S E N S O R
( E M I S S I O N )
B U L O C K S E N S O R
B U P I N S E N S O R
( R E C E I V I N G )
A W C O R G S E N S O R
V C S O P
S E N S A S M
V C S S T
S E N S A S M
V C S S . V .
C A B L E A S M
S B O T T O M
L I G H T P C B
I P - X 7
P C B 2 / 2
2 - 1 B
C N 1 0 7 2
C N 1 0 6 7
C N 1 0 6 5
C N 1 0 6 6
C N 1 3 7 0
C N 1 3 7 1
C N 4 7 5
C N 4 7 4
C N 4 7 6
S 4
S 3
S 1
S 6
S 7
S 5
S B 1
S 1
S 3
S 2
S 5
S B 2
C O A X I A L
L I G H T P C B
C N 2
C N 1
C N 9
C N 6
C N 6
C N 6
C N 6
V O U T
A C 1
A C 2
I P - X 7 E N C
C N 4
C N 1
V C S
C A M E R A
V C S
C A M E R A
X E N C
L E N Z E S T
L E N Z E O P
1 - 2 B
X S E R V O A M P
M R - J 4 - 7 0 B - K M 0 1 2 2 / 2
S S I D E
L I G H T P C B
C N 1
S S I D E
L I G H T P C B
C N 1
S S I D E
L I G H T P C B
C N 1
S L I G H T
C T R L P C B
2 / 2
B A C K L I G H T
P C B
C N 1
C N 1 0
C N 9
C N 8
2 - 1 A
C N 7
C N 6
C N 1 0
C N 9
B A S E I / O
P C B 2 / 2
2 - 5 B
C N 2 2
C N 1 6
C N 1 2
C N 1 4
C N 1 7
C N 1 4
C N 2 3
C N 2 5
C N 3
C N 4
C N 2 1
C N 1 5
C N 5
C N 8
S M E M A
( L O W E R
U N I T )
S M E M A
( U P P E R
U N I T )
C N 1 3
F L U X S V
E V
F L U X E R 1
F L U X E R 2
L O A D C E L L
A M P
C N 1
C N 1
C N 2
C V S P C B
C N 3
C V S
C O N T A C T ( + )
C V S
C O N T A C T ( - )
F L U X E R
U N I T A S M
( B A N K )
F L U X E R
U N I T A S M
( B A S E )
S T O P P E R S V
S H A P E Y S V
( B U _ L L O C K S V )
C N 9 0 9
( S A F T Y U N I T )
L O A D C E L L A S M
A W C M O T O R
A W C M O T O R
B U U P E N C O D E R
A W C M
A W C E
B U E
C N 8
2 P
4 P
B A N K
C N 6 0
C N 3 6
C N 2 8
C N 1 1
C N 1 2
B U U P M O T O R
C N 3 4
C N 3 5
C E N T
M O T O R
O U T
M O T O R
I N
M O T O R
P O W E R U N I T 5 / 5
3 - 3 B
C N 2 7
C N 3 3
C N 1 6
C N 1 2
B U M
O T M - P
R M T
C M T
C M - P
L M T
I N M - P
I N M O T O R
D R V
C E N T M O T O R
D R V
O U T M O T O R
D R V
C N 1
C N 2
C N 1
C N 2
C N 1
C N 2
5 P H A S E D R I V E R
C N 1 5
5 P H A S E D R I V E R
C N 1 7
C N 1 8
C N 1 4
S - X Y R E L A Y
P C B 3 / 3
Y L S E R V O A M P
M R - J 4 - 2 0 0 B - K M 0 1 2
2 / 2
C O P L A C P U
B O A D 2 / 2
C O P L A M O N I T O R
S W I T C H B O A R D
2 / 2
C N 1 3
2 - 5 C
Y E N C
1 - 2 C
L A N 1
D V I 1
L A N 2
1 - 3 D
C N 3
C N 2
C N 8
C N 1
C N 1
C N 3
C N 2
U S B
S E L E C T O R
2 / 2
C P U
B O A R D
1 / 2
U S B
U S B
U S B
L A N
S S D
D V I 1
2 - 4 D
U S B
K E Y B O A R D
S P A S M
U S B
K E Y B O A R D
S P A S M
R E A R
F R O N T
S U P E R I M P O S E
B O A R D
C O P L A S E N S O R
H E A D
R S 2 3 2 C
V I D E O
D C 1 2 V
R S 2 3 2 C
D C 1 2 V
V I D E O
M O N I T O R ( F )
M O N I T O R ( R )
E N O N L Y
E N O N L Y
C O D E
R E A D E R
( H E A D )
D M 1 0 0
D M 1 0 0
C O D E
R E A D E R
( C O N V E Y O R )
D M 1 0 0
A T X - P O W E R
2 / 2
1 - 2 D
H D
C O M
R S 1
D V I 1
M 1 ( O U T 1 2 V )
R S 2
M 2 ( O U T 1 2 V )
D V I 2
I N P U T D C 1 2 V
R S P C 1
N T S C 1
C N 9
C N 6
C N 5
B A R C O D E
R E A D E R
B R
S I O 7
S I O 8
5 V D C
5 V D C
8 - P O R T C O M
B O A R D 3 / 3
2 - 5 B
S I O 7 / 8
S I O 5
S I O 6
S I O 4
S I O 3
2 - 4 B
C P U
B O A R D
2 / 2
C O M 2
C O M 1
L A N
D V I P C
1 5 5
C O P L A
S S D A S M
B A R C O R D
R E A D E R ( R )
B A R C O R D
R E A D E R ( F )
U S B
U S B
1 5 6
1 5 6
1 5 7
1 5 7
1 5 8
1 5 8
1 1 7