3732445-5G_VT-S500_MaintenanceManual(C).pdf - 第38页
第 2 章 装置 规 格 2-12 2.4.2 上 下游连接器规格 z 上游 Pin No. I/O 信号名 ( 标准规格 ) 备注 1 O 上游 READY 2 - OUT_COM1 (Pin No.1 的通用引 脚 ) 3 I 上游 END 4 - IN_COM (Pin No.3 的通用引 脚 ) 5 - - 6 - - 7 - - 8 - - 9 - - 10 - - 11 - - 12 - - 13 - - 14 - - z …

2.4 上下游 I/F
2-11
z
时序图(SMEMA 模式)
(1)基板搬入时序图(上游装置搬入基板)
上游装置持有基板,当该装置接收到可以搬出基板信号(上游输出的准备完成信号)后、且装
置本身处于可以接收基板的状态(从发出检查指令到搬入口传感器通过(传感器关闭))时、向
上游输出READY信号。(开始输出READY信号的同时,传送带开始运转、直至到位传感器ON。)
传送带根据上游输出的准备完成信号进行运转。
当该装置处于不能接收基板的状态时(可以接收基板状态之外的状态),READY 信号将 OFF。
(2)基板搬出时序图(搬出基板至下游装置)
该装置处于可以搬出基板状态时,输出检查结果信号(良品基板/不良品基板)。当下游装
置接收到检查结果信号后、会输出READY信号给该装置,该装置对READY信号进行确认并
开始搬出基板。
输送机上没有基板后、确认下游 READY 信号 OFF、且检查结果信号 OFF 后,传送带将停止运转(基
板搬出完成)。
※SMEMA 模式情况下,判定为良品基板时输出结果 A、判定为不良品基板时输出结果 A 与结果 B。
READY
搬入口传感器通过
BUSY
OFF
ON
运转
停止
ON
OFF
到位传感器 ON
上游 READY
( 输出给上游装置的
READY 信号)
传送带
上游 END(从上游装置输
入的“上游准备完成”信
号
)
BUSY
OFF
ON
下游 READY
( 从下游装置输入的
“READY”信号)
检查结果信号ON
(开始搬出基板)
OFF
ON
输出结果 A 或结果 B 信号※
READY
OFF
ON
输送机运转

第 2 章 装置规格
2-12
2.4.2 上下游连接器规格
z 上游
Pin No.
I/O
信号名
(标准规格)
备注
1 O 上游 READY
2 -
OUT_COM1
(Pin No.1 的通用引
脚)
3 I 上游 END
4 -
IN_COM
(Pin No.3 的通用引
脚)
5
-
-
6
-
-
7
-
-
8
- -
9
- -
10
- -
11 -
-
12 - -
13 - -
14 - -
z 下游侧
Pin No.
I/O
信号名
(标准规格)
备注
1 I 下流 READY
2 -
IN_COM
(Pin No.1 的通用引
脚)
3 O 結果 A
4 -
OUT_COM3
(Pin No.3、5 的通用
引脚)
5 O 結果 B
6 - -
7 - -
8
- -
9
- -
10
- -
11
- -
12 - -
13 - -
14 - -
检查装置侧的连接器(S500)
连接器 206043-1(AMP)
接触件 66105-3 (AMP)
外接设备指定连接器(LD)
连接器 206044-1(AMP)
连接器外壳 206070-1(AMP)
引脚
170250-1
(
AMP
)
检查装置侧的连接器(S500)
连接器 206043-1(AMP)
接触件 66105-3 (AMP)
外接设备指定连接器(UNLD)
连接器 206044-1(AMP)
连接器外壳 206070-1(AMP)
引脚
170250-1
(
AMP
)

2.4 上下游 I/F
2-13
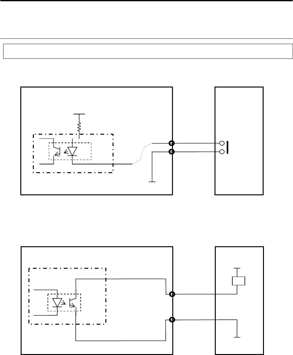
2.4.3 输入输出内部连接
z 输入模式
流经该装置内的非接触式继电器的最大电流为 10mA。
注:IN-COM 是上下游所有输入的公共端。
z 输出模式
上下游装置最大流经电流为 500mA。
注:OUT-COM 是各输出单独的接地点。
该装置
上下游装置
输入部分
IN
IN_COM※
GND
24V
上下游装置
输出部分
OUT
OUT COM
※
VCC
负载