N7205A106B04[201502].pdf - 第121页
-A02 Power Unit 1 X2B -K501 MCDHT3520NL3 Panasonic E1K502 N610159580** : Main Body Wiring : NPM-D3 R2-4 JST 4XAK502(L2) 5XAK502(L1) AI 2,5-12 BU PHOENIX CONTACT 3XAK502(L3) 2XAK502(L1C) AI 0,75-12 GY 1XAK502(L2C) RD WH B…

-K302
PNFCAC
-A01
CPU Box
-A02
Power Unit 1
R1.25-4
JST
E2K501
R1.25-4
JST
CN3
FX-Axis
Motor Driver
FX-Axis Motor
N610159580** : Main Body Wiring : NPM-D3
NCIO Board
BN
BU
BK
WH
RD
RX+
RX-
X2A
3
6
1
2
5
4
7
8
EX5V
EX0V
EXPS
/EXPS
EXA
/EXA
EXB
/EXB
EXZ
/EXZ
B1
B3
B2
U
V
W
1
2
3
4
5
6
7
8
9
10
6
5
4
3
2
1
5
4
3
2
1
X5
XB XA
L1
L2
L3
L1C
L2C
GN/YE
FGM501 FGK501
R2-4
JST
R2-4
JST
TDK
ZCAT3035-1330
UL#16 105/600-1.25mm2
BK
SSG
SM
W
V
U
Linear
1
5
2
6
3
9
4
7
8
1
2
3
4
E
N610157840AD
TX+
TX-
3
6
1
2
5
4
7
8
AMP
XBK501
1-178128-6
1
2
3
4
5
6
AMP
XMM501
1-179553-4
4
3
2
1
DDK
XEM501
17JE-23090-02(D1)
8
7
4
9
3
6
2
5
1
JST
X5K501
MUF-PK10K-X
1
2
3
4
5
6
7
8
9
10
AMP
XAK501
1-178128-5
1
2
3
4
5
HRZVV-SB-H(c2570) AWG17/4C+AWG19/2C
E1K501
N610157820AA
N610157819AB
RMFEV-P(2517) AWG17/2C+AWG21/2C
RD
BN
BK
WH
RMFEV-P(2517) AWG17/2C+AWG21/2C
RD
BN
BK
WH
GN
BK
YE
BU
WH
OG
RD
BN
PK
GY
VT
LB
RMFEV-P(2517) AWG25/4P+AWG30/4C
MTNW000198AA
CN3K302
8
7
4
5
2
1
6
3
X2AK501
8
7
4
5
2
1
6
3
STPC26-5E(W)-S165C
GN
WH/GN
OG
WH/OG
BU
WH/BU
BN
WH/BN
-K501
MCDHT3520NL3
Panasonic (Motor)
-M501
Note1) Connector pin arrangement is not sequential.
Note1)
Note1)
Note1)
Note1)
Note1)
1
1
L112b1X1
L212b1X1
L312b1X1
L11b3X1
L31b4X1
FG1K501
L112
L212
L312
L11
L31
FG
Eb3X1
1
TDK
ZCAT3035-1330
2
(*1)
(*1)
This ferrite core is the same as that of the ferrite core
of the coordinates D-5 of P004.
2
3
Panasonic Factory Solutions Co.,Ltd. パナソニック ファクトリーソリューションズ株式会社
Name
Drawing No.
Loc. No.
F4K1020-05A
1
2 3 4 5 6 7 8
A
B
C
D
E
F
1 2 3 4 5 6 7 8
A
B
C
D
E
F
Page. No.
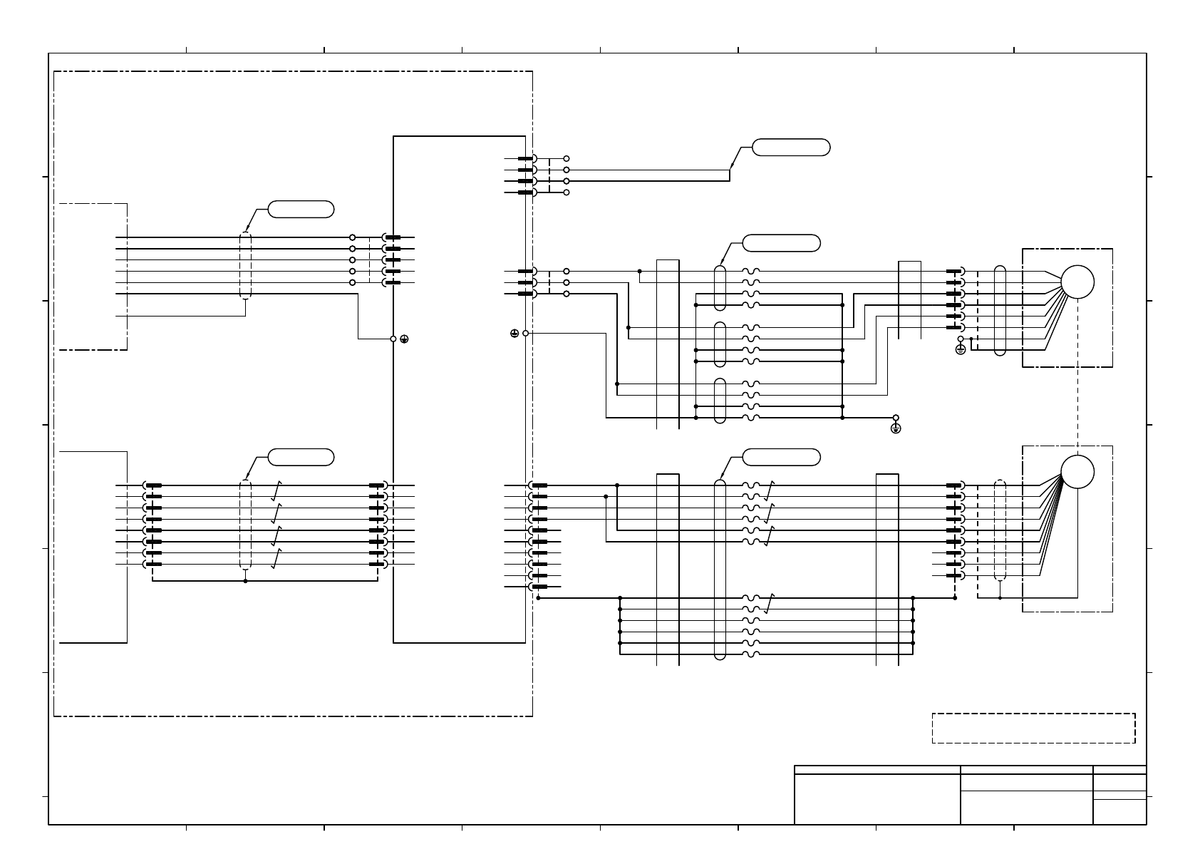
XY UNIT : NPM-D3
(FX-Axis Wiring)
N610157814+003AE
P003
4
4

-A02
Power Unit 1
X2B
-K501
MCDHT3520NL3
Panasonic
E1K502
N610159580** : Main Body Wiring : NPM-D3
R2-4
JST
4XAK502(L2)
5XAK502(L1)
AI 2,5-12 BU
PHOENIX CONTACT
3XAK502(L3)
2XAK502(L1C)
AI 0,75-12 GY
1XAK502(L2C)
RD
WH
BK
BU
BN
EM502
5.5-S4
JST
E2K502
XAK502
05JFAT-SAXGSA-L
5
4
3
2
1
JST
GN/YE
WH
BK
RD
BN
RMFEV-P(2517) AWG17/2C+AWG21/2C
WH
BK
RD
BN
RMFEV-P(2517) AWG17/2C+AWG21/2C
WH
BK
RD
BN
RMFEV-P(2517) AWG17/2C+AWG21/2C
LB
VT
GY
PK
BK
GN
BU
YE
RD
BN
WH
OG
TDK
ZCAT3035-1330
TDK
ZCAT3035-1330
SEIWA
E04SR200932
TX+
TX-
3
6
1
2
5
4
7
8
AMP
YMM502
1-179555-3
B3
A3
B2
A2
B1
A1
JST
X5K502
MUF-PK10K-X
1
2
3
4
5
6
7
8
9
10
RMFEV-P(2517) AWG25/4P+AWG30/4C
HRZVV-SB-H(c2570) AWG15/4C+AWG19/2C
3
2
JST
4
1
04JFAT-SAXGSA-L
XCK502
2XCK502(B2)
AI1.5-10BK
PHOENIX CONTACT
3XCK502(B3)
UL#16 105/600-1.25mm2 BK
N610161318AB
2XBK502(V)
1XBK502(W)
3XBK502(U)
AI-TWIN2x1.5-12BK
PHOENIX CONTACT
XBK502
03JFAT-SAXGSA-L
3
2
1
JST
DDK
YEM502
17JE-23090-02(D1)
8
7
4
9
3
6
2
5
1
MTNW000159AA
X2BK501
8
7
4
5
2
1
6
3
X2AK502
8
7
4
5
2
1
6
3
STPC26-5E(W)-S020C
GN
WH/GN
OG
WH/OG
BU
WH/BU
BN
WH/BN
N610157841AC
FY-Axis
Motor Driver
R5.5-4
JST
XA
L1
L2
L3
L1C
L2C
RX+
RX-
X2A
3
6
1
2
5
4
7
8
X5
1
2
3
4
5
6
7
8
9
10
EX5V
EX0V
EXPS
/EXPS
EXA
/EXA
EXB
/EXB
EXZ
/EXZ
U
V
W
NC
B2
B3
B1
XC
XB
5
4
3
2
1
3
2
1
1
2
3
4
-K502
MEDHT7364NL3
Panasonic (Motor)
FY-Axis Motor
1
5
2
6
3
9
4
7
8
W
V
U
W
V
SSG
SM
U
A1
B1
A2
B2
A3
B3
Linear
-M502
E
E
N610157821AB
N610157822AA
FX-Axis
Motor Driver
Note1) Connector pin arrangement is not sequential.
Note1)
Note1)
Note1)
Note1) Note1)
1
1
1
L112c1X1
L212c1X1
L312c1X1
L11b4X1
L31b5X1
FG1K502
L112
L212
L312
L11
L31
FG
Ec2X1
1
TDK
ZCAT3035-1330
2
(*1)
(*1)
This ferrite core is the same as that of the ferrite core
of the coordinates C-5 of P003.
2
Panasonic Factory Solutions Co.,Ltd. パナソニック ファクトリーソリューションズ株式会社
Name
Drawing No.
Loc. No.
F4K1020-05A
1
2 3 4 5 6 7 8
A
B
C
D
E
F
1 2 3 4 5 6 7 8
A
B
C
D
E
F
Page. No.
XY UNIT : NPM-D3
(FY-Axis Wiring)
N610157814+004AD
P004
3
3

-K349
PPE0AA #1
-A02
Power Unit 1
CN9
HEAD1PW
FG1K349
-A01
CPU Box
-K302
PNFCAC
NCIO Board
YE
OG
RD
BN
GY
VT
BU
GN
WH
LED Controller #1
CN1
CN2
-A11
CN1
Head 1
I/O1
FG2K349
FGA11
BK
R1.25-4
JST
R2-4
JST
R2-3.5
JST
LB
VT
GY
PK
BK
GN
BU
YE
RD
BN
WH
OG
FG1K302
R1.25-4
JST
N610157823AB
GND
GND
1
8
GND
9
GND
16
+24V IN
+24V IN
2
7
+24V IN
10
+24V IN
15
TXD+
TXD-
RXD+
1
4
2
RXD-
EMG
GND
5
3
6
N.C
I/O 1
I/O 2
1
2
3
RXD+
RXD-
TXD+
5
13
6
TXD-
EMG
ILK 1
14
15
8
ILK 2
GND
16
7
+24V
24G
+24V
1
9
2
+24V
24G
24G
3
10
11
IN01
GND
4
12
G24
G24
1
2
G24
3
G24
4
P24
P24
5
6
P24
7
P24
8
9
TXD+
TXD-
RXD+
1
5
2
RXD-
EMG
GND
6
3
4
ILK1
ILK2
7
8
RXD+
RXD-
TXD+
11
12
3
TXD-
EMG
GND
4
6
13
ILK1
ILK2
5
14
RMFEV-P(2517) AWG25/4P+AWG30/4C
MOLEX
CN9K302
43025-0600
6
3
5
2
4
1
JST
IO1 (K302)
PAP-03V-S
3
2
1
MOLEX
CN2K349
43025-0800
8
7
4
3
6
2
5
1
MOLEX
CN1K349
43025-1600
7
16
8
15
14
6
13
5
12
4
11
10
3
2
9
1
AMP
HEAD1PWA02
177903-1
9
8
7
6
5
4
3
2
1
JAE
CN1A11
DM1R016PA1
14
5
13
6
4
3
12
11
15
10
7
2
16
9
8
1
BU
BU
UL#24 80/300-0.2mm2
UL#24 80/300-0.2mm2
2464-1061/ⅡA-SBX(PF) LF 4P×24AWG
BK/WH
BK
RD/WH
RD
GN/WH
GN
YE/WH
YE
RMFEV-A(2517) AWG25-10C
Note1) Connector pin arrangement is not sequential.
Note1)
Note1)
Note1)
Note1)
Panasonic Factory Solutions Co.,Ltd. パナソニック ファクトリーソリューションズ株式会社
Name
Drawing No.
Loc. No.
F4K1020-05A
1
2 3 4 5 6 7 8
A
B
C
D
E
F
1 2 3 4 5 6 7 8
A
B
C
D
E
F
Page. No.
XY UNIT : NPM-D3
(Head 1 Wiring)
N610157814+005AB
P005
1