N7205A106B04[201502].pdf - 第248页
在线预览 N7205A106B04[201502].pdf PDF 文档。

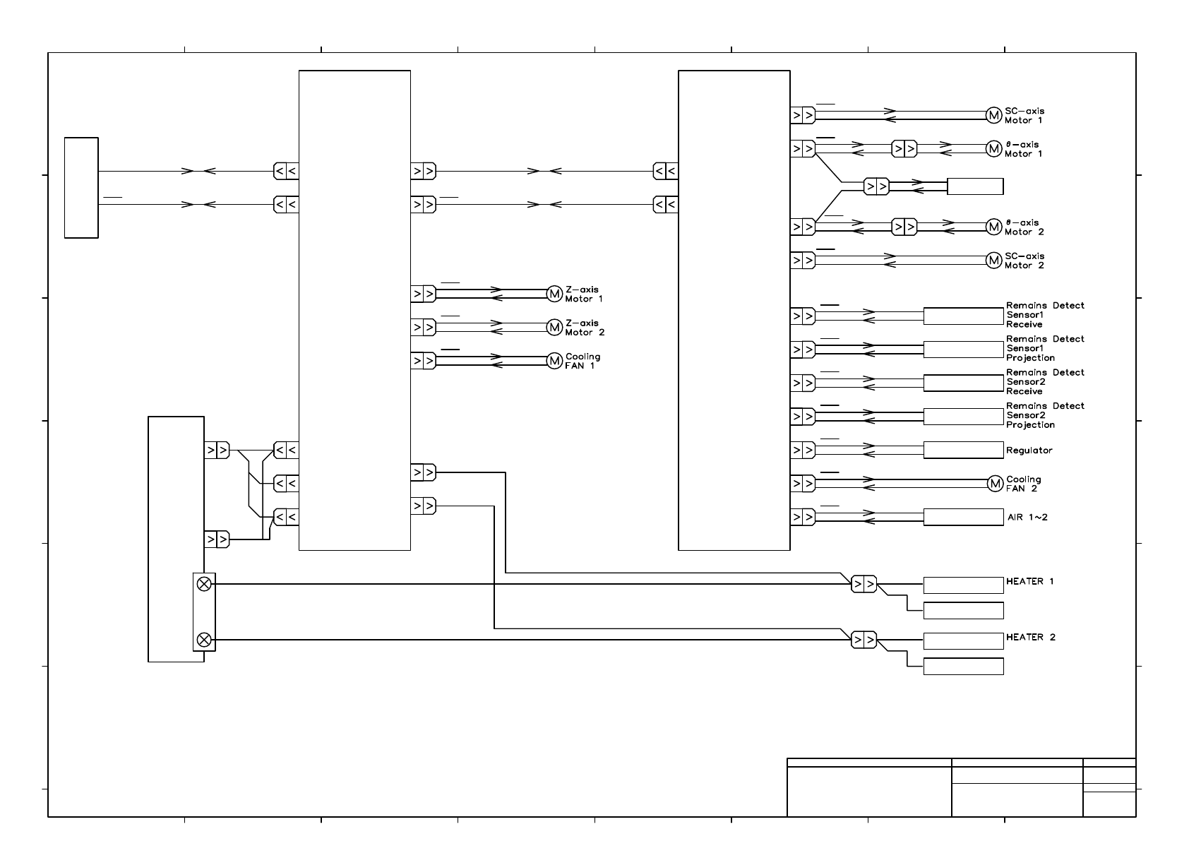
4.
LOAD WIRING DIAGRAM OPTION
負荷配線図 オプション
4-12 DISPENSER HEAD
塗布ヘッド
EJM6DB-10-412-00

HEAD
CONTROLLER
24V
CN1
CN18
CN17
PMC0AF #1
CN4
CN2
-K301
CN3
CN1
24V
24V
-M403
-M404
CN14
24V
-G1001
-E2002
HEATER
SENSOR
-B1004
Thermocouple
Sensor 1
-E2003
HEATER
SENSOR
-B1005
Thermocouple
Sensor 2
HEAD
CONTROLLER
CN18
CN17
PMC0AF #2
CN4
CN2
CN7
CN9
-K302
24V
24V
-M401
-M402
-B1002
CN3
CN1
24V
24V
-M405
-M406
SENSOR
SENSOR
24V
24V
-B1003
CN16
REGULATOR
24V
-B5001
CN14
24V
-G1002
CN12
CN20
-R3001
-R3002
24V
VALVE
SENSOR
-B1001
θ-axis ORG
Sensor
CN7
CN9
CN22
CN1 CN3
CN15
CN11
24V
SENSOR
24V
-B1002T
-E2001
TB1
Heater Control
Unit
1
1
1
1
CN21
SENSOR
24V
-B1003T
1
1
1
1
1
1
1
1
1
1
1
CN1
2
Panasonic Factory Solutions Co.,Ltd. パナソニック ファクトリーソリューションズ株式会社
Name
Drawing No.
Loc. No.
F4K1020-05A
1
2 3 4 5 6 7 8
A
B
C
D
E
F
1 2 3 4 5 6 7 8
A
B
C
D
E
F
Page. No.
NPM_DISPENSER HEAD
(BLOCK DIAGRAM)
N610083275+002AA
P002