N7205A106B04[201502].pdf - 第36页
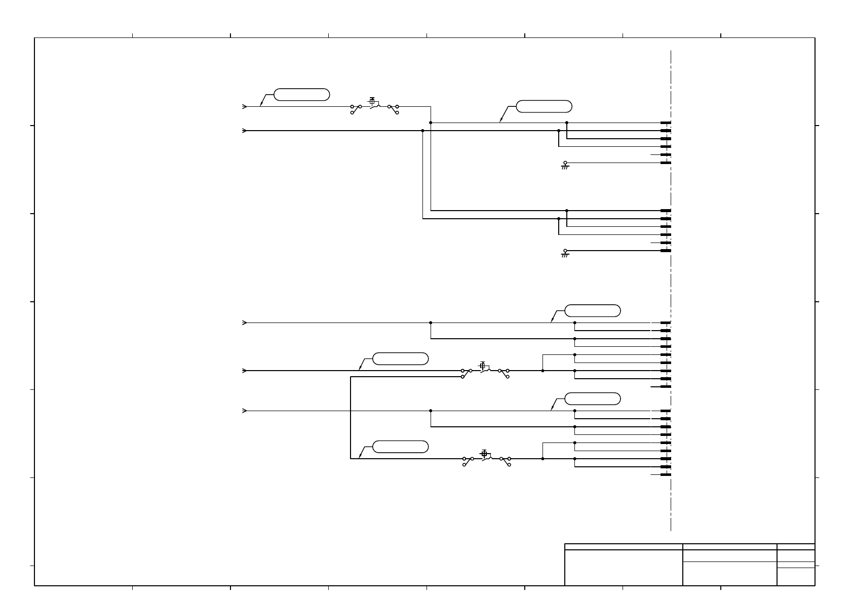
For Multi Recognition Camera (Front) For Multi Recognition Camera (Rear) P24 G24 P24 G24 N.C FG P24 G24 P24 G24 N.C FG R1.25-4 JST FGLC1 R1.25-4 JST FGLC2 MOLEX LC1 5559-06P-210 6 5 4 3 2 1 MOLEX LC2 5559-06P-210 6 5 4 3…

-K321
PNF0B4
CN24V
CP31FI/15(CCC)
Fuji Electric FA Components & Systems
(15A)
1 1 2
-F129
2aF129
FK2-4
JST
FK2-4
JST
1aF129
PBA15F-24-N
Cosel
(0.7A)
-T122
AC(L)
AC(N)
+V
-V
+V
+VaT122
FK1.25-M3
JST
-VaT122
-VbT122
FK2-M3
JST
AC(L)aT122
AC(N)aT122
R2-3.5
ET122
UL#18 80/300-0.75mm2 BU
BU
UL#18 80/300-0.75mm2
UL#18 80/300-0.75mm2 BU
BU
UL#18 80/300-0.75mm2
UL#18 80/300-0.75mm2 BU
24VIN
24VIN
24GND
24GND
CP+24V
24GND
1
2
4
5
3
6
+VbT122
BU UL#18 80/300-0.75mm2
ILK Board #1
1
2
4
MOLEX
CN24VK321
5557-06R-210
5
3
6
UL#16 105/600-1.25mm2 BK
UL#16 105/600-1.25mm2 BK
CP31FI/10(CCC)
Fuji Electric FA Components & Systems
(10A)
1 1 2 2
-F128
2aF128
FK1.25-4
JST
FK2-4
JST
1aF128
UL#14 105/600-2.0mm2 BU
BU UL#18 80/300-0.75mm2
BU
UL#18 80/300-0.75mm2
BU
UL#16 80/300-1.25mm2
BU
BU UL#20 80/300-0.5mm2
BU UL#20 80/300-0.5mm2
BU
UL#20 80/300-0.5mm2
BU
UL#20 80/300-0.5mm2
N610159567AB
N610159564AB
N610159563AB
To Power Unit 2
BU UL#22 80/300-0.3mm2
BU
UL#22 80/300-0.3mm2
BU
UL#22 80/300-0.3mm2
BU UL#22 80/300-0.3mm2
BU UL#22 80/300-0.3mm2
AMP
1CN24VR
177900-1
4
3
2
1
AMP
1T122R
177898-1
2
1
UL#16 80/300-1.25mm2 BU
2bF128
N610159565AD
UL#16 105/600-1.25mm2 GN/YE
UL#16 105/600-1.25mm2 BK
UL#16 105/600-1.25mm2 BK
UL#16 105/600-1.25mm2 BK
UL#16 105/600-1.25mm2 GN/YE
N610159558AC
N610159557AC
FK2-4
JST
AC(L)aT121
AC(L)bT121
AC(N)aT121
AC(N)bT121
R2-4
ET121
+V1aT121
FK2-4
JST
-V1aT121
FK1.25-4
-V2aT121
-V3aT121
-V4aT121
+V3aT121
-V4bT121
-V3bT121
-V1bT121
+V1bT121
+V2aT121
+V2bT121
+V4aT121
-V2bT121
+V2aT121
P009-3A
+V2bT121
P012-4A
-V2aT121
P009-3B
-V2bT121
P012-6A
-V4bT121
P012-6C
CP31FI/5(CCC)
Fuji Electric FA Components & Systems
(5A)
1 1 2 2
-F122
2aF122
FK1.25-4
JST
FK1.25-4
JST
1aF122
1CN24VP
1
2
3
4
1T122P
1
2
For
I/O Board
UL#18 80/300-0.75mm2 BU
N610159568AB
L11c2X1 P003-6E
L21c4X1 P003-6E
Eb6X1 P003-6E
Ec6X1 P003-6E
FGT122 P003-6F
+VaT122
P011-6A
CARTF1-8
P012-6B
CARTR1-8
P012-6D
-VaT122
P010-4B
ADA600F-24
Cosel
-T121
AC(L)
AC(N)
A +V1
+V2
+V3
+V4
-V1
-V2
-V3
-V4
1G103P
1
2
3
M
-
n
-G103
9GL1224J1J01
RD
YE
BK
SANYO DENKI
AMP
G103R
177899-1
3
2
1
N610159508AB
N610159509AB
N610159504AB
N610159505AB
N610159507AC
AMP
G103P
177907-1
3
2
1
4
AMP
1G103R
177900-1
4
3
2
1
BU
UL#22 80/300-0.3mm2
BU UL#22 80/300-0.3mm2
BU
UL#22 80/300-0.3mm2
N610161008AC
+V3aT121
P009-3E
-V3aT121
P009-3D
UL#16 80/300-1.25mm2
-V3bT121
P009-3E
Note1) Connector Pin arrangement is not sequential.
Note1)
5557-04R-210
1
MOLEX
LCVL
5559-04P-210
4
3
2
1
1
1
1
1
1
1
Ec2X1
Ec3X1
1
1
1
FK2-4
2
2
2
2
2
2
E_T121
E_T122
2
2
2
2
Panasonic Factory Solutions Co.,Ltd. パナソニック ファクトリーソリューションズ株式会社
Name
Drawing No.
Loc. No.
F4K1020-05A
1
2 3 4 5 6 7 8
A
B
C
D
E
F
1 2 3 4 5 6 7 8
A
B
C
D
E
F
Page. No.
Power Unit 1 Wiring:NPM-D3
(DC Power Supply)
N610161320+008AD
P008
3
3

For
Multi Recognition Camera
(Front)
For
Multi Recognition Camera
(Rear)
P24
G24
P24
G24
N.C
FG
P24
G24
P24
G24
N.C
FG
R1.25-4
JST
FGLC1
R1.25-4
JST
FGLC2
MOLEX
LC1
5559-06P-210
6
5
4
3
2
1
MOLEX
LC2
5559-06P-210
6
5
4
3
2
1
UL#22 80/300-0.3mm2 BU
UL#22 80/300-0.3mm2 BU
UL#22 80/300-0.3mm2 BU
UL#22 80/300-0.3mm2 BU
UL#22 80/300-0.3mm2 BU
UL#22 80/300-0.3mm2 BU
BK UL#18 80/300-0.75mm2
BK UL#18 80/300-0.75mm2
N610159569AC
BU UL#18 80/300-0.75mm2
+V2aT121 P008-3C
-V2aT121 P008-3C
UL#22 80/300-0.3mm2 BU
UL#22 80/300-0.3mm2 BU
CP31FI/5(CCC)
Fuji Electric FA Components & Systems
(5A)
1 1 2 2
-F123
2aF123
FK1.25-4
JST
FK2-4
JST
1aF123
N610159559AB
For
Head
(Front)
For
Head
(Rear)
CP31FI/10(CCC)
Fuji Electric FA Components & Systems
(10A)
1 1 2
-F124
CP31FI/10(CCC)
Fuji Electric FA Components & Systems
(10A)
1 1 2 2
-F125
2aF124
FK1.25-4
JST
2aF125
FK1.25-4
JST
FK2-4
JST
1aF124
1bF124
FK2-4
JST
1aF125
UL#20 80/300-0.5mm2 BU
BU
UL#20 80/300-0.5mm2
UL#20 80/300-0.5mm2 BU
BU
UL#20 80/300-0.5mm2
UL#20 80/300-0.5mm2 BU
BU
UL#20 80/300-0.5mm2
UL#20 80/300-0.5mm2 BU
BU UL#20 80/300-0.5mm2
UL#20 80/300-0.5mm2 BU
BU UL#20 80/300-0.5mm2
UL#20 80/300-0.5mm2 BU
BU
UL#20 80/300-0.5mm2
UL#20 80/300-0.5mm2 BU
BU
UL#20 80/300-0.5mm2
UL#20 80/300-0.5mm2 BU
UL#20 80/300-0.5mm2
1
2
3
AMP
HEAD1PW
177911-1
4
5
6
7
8
9
1
2
3
AMP
HEAD2PW
177911-1
4
5
6
7
8
9
UL#16 80/300-1.25mm2 BU
UL#14 105/600-2.0mm2 BU
N610159560AC
N610159562AB
N610159561AB
G24
G24
G24
G24
P24
P24
P24
P24
G24
G24
G24
G24
P24
P24
P24
P24
+V3aT121 P008-3C
-V3aT121 P008-3D
-V3bT121 P008-3D
N610159566AB
1
1
1
1
1
1
2
2
Panasonic Factory Solutions Co.,Ltd. パナソニック ファクトリーソリューションズ株式会社
Name
Drawing No.
Loc. No.
F4K1020-05A
1
2 3 4 5 6 7 8
A
B
C
D
E
F
1 2 3 4 5 6 7 8
A
B
C
D
E
F
Page. No.
Power Unit 1 Wiring:NPM-D3
(Camera)
N610161320+009AC
P009

-K121
G9SC-400-CNP4E
OMRON
CN1
1
2
3
4
5
6
7
8
9
10
11
12
13
14
15
16
T22
T12/T31
NC
NC
T21
T32
NC
NC
COM
T11
2
1
4
3
A2
A1
CN2
1
2
3
4
5
6
7
8
9
10
13
23
33
43
NC
14
24
34
44
NC
-K321
PNF0B4
Safety Relay
-K122
G9SC-PF
OMRON
CN1
1
2
3
4
5
6
7
8
9
10
11
12
13
14
15
16
K1OUT
K1OUT
K1K2OUT
GND
GND
K2OUT
K2OUT
K1K2OUT
P24
P24
P24
G24
RL1
CN2
P24
G24
RL2
CN3
Safety Connection
CNRLY1
1
2
3
4
5
6
7
24GND
IN020
24GND
24GND
IN021
24VOUT
24GND
K2 K1
K2
K2
Control
Circuit
K2
K1
K1
SA
TH
a
a
K1
CNSR1
1
2
3
4
5
6
7
8
9
10
OT026NO(RESET)
OT026COM(RESET)
OT011NO
OT011COM
24VOUT
IN026
IN027
NC
24VOUT
24GND
To
SC1R
(P011-2D)
CNMC1
1
2
3
4
OT027(24VOUT)POWER ON1
OT027(24VOUT)POWER ON2
24VOUT
24GND
BU UL#22 80/300-0.3mm2
To
Extension
Conveyor
(Left)
To
Extension
Conveyor
(Right)
1
2
3
1
2
3
To
SC2R
(P013-1D)
UL#22 80/300-0.3mm2 BU
ILK Board #1
1
2
3
MOLEX
SC1P
5559-08P-210
4
5
6
7
8
1
2
3
MOLEX
SC2P
5559-08P-210
4
5
6
7
8
1
2
3
AMP
CN2K122
177899-1
1
2
3
AMP
CN3K122
177899-1
1
2
3
MOLEX
CN1K122
43025-1600
4
5
6
7
8
9
10
11
12
13
14
15
16
1
2
3
JST
CNRLY1K321
PAP-07V-S
4
5
6
7
1
2
3
MOLEX
CNMC1K321
5557-04R-210
4
10
9
8
7
6
5
4
MOLEX
CNSR1K321
5557-10R-210
3
2
1
10
9
8
7
6
5
4
JST
CN2K121
XHP-10
3
2
1
16
15
14
13
12
11
10
9
8
7
6
5
4
OMRON
CN1K121
XG5N-161-U
3
2
1
UL#22 80/300-0.3mm2 BU
UL#22 80/300-0.3mm2 BU
N610159570AC
UL#22 80/300-0.3mm2 BU
UL#22 80/300-0.3mm2 BU
UL#22 80/300-0.3mm2 BU
UL#22 80/300-0.3mm2 BU
UL#22 80/300-0.3mm2 BU
UL#22 80/300-0.3mm2 BU
UL#22 80/300-0.3mm2 BU
UL#22 80/300-0.3mm2 BU
UL#22 80/300-0.3mm2 BU
UL#22 80/300-0.3mm2 BU
BU
UL#22 80/300-0.3mm2
UL#22 80/300-0.3mm2 BU
BU UL#22 80/300-0.3mm2
UL#22 80/300-0.3mm2 BU
BU UL#22 80/300-0.3mm2
BU
UL#22 80/300-0.3mm2
UL#22 80/300-0.3mm2 BU
BU UL#22 80/300-0.3mm2
BU
UL#22 80/300-0.3mm2
UL#22 80/300-0.3mm2 BU
BU
UL#22 80/300-0.3mm2
UL#22 80/300-0.3mm2 BU
MOLEX
TRAY.E
5559-02P-210
2
1
UL#22 80/300-0.3mm2 BU
BU UL#22 80/300-0.3mm2
K2K1
K1 K2
K1 K2
CN1K121-6
P005-2C
CN2K121-6
P005-2D
CN2K121-7
P005-2D
CNMC1K321-4
P005-2D
To
Tray Unit
(-A51)
(Rear)
CNSR1K321-1 P005-7C
UL#22 80/300-0.3mm2 BU
UL#22 80/300-0.3mm2 BU
UL#22 80/300-0.3mm2 BU
UL#22 80/300-0.3mm2 BU
UL#22 80/300-0.3mm2 BU
BU
UL#22 80/300-0.3mm2
BU
UL#22 80/300-0.3mm2
BU
UL#22 80/300-0.3mm2
BU UL#22 80/300-0.3mm2
BU
UL#22 80/300-0.3mm2
-VaT122 P008-5E
N610159637AB
UL#22 80/300-0.3mm2 BU
UL#22 80/300-0.3mm2 BU
MOLEX
CNEXR01
5559-10P-210
10
9
8
7
6
5
4
3
2
1
MOLEX
CNEXL01
5559-10P-210
10
9
8
7
6
5
4
3
2
1
5559-08P-210
1
5559-08P-210
1
1
1 2
3
Panasonic Factory Solutions Co.,Ltd. パナソニック ファクトリーソリューションズ株式会社
Name
Drawing No.
Loc. No.
F4K1020-05A
1
2 3 4 5 6 7 8
A
B
C
D
E
F
1 2 3 4 5 6 7 8
A
B
C
D
E
F
Page. No.
Power Unit 1 Wiring:NPM-D3
(Safety Relay)
N610161320+010AD
P010