PSU 使用说明书.pdf - 第13页
INS-NXTPSU-3.1S 1. 各部分的名称和功能 PSU 使用说明书 3 1.1.3 M6 供料托架用 PSU 最多可以存储 2 台 M6 供料托架。 备注 )下图表示了标准供料托架用 PSU。带料斗的供料托架用 PSU 的形状有若干区别。 1. 供料托架锁定杆 是解除 PSU 上的料站托架锁定的控制杆。如 果 PCU 没有被正确地连接,则不能操作。 2. 供料托架导轨 是支撑料站托架的导轨。 3. 防止后退机构 如果 PCU …

1. 各部分的名称和功能 INS-NXTPSU-3.1S
2 PSU 使用说明书
1.1.2 M3-2c 供料托架用 PSU-2c
最多可以存储 4 台 M3-2c 供料托架。
备注 )下图表示了标准供料托架用 PSU-2c。带料斗的供料托架用 PSU-2c 的形状有若干区别。
1. 供料托架锁定杆 是解除 PSU-2c 上的料站托架锁定的控制杆。
如果 PCU-2c 没有被正确地连接,则不能操
作。
2. 供料托架导轨 是支撑料站托架的导轨。
3. 防止后退机构 如果 PCU-2c 没有被正确地连接到 PSU-2c 处,
就不能解除料站托架的锁定的一种安全装置。
4. 水平螺栓 调整 PSU-2c 的高度。
5. PCU-2c 用导轨 用于插入 PCU-2c 的导轨。
6. 导轨夹块 将 PCU-2c 固定在 PSU-2c 处。
7. 脚轮 如果是选购件的移动式 PSU-2c,取代水平螺
栓而安装脚轮。(4 处)
01NST-1734S
1
2
3
4
5
6
7

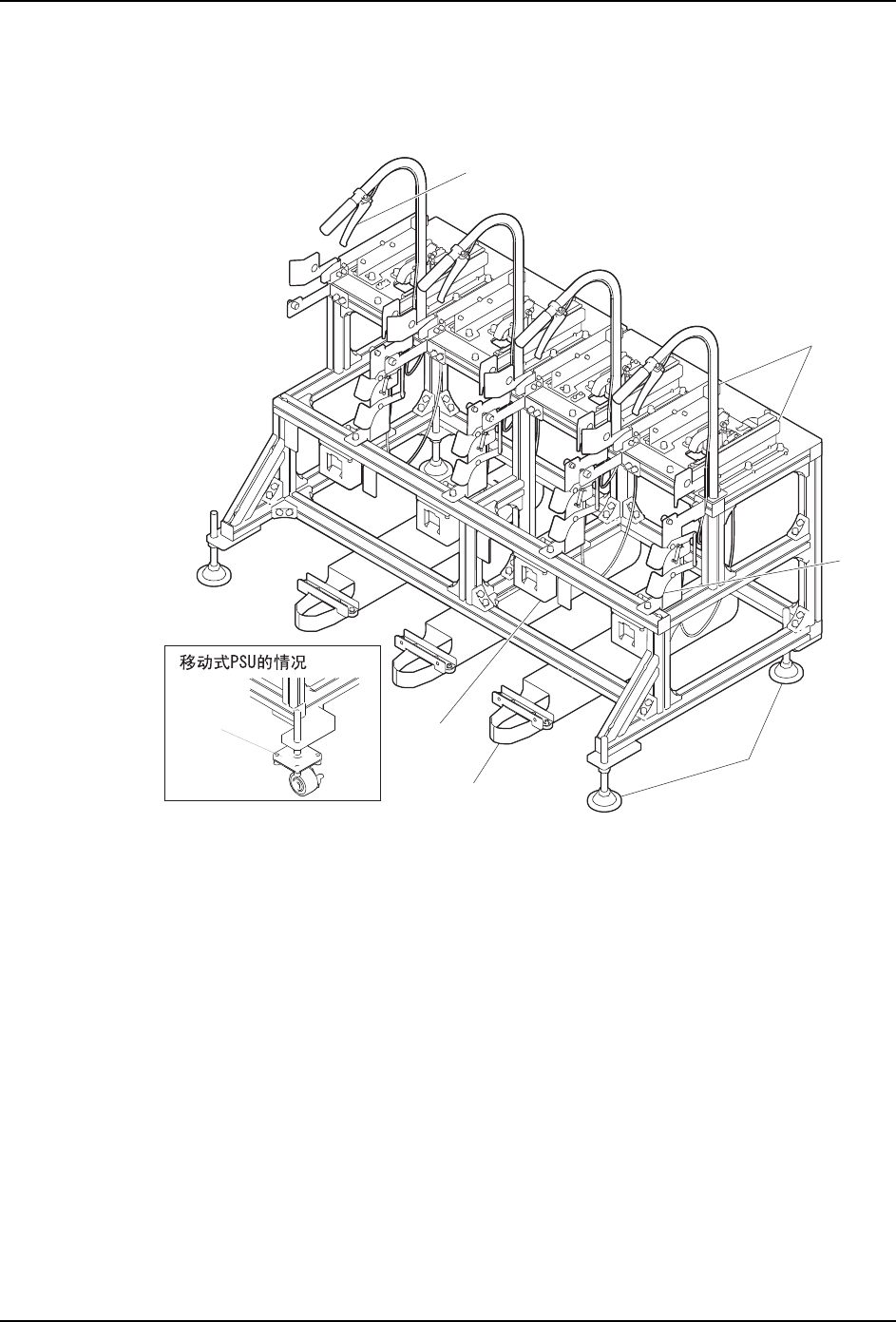
INS-NXTPSU-3.1S 1. 各部分的名称和功能
PSU 使用说明书 3
1.1.3 M6 供料托架用 PSU
最多可以存储 2 台 M6 供料托架。
备注 )下图表示了标准供料托架用 PSU。带料斗的供料托架用 PSU 的形状有若干区别。
1. 供料托架锁定杆 是解除 PSU 上的料站托架锁定的控制杆。如
果 PCU 没有被正确地连接,则不能操作。
2. 供料托架导轨 是支撑料站托架的导轨。
3. 防止后退机构 如果 PCU 没有被正确地连接到 PSU 处,就不
能解除料站托架的锁定的一种安全装置。
4. 水平螺栓 调整 PSU 的高度。
5. PCU-2 用导轨 用于插入 PCU-2 的导轨。
6. 导轨夹块 将 PCU 固定在 PSU 处。
7. 脚轮 如果是选配件的移动式 PSU,取代水平螺栓而
安装脚轮。(4 处)

1. 各部分的名称和功能 INS-NXTPSU-3.1S
4 PSU 使用说明书
1.1.4 M6-2c 供料托架用 PSU-2c
最多可以存储 2 台 M6-2c 供料托架。
备注 )下图表示了标准供料托架用 PSU-2c。带料斗的供料托架用 PSU-2c 的形状有若干区别。
1. 供料托架锁定杆 是解除 PSU-2c 上的料站托架锁定的控制杆。
如果 PCU-2c 没有被正确地连接,则不能操
作。
2. 供料托架导轨 是支撑料站托架的导轨。
3. 防止后退机构 如果 PCU-2c 没有被正确地连接到 PSU-2c 处,
就不能解除料站托架的锁定的一种安全装置。
4. 水平螺栓 调整 PSU-2c 的高度。
5. PCU-2c 用导轨 用于插入 PCU-2c 的导轨。
6. 导轨夹块 将 PCU-2c 固定在 PSU-2c 处。
7. 脚轮 如果是选配件的移动式 PSU-2c,取代水平螺
栓而安装脚轮。(4 处)
01NST-1735S
1
2
3
4
5
6
7