PSU 使用说明书.pdf - 第18页
1. 各部分的名称和功能 INS-NXTPSU-3.1S 8 PSU 使用说明书 MEMO:

INS-NXTPSU-3.1S 1. 各部分的名称和功能
PSU 使用说明书 7
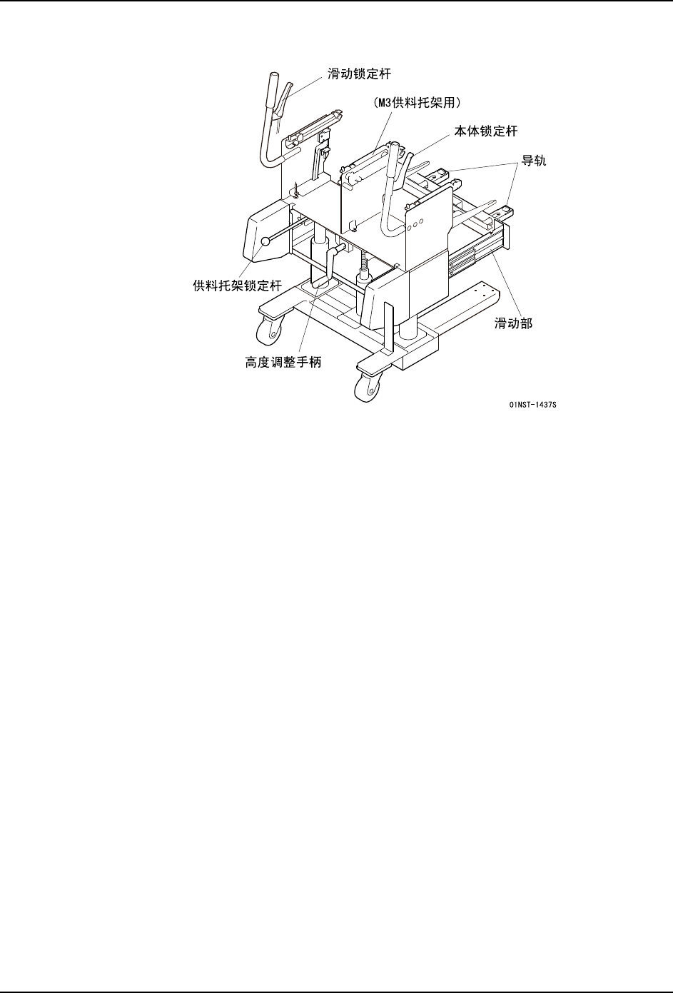
1.2.3 标准供料托架用 PCU

1. 各部分的名称和功能 INS-NXTPSU-3.1S
8 PSU 使用说明书
MEMO:

INS-NXTPSU-3.1S 2. 安装
PSU 使用说明书 9
2. 安装
2.1 移动 PSU 时的注意事项
使用叉车或手动千斤顶等通过爪进行提升的类型的搬运装置,搬运 PSU、PSU-2c 时,请拆
下导轨部的滚轮。移动后,请重新安装导轨部的滚轮。
备注 ) 出厂时,在拆下了导轨部的滚轮的状态下出厂。最初安装时,不需要拆下滚轮。
PSU
PSU-2c
01NST-1732
01NST-1733