PTS-FIFEEDER-19..pdf - 第38页
18 12 10 7 19 10 11 23 21 3 2 6 5 15 3 8 4 22 16 24 19 9 18 25 10 17 17 17 17 17 17 20 20 20 20 24 26 31 32 32 32 13 14 13.1 1 32 REEL HOLDER (CASE TYPE) W08c 7inch AA5NC14 38 PTS-FIFEEDER-19

FEEDER W08f 2/2
フィーダ W08f 2/2
2ADLFA006135
No.
Drg.No. & Code No.
QTY
Description
Rating
Remarks
番号
図番
&
コード番号
個数
品名
規格
備考
1
PH01715
1
GUIDE
ガイド
2
PP02693
1
SLIDE, AUXILIARY
スライド ホジヨ
3
H68850
2
BOLT, HEX SOCKET
ボルト 六角穴
SEH0306
4
2MDLFA065201
1
BOLT, HEX SOCKET
ボルト 六角穴
5
W1106C
1
WASHER, LOCK
ワッシャ スプリング
3M/M(3
カ
シロ
)
6
W1108B
1
WASHER, FLAT
ワッシャ 平
3M/MX0.5X7(3
カシロ
)
7
PZ02321
1
SPRING
スプリング
8
PT01871
1
CLAMPER
クランパ
9
2MDLFA295800
1
WIRE
ワイヤ
10
K69487
1
SCREW, HEX SOCKET COUNTERSUNK
小ネジ 六角穴皿
M03X008(3
カ
シロ
)
SL-250
ショリ
11
2MDLFA105802
1
PLATE, REAR
プレート リヤー
12
K69488
3
SCREW, HEX SOCKET COUNTERSUNK
小ネジ 六角穴皿
M04X008(3
カ
シロ
)
SL-250
ショリ
13
PH01816
1
HANDLE
取手
14
K53579
3
SCREW, HEX SOCKET COUNTERSUNK
小ネジ 六角穴皿
M03X010(3
カ
シロ
)
15
N1079W
3
NUT, HEX
ナット 六角
M03 3
シュ
(3
カ
シロ
)
16
2MDLFA063502
1
LEVER
レバー
17
PT01884
1
CLIPPER, WIRE
クリツパ ワイヤ
18
K5357X
1
SCREW, HEX SOCKET COUNTERSUNK
小ネジ 六角穴皿
M03X008(3
カ
シロ
)
19
N4018A
1
SCREW, HEX SOCKET SET
ネジ 六角穴止め
M03X003
クボミサキ
20
PM03663
1
PIN
ピン
21
K64283
1
SCREW, HEX SOCKET COUNTERSUNK
小ネジ 六角穴皿
M04X008(3
カシロ
)
22
PP02627
1
LEVER
レバー
23
PH01671
1
ROLLER
ローラ
24
PM066B2
1
PIN, ROLLER
ピン ローラ
25
K5357L
1
SCREW, HEX SOCKET COUNTERSUNK
小ネジ 六角穴皿
M03X006(3
カ
シロ
)
26
PH01682
1
ROLLER
ローラ
27
PM066A5
1
PIN, PIVOT
ピン 支点
28
K5357L
1
SCREW, HEX SOCKET COUNTERSUNK
小ネジ 六角穴皿
M03X006(3
カ
シロ
)
29
PM0BAD1
1
RETAINER, SPRING
押え スプリング
30
PZ50900
1
SPRING
スプリング
31
2AGKFA000201
1
BOARD, PRINTED CIRCUIT
基板 プリント
32
K5170M
2
SCREW, C/R TRUSS
小ネジ 十穴トラス
M02X005(
ステンレス
)
33
N60680
2
NUT, HEX
ナット 六角
M02 3
シュ
(3
カ
シロ
)
34
PS04040
1
SEAL
シール
35
PJ20961
2
PLATE
プレート
37
2MDLFA032201
1
PLATE
プレート
38
PH02063
1
COVER, SWITCH
カバー SW
39
XK05546
1
BOARD, PRINTED CIRCUIT
基板 プリント
40
2MDLFA190801
1
SHEET SW
シートSW
41
PB03TS5
1
PLATE, SEAL
プレート シール
42
2MDLFA067200
2
SEAL
シール
W08f
43
2MDLFA067400
1
SEAL, BAR CODE
シール バーコード
W08f, unit serial number
44
PX09210
1
SEAL
シール
45
2MDLFA010702
1
TAPE, SEAL
テープ シール
46
2MDLFA035702
1
SHEET, RUBBER
シート ゴム
47
2MDLFA035901
1
SHEET, RUBBER
シート ゴム
51
AA8GF04
1
SENSOR
センサ
52
K5357L
2
SCREW, HEX SOCKET COUNTERSUNK
小ネジ 六角穴皿
M03X006(3
カ
シロ
)
37
PTS-FIFEEDER-19

18
12
10
7
19
10
11
23
21
3
2
6
5
15
3
8
4
22
16
24
19
9
18
25
10
17
17
17
17
17
17
20
20
20
20
24
26
31
32
32
32
13
14
13.1
1
32
REEL HOLDER (CASE TYPE) W08c 7inch
AA5NC14
38
PTS-FIFEEDER-19

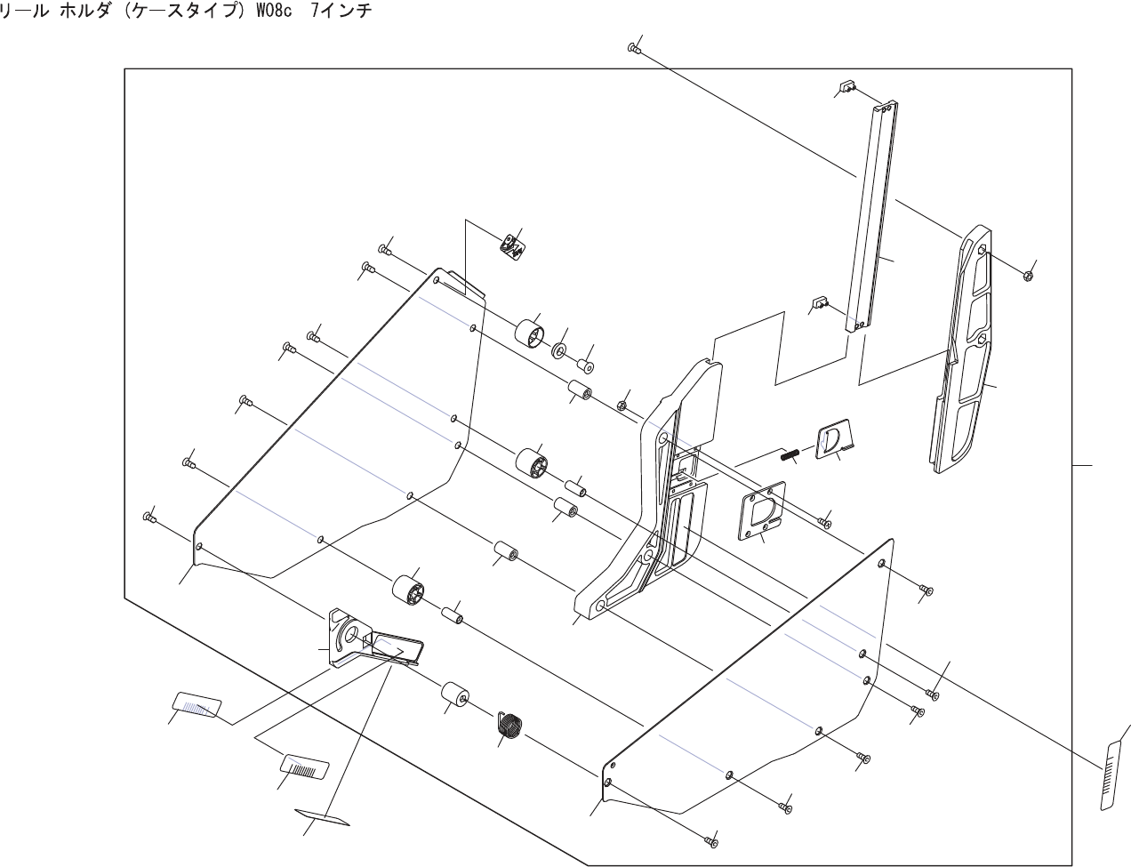
REEL HOLDER (CASE TYPE) W08c 7inch
リール ホルダ (ケースタイプ) W08c 7インチ
AA5NC14
No.
Drg.No. & Code No.
QTY
Description
Rating
Remarks
番号
図番
&
コード番号
個数
品名
規格
備考
1
AA5NC14
1
HOLDER, REEL
ホルダ リール
2
PM048F1
1
SLIDER
スライダ
3
PT01740
2
STOPPER
ストッパ
4
PH01435
1
SLIDER
スライダ
5
PP02253
1
PLATE, RETAINING
プレート 押え
6
K5169N
4
SCREW, C/R COUNTERSUNK
小ネジ 十穴皿
M02X008(
ステンレス
)
7
N1074A
4
NUT, HEX
ナット 六角
M02(
ステンレス
)
8
PP02240
1
JAW
爪
9
PZ27731
1
SPRING
スプリング
10
PM00KH2
3
PIN
ピン
11
PP02160
1
PLATE, SIDE
プレート サイド
12
PX08540
1
SEAL
シール
13
PJ22792
1
ROLLER
ローラ
13.1
H4445D
1
BEARING, MINIATURE
ベアリング ミニチュア
LF-1060ZZ
14
PM0D3X1
1
PIN
ピン
15
K5357M
1
SCREW, HEX SOCKET COUNTERSUNK
小ネジ 六角穴皿
M03X006
16
PP02171
1
PLATE, SIDE
プレート サイド
17
K5357M
6
SCREW, HEX SOCKET COUNTERSUNK
小ネジ 六角穴皿
M03X006
18
PH01491
2
ROLLER
ローラ
19
PM97983
2
PIN
ピン
20
K5357M
4
SCREW, HEX SOCKET COUNTERSUNK
小ネジ 六角穴皿
M03X006
21
PH01413
1
ARM
アーム
22
PZ34281
1
SPRING, TORSION
スプリング ネジリ
23
PM04LS3
1
PIN, PIVOT
ピン 支点
24
K5357M
2
SCREW, HEX SOCKET COUNTERSUNK
小ネジ 六角穴皿
M03X006
25
PH01423
1
BKT, SLIDE
BKT スライド
26
N10796
2
NUT, HEX
ナット 六角
M04(3
カクロ
)
31
PZ31461
2
BOLT
ボルト
32
PX09121
4
SEAL, BAR CODE
シール バーコード
W08c, unit serial number
39
PTS-FIFEEDER-19