HDF Chinese.pdf - 第13页
HDF 2003 年1月1日 9 3) 被涂布的元器件和涂胶嘴 元器件尺寸规格 元器件 元器件外表 X Y T 涂胶嘴 涂布直径 (mm) 涂布倍率 涂胶头定 位的位置 ( 行程 ) 1 .6 × 0.8 C.R 1 .6 0.8 0.4 ~ 0.8 VSorS ( 1 608 用 ) φ 0.6 ~φ 0.7 2 ×1 .25 C.R 2…

HDF 2003 年1月1日
8
2)涂胶嘴的形状
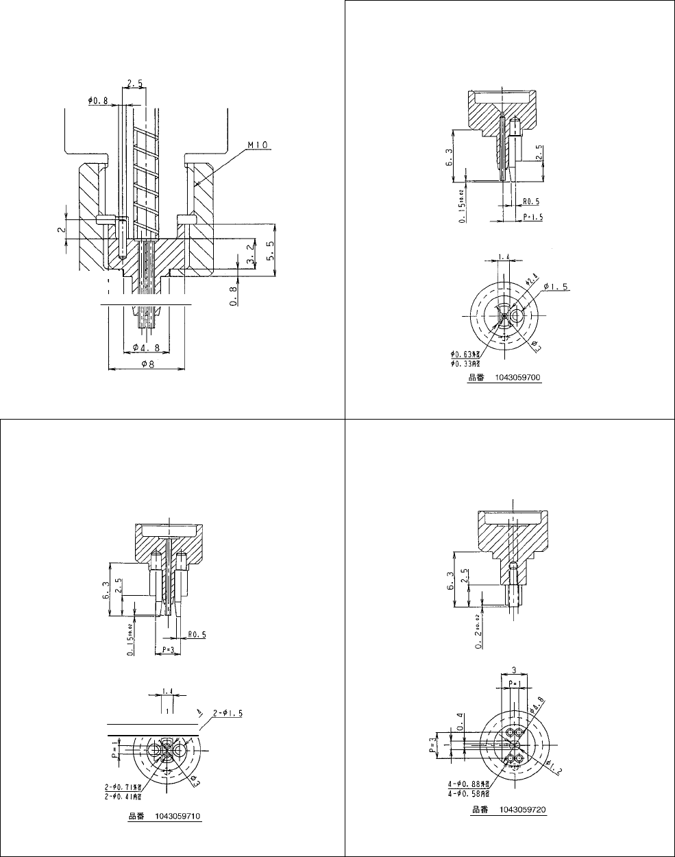
螺旋式涂胶嘴的形状(推荐的涂胶嘴)
尺寸单位:mm
单点涂胶嘴VS涂胶嘴
涂布直径(标准)φ0.6~φ1.0
用于1608等的柔软型粘接剂(胶)
2点涂胶嘴S涂胶嘴
涂布直径(标准)φ0.7~φ1.1
用于2125,3216,钽Y、X,园筒芯片,
微型晶体管等
4点涂胶嘴L涂胶嘴
涂布直径(标准)φ0.8~φ1.2
用于QFP,SOP,钽,电解电容器等
φ
0.63
外径
φ0.33
内径
部件编号10430059700
部件编号1043059710
部件编号1043059720
2-φ0.71 外径
2-φ0.41 内径
4-φ0.88 外径
4-φ0.58 内径

HDF 2003 年1月1日
9
3)被涂布的元器件和涂胶嘴
元器件尺寸规格
元器件
元器件外表
X Y T
涂胶嘴
涂布直径
(mm)
涂布倍率
涂胶头定
位的位置
(行程)
1.6×0.8 C.R
1.6 0.8 0.4~0.8
VSorS
(1608用)
φ0.6~φ0.7
2×1.25 C.R
2.01.25 0.4~0.8
φ0.65~
φ0.75
1
3
3.2×1.6 C.R
3.21.6 0.4~0.8
φ0.7~
φ0.8
1.5
微型模制 Tr 2.8 2.81.1
S
φ0.8
2
4
微型功率 Tr
4.3 4.51.5 S×2
φ0.85
园 筒 芯 片 2.0
φ1.0
-
φ0.8
园 筒 芯 片
3.6
φ1.4
-
0°
Sor
90°
φ1.0
3~4
5
钽电解电容器 Y 3.21.61.6
φ0.8
〃X
3.5 2.81.9
S
φ1.0
3~4
6
〃C
6.0 3.2 2.5
〃D
7.3 4.3 2.8
φ1.2
3
10
铝电解电容器 4.3 4.3 5.4
φ0.8
1~2
5
〃L
6.6 6.6 5.4
半固定体 4.5 3.81.5
半固定体
(开设中心)
3.7 3.1 2.0
半固定体
(开设锥度)
4.8 4.0 3.0
L
φ1.2
3
10

HDF 2003 年1月1日
10
元器件尺寸规格
元器件
元器件外表
X Y T
涂胶嘴
涂布直
径
(mm)
涂布倍率
涂胶头定
位的位置
(行程)
微调电容器
(顶面呈平面状)
4.5 4.0 2.6
微调电容器 4.5 4.0 2.6
IFT线圈 5.8 5.8 4.2
薄膜电容器 4.8 3.31.4
光敏开关
6.2 6.2 2.0
φ1.2 3
SOP8P 5.0 4.21.5
L
SOP 16P 10.1 4.21.5L×2
SOP 28P
21.25
9.5 2.0L×3
QFP
□
7 7.0 7.0 2.5L
QFP
□
1414.014.0 2.8L×3
QFP
□
18
18.018.0 3.3L×4
φ1.44
10
•
元器件尺寸规格为参考值。请分别确认各种元器件的尺寸形状。
(请按照各个元器件生产厂家加以确认)
•
部分涂胶嘴可能会发生更改。
•
元器件可能会跟上表的内容相异。