HDF Chinese.pdf - 第26页
HDF 2003 年1月1日 22 (4) 扩大输送的基板尺 寸 对能够输送的基板尺寸 进行扩大 最大尺寸 M ∶ 330 × 250 毫米→ 400 × 25 0 毫米 XL ∶超过标准尺寸的基板不 能对应。 支承孔的范围规定在× 320 毫米以内 。 标准孔的范围规定在× 320 毫米以内 。 识别记号规定在× 330 毫米以内。 可能装配的范围规定从 基板限制器一侧开始的× 330 毫米以内。 (5…

HDF 2003 年1月1日
21
2.任选项规格(2)通用
1)有关对准基板的任选项功能
(1)轨道上自动移动宽度
是一种通过设定基板的数据,自动地对准装配基板的输送部和Y轴工作台(Y方向)位置的功能。
注)自动移动宽度和禁止在轨道上涂布的功能是属于配套任选项。选择本任选项时,必需在用空打程序设
定的粘接剂(胶)罐位置上装设各种涂胶嘴。装设不正确将会不能正常执行禁止在轨道上涂布的功能,
往往会造成轨道与涂胶嘴之间的干扰。使用特殊涂胶嘴等时,请在涂胶嘴数据中设定涂胶嘴的尺寸规
格,用空打程序进行选择,然后再使用。
对准标准孔
供没有基板识别记号的基板使用。
※使用没有基板识别记号也没有标准孔的基板或陶瓷基板时,需要采取其他方法,欢迎垂询。
(2) 标准孔自动移动宽度
对照标准孔的距离,移动标准孔。
(输入操作画面上的数值或者由基板数据进行自动设定)
(3) 限制器自动移动宽度(只限于XL)
自动地移动基板限制器的宽度。
当相反于流动方向(上流侧)自动地移动宽度时,需要基板定位标准。
M尺寸规格中,限制器附带在主体涂胶头上(标准的),因此,生产时进行自动定位。
基板流动方向
切口的最大尺寸
50~250
(50~460)
42~242
(42~452)
能够涂布的范围
标准孔周围的
1 毫米不得涂布
1 毫米以上
元器件没有到
位的范围
元器件没有到
位的范围
设备的前侧
()外为M
()内为 XL
50~330
(50~510)

HDF 2003 年1月1日
22
(4) 扩大输送的基板尺寸
对能够输送的基板尺寸进行扩大
最大尺寸 M∶330×250毫米→400×250毫米
XL∶超过标准尺寸的基板不能对应。
支承孔的范围规定在×320毫米以内。
标准孔的范围规定在×320毫米以内。
识别记号规定在×330毫米以内。
可能装配的范围规定从基板限制器一侧开始的×330毫米以内。
(5)基板端面3毫米涂布和输送
能够对拥有印制电路板Y方向两端开始到3毫米为止的元器件装载范围的基板进行涂布和输送。
(注)关于交货期,请另外确认。
(6) 禁止在轨道上涂布的功能
是一种防止轨道与涂胶嘴或者涂胶嘴限制器之间干扰的软件功能。
根据涂胶嘴和涂布方向,自动地限制可能移动的范围。
注)根据用空打程序设定的涂胶嘴信息,进行计算。
基本上是,从右侧的粘接剂(胶)罐开始固定地装设单点涂胶嘴(VS)、2 点涂胶嘴(S)、4 点涂胶嘴(L)。
如果不能把标准涂胶嘴(第 8、9 页)装设到正确位置上的话,往往会造成轨道与涂胶嘴之间的干扰。
当基板设定为 0 毫米时,禁止在轨道上涂布的功能被解除,即使是装设其他的涂胶嘴后,也能够涂
布到轨道的附近。不过,应该注意轨道与涂胶嘴之间的干扰。(请对照轨道宽度后再使用。)
涂胶嘴形状数据输入的是推荐涂胶嘴的数值。使用特殊涂胶嘴或者设定外的涂胶嘴时,请另外商洽。
螺旋式涂胶头
Y 轴工作台轨道
涂胶嘴位置
左 中央 右

HDF 2003 年1月1日
23
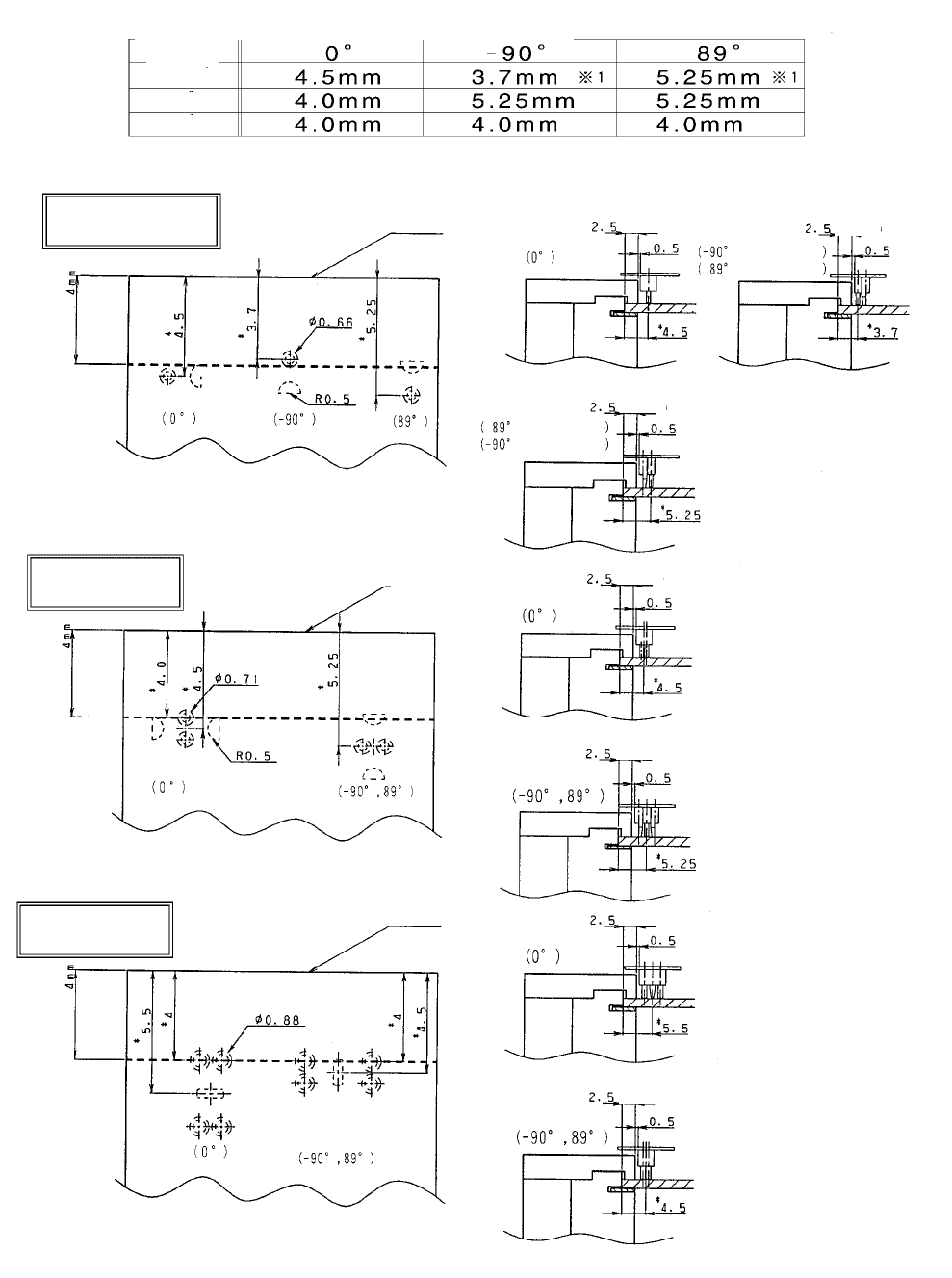
◎从基板端面(基板顶面)开始的不能涂布的距离
※1由于基板前方一侧的限制器位置方向相反,不能涂布的距离变为 89°和-90°。
(表1)
涂布方向
VS 涂胶嘴
S 涂胶嘴
L 涂胶嘴
无信号区
基板端面
涂胶嘴外形
限制器端头
夹持量
夹持量
-
可动侧轨道
-固定侧轨道
注) *符号尺寸是禁止在轨道上涂布的功能中采用软件限制记号识别
的校正、涂胶嘴偏芯校正为 0 时的尺寸。
VS 涂胶嘴
S 涂胶嘴
L 涂胶嘴
无信号区
基板端面
涂胶嘴外形
限制器端头
无信号区
基板端面
涂胶嘴外形
夹持量
-可动侧轨道
-固定侧轨道
夹持量
夹持量
夹持量
夹持量