HDF Chinese.pdf - 第24页
HDF 2003 年1月1日 20 2 点涂胶嘴 S 涂胶嘴 涂布直径 ( 标准 ) φ1 .3 ~φ 2.0 SOP 、 QFP 等 部件编号 螺旋式 1 04837026 0 3) 保护气氛的温度调节 标准设备附带着 涂胶嘴加热器温度调节,不 过,作为任选项而言 ,可配备保护气氛的温度调 节。 主体的外部装设 温度调节机组,调节主体内 部的保护气氛温度。…

HDF 2003 年1月1日
19
2点涂胶嘴S涂胶嘴
涂布直径(标准)φ0.6~φ1.0
用于1608等的柔软型粘接剂(胶)
部件编号
螺旋式
1048370240
2点涂胶嘴S涂胶嘴
涂布直径(标准)φ0.6~φ0.7
同时使用焊膏面
由于制动器位于中心位置,因此能够不
干扰面板上的焊膏进行涂布。
部件编号
螺旋式
1048370250

HDF 2003 年1月1日
20
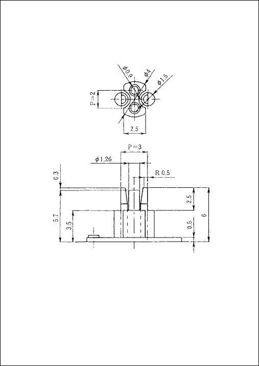
2点涂胶嘴S涂胶嘴
涂布直径(标准)φ1.3~φ2.0
SOP、QFP等
部件编号
螺旋式
1048370260
3)保护气氛的温度调节
标准设备附带着涂胶嘴加热器温度调节,不过,作为任选项而言,可配备保护气氛的温度调节。
主体的外部装设温度调节机组,调节主体内部的保护气氛温度。不过,不能控制湿度。
4)增设程序
由 RAM 扩展板来对应增设下列程序。
•
NC程序(最大能够存储15,000块/32个机种的程序,1个机种最大5,000块)
•
基板程序(最大能够存储32个机种)
•
阵列程序(最大能够存储32个机种)
•
空打程序(最大能够存储 32 个机种)
5)数据输出打印
打印生产管理数据等文件。
6)NC数据编辑软件
是一种离线编辑 NC 数据,用 RS-232C 进行输入输出的软件。

HDF 2003 年1月1日
21
2.任选项规格(2)通用
1)有关对准基板的任选项功能
(1)轨道上自动移动宽度
是一种通过设定基板的数据,自动地对准装配基板的输送部和Y轴工作台(Y方向)位置的功能。
注)自动移动宽度和禁止在轨道上涂布的功能是属于配套任选项。选择本任选项时,必需在用空打程序设
定的粘接剂(胶)罐位置上装设各种涂胶嘴。装设不正确将会不能正常执行禁止在轨道上涂布的功能,
往往会造成轨道与涂胶嘴之间的干扰。使用特殊涂胶嘴等时,请在涂胶嘴数据中设定涂胶嘴的尺寸规
格,用空打程序进行选择,然后再使用。
对准标准孔
供没有基板识别记号的基板使用。
※使用没有基板识别记号也没有标准孔的基板或陶瓷基板时,需要采取其他方法,欢迎垂询。
(2) 标准孔自动移动宽度
对照标准孔的距离,移动标准孔。
(输入操作画面上的数值或者由基板数据进行自动设定)
(3) 限制器自动移动宽度(只限于XL)
自动地移动基板限制器的宽度。
当相反于流动方向(上流侧)自动地移动宽度时,需要基板定位标准。
M尺寸规格中,限制器附带在主体涂胶头上(标准的),因此,生产时进行自动定位。
基板流动方向
切口的最大尺寸
50~250
(50~460)
42~242
(42~452)
能够涂布的范围
标准孔周围的
1 毫米不得涂布
1 毫米以上
元器件没有到
位的范围
元器件没有到
位的范围
设备的前侧
()外为M
()内为 XL
50~330
(50~510)