XP-242E-04JE PART LIST.pdf - 第72页
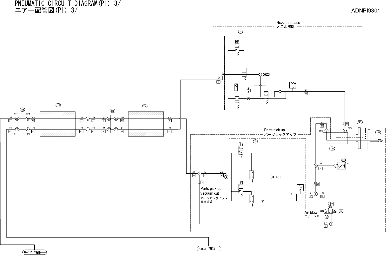
PNEUMATIC CIRCUIT DIAGRAM(PI) エアー配管図(PI) ADNPI9301 番号 図番 & コード番号 個数 品名 規格 材質 備考 No. Drg.No. & Code No. QTY Description Rating Materials Remarks 1 H1331A - VALVE バルブ VQ1101-5 DC24V OT 2 H1332A - VALVE バルブ VQ1201-…

59

PNEUMATIC CIRCUIT DIAGRAM(PI)
エアー配管図(PI) ADNPI9301
番号 図番 & コード番号 個数 品名 規格 材質 備考
No. Drg.No. & Code No. QTY Description Rating Materials Remarks
1 H1331A - VALVE バルブ VQ1101-5 DC24V OT
2 H1332A - VALVE バルブ VQ1201-5 DC24V OT
5 H3051E - COVER, BLIND 蓋 盲 VVQ1000-10A-1 OT
6 DNPI3010 - VALVE UNIT バルブユニット VV5Q11-08-X1267 OT
10 K1086T - COUPLER カプラ 30PM OT
11 H1059T - VALVE, BALL バルブ ボール RP-LL-3/8 ロックハンドルツキ OT
13 S5023H - SOCKET ソケット 30SH OT
15 K2027R - KEY キー C1000-50 OT
16 H1046A - VALVE, STOP バルブ ストップ A3/8X100 OT
17 H1024R - VALVE バルブ VP542-5EZ-03A OT
20 H1063G - VALVE, MECHANICAL バルブ メカニカル VM121-01-01 OT
21 H1050K - VALVE, CHECK バルブ チェック C250-01-32W OT
24 H1009H - GENERATOR, VACUUM 発生器 真空 VP-05HS OT
25 A4001B - EJECTOR エジェクタ VDBL10R6-08SA-D-1.0 OT
28 S1053B - SILENCER サイレンサ KM-J6 (10コ/フクロ) OT
29 H1039A - VALVE, THROTTLING バルブ 絞り JNC4-M5 OT
32 H1124Z - VALVE, SOL バルブ SOL VQZ312-5L-C8 OT
33 S5019A - SOCKET ソケット MC05SM OT
34 H1037T - VALVE, MANUAL バルブ 手動 HV8-8-2 OT
35 H1007E 1 GENERATOR, VACUUM
発生器 真空
VKBH12W-0608SR01E-B-NW-FMS OT
36 H1007F 1 GENERATOR, VACUUM
発生器 真空
VKBH12R-0608SR01G-B-NW-FMS OT
37 S4033H - SENSOR, PRESSURE センサ 圧力 PSE511-M5 OT
38 S4033K - SENSOR, PRESSURE センサ 圧力 ZSE-30-01-25-ML OT
40 DEQC0760 - CYLINDER, AIR シリンダ エアー CXSL10-R7789-2 OT
41 S2125T - CYLINDER, AIR シリンダ エアー CQ2D32-40DCM ナットツキ OT
42 S2126L - CYLINDER, AIR シリンダ エアー CXSM10-K6869-35 OT
44 S20978 - CYLINDER, AIR シリンダ エアー CDLQB80-30D-B-F9NL OT
50 K5337G - CONTROLLER, SPEED コントローラ スピード AS1201F-M5-04 (シロ) OT
52 K5340Y - CONTROLLER, SPEED コントローラ スピード AS2001F-06(シロ) OT
54 K53495 - CONTROLLER, SPEED コントローラ スピード AS3201F-03-06S OT
60 H13384 - VALVE, SOL バルブ SOL SX5320-5MZ-C6-F2-X21 OT
61 S1056E - SILENCER サイレンサ AN103-01 OT
62 K5342D - CONTROLLER, SPEED コントローラ スピード AS2201F-01-06S(シロ) OT
63 S21975 - CYLINDER, AIR シリンダ エアー FCD-KL-50-150-MOV3-D-FL324 OT
71 K5335A - CONTROLLER, SPEED コントローラ スピード JSU4 OT
72 S2208D - CYLINDER, AIR シリンダ エアー CDQSB25-5TM-F9NVL OT
101 DBPP0113 - PLATE プレート OT
104 DEAJ3052 - BOX, VACUUM BOX バキューム OT
60

PNEUMATIC CIRCUIT DIAGRAM(PI)
エアー配管図(PI) ADNPI9301
番号 図番 & コード番号 個数 品名 規格 材質 備考
No. Drg.No. & Code No. QTY Description Rating Materials Remarks
107 ADEPH8306 - SHAFT, SPLINE シャフト スプライン OT
108 DEPH3062 - BKT BKT AL
109 . - NOZZLE ノズル OT
110 DNPQ3120 - VALVE, CHECK バルブ チェック CRVA-0008W OT
111 DEUF3110 - MANIFOLD マニホールド AL
112 DEUF3032 - BKT BKT FE
113 K41393 - FIEXIBLE TRACK ケーブルベア 3400.075.075-11-3075-12.12 OT
114 DNSY3730 - FIEXIBLE TRACK ケーブルベア OT
115 DNSX3060 - BKT, TERMINAL BKT ターミナル AL
116 DNSY3180 - MANIFOLD, AIR マニホールド エアー AL
120 ADNPN8910 - NOZZLE ノズル OT
127 H3032L - FILTER REGULATOR フィルタレギュレータ AC40D-03D-R-X465A OT
A Y30682 - UNION ユニオン KQ2R04-06 OT
B Y3069T - UNION ユニオン KQ2T04-00 OT
C Y30203 - UNION ユニオン UT6M OT
D Y3070A - UNION ユニオン KQ2T06-00 OT
G Y3020F - UNION ユニオン TL6-01M (10コ/フクロ) OT
H Y3079R - UNION, ELBOW ユニオン エルボ KQ2L06-M6 OT
K Y3081A - UNION, ELBOW ユニオン エルボ KQ2L10-03S OT
L Y3078A - UNION, ELBOW ユニオン エルボ KQ2L06-01S OT
M Y3079A - UNION, ELBOW ユニオン エルボ KQ2L06-02S OT
N A4066R - ELBOW エルボ KQ2L08-99 OT
O Y3069H - UNION ユニオン KQ2R06-08 OT
Q K5586A - CONNECTOR コネクタ KQ2U08-00 OT
R Y30811 - UNION, ELBOW ユニオン エルボ KQ2W06-02S OT
T Y3079H - UNION, ELBOW ユニオン エルボ KQ2L06-99 OT
U Y3079T - UNION, ELBOW ユニオン エルボ KQ2L08-02S OT
V Y3071A - UNION ユニオン KQ2T06-01S OT
W Y3084A - UNION, HALF ユニオン ハーフ KQ2H06-02S OT
Y Y30666 - UNION ユニオン KQ2E10-03 OT
Z K2007Z - CAP キャップ KQ2C08-00 OT
AA Y3075A - UNION ユニオン KQ2U06-00 OT
BB Y3117A - UNION, HALF ユニオン ハーフ TS6-01M (10コ/フクロ) OT
DD Y3071H - UNION ユニオン KQ2T08-00 OT
EE H1282A - PIPE, DOUBLE ENDED パイプ 両口 3/8X 25 OT
FF A4061A - ELBOW エルボ 3/8 OT
GG A3034A - PLUG 埋栓 PT1/8 OT
JJ Y3077S - UNION, ELBOW ユニオン エルボ KQ2L04-01S OT
61